Скачать Серия 5.407-43 Выпуск 1. Рабочие чертежиДата актуализации: 01.01.2021
|
| Обозначение: | Серия 5.407-43 |
| Обозначение англ: | Series 5.407-43 |
| Статус: | не определен законодательством |
| Название рус.: | Выпуск 1. Рабочие чертежи |
| Дата добавления в базу: | 01.09.2013 |
| Дата актуализации: | 01.01.2021 |
| Дата введения: | 01.01.1984 |
| Дата окончания срока действия: | 30.06.2003 |
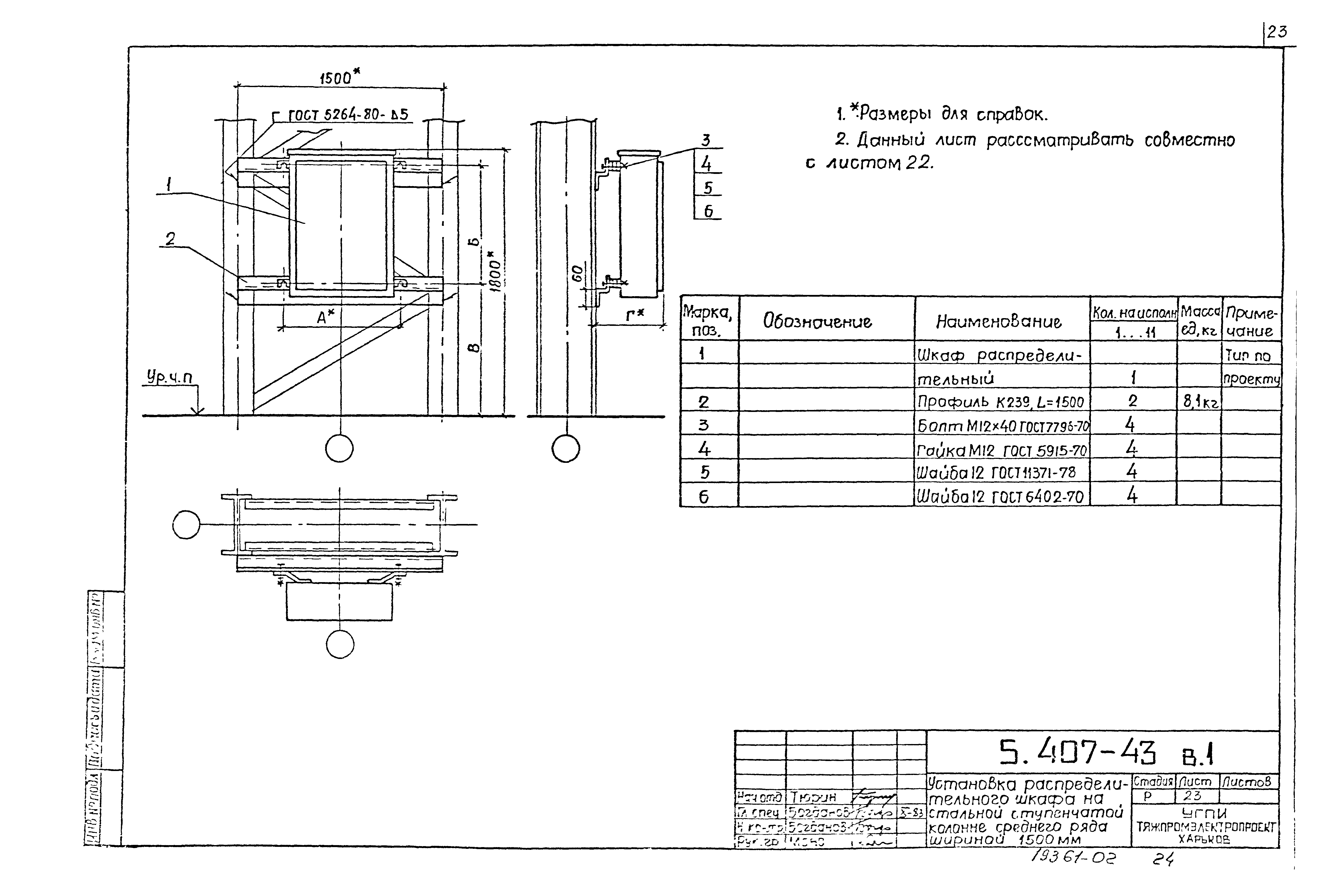
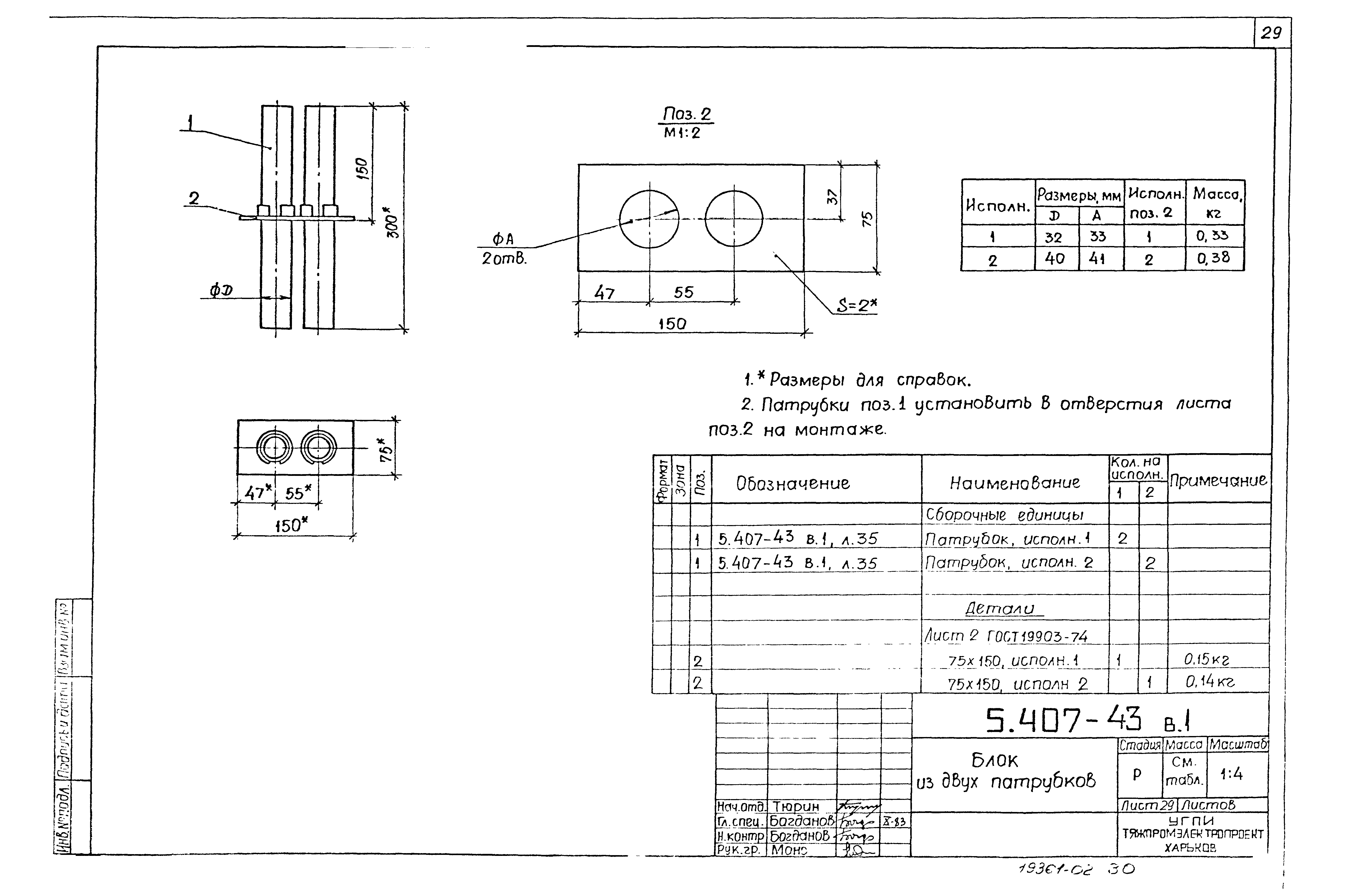
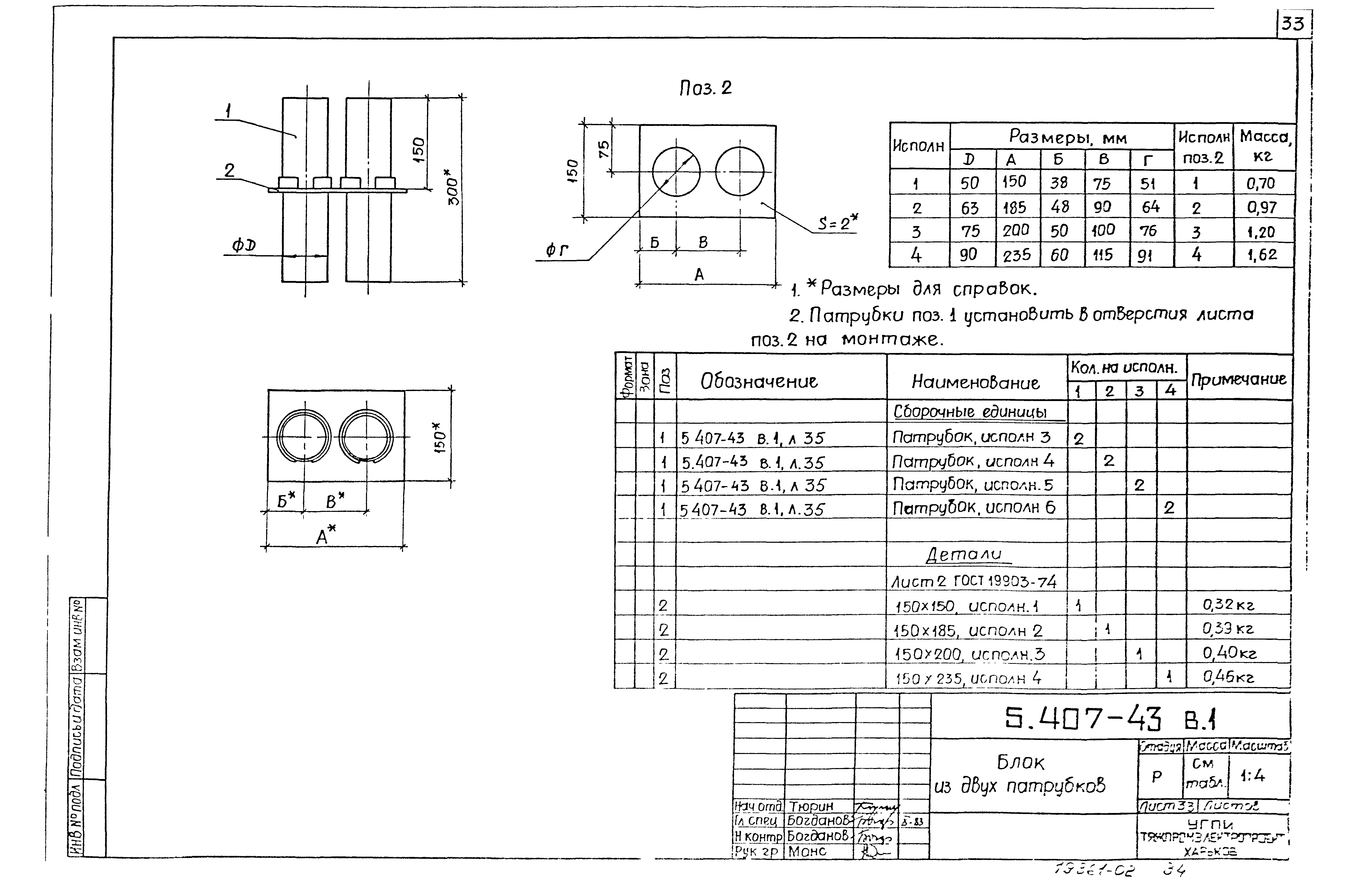
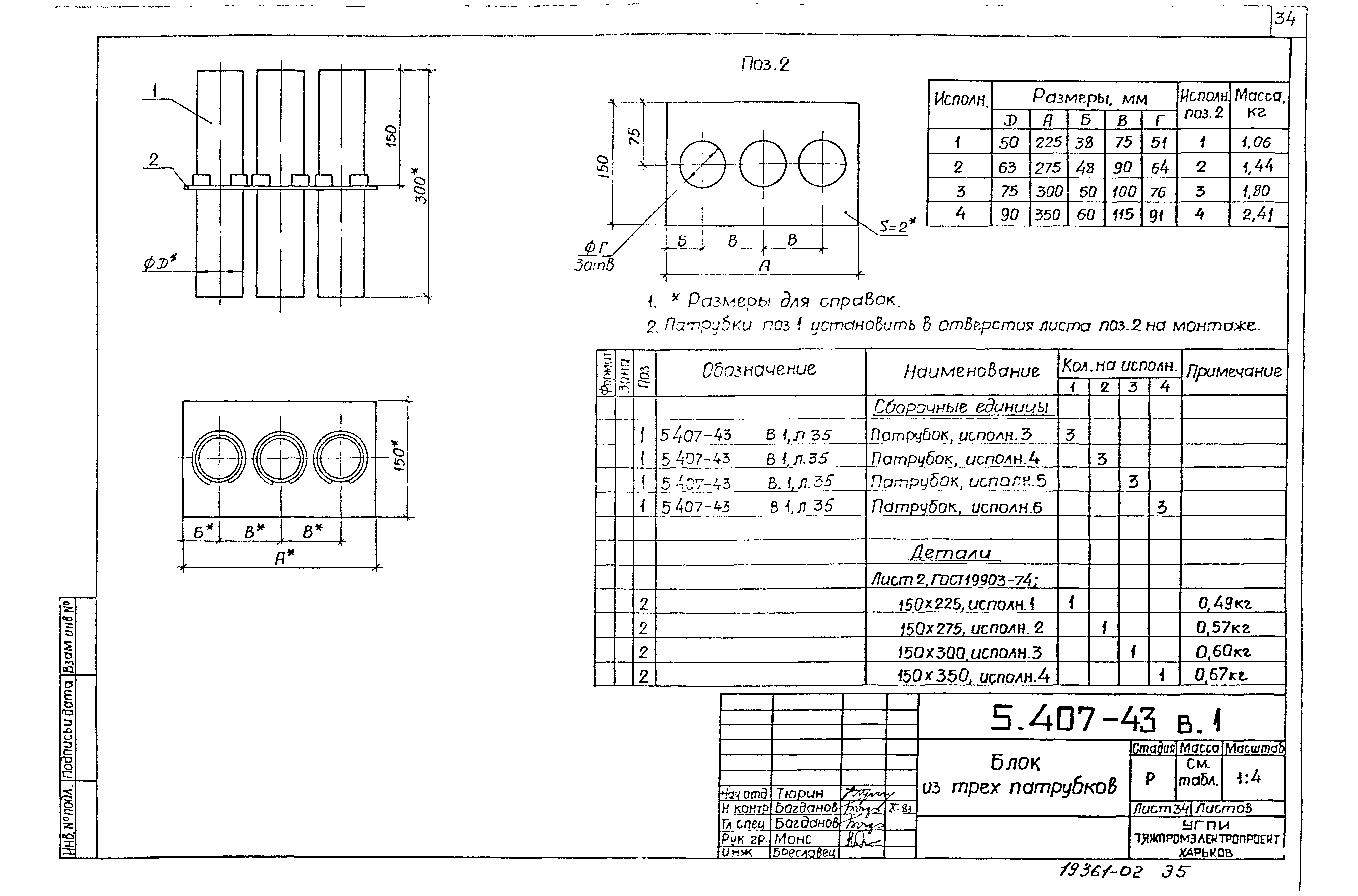
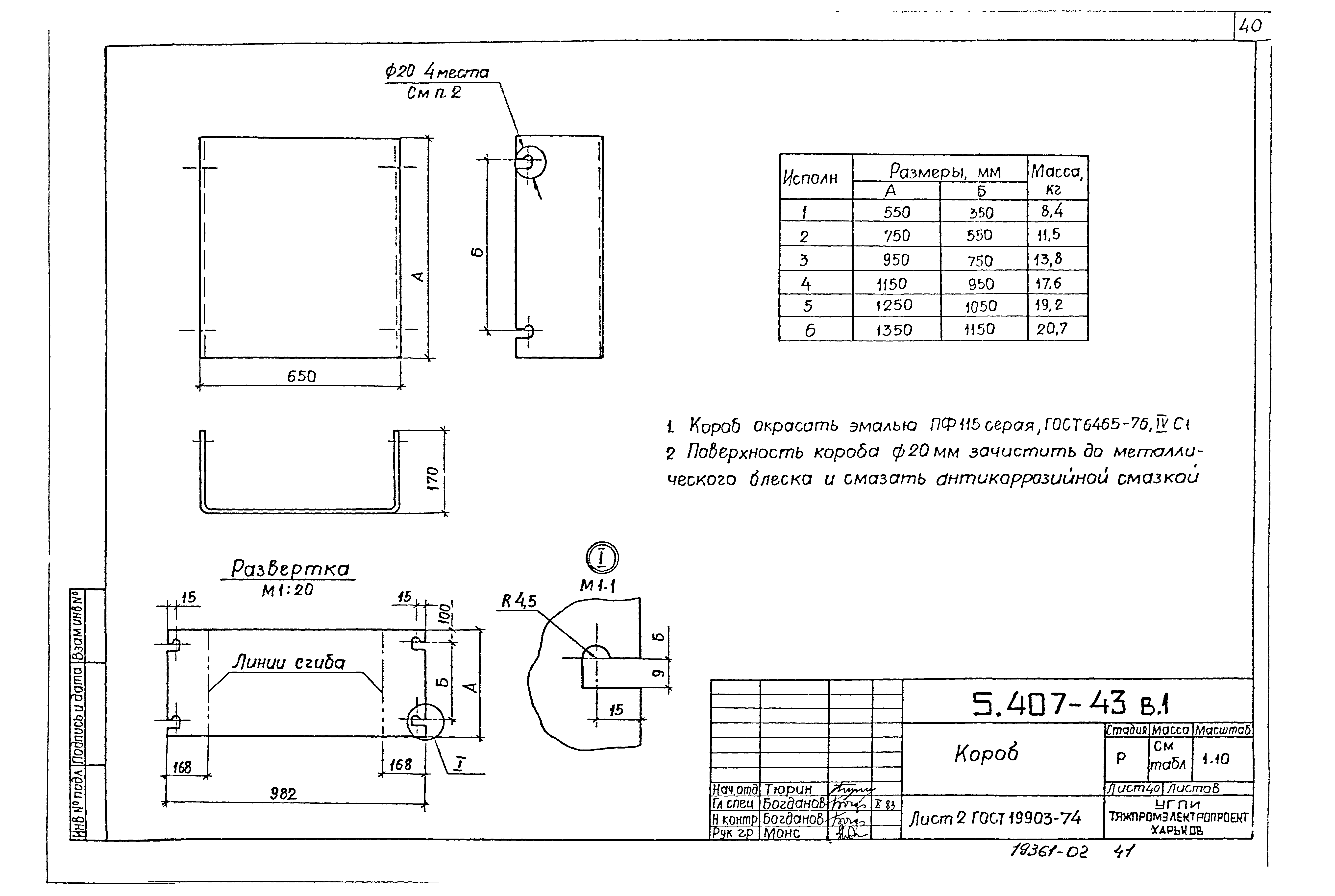
| Оглавление: | Общие указания Установка распределительного шкафа на полу или перекрытии Установка распределительного шкафа на полу или перекрытии, на цоколе Установка распределительного шкафа на перекрытии Установка распределительного шкафа на полу с кабельным каналом Установка распределительного шкафа на стене. Подвод внешних проводников - сверху Установка распределительного шкафа на стене или ж/б колонне Установка распределительного шкафа на стене. Подвод внешних проводников - сверху и снизу Установка распределительного шкафа на ж/б колонне прямоугольного сечения шириной 600, 800 мм Установка распределительного шкафа на двухветвевой ж/б колонне 1000 мм Установка распределительного шкафа на ж/б колонне Установка распределительного шкафа на двухветвевой ж/б колонне шириной 1300 и 1400 мм Установка распределительного шкафа на стальной колонне постоянного сечения среднего ряда шириной 401 и 700 мм Установка распределительного шкафа на стальной колонне постоянного сечения среднего ряда шириной 701 и 800 мм Установка распределительного шкафа на стальной колонне Установка распределительного шкафа на стальной ступенчатой колонне среднего ряда шириной 1500 мм Установка распределительного шкафа на стальной ступенчатой колонне среднего ряда шириной 2000 мм Установка распределительного шкафа на стальной ступенчатой колонне крайнего ряда шириной 1000 мм Установка распределительного шкафа на стальной ступенчатой колонне крайнего ряда шириной 1250 мм Установка распределительного шкафа утопленного исполнения в нише Блок из двух патрубков Блок из четырех патрубков Блок из шести патрубков Блок из одного патрубка Блок из двух патрубков Блок из трех патрубков Патрубок Планка переходная Кожух Лапка Короб Скоба Заглушка Планка переходная Конструкция |
| Разработан: | УГПИ Тяжпромэлектропроект Минмонтажспецстроя УССР |
| Утверждён: | 09.12.1983 Минмонтажспецстрой СССР (USSR Minmontazhspetsstroy ) |
| Издан: | ГП ЦПП (1996 г. ) |












































