Скачать Серия 5.407-142 Выпуск 0. Материалы для проектированияДата актуализации: 01.01.2021
|
| Обозначение: | Серия 5.407-142 |
| Обозначение англ: | Series 5.407-142 |
| Статус: | не определен законодательством |
| Название рус.: | Выпуск 0. Материалы для проектирования |
| Дата добавления в базу: | 01.09.2013 |
| Дата актуализации: | 01.01.2021 |
| Дата введения: | 01.10.1991 |
| Дата окончания срока действия: | 30.06.2003 |
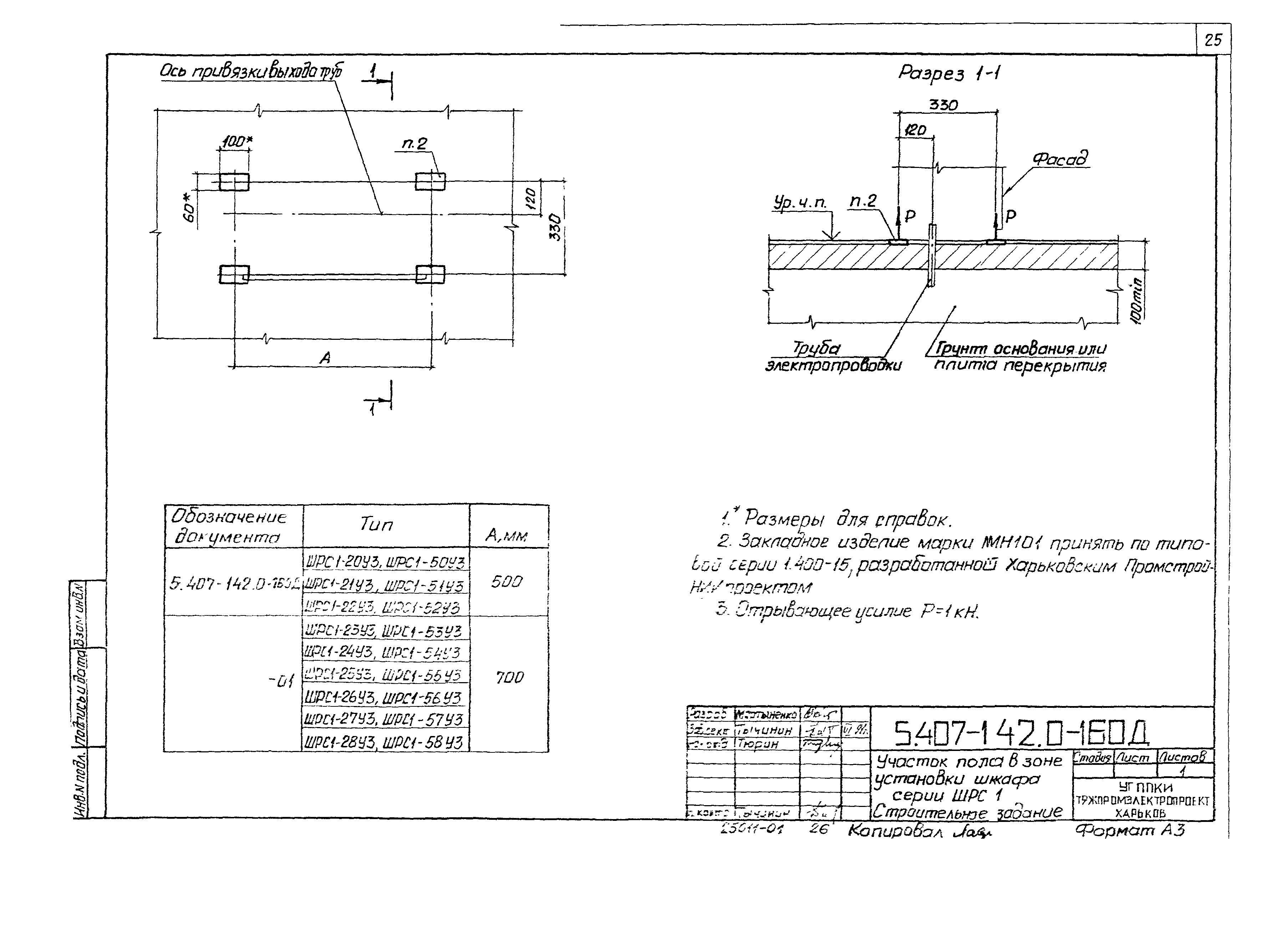
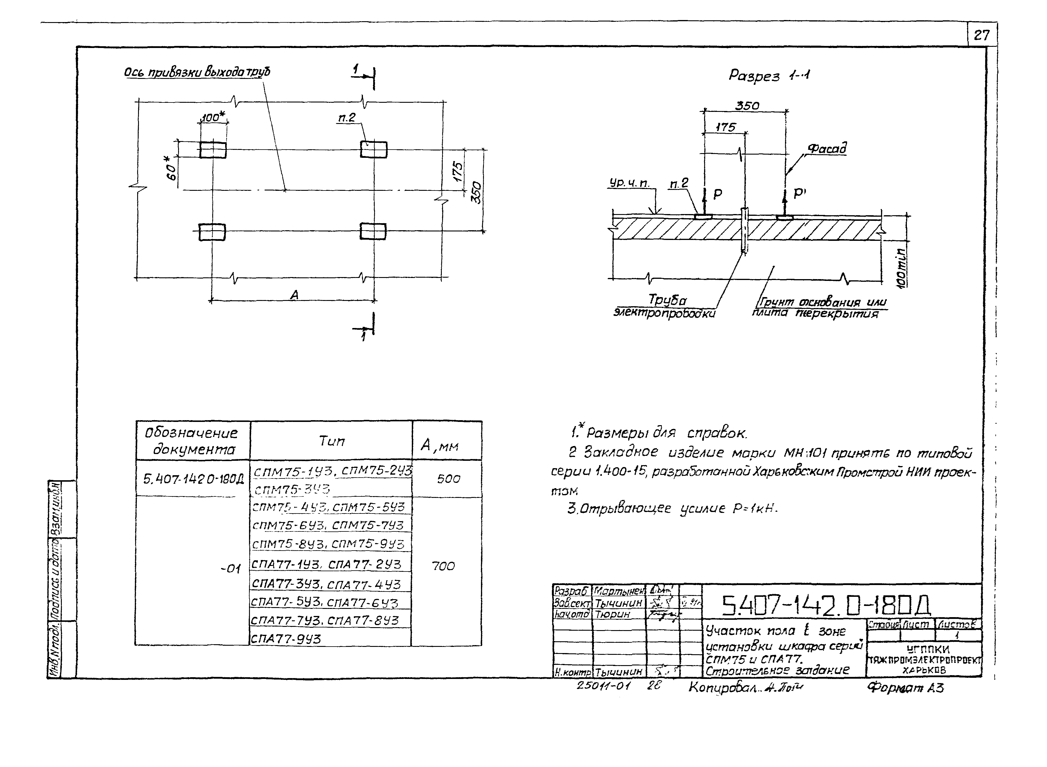
| Оглавление: | 5.407-142.0-0-ПЗ Пояснительная записка 5.407-142.0-10Г4 Панели распределительных щитов серий Щ070-1, Щ070-2. Габаритный чертеж 5.407-142.0-20Г4 Панели распределительных щитов серии Щ070М. Габаритный чертеж 5.407-142.0-30Г4 Шкафы распределительные серии ШРС1. Габаритный чертеж 5.407-142.0-40Г4 Шкафы распределительные серии СПМ75. Габаритный чертеж 5.407-142.0-50Г4 Шкафы распределительные серии СПА77. Габаритный чертеж 5.407-142.0-60Г4 Шкафы распределительные серии ШР11. Габаритный чертеж 5.407-142.0-70ТБ Талица выбора чертежей 5.407-142.0-80Д Проемы для кабелей в железобетонных перекрытиях. Строительное задание. Пример 5.407-142.0-90Д Изображение планов строительных заданий на помещения в зонах установки распределительных щитов. Пример 5.407-142.0-100Д Изображение планов строительных заданий на помещения в зонах установки распределительных шкафов. Пример 5.407-142.0-110Д Расположение распределительного щита 4Щ в электропомещении. Пример 5.407-142.0-120Д Участок перекрытия в зоне установки щита из панелей серии Щ070-1, Щ070-2 и Щ070М у стены. Строительное задание 5.407-142.0-130Д Участок пола в зоне установки щита из панелей серий Щ070-1, Щ070-2 и Щ070М с кабельным каналом. Строительное задание 5.407-142.0-140Д Участок перекрытия в зоне установки щита из панелей серий Щ070-1, Щ070-2 и Щ070М. Строительное задание 5.407-142.0-150Д Участок перекрытия в зоне установки шкафа серии ШРС1. Строительное задание 5.407-142.0-160Д Участок пола в зоне установки шкафа серии ШРС1. Строительное задание 5.407-142.0-170Д Участок перекрытия в зоне установки шкафа серий СПМ75 и СПА77. Строительное задание 5.407-142.0-180Д Участок пола в зоне установки шкафа серий СПМ75 и СПА77. Строительное задание 5.407-142.0-190Д Участок перекрытия в зоне установки шкафа серии ШР11. Строительное задание 5.407-142.0-200Д Участок пола в зоне установки шкафа серии ШР11. Строительное задание |
| Разработан: | УГППКИ Тяжпромэлектропроект |
| Утверждён: | 01.04.1991 ВНИПИ Тяжпромэлектропроект |
| Издан: | ГУП ЦПП (CPP GUP 1997 г. ) |
| Заменяет собой: |





























