Скачать Серия 5.407-89 Выпуск 1. Чертежи монтажныеДата актуализации: 01.01.2021
|
| Обозначение: | Серия 5.407-89 |
| Обозначение англ: | Series 5.407-89 |
| Статус: | не определен законодательством |
| Название рус.: | Выпуск 1. Чертежи монтажные |
| Дата добавления в базу: | 01.09.2013 |
| Дата актуализации: | 01.01.2021 |
| Дата введения: | 01.01.1988 |
| Дата окончания срока действия: | 30.06.2003 |
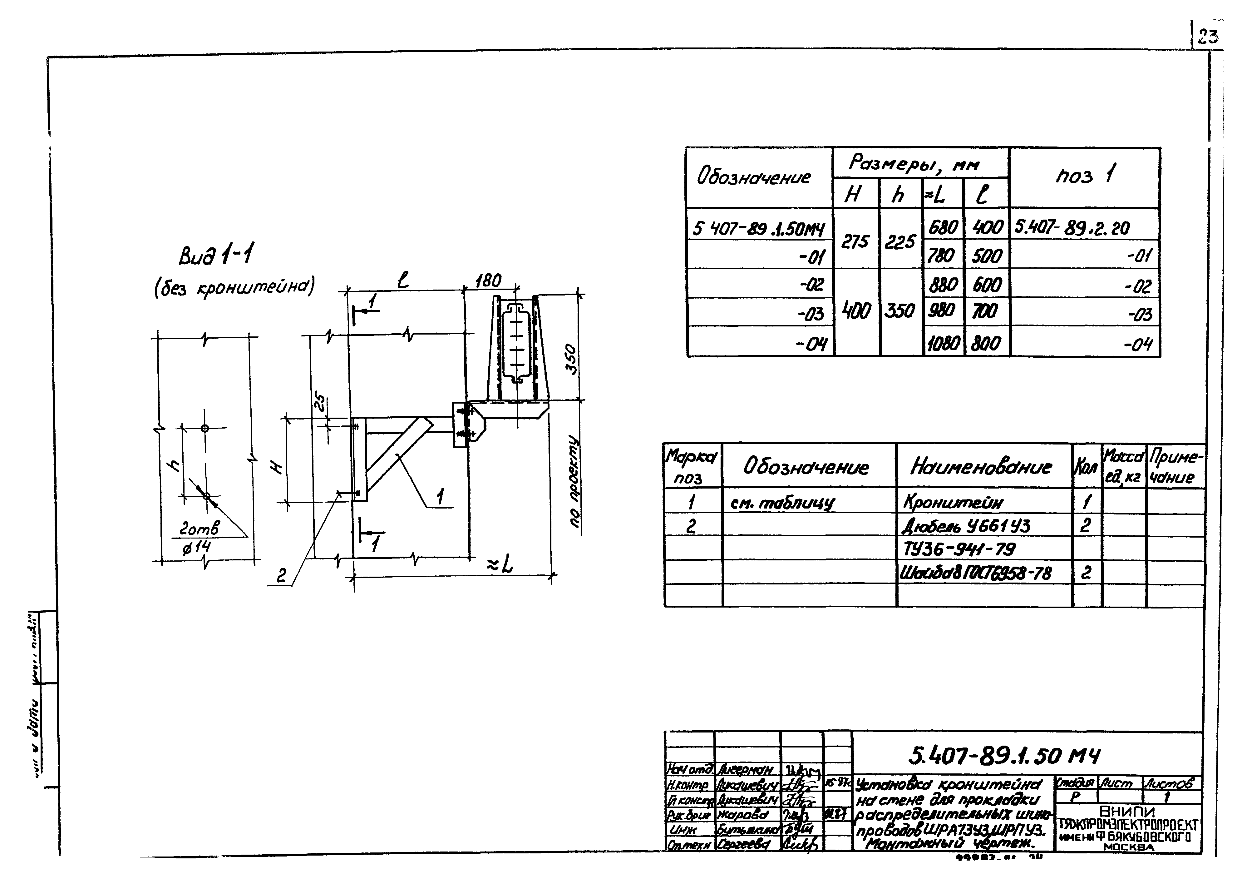
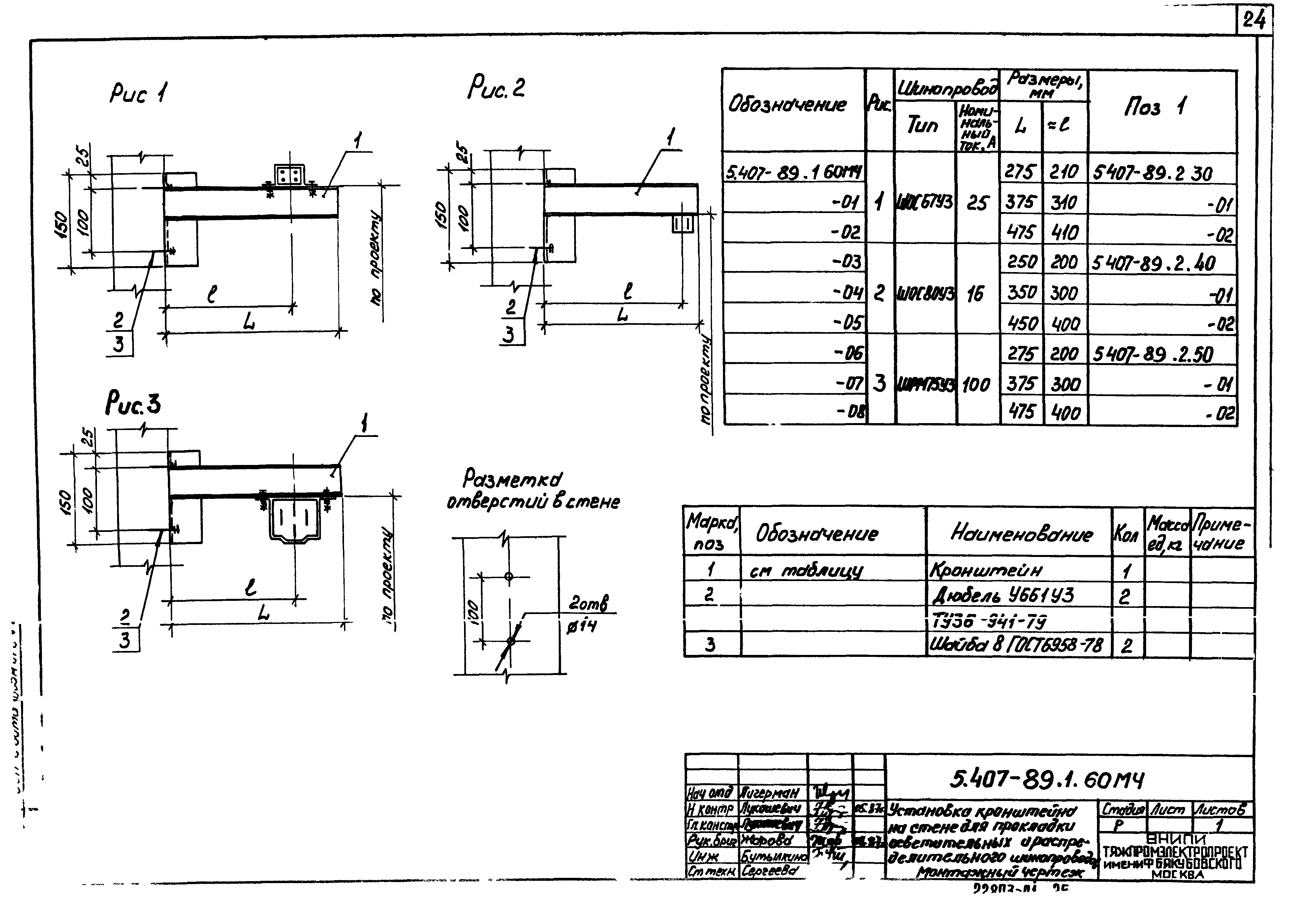
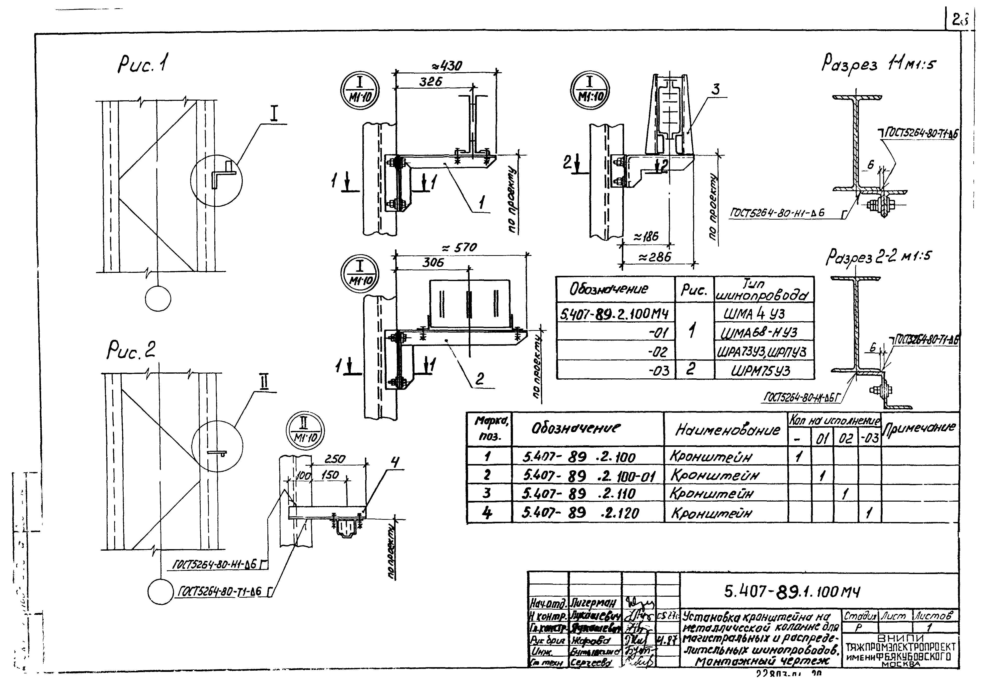
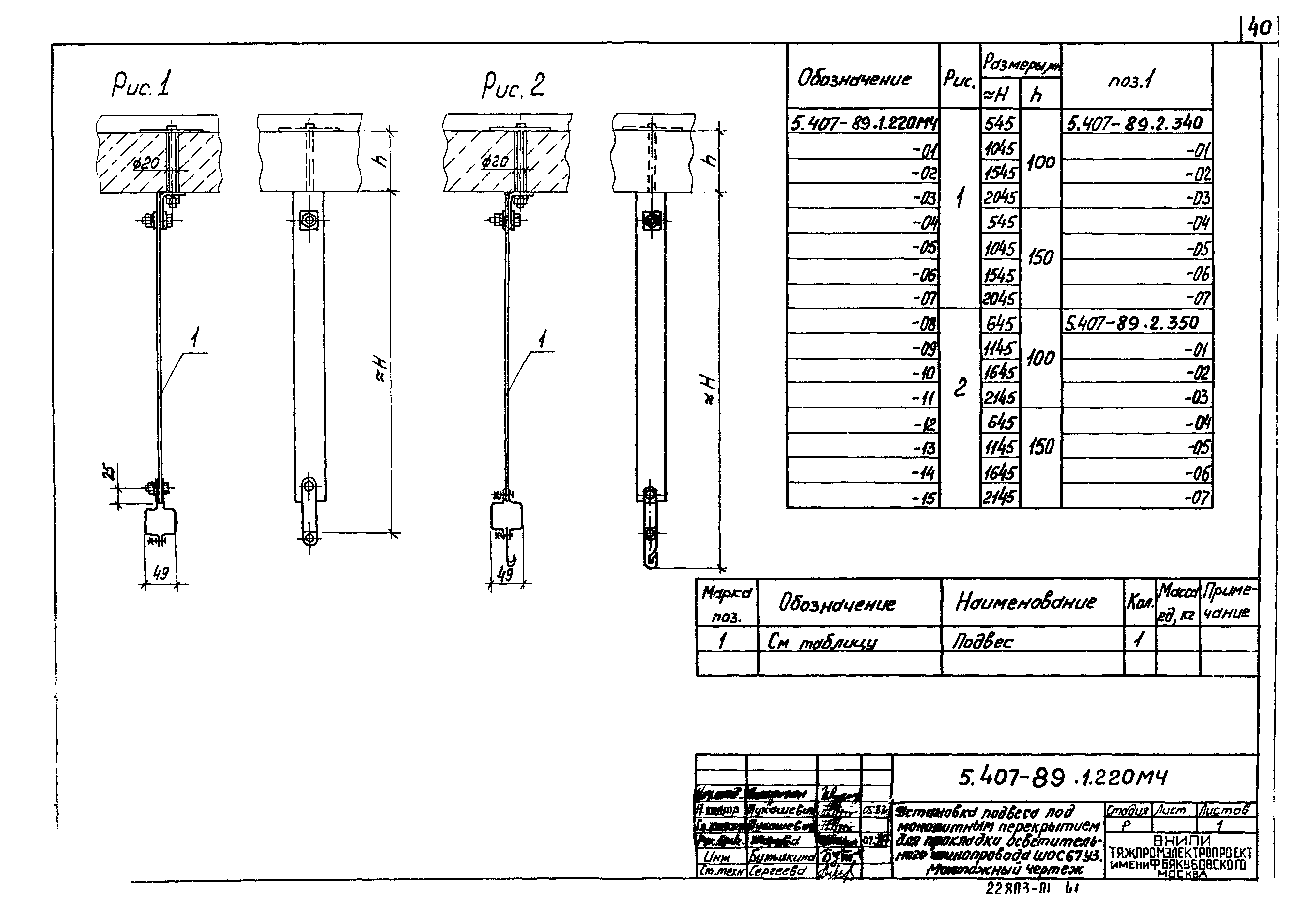
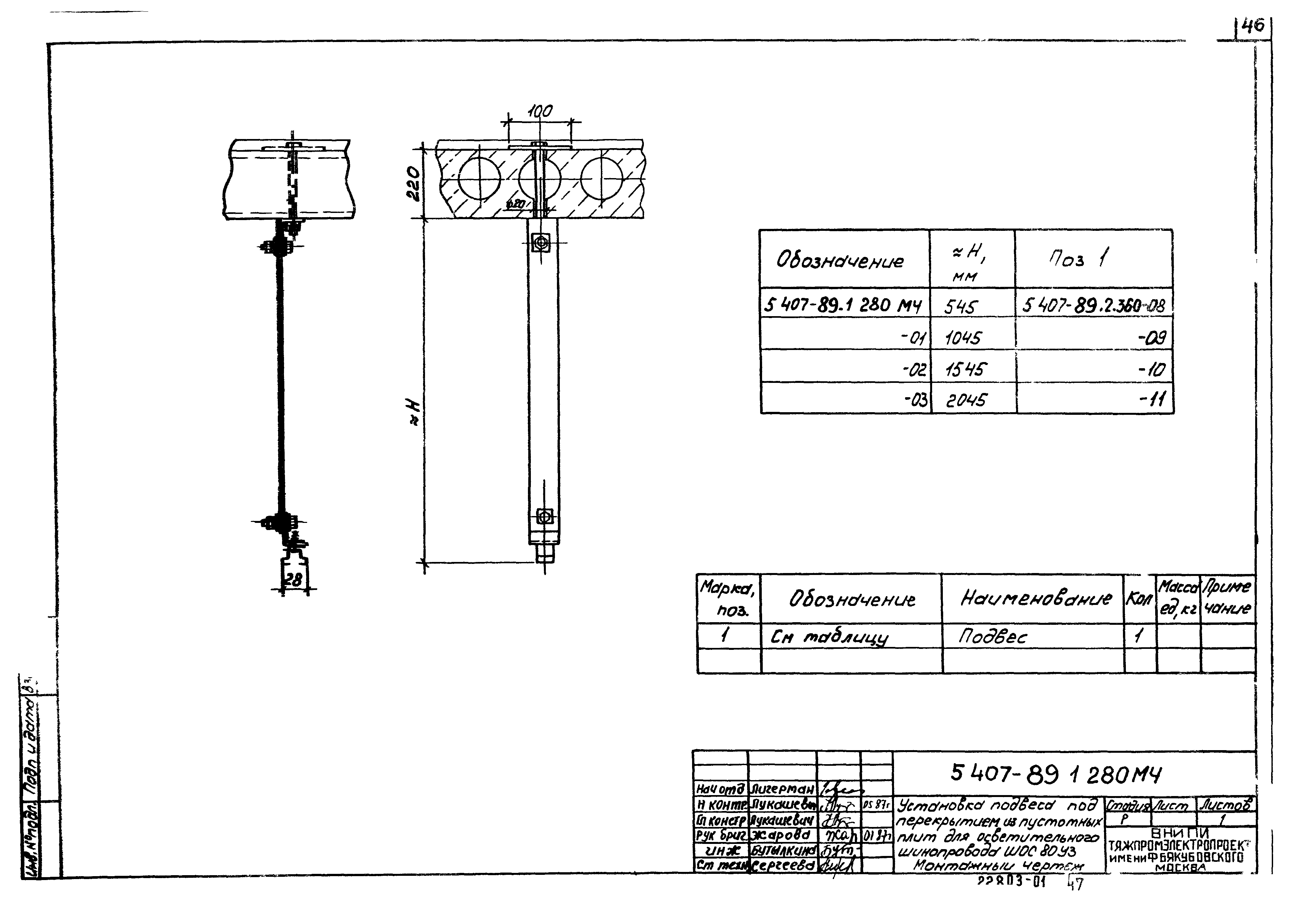
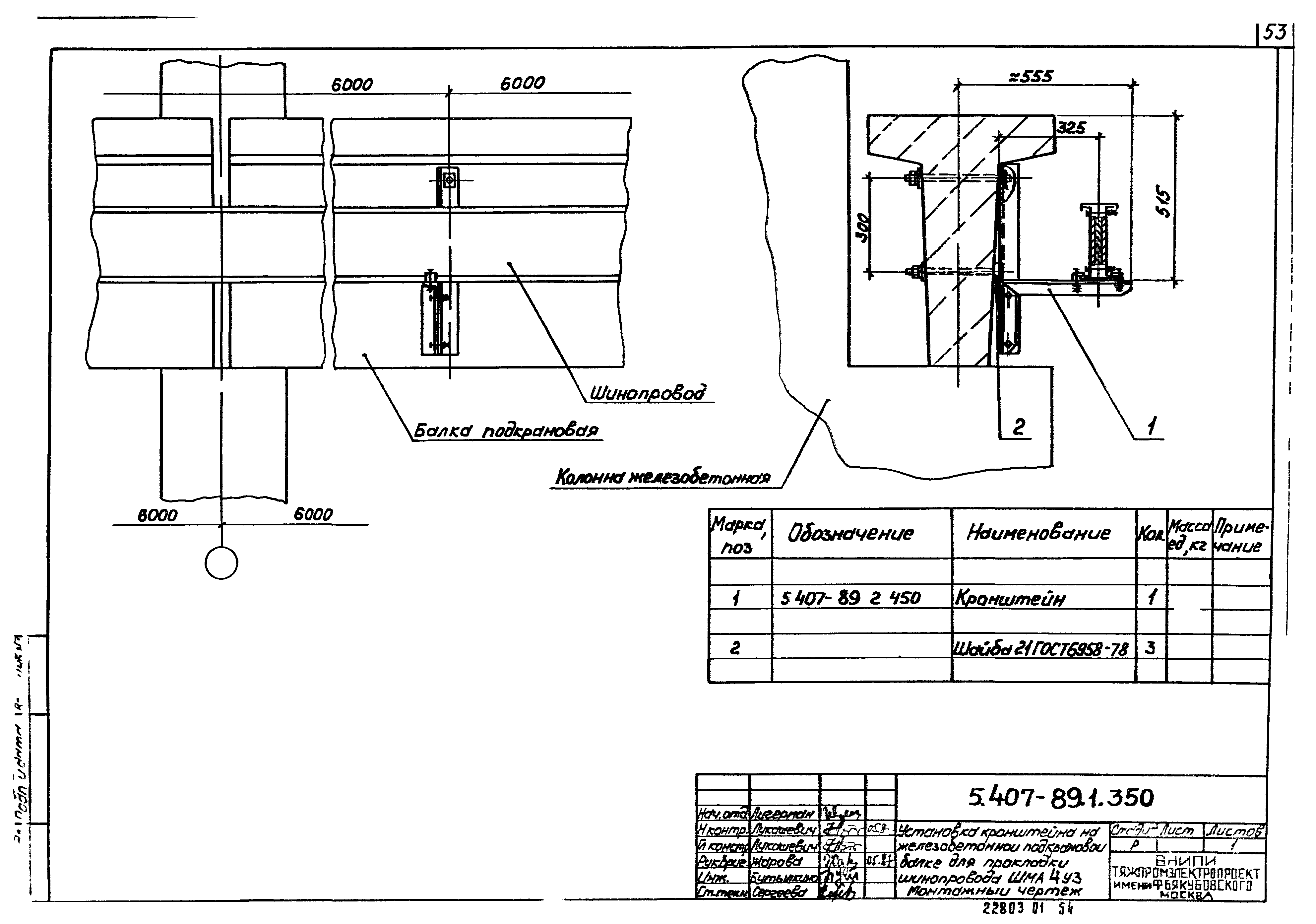
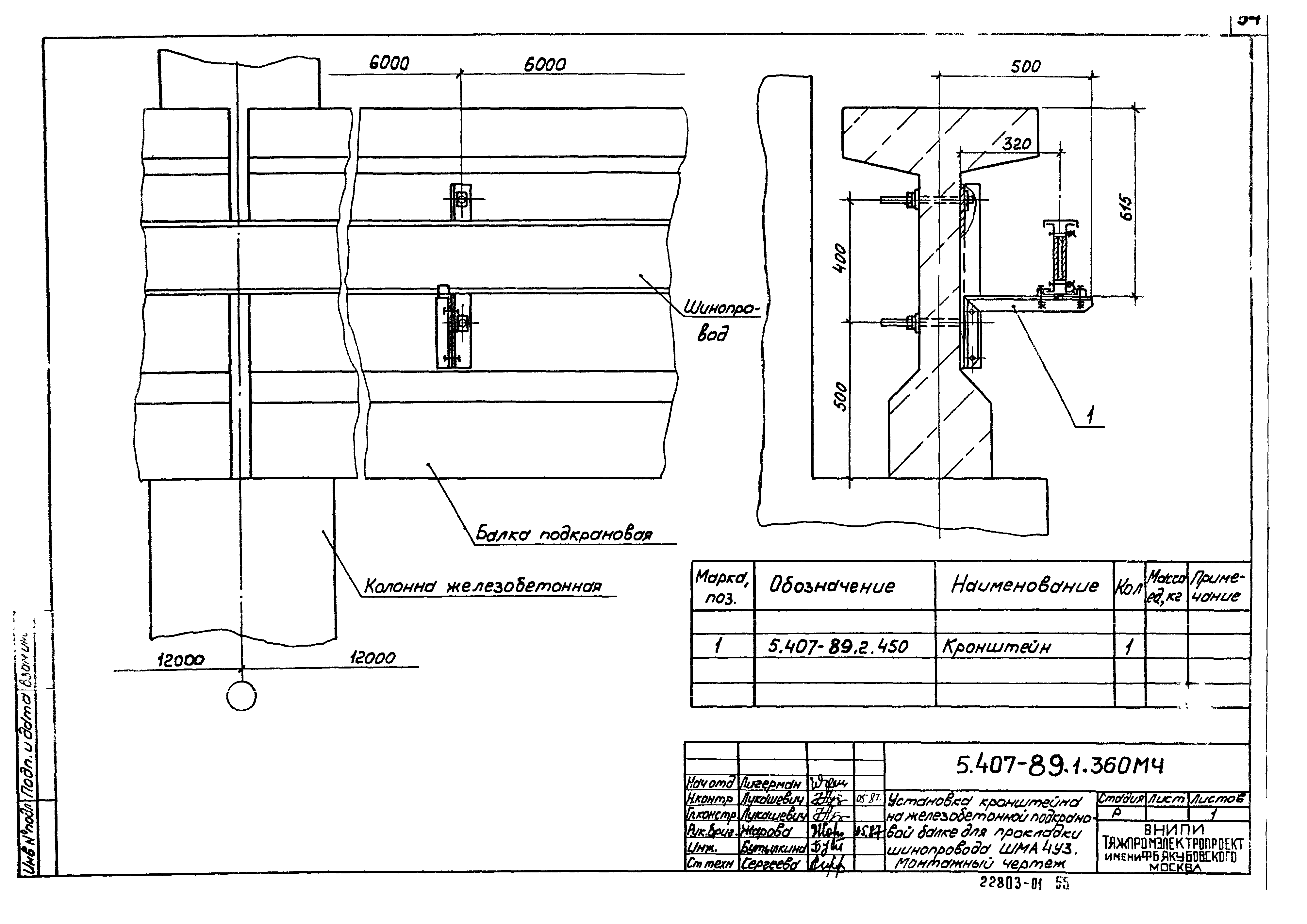
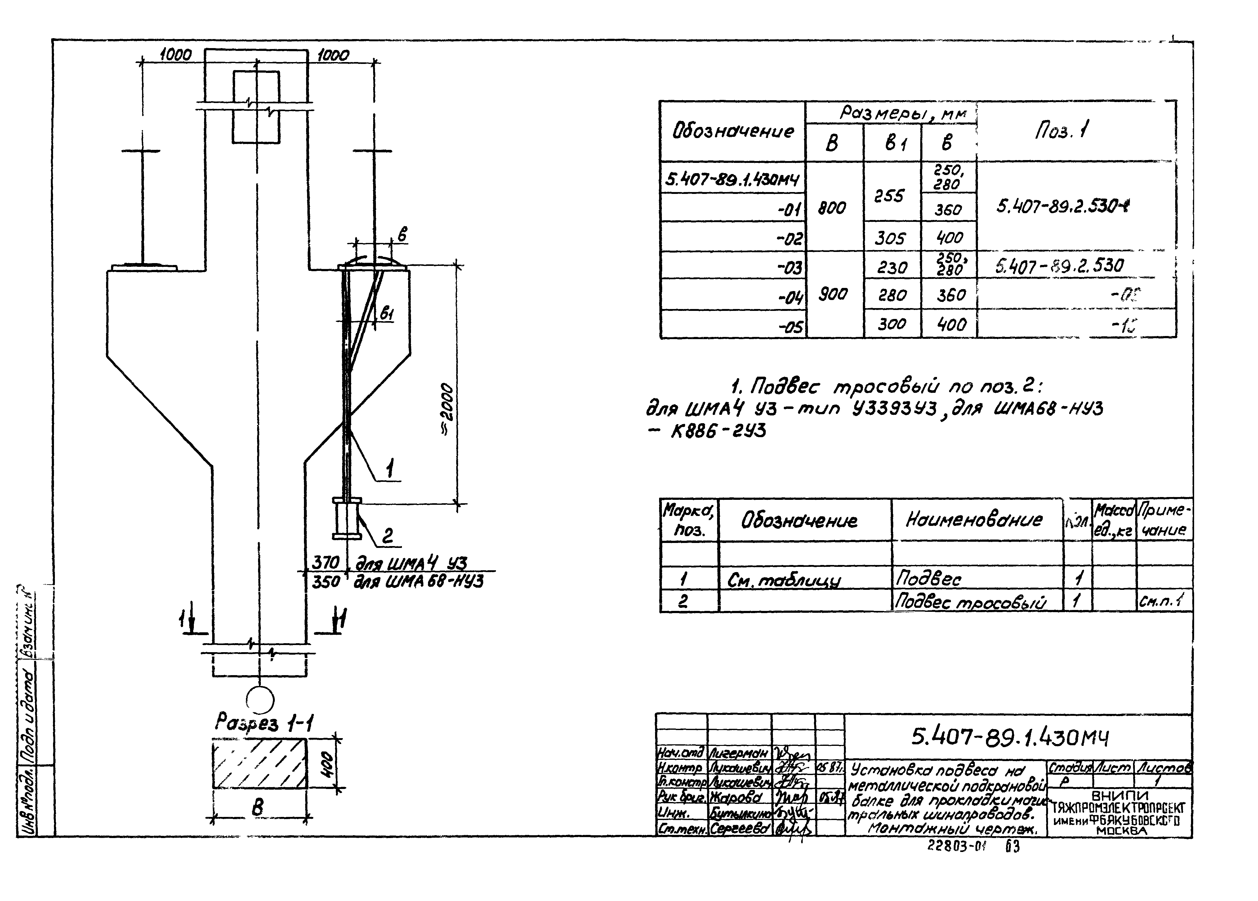
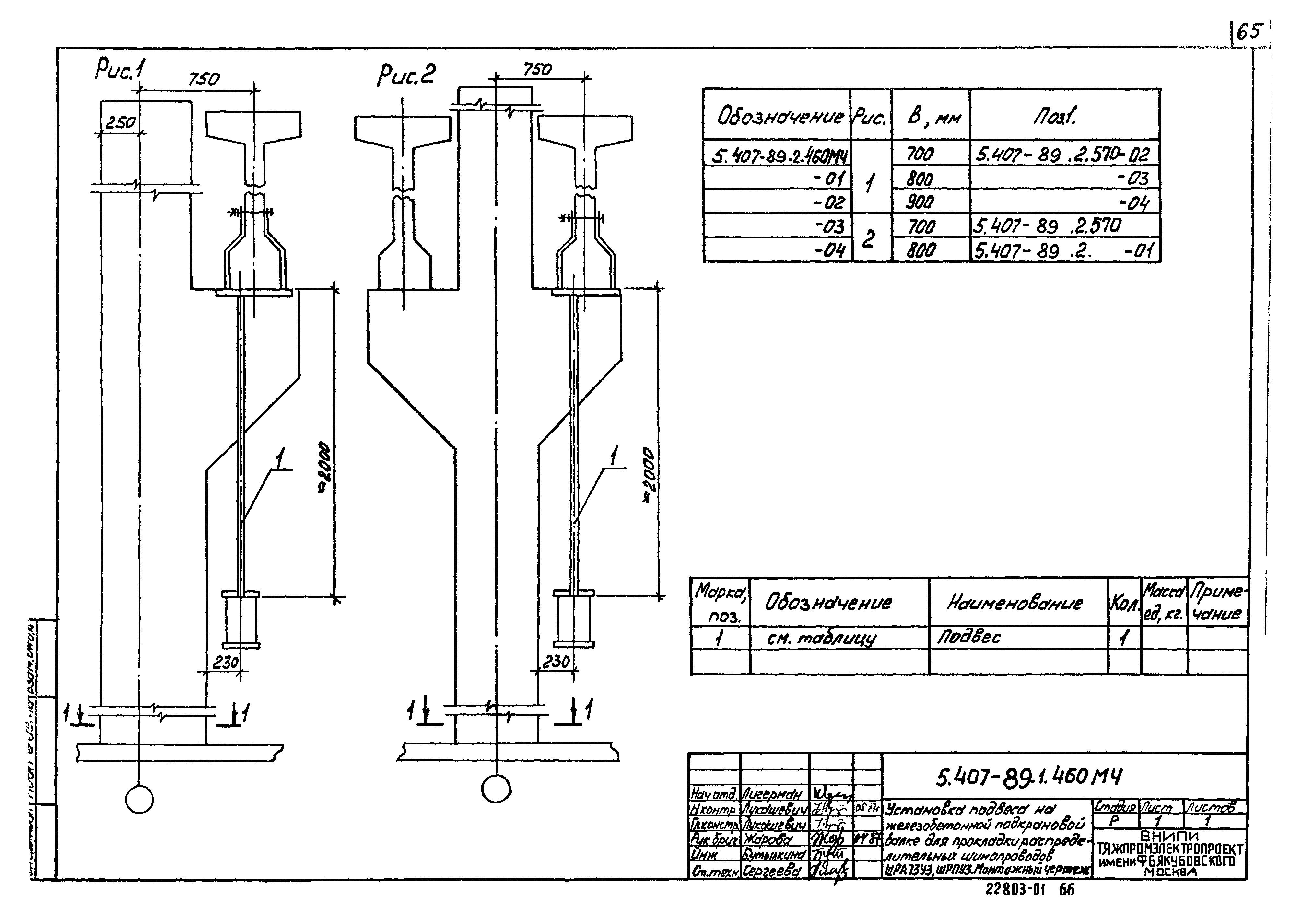
| Оглавление: | 5.407-89.1.ПЗ Пояснительная записка 5.407-89.1.10ТБ Таблица выбора монтажных чертежей 5.407-89.1.ВА Ведомость изделий и материалов для изготовления электромонтажных конструкций и деталей в МЭЗ 5.407-89.1.20 МЧ Установка кронштейна на стене для прокладки магистральных шинопроводов. Монтажный чертеж 5.407-89.1.30 МЧ Установка кронштейна на стене для прокладки распределительных шинопроводов ШРА73У3, ШРПУ3. Монтажный чертеж 5.407-89.1.40 МЧ Установка кронштейна на стене для прокладки распределительных шинопроводов ШРА73У3, ШРПУ3. Монтажный чертеж 5.407-89.1.50 МЧ Установка кронштейна на стене для прокладки распределительных шинопроводов ШРА73У3, ШРПУ3. Монтажный чертеж 5.407-89.1.60 МЧ Установка кронштейна на стене для прокладки осветительных и распределительного шинопроводов. Монтажный чертеж 5.407-89.1.70 МЧ Установка кронштейна на стене для прокладки осветительных и распределительного шинопроводов. Монтажный чертеж 5.407-89.1.80 МЧ Установка стойки на полу для прокладки магистральных шинопроводов. Монтажный чертеж 5.407-89.1.90 МЧ Установка стойки на полу для прокладки распределительных шинопроводов. Монтажный чертеж 5.407-89.1.100 МЧ Установка кронштейна на металлической колонне для магистральных и распределительных шинопроводов. Монтажный чертеж 5.407-89.1.110 МЧ Установка обхвата на железобетонной колонне для прокладки магистрального шинопровода ШМА4 УЗ. Монтажный чертеж 5.407-89.1.120 МЧ Установка обхвата на железобетонной колонне для прокладки магистрального шинопровода ШМА68-НУ3. Монтажный чертеж 5.407-89.1.130 МЧ Установка обхвата на колонне для прокладки распределительных шинопроводов ШРА73У3, ШРПУ3. Монтажный чертеж 5.407-89.1.140 МЧ Установка обхвата на железобетонной колонне для прокладки двух распределительных шинопроводов ШРА73У3, ШРПУ3. Монтажный чертеж 5.407-89.1.150 МЧ Установка обхвата на железобетонной колонне для прокладки двух распределительных шинопроводов ШРА73У3, ШРПУ3. Монтажный чертеж 5.407-89.1.160 МЧ Установка обхвата на железобетонной колонне для прокладки распределительного шинопровода ШРМ75У3. Монтажный чертеж 5.407-89.1.170 МЧ Установка обхвата на железобетонной колонне для прокладки двух распределительных шинопроводов ШРМ75У3. Монтажный чертеж 5.407-89.1.180 МЧ Установка обхвата на железобетонной колонне для прокладки осветительного шинопровода ШОС67У3. Монтажный чертеж 5.407-89.1.190 МЧ Установка подвеса под монолитным перекрытием для прокладки магистральных шинопроводов. Монтажный чертеж 5.407-89.1.200 МЧ Установка подвеса под монолитным перекрытием для прокладки распределительных шинопроводов ШРА73У3, ШРПУ3. Монтажный чертеж 5.407-89.1.210 МЧ Установка подвеса под монолитным перекрытием для прокладки распределительного шинопровода ШРМ75У3. Монтажный чертеж 5.407-89.1.220 МЧ Установка подвеса под монолитным перекрытием для прокладки осветительного шинопровода ШОС67У3. Монтажный чертеж 5.407-89.1.230 МЧ Установка подвеса под монолитным перекрытием для прокладки осветительного шинопровода ШОС80У3. Монтажный чертеж 5.407-89.1.240 МЧ Установка потолочного закрепа для прокладки осветительного шинопровода ШОС80У3. Монтажный чертеж 5.407-89.1.250 МЧ Установка подвеса под перекрытием из пустотных плит для прокладки распределительных, магистральных шинопроводов. Монтажный чертеж 5.407-89.1.260 МЧ Установка подвеса под перекрытием из пустотных плит для прокладки распределительного шинопровода ШРМ75У3. Монтажный чертеж 5.407-89.1.270 МЧ Установка подвеса под перекрытием из пустотных плит для прокладки осветительного шинопровода ШОС67У3. Монтажный чертеж 5.407-89.1.280 МЧ Установка подвеса под перекрытием из пустотных плит для прокладки осветительного шинопровода ШОС80У3. Монтажный чертеж 5.407-89.1.290 МЧ Установка подвеса под перекрытием из сборных плит для прокладки магистральных шинопроводов. Монтажный чертеж 5.407-89.1.300 МЧ Установка подвеса под перекрытием из сборных плит для прокладки распределительных шинопроводов ШРА73У3, ШРПУ3. Монтажный чертеж 5.407-89.1.310 МЧ Установка подвеса под перекрытием из сборных плит для прокладки распределительного шинопровода ШРМ75У3. Монтажный чертеж 5.407-89.1.320 МЧ Установка подвеса под перекрытием из сборных плит для прокладки распределительного шинопровода ШОС67У3. Монтажный чертеж 5.407-89.1.330 МЧ Установка подвеса под перекрытием из сборных плит для прокладки распределительного шинопровода ШОС80У3. Монтажный чертеж 5.407-89.1.340 МЧ Установка кронштейна на металлической подкрановой балке для прокладки распределительного шинопровода ШМА4У3. Монтажный чертеж 5.407-89.1.350 МЧ Установка кронштейна на железобетонной подкрановой балке для прокладки распределительного шинопровода ШМА4У3. Монтажный чертеж 5.407-89.1.360 МЧ Установка кронштейна на железобетонной подкрановой балке для прокладки распределительного шинопровода ШМА4У3. Монтажный чертеж 5.407-89.1.370 МЧ Установка подвеса на металлической подкрановой балке для прокладки магистральных шинопроводов. Монтажный чертеж 5.407-89.1.380 МЧ Установка подвеса на железобетонной подкрановой балке для прокладки магистральных шинопроводов. Монтажный чертеж 5.407-89.1.390 МЧ Установка подвеса на железобетонной подкрановой балке для прокладки магистральных шинопроводов. Монтажный чертеж 5.407-89.1.400 МЧ Установка подвеса на металлической подкрановой балке для прокладки магистральных шинопроводов. Монтажный чертеж 5.407-89.1.410 МЧ Установка подвеса на металлической подкрановой балке для прокладки магистральных шинопроводов. Монтажный чертеж 5.407-89.1.420 МЧ Установка подвеса на металлической подкрановой балке для прокладки магистральных шинопроводов. Монтажный чертеж 5.407-89.1.430 МЧ Установка подвеса на металлической подкрановой балке для прокладки магистральных шинопроводов. Монтажный чертеж 5.407-89.1.440 МЧ Установка подвеса на металлической подкрановой балке для прокладки распределительных шинопроводов ШРА73У3, ШРПУ3. Монтажный чертеж 5.407-89.1.450 МЧ Установка подвеса на железобетонной подкрановой балке для прокладки распределительных шинопроводов ШРА73У3, ШРПУ3. Монтажный чертеж 5.407-89.1.460 МЧ Установка подвеса на железобетонной подкрановой балке для прокладки распределительных шинопроводов ШРА73У3, ШРПУ3. Монтажный чертеж 5.407-89.1.470 МЧ Установка подвеса на металлической подкрановой балке для прокладки распределительных шинопроводов ШРА73У3, ШРПУ3. Монтажный чертеж 5.407-89.1.480 МЧ Установка подвеса на металлической подкрановой балке для прокладки распределительных шинопроводов ШРА73У3, ШРПУ3. Монтажный чертеж 5.407-89.1.490 МЧ Установка подвеса на металлической подкрановой балке для прокладки распределительных шинопроводов ШРА73У3, ШРПУ3. Монтажный чертеж |
| Разработан: | ВНИПИ Тяжпромэлектропроект им. Ф.Б. Якубовского |
| Утверждён: | 20.11.1987 Минмонтажспецстрой СССР (USSR Minmontazhspetsstroy ) |





































































