Скачать Серия 5.407-50 Выпуск 1. Чертежи монтажныеДата актуализации: 01.01.2021
|
| Обозначение: | Серия 5.407-50 |
| Обозначение англ: | Series 5.407-50 |
| Статус: | не определен законодательством |
| Название рус.: | Выпуск 1. Чертежи монтажные |
| Дата добавления в базу: | 01.09.2013 |
| Дата актуализации: | 01.01.2021 |
| Дата введения: | 01.12.1983 |
| Дата окончания срока действия: | 30.06.2003 |
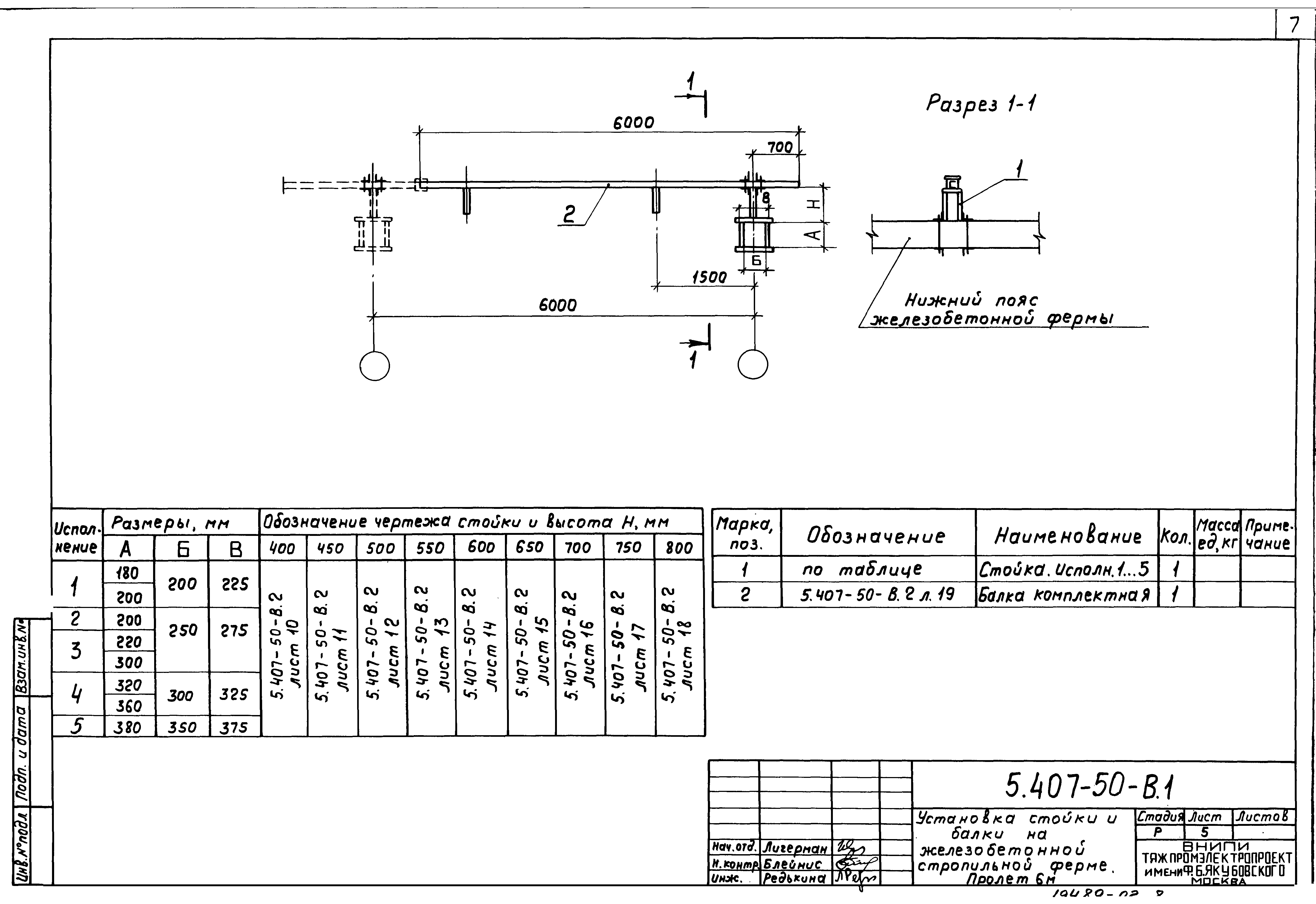
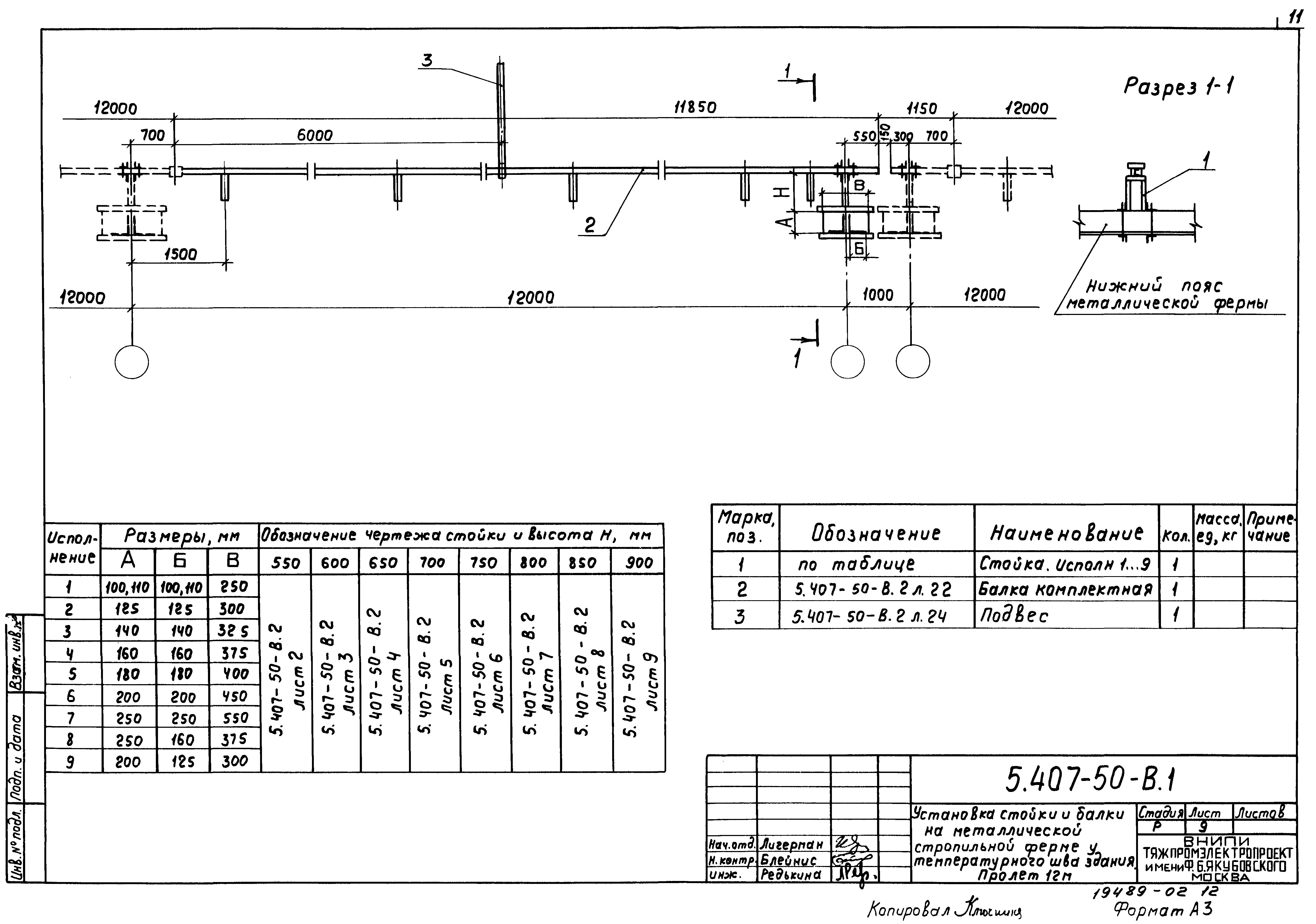
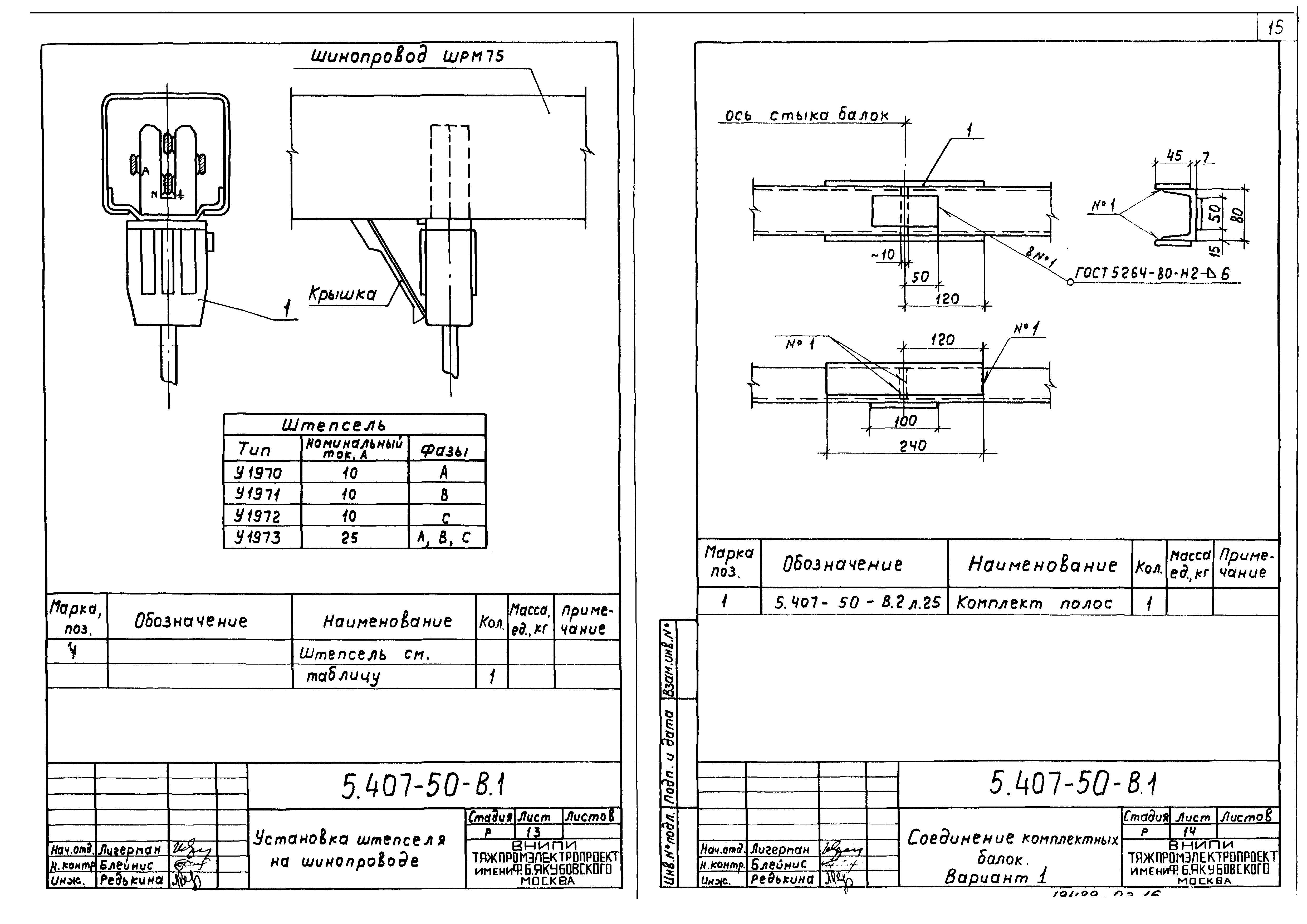
| Оглавление: | Общие указания Установка стойки и балки на металлической стропильной ферме. Пролет 6 м Установка стойки и балки на металлической стропильной ферме. Пролет 12 м Установка стойки и швеллера на металлической стропильной ферме Установка стойки и балки на железобетонной стропильной ферме. Пролет 6 м Установка стойки и балки на железобетонной стропильной ферме. Пролет 12 м Установка стойки и швеллера на железобетонной стропильной ферме Установка стойки и балки на металлической стропильной ферме у температурного шва здания. Пролет 6 м Установка стойки и балки на металлической стропильной ферме у температурного шва здания. Пролет 12 м Установка стойки и балки на железобетонной стропильной ферме у температурного шва здания. Пролет 6 м Установка стойки и балки на железобетонной стропильной ферме у температурного шва здания. Пролет 12 м Установка светильника и конструкции для ПРА на шинопроводе Установка штепселя на шинопроводе Соединение комплектных балок. Вариант 1 Соединение комплектных балок. Вариант 2 |
| Разработан: | ВНИПИ Тяжпромэлектропроект им. Ф.Б. Якубовского |
| Утверждён: | 24.11.1983 Минмонтажспецстрой СССР (USSR Minmontazhspetsstroy ) |
| Издан: | ЦИТП Госстроя СССР (CITP, Gosstroy (USSR) 1984 г. ) |

















