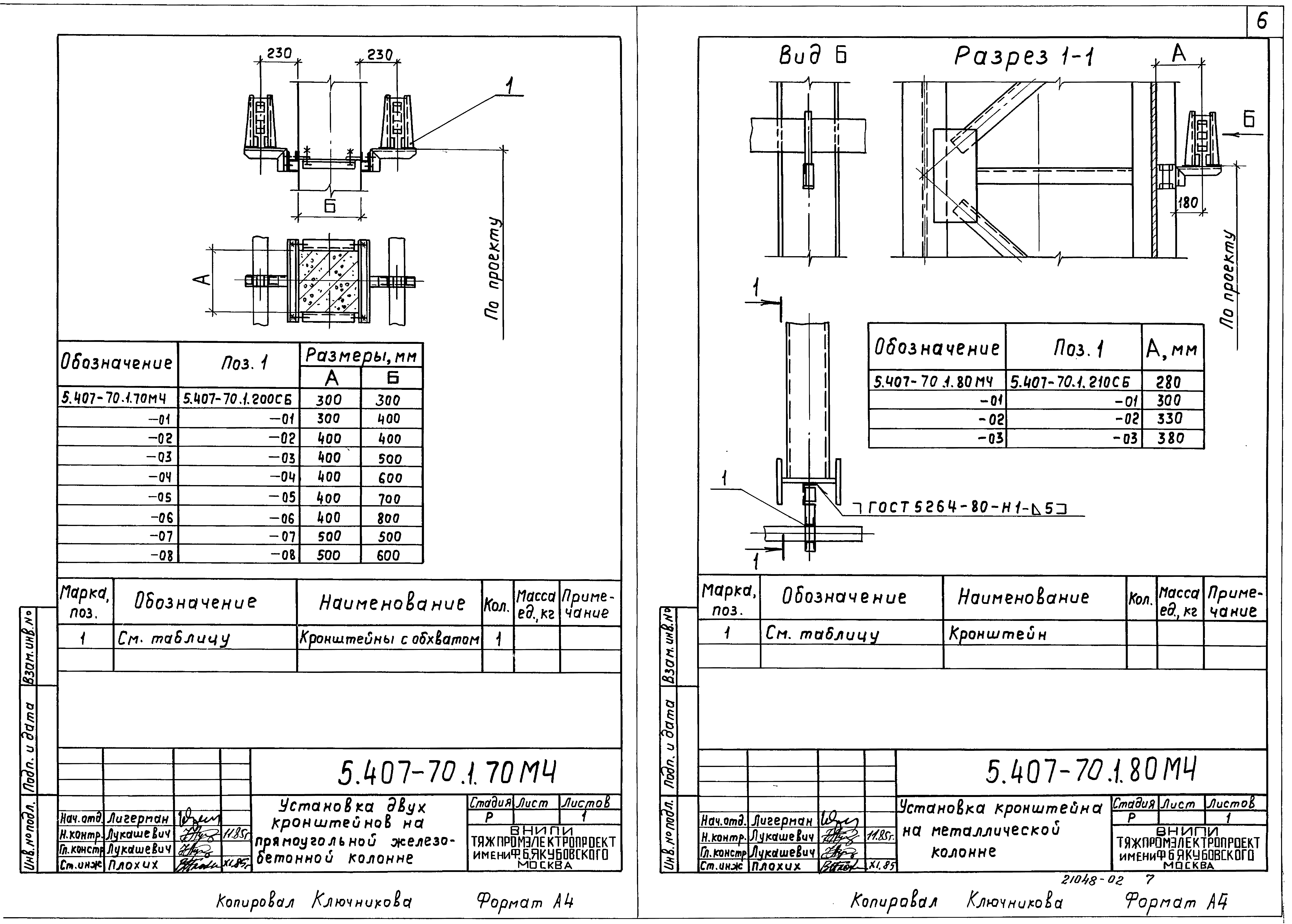
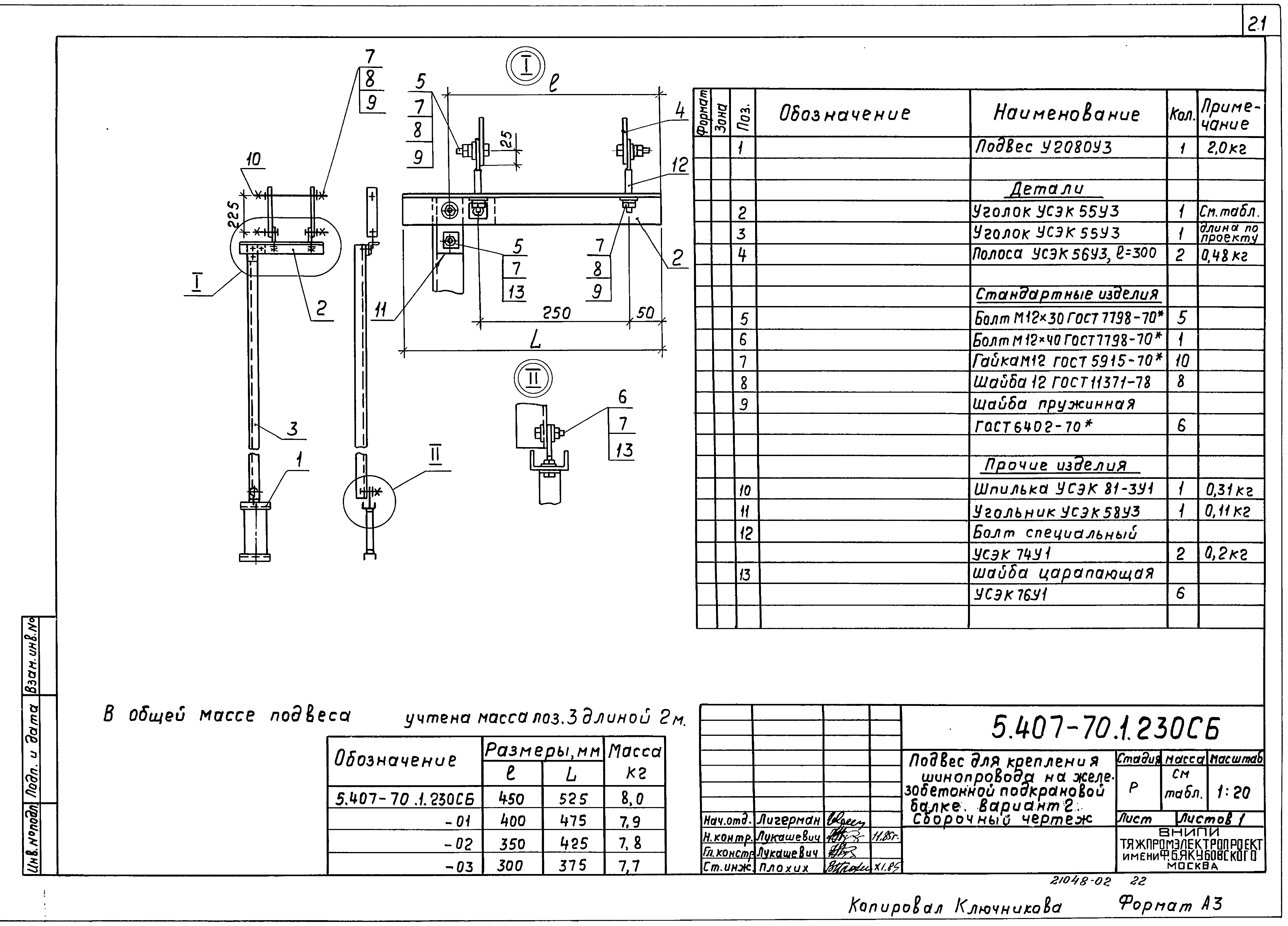
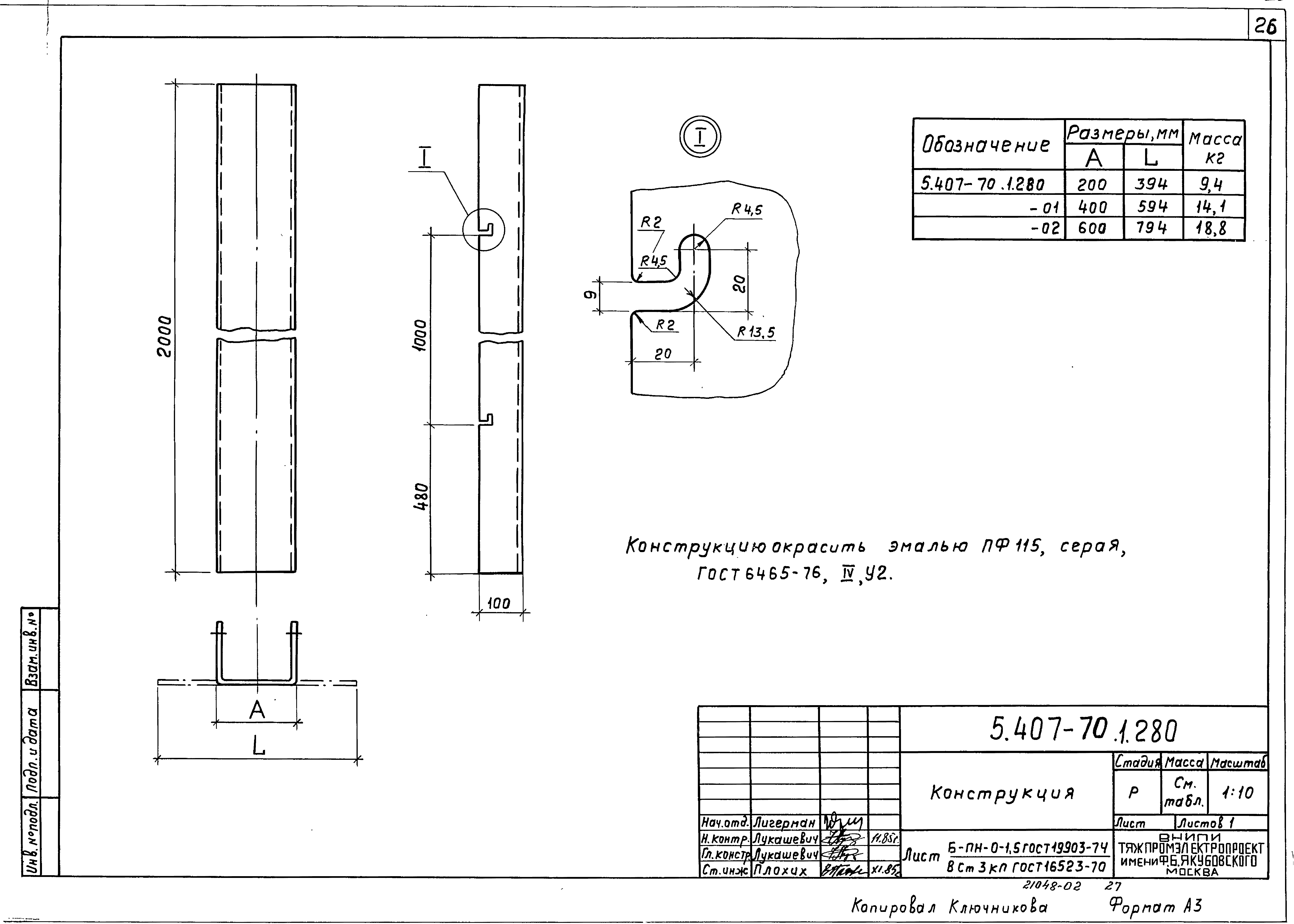
Скачать Серия 5.407-70 Выпуск 1. Чертежи монтажные. Чертежи изделийДата актуализации: 01.01.2021
|
| Обозначение: | Серия 5.407-70 |
| Обозначение англ: | Series 5.407-70 |
| Статус: | не определен законодательством |
| Название рус.: | Выпуск 1. Чертежи монтажные. Чертежи изделий |
| Дата добавления в базу: | 01.09.2013 |
| Дата актуализации: | 01.01.2021 |
| Дата введения: | 01.12.1985 |
| Дата окончания срока действия: | 30.06.2003 |
| Разработан: | ВНИПИ Тяжпромэлектропроект им. Ф.Б. Якубовского |
| Утверждён: | 26.11.1985 Минмонтажспецстрой СССР (USSR Minmontazhspetsstroy ) |



























