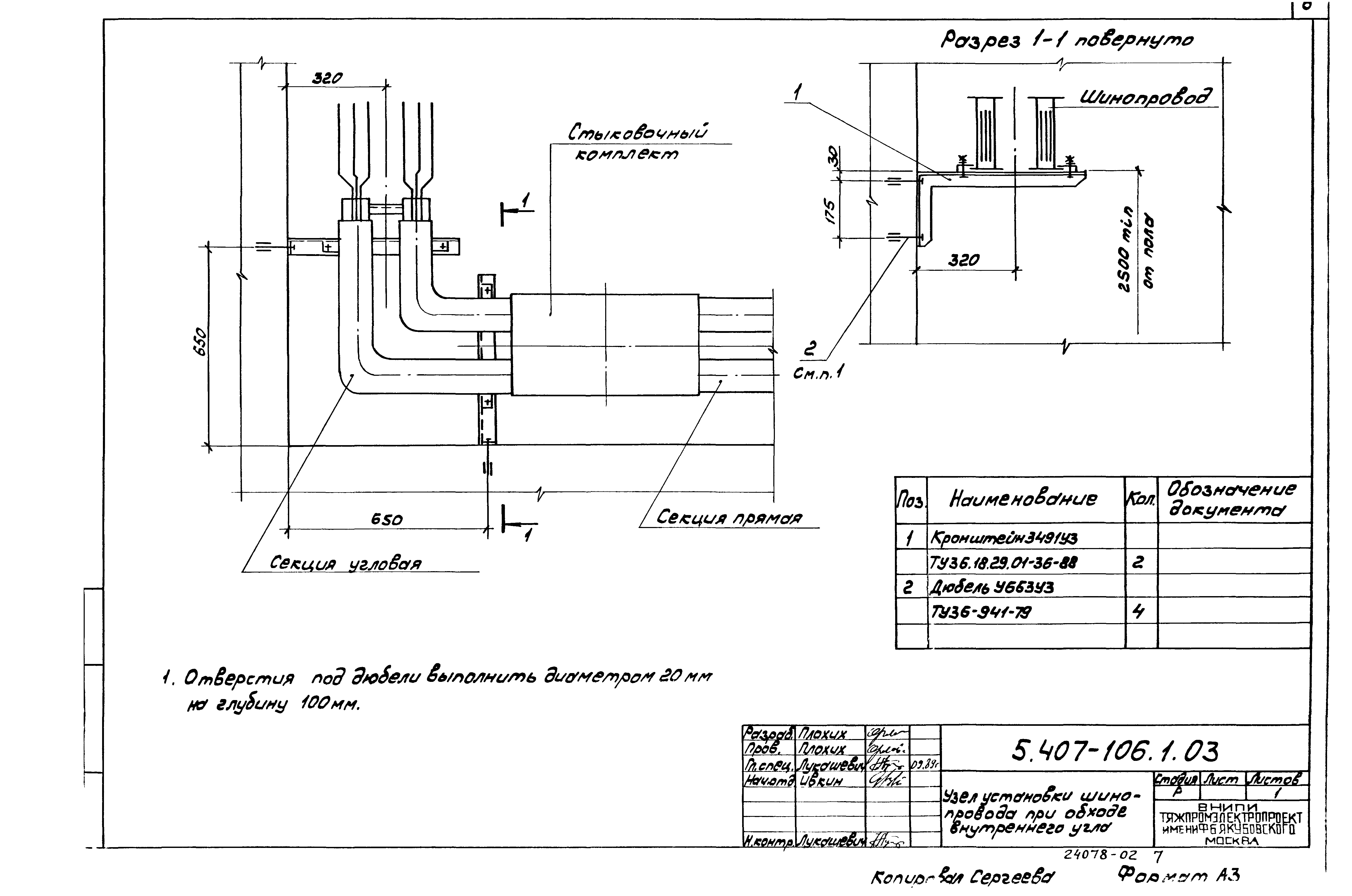
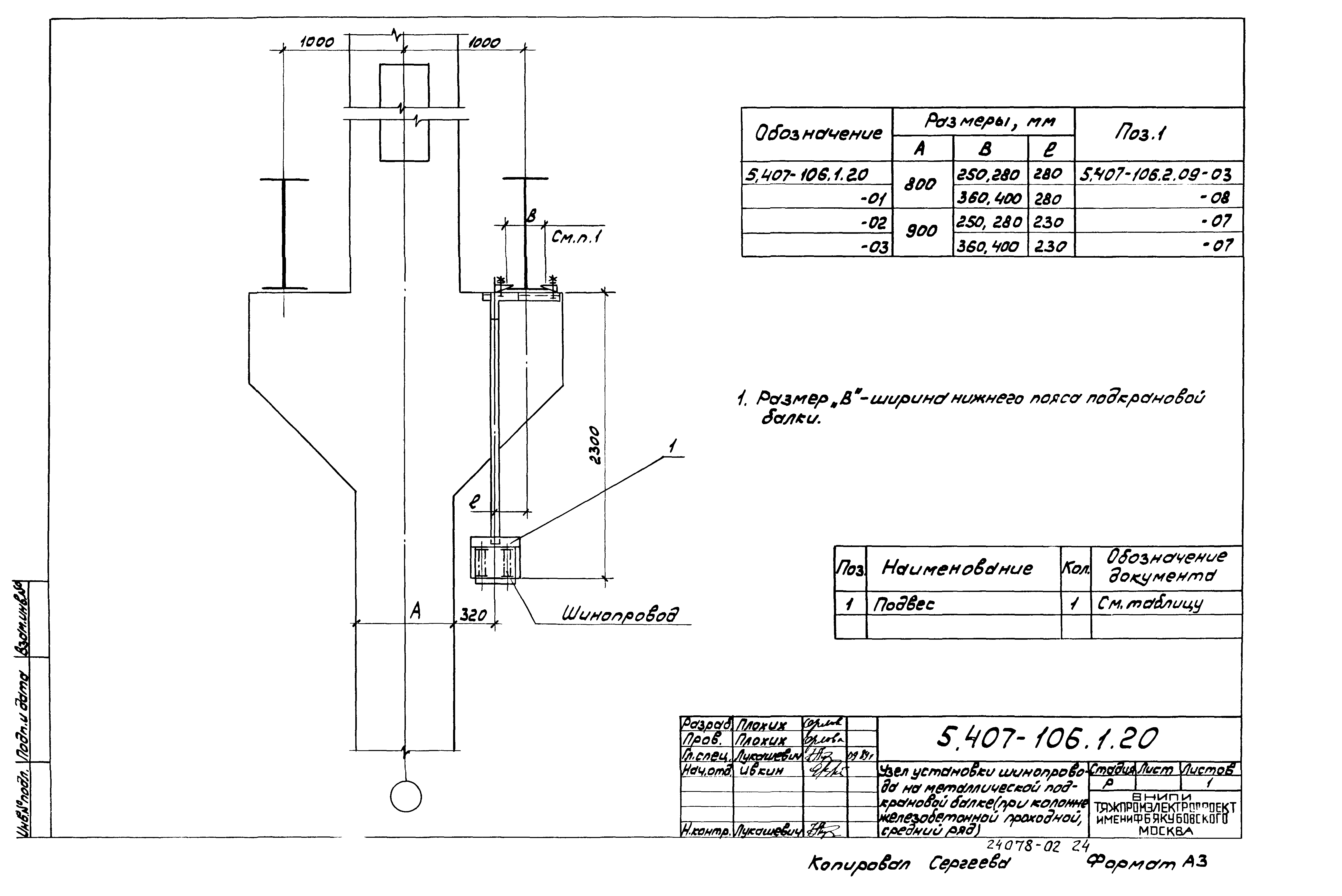
Скачать Серия 5.407-106 Выпуск 1. Узлы. Рабочие чертежиДата актуализации: 01.01.2021
|
| Обозначение: | Серия 5.407-106 |
| Обозначение англ: | Series 5.407-106 |
| Статус: | не определен законодательством |
| Название рус.: | Выпуск 1. Узлы. Рабочие чертежи |
| Дата добавления в базу: | 01.09.2013 |
| Дата актуализации: | 01.01.2021 |
| Дата введения: | 01.01.1990 |
| Дата окончания срока действия: | 30.06.2003 |
| Разработан: | ВНИПИ Тяжпромэлектропроект им. Ф.Б. Якубовского |
| Утверждён: | 14.02.1989 НПО Электромонтаж ММСС СССР |
| Издан: | ЦИТП Госстроя СССР (CITP, Gosstroy (USSR) 1990 г. ) |

































