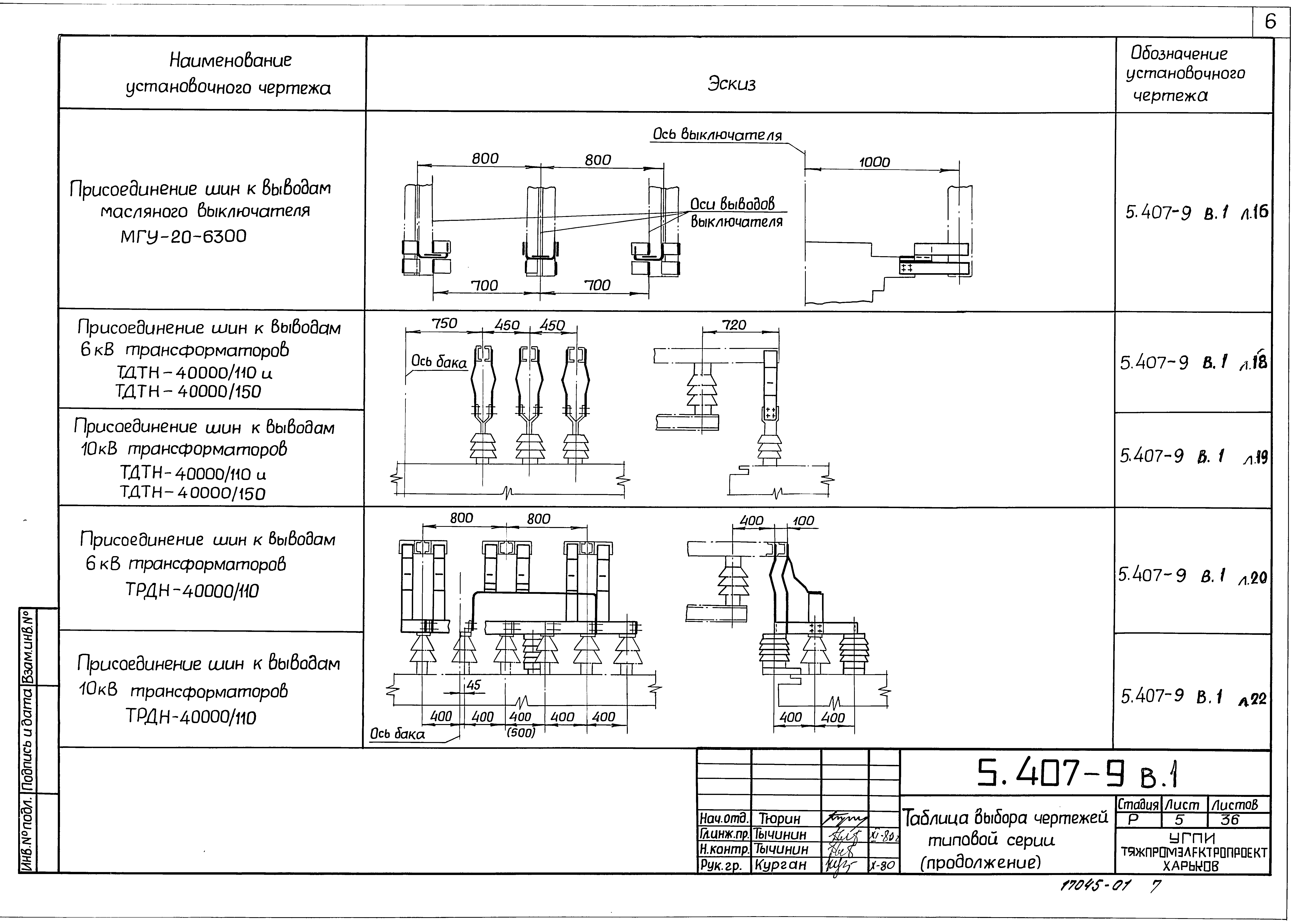
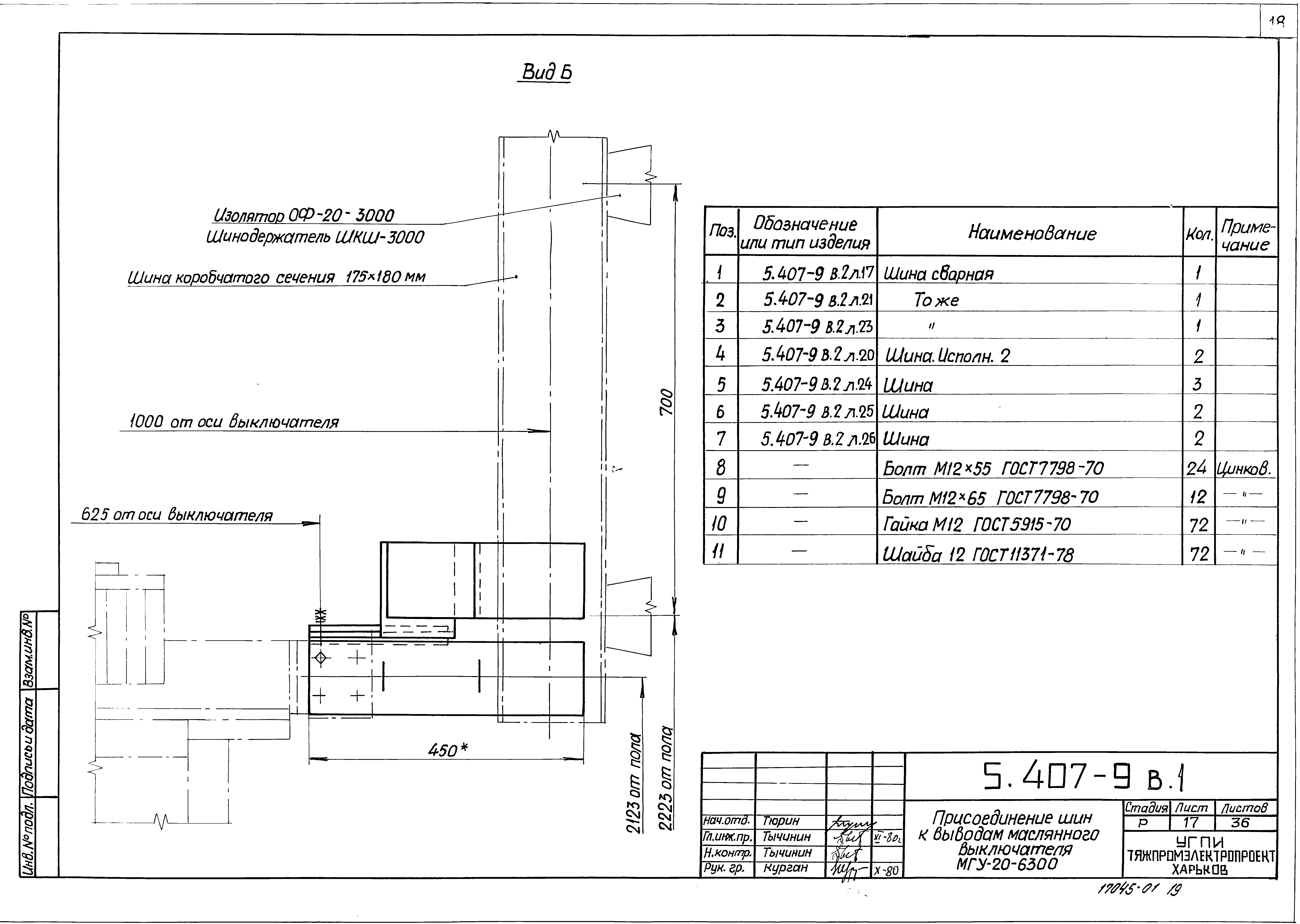
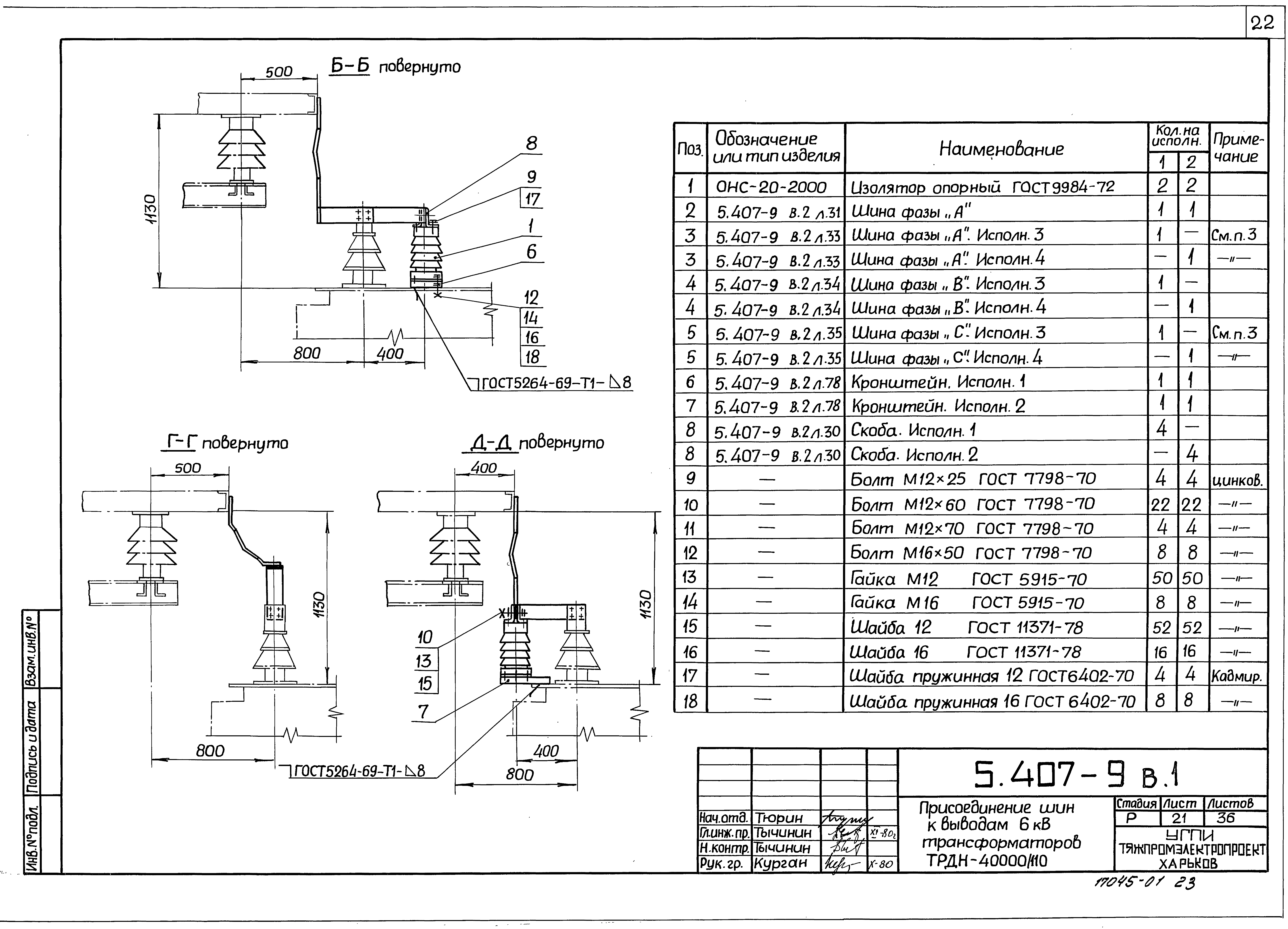
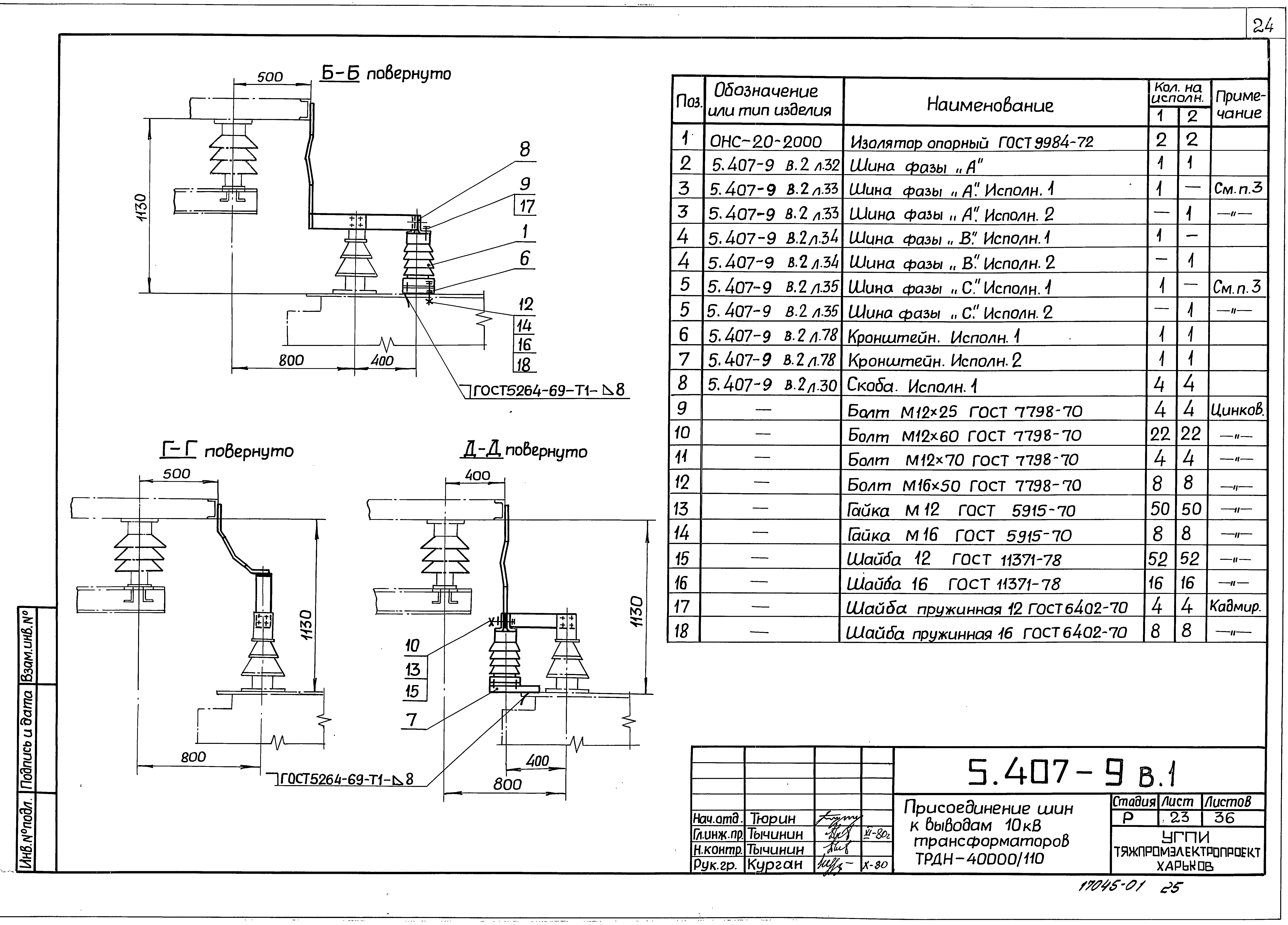
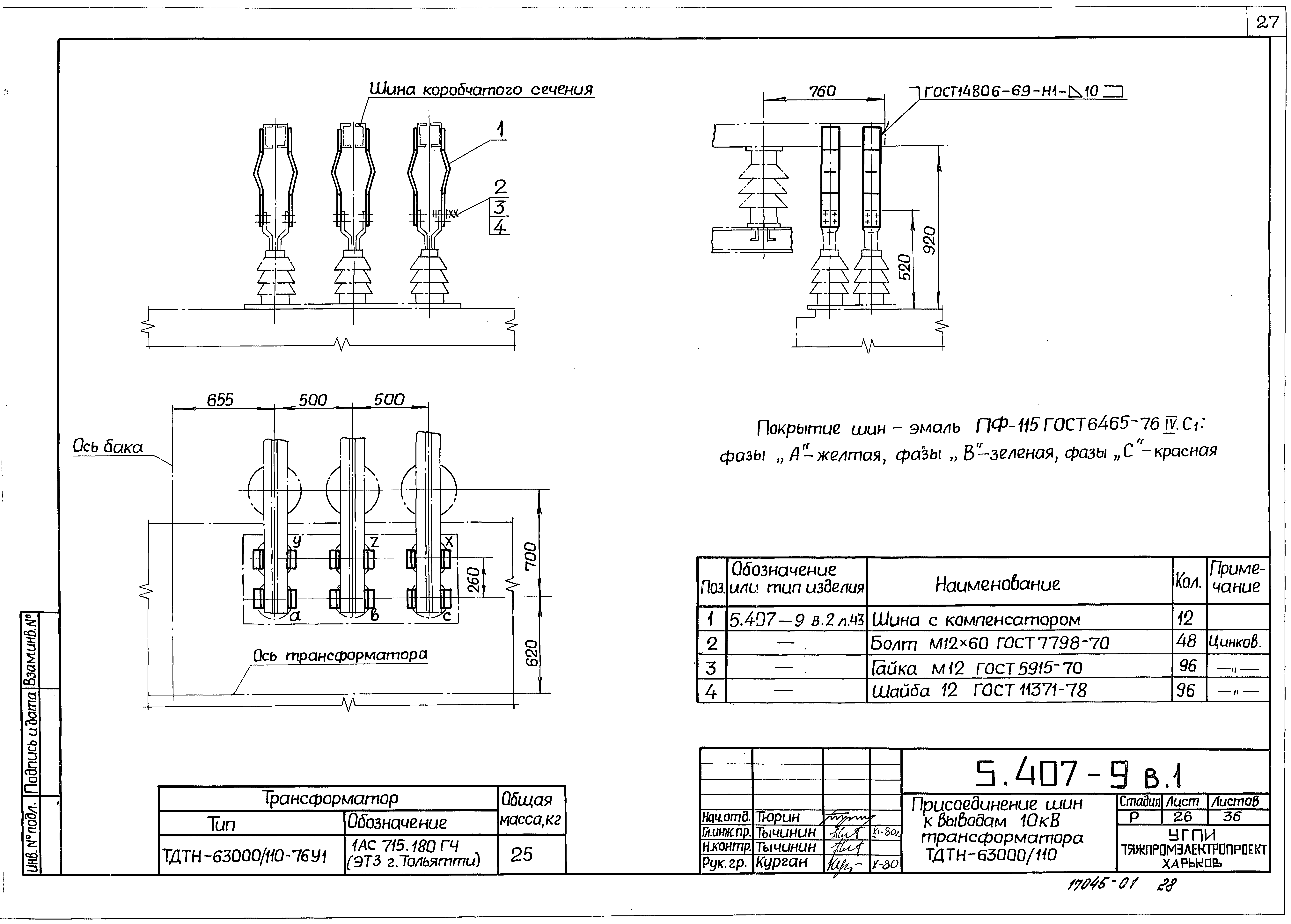
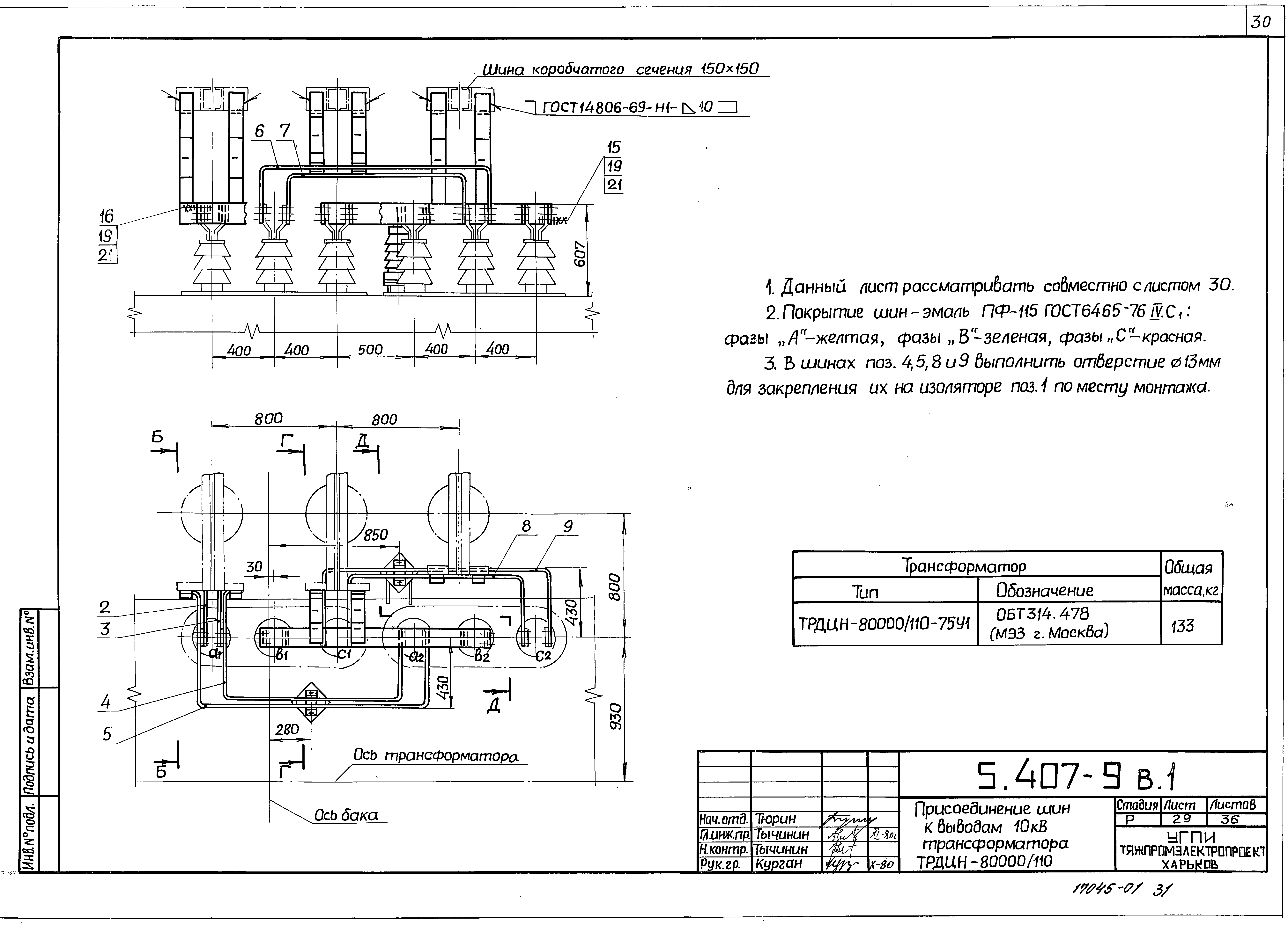
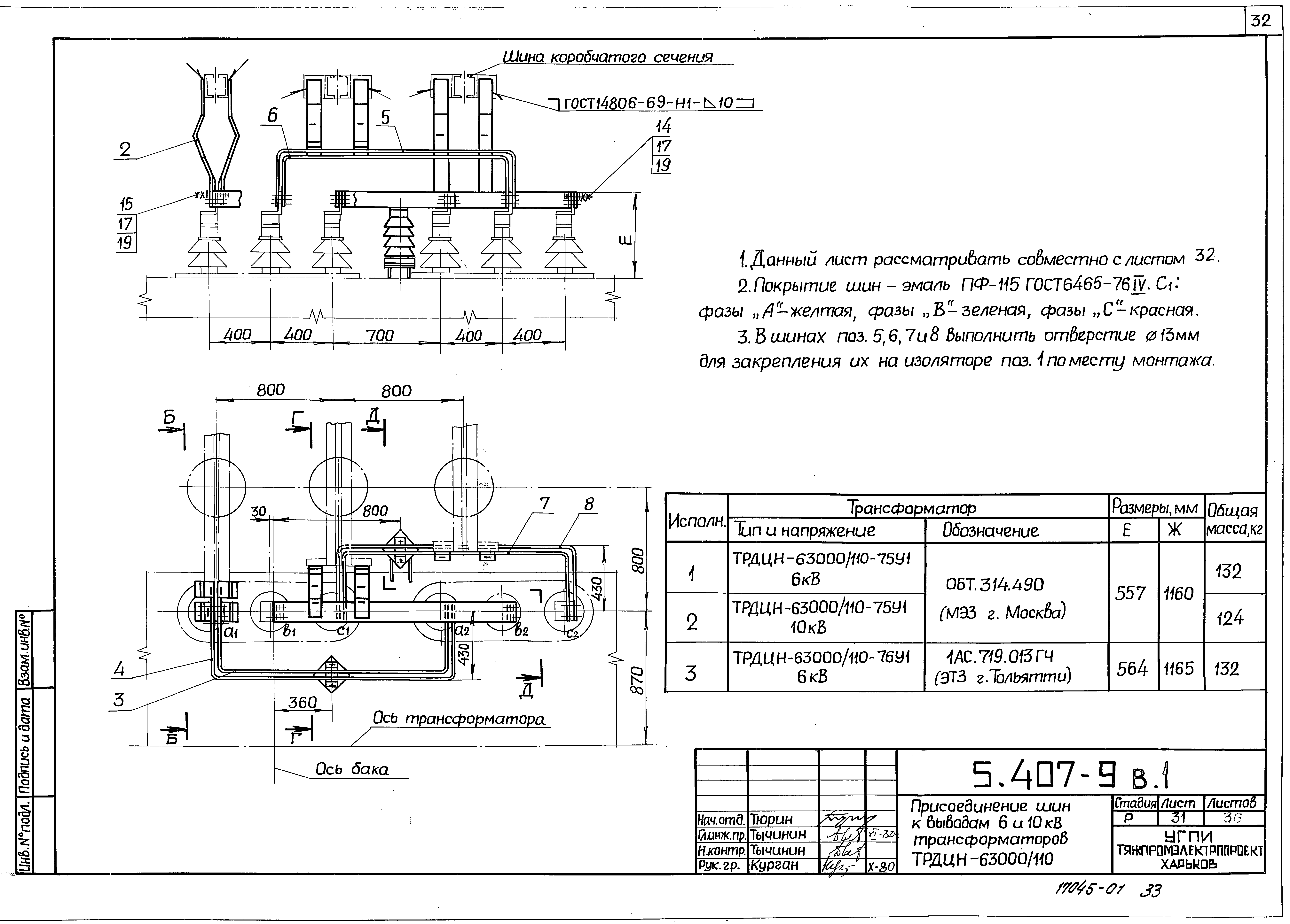
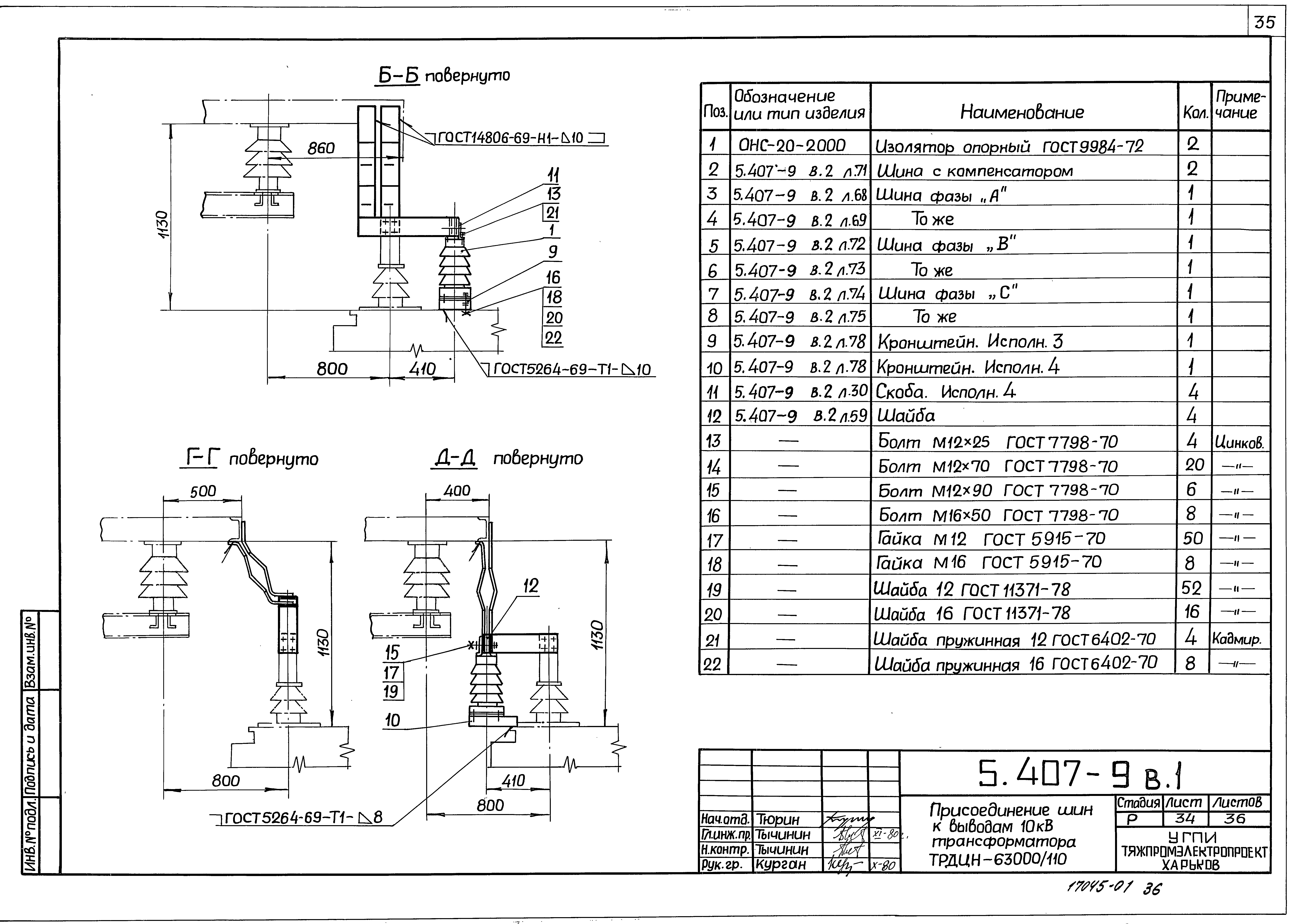
Скачать Серия 5.407-9 Выпуск 1. Чертежи монтажныеДата актуализации: 01.01.2021
|
| Обозначение: | Серия 5.407-9 |
| Обозначение англ: | Series 5.407-9 |
| Статус: | не определен законодательством |
| Название рус.: | Выпуск 1. Чертежи монтажные |
| Дата добавления в базу: | 01.09.2013 |
| Дата актуализации: | 01.01.2021 |
| Дата введения: | 01.12.1990 |
| Дата окончания срока действия: | 30.06.2003 |
| Разработан: | УГПИ Тяжпромэлектропроект Минмонтажспецстроя УССР |
| Утверждён: | 17.11.1980 ВНИПИ Тяжпромэлектропроект им. Ф.Б. Якубовского (F.B.Yakubovskiy Tyazhpromelektroproject VNIPI 171) |





































