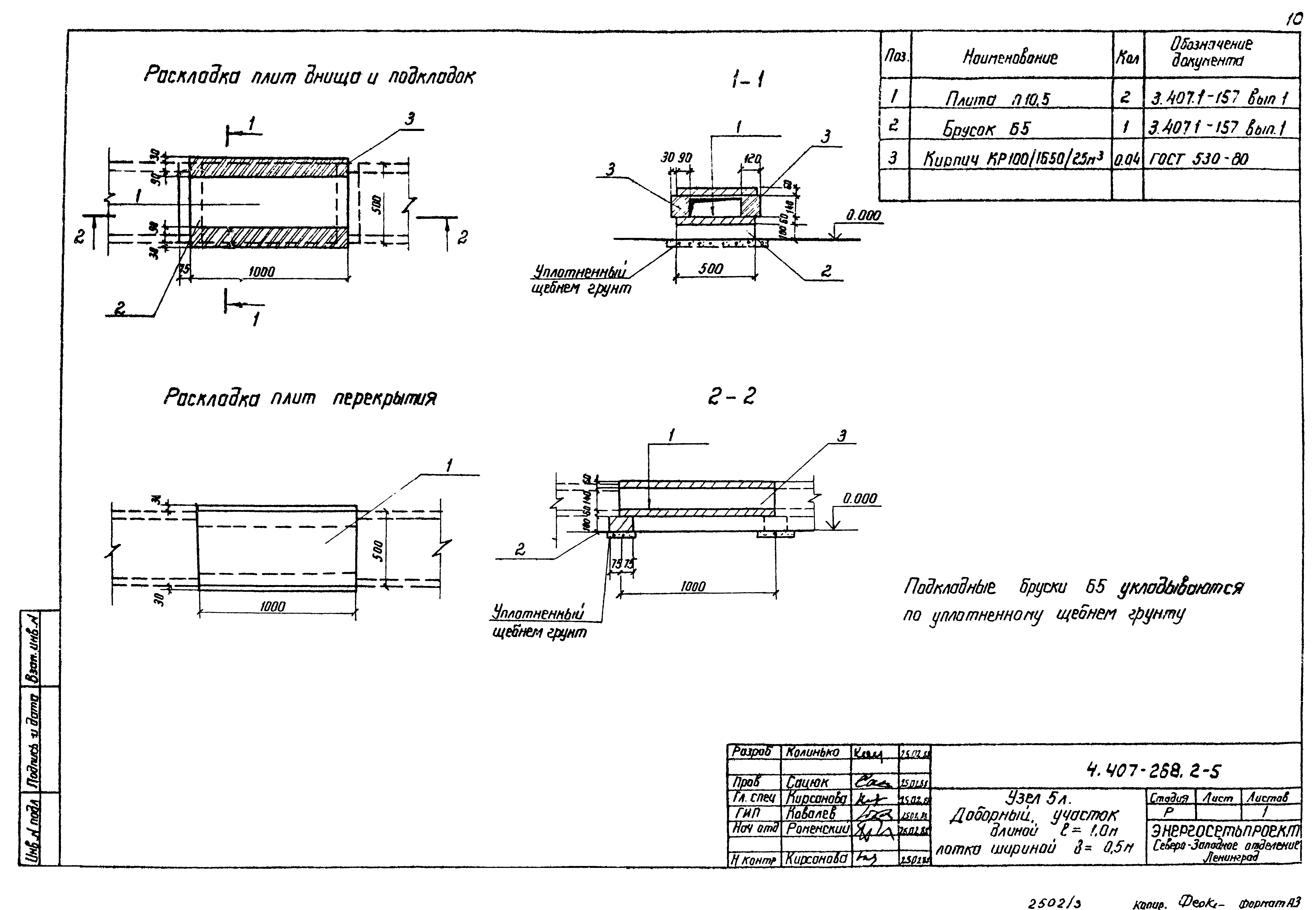
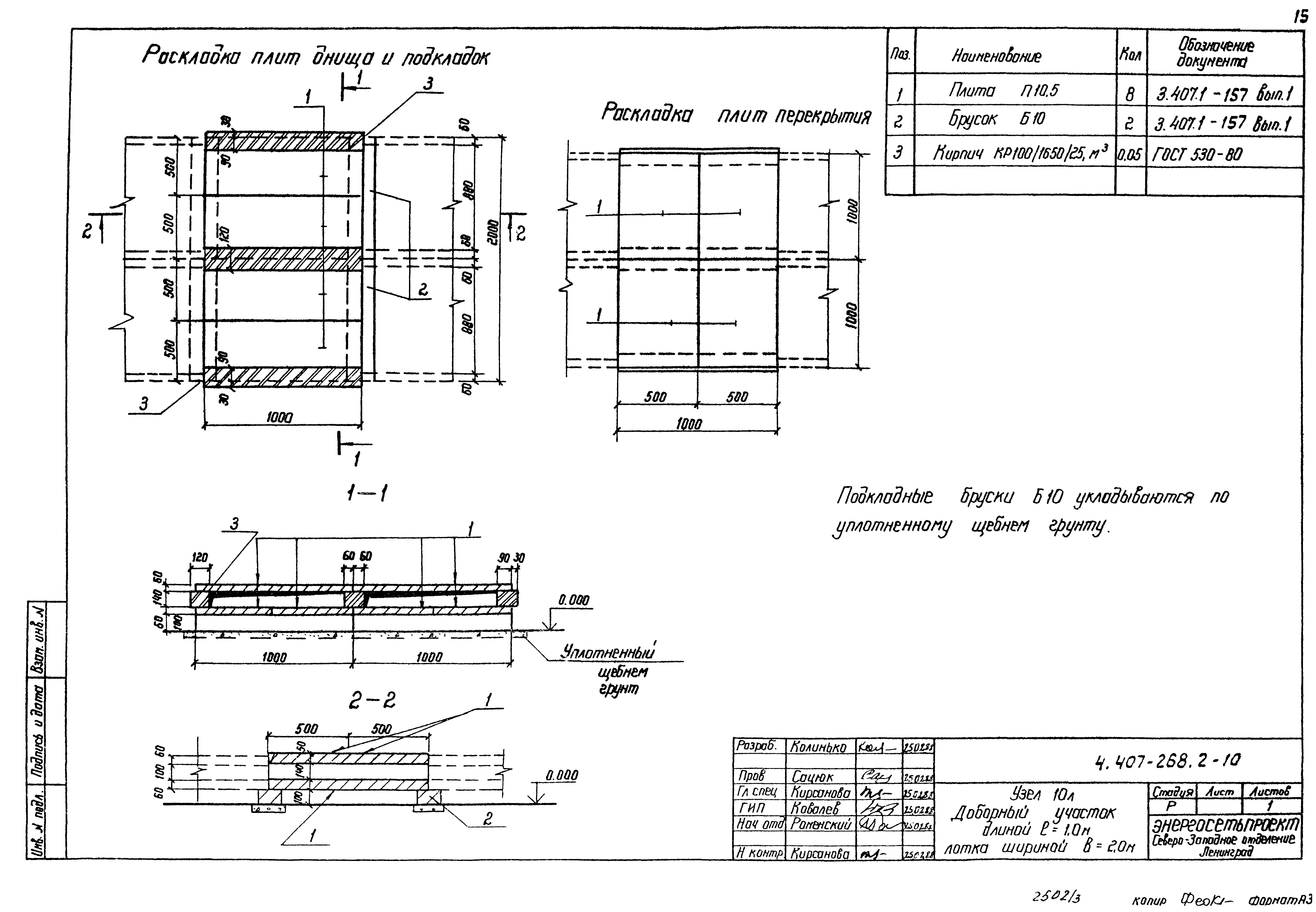
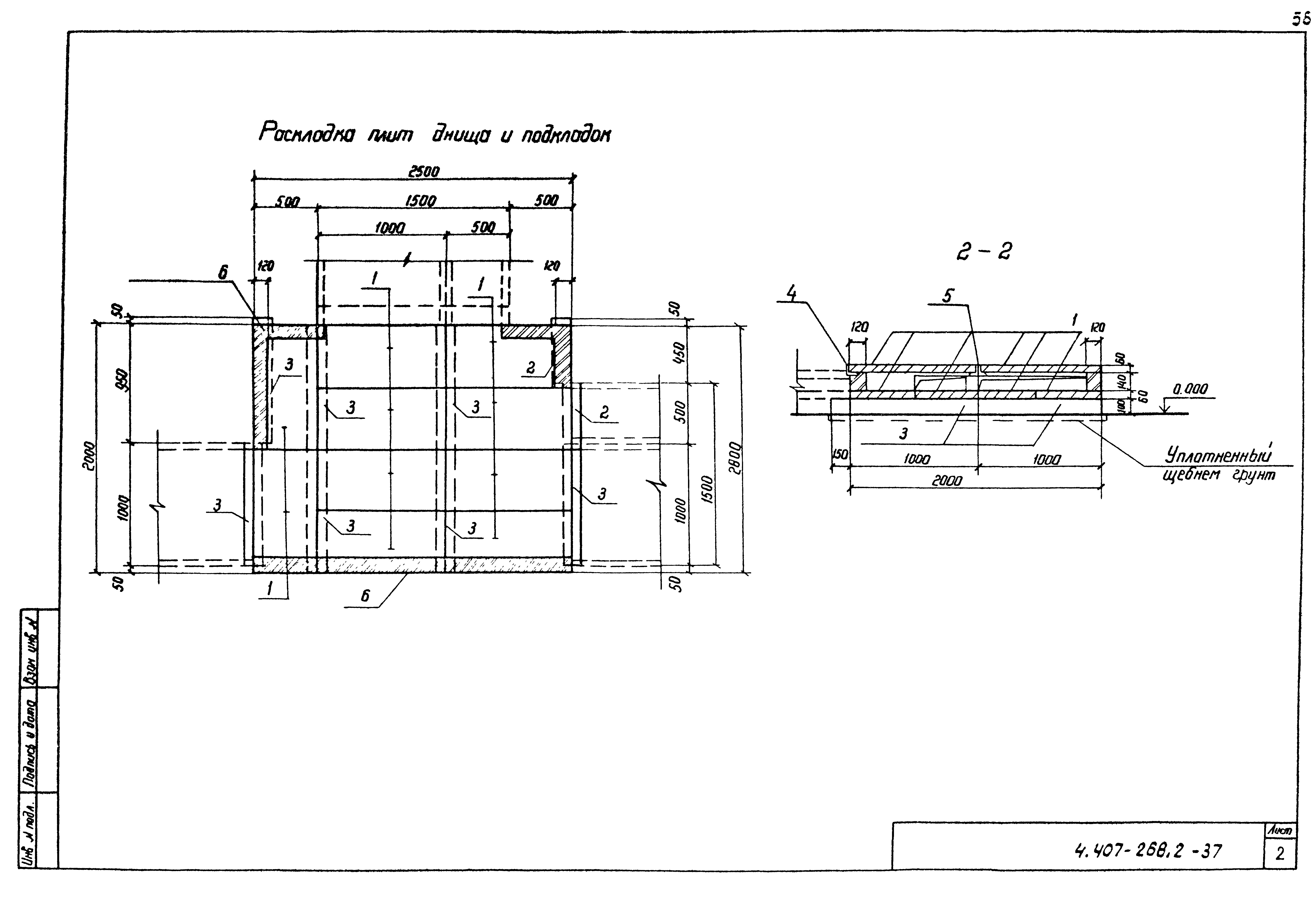
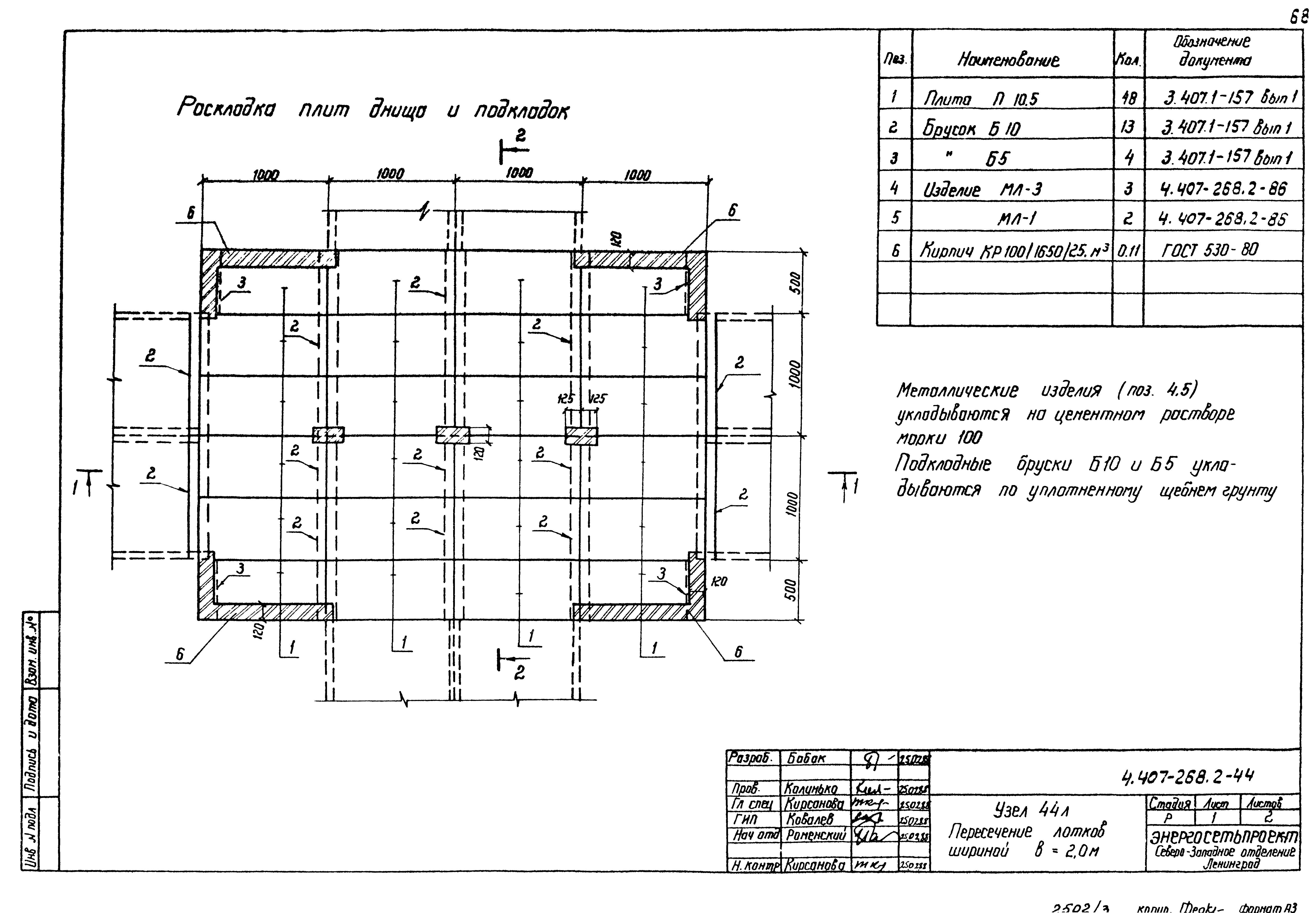
Скачать Серия 4.407-268 Выпуск 2. Узлы кабельных лотков. Рабочие чертежиДата актуализации: 01.01.2021
|
| Обозначение: | Серия 4.407-268 |
| Обозначение англ: | Series 4.407-268 |
| Статус: | не определен законодательством |
| Название рус.: | Выпуск 2. Узлы кабельных лотков. Рабочие чертежи |
| Дата добавления в базу: | 01.09.2013 |
| Дата актуализации: | 01.01.2021 |
| Дата введения: | 16.03.1988 |
| Дата окончания срока действия: | 30.06.2003 |
| Разработан: | Севзапэнергосетьпроект |
| Утверждён: | 16.03.1988 Минэнерго СССР (USSR Minenergo 21) |
| Издан: | ЦИТП Госстроя СССР (CITP, Gosstroy (USSR) 1988 г. ) |
| Заменяет собой: |


































































































































