Скачать Серия 5.407-37 Выпуск 2. Чертежи изделийДата актуализации: 01.01.2021
|
| Обозначение: | Серия 5.407-37 |
| Обозначение англ: | Series 5.407-37 |
| Статус: | действует |
| Название рус.: | Выпуск 2. Чертежи изделий |
| Дата добавления в базу: | 01.09.2013 |
| Дата актуализации: | 01.01.2021 |
| Дата введения: | 01.01.1983 |
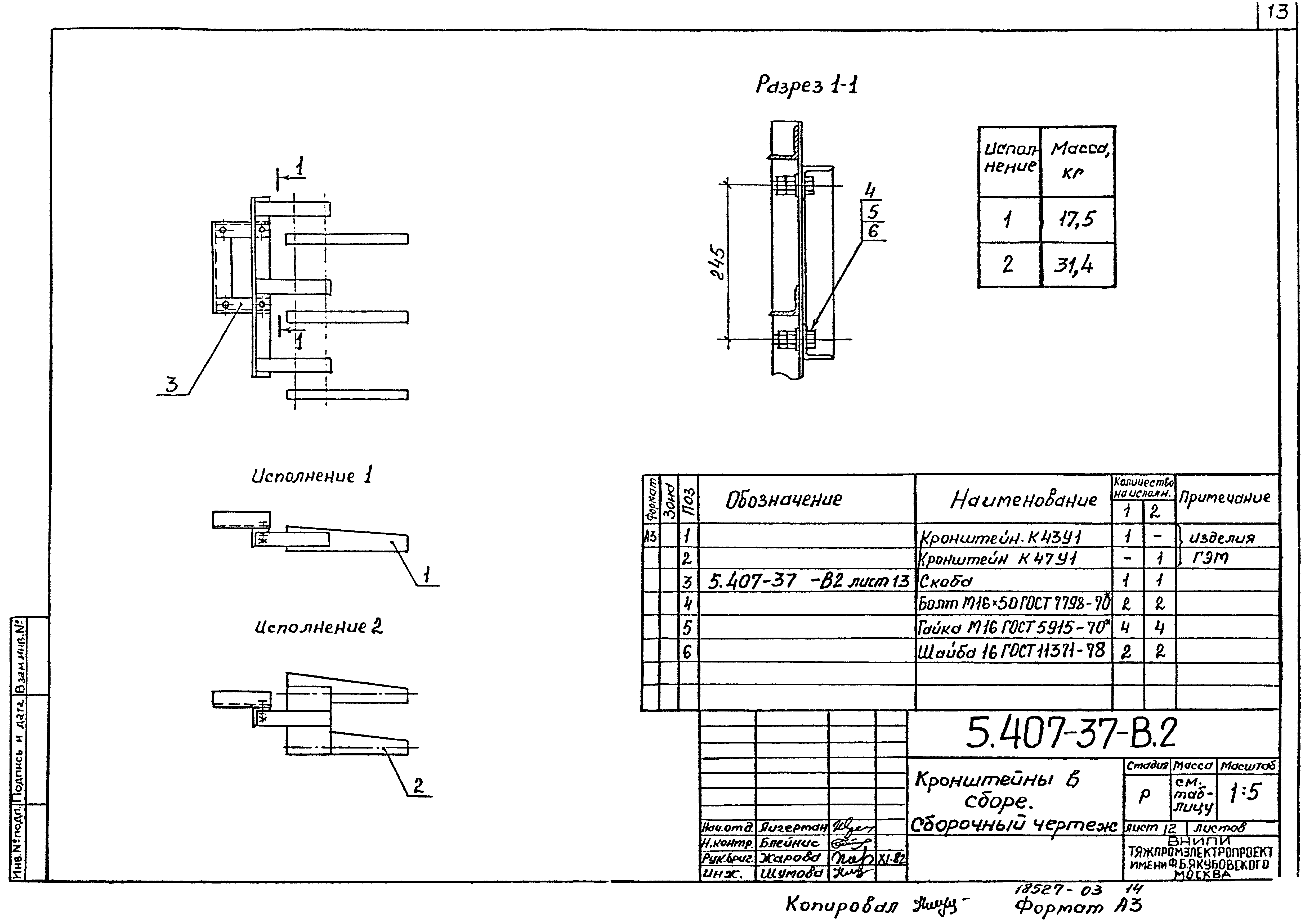
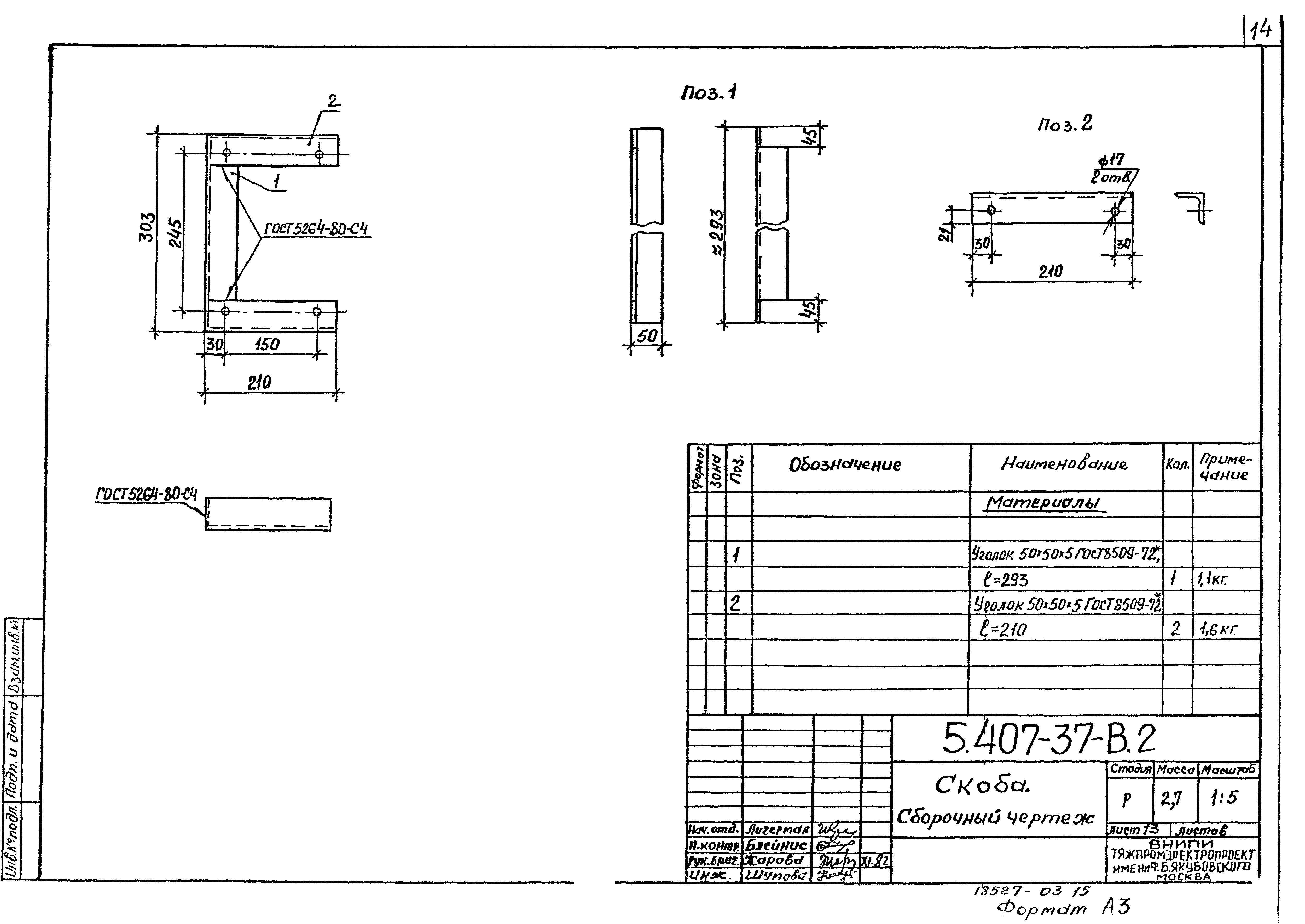
| Оглавление: | Общие указания Секция троллейная доборная Пример выполнения доборной троллейной секции (вариант 1) Пример выполнения доборной троллейной секции (вариант 2) Секция троллейная с двумя компенсаторами. Сборочный чертеж Секция троллейная для двух компенсаторов Светофор комплектный. Сборочный чертеж Разрез 3-3 и виды 2-2; 4-4; 5-5; 6-6 Кронштейн в сборе. Сборочный чертеж Скоба. Сборочный чертеж Конструкция блочная из четырех троллейных кронштейнов. Сборочный чертеж Связь |
| Разработан: | ВНИПИ Тяжпромэлектропроект им. Ф.Б. Якубовского |
| Утверждён: | 30.11.1982 Минмонтажспецстрой СССР (USSR Minmontazhspetsstroy ) |
| Издан: | ГУП ЦПП (CPP GUP 2001 г. ) |
















