Скачать Серия 5.407-16 Выпуск 0. Материалы для проектированияДата актуализации: 01.01.2021
|
| Обозначение: | Серия 5.407-16 |
| Обозначение англ: | Series 5.407-16 |
| Статус: | действует |
| Название рус.: | Выпуск 0. Материалы для проектирования |
| Дата добавления в базу: | 01.09.2013 |
| Дата актуализации: | 01.01.2021 |
| Дата введения: | 07.08.1981 |
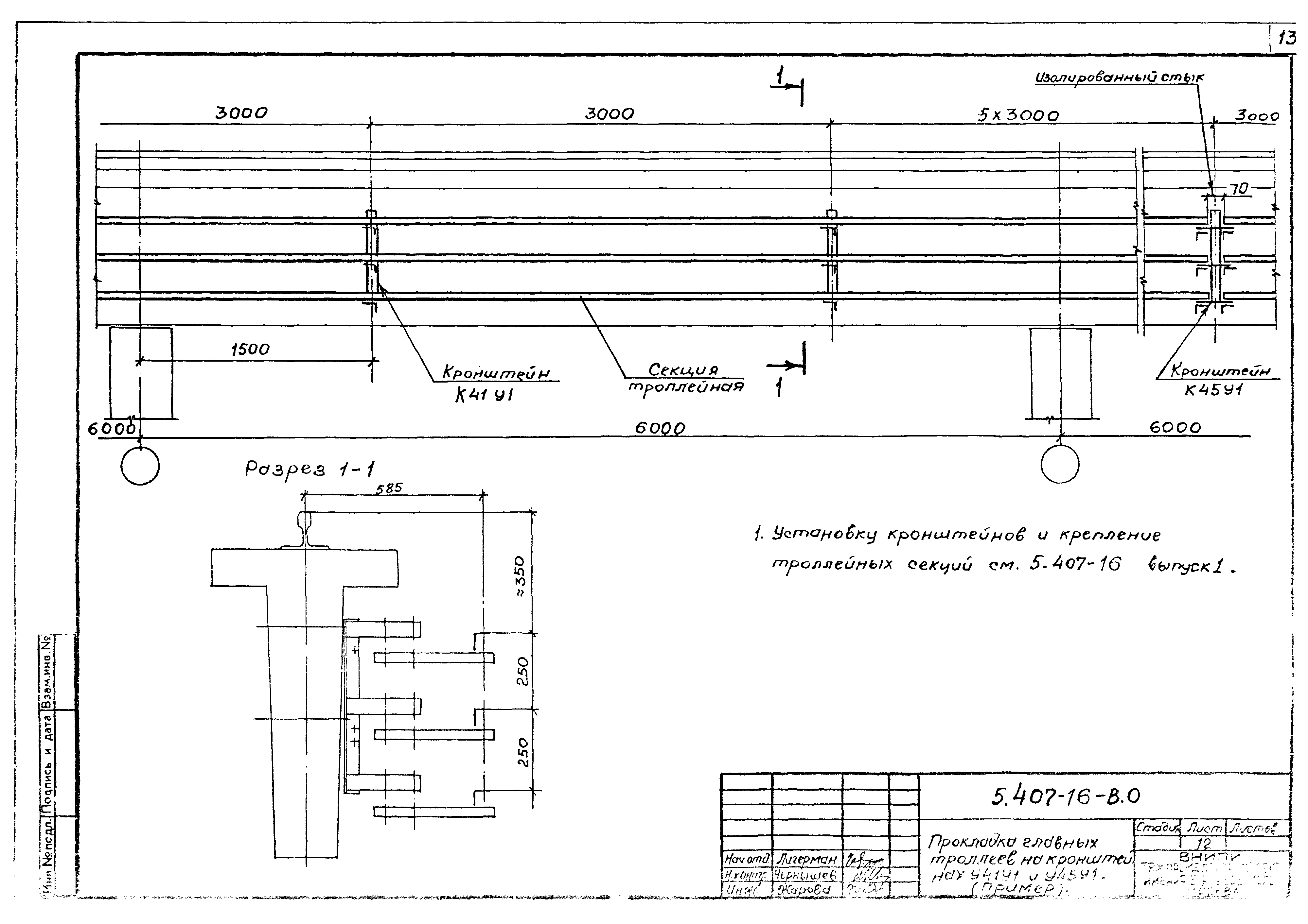
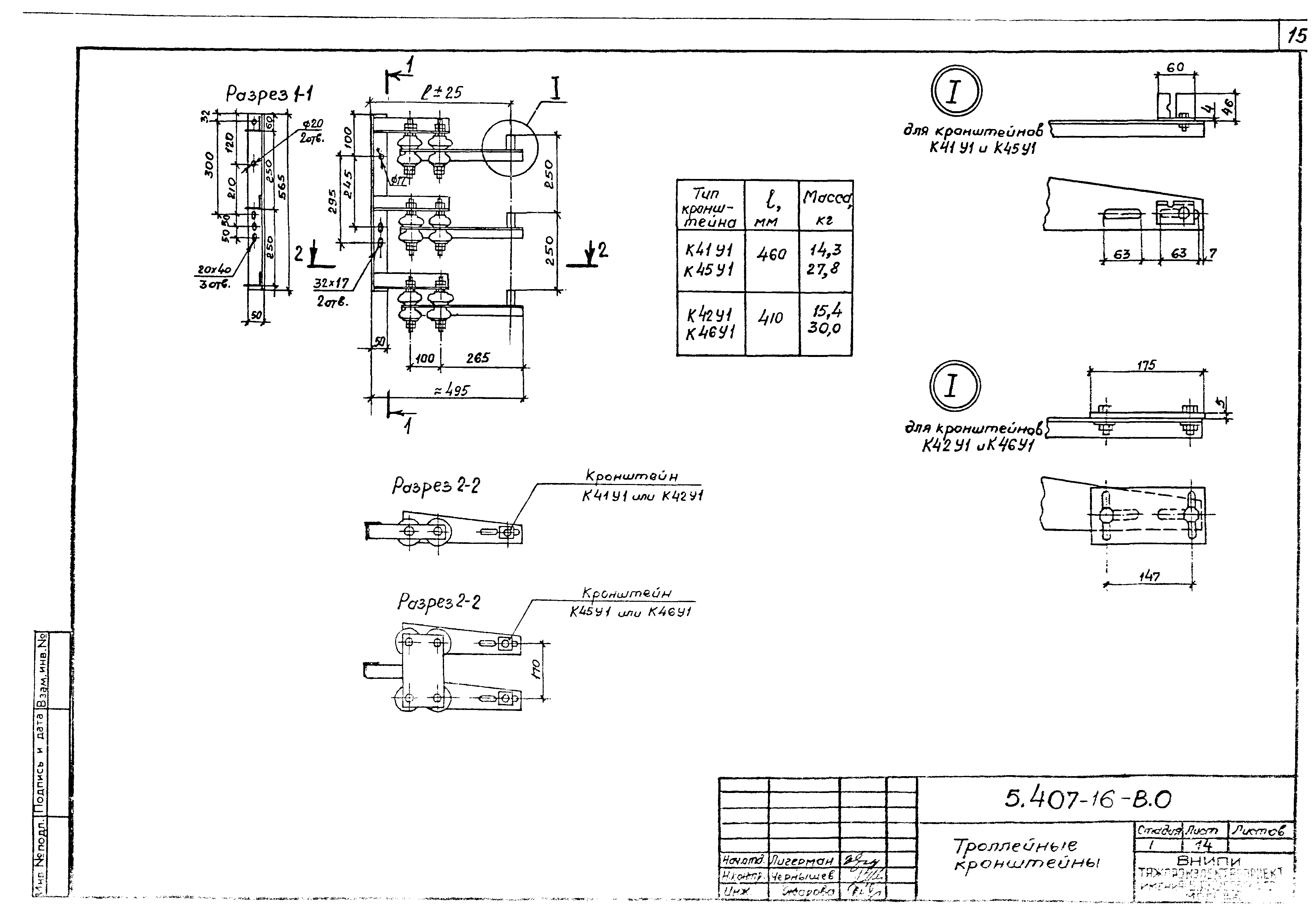
| Оглавление: | Общие указания Прокладка главных троллеев для кранов. План. (Пример) Выбор троллеев и троллейных кронштейнов Комплектация троллейных линий Устройство ремонтных участков на троллейных линиях Таблица выбора монтажных чертежей для прокладки троллеев Выбор компенсаторов Размещение светофоров на троллейных линиях Прокладка главных троллеев на кронштейнах У41У1 и У45У1. (Пример) Троллейные секции, светофор, троллейная планка и шпилька Троллейные кронштейны Железобетонные подкрановые балки. Габариты |
| Разработан: | ВНИПИ Тяжпромэлектропроект им. Ф.Б. Якубовского |
| Утверждён: | 07.08.1981 ВНИПИ Тяжпромэлектропроект им. Ф.Б. Якубовского (F.B.Yakubovskiy Tyazhpromelektroproject VNIPI 128) |
| Издан: | ГУП ЦПП (CPP GUP 1997 г. ) |
















