Скачать Серия 5.407-75 Выпуск 1. Чертежи монтажныеДата актуализации: 01.01.2021
|
| Обозначение: | Серия 5.407-75 |
| Обозначение англ: | Series 5.407-75 |
| Статус: | не определен законодательством |
| Название рус.: | Выпуск 1. Чертежи монтажные |
| Дата добавления в базу: | 01.09.2013 |
| Дата актуализации: | 01.01.2021 |
| Дата введения: | 01.01.1987 |
| Дата окончания срока действия: | 30.06.2003 |
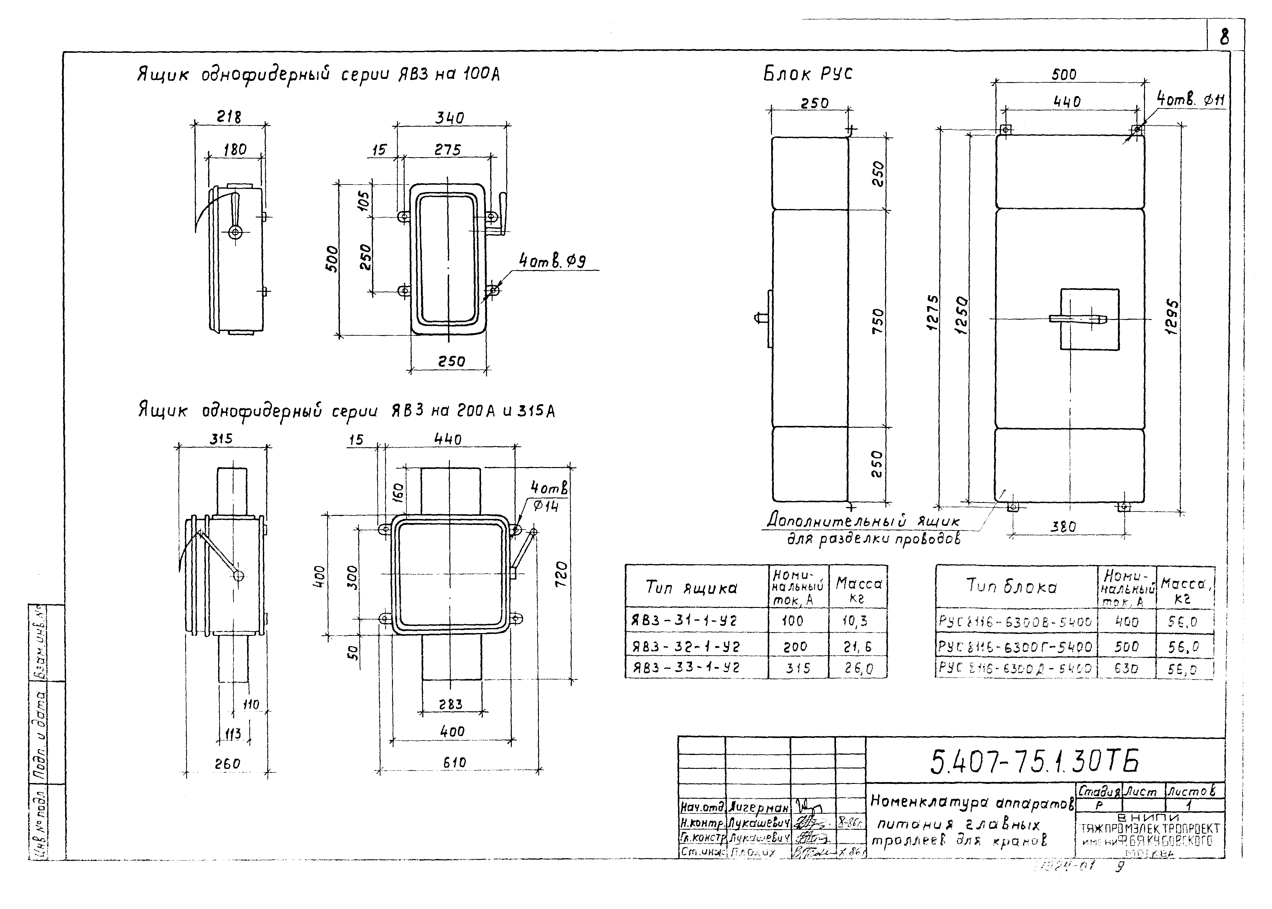
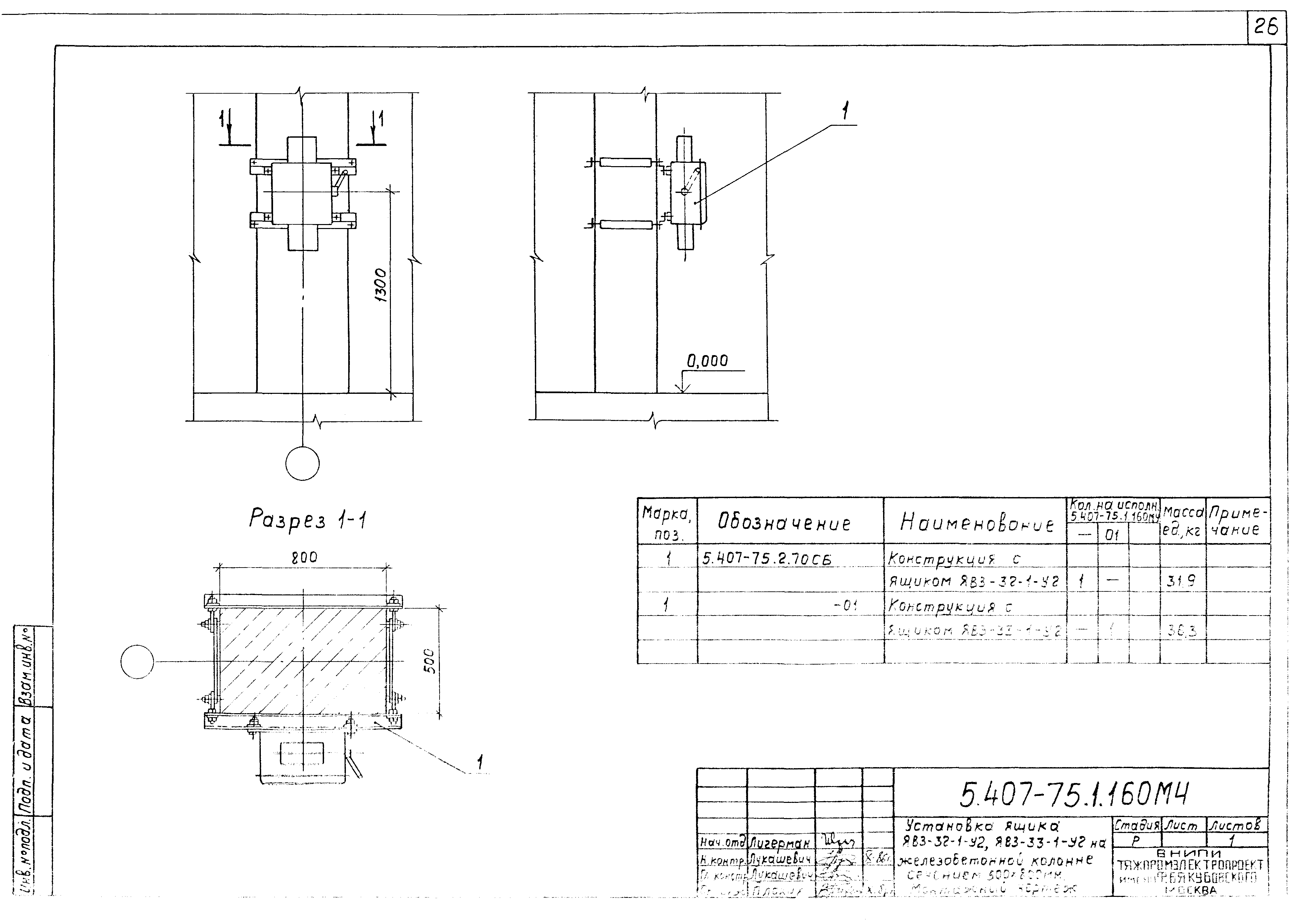
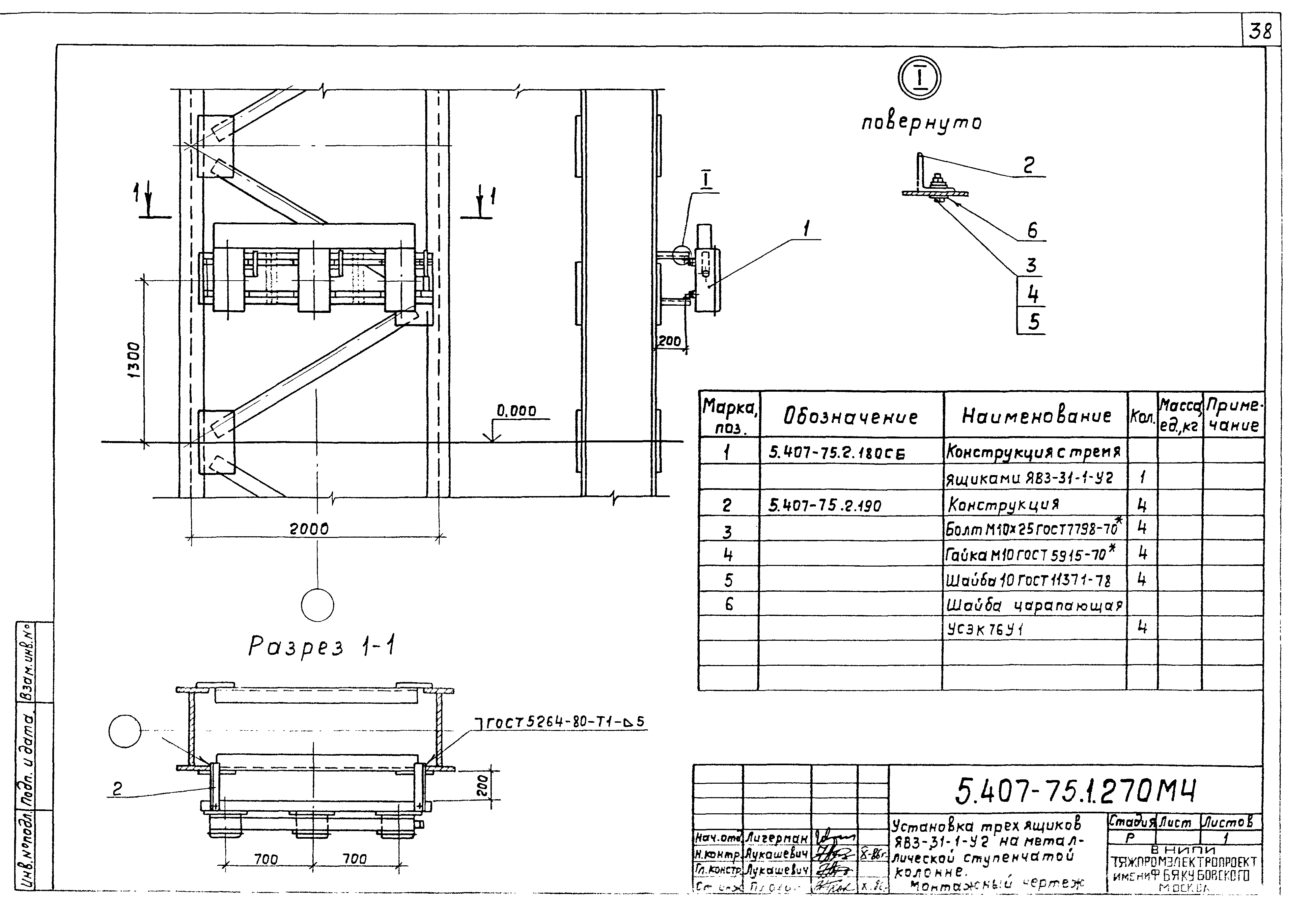
| Оглавление: | 5.407-75.1.ПЗ Пояснительная записка 5.407-75.1.10ТБ Таблица выбора чертежей установки аппаратов питания 5.407-75.1.20ТБ Таблица выбора чертежей установки аппаратов питания 5.407-75.1.30ТБ Номенклатура аппаратов питания главных троллеев для кранов 5.407-75.1.40ВА Ведомость изделий и материалов для изготовления электромонтажных конструкций и деталей в МЭЗ 5.407-75.1.50МЧ Установка ящика типа ЯВ3 на стене. Монтажный чертеж 5.407-75.1.60МЧ Установка аппаратов типа блок РУС на стене. Монтажный чертеж 5.407-75.1.70МЧ Установка трех ящиков ЯВ3-31-1-У2 для среднего ремонтного участка на стене. Монтажный чертеж 5.407-75.1.80МЧ Установка трех ящиков ЯВ3-32-1-42-У2, ЯВ3-33-1-У2 для среднего ремонтного участка на стене. Монтажный чертеж 5.407-75.1.90МЧ Установка ящика ЯВ3-31-1-У2 на железобетонной колонне крайнего ряда. Монтажный чертеж 5.407-75.1.100МЧ Установка ящика ЯВ3-32-1-У2, ЯВ3-33-1-У2 на железобетонной колонне крайнего ряда 5.407-75.1.110 Установка аппаратов типа блок РУС на железобетонной колонне крайнего ряда. Монтажный чертеж 5.407-75.1.120МЧ Установка ящика ЯВ3-31-1-У2 на железобетонной колонне. Монтажный чертеж 5.407-75.1.130МЧ Установка ящика ЯВ3-32-1-У2, ЯВ3-33-1-У2 на железобетонной колонне. Монтажный чертеж 5.407-75.1.140МЧ Установка аппаратов типа блок РУС на колонне. Монтажный чертеж 5.407-75.1.150МЧ Установка ящика ЯВ3-31-1-У2 на железобетонной колонне сечением 500х800 мм. Монтажный чертеж 5.407-75.1.160МЧ Установка ящика ЯВ3-32-1-У2, ЯВ3-33-1-У2 на железобетонной колонне сечением 500х800 мм. Монтажный чертеж 5.407-75.1.170МЧ Установка аппарата типа блок РУС на железобетонной колонне сечением 500х800 мм. Монтажный чертеж 5.407-75.1.180МЧ Установка ящика ЯВ3-31-1-У2 на двухветвевой железобетонной колонне. Монтажный чертеж 5.407-75.1.190МЧ Установка ящика ЯВ3-32-1-У2, ЯВ3-33-1-У2 на двухветвевой железобетонной колонне. Монтажный чертеж 5.407-75.1.200МЧ Установка аппарата типа блок РУС на двухветвевой железобетонной колонне. Монтажный чертеж 5.407-75.1.210МЧ Установка ящика ЯВ3-31-1-У2 на металлической колонне постоянного сечения. Монтажный чертеж 5.407-75.1.220МЧ Установка ящика ЯВ3-32-1-У2, ЯВ3-33-1-У2 на металлической колонне постоянного сечения. Монтажный чертеж 5.407-75.1.230МЧ Установка аппаратов типа блок РУС на металлической колонне постоянного сечения. Монтажный чертеж 5.407-75.1.240МЧ Установка ящика ЯВ3-31-1-У2 на металлической ступенчатой колонне. Монтажный чертеж 5.407-75.1.250МЧ Установка ящика ЯВ3-32-1-У2, ЯВ3-33-1-У2 на металлической ступенчатой колонне. Монтажный чертеж 5.407-75.1.260МЧ Установка аппарату типа блок РУС на металлической ступенчатой колонне. Монтажный чертеж 5.407-75.1.270МЧ Установка трех ящиков ЯВ3-31-1-У2 на металлической ступенчатой колонне. Монтажный чертеж 5.407-75.1.280МЧ Установка трех ящиков ЯВ3-32-1-У2. ЯВ3-33-1-У2 и двух ящиков ЯВ3-33-1-У2 и одного ЯВ3-32-1-У2 на металлической ступенчатой колонне. Монтажный чертеж 5.407-75.1.290МЧ Установка ящика ЯВ3-31-1-У2 на стойках для крайнего ремонтного участка. Монтажный чертеж 5.407-75.1.300МЧ Установка ящика ЯВ3-31-1-У2 с коробом на стойках для крайнего ремонтного участка. Монтажный чертеж 5.407-75.1.310МЧ Установка ящика ЯВ3-32-1-У2, ЯВ3-33-1-У2 на стойках для крайнего ремонтного участка. Монтажный чертеж 5.407-75.1.320МЧ Установка ящика ЯВ3-32-1-У2, ЯВ3-33-1-У2 с коробом на стойках для крайнего ремонтного участка. Монтажный чертеж 5.407-75.1.330МЧ Установка трех ящиков ЯВ3-31-1-У2 на стойках для среднего ремонтного участка. Монтажный чертеж 5.407-75.1.340МЧ Установка трех ящиков ЯВ3-31-1-У2 с коробом на стойках для среднего ремонтного участка. Монтажный чертеж 5.407-75.1.350МЧ Установка трех ящиков ЯВ3-32-1-У2, ЯВ3-33-1-У2 и двух ящиков ЯВ3-33-1-У2 и одного ЯВ3-32-1-У2 на стойках для среднего ремонтного участка. Монтажный чертеж 5.407-75.1.360МЧ Установка трех ящиков ЯВ3-32-1-У2, ЯВ3-33-1-У2 и двух ящиков ЯВ3-33-1-У2 и одного ЯВ3-32-1-У2 с коробом на стойках для среднего ремонтного участка. Монтажный чертеж |
| Разработан: | ВНИПИ Тяжпромэлектропроект им. Ф.Б. Якубовского |
| Утверждён: | 01.12.1986 Минмонтажспецстрой СССР (USSR Minmontazhspetsstroy ) |
| Издан: | ГУП ЦПП (CPP GUP 1997 г. ) |













































