Скачать Серия 5.407-75 Выпуск 2. Чертежи монтажныеДата актуализации: 01.01.2021
|
| Обозначение: | Серия 5.407-75 |
| Обозначение англ: | Series 5.407-75 |
| Статус: | не определен законодательством |
| Название рус.: | Выпуск 2. Чертежи монтажные |
| Дата добавления в базу: | 01.09.2013 |
| Дата актуализации: | 01.01.2021 |
| Дата введения: | 01.01.1987 |
| Дата окончания срока действия: | 30.06.2003 |
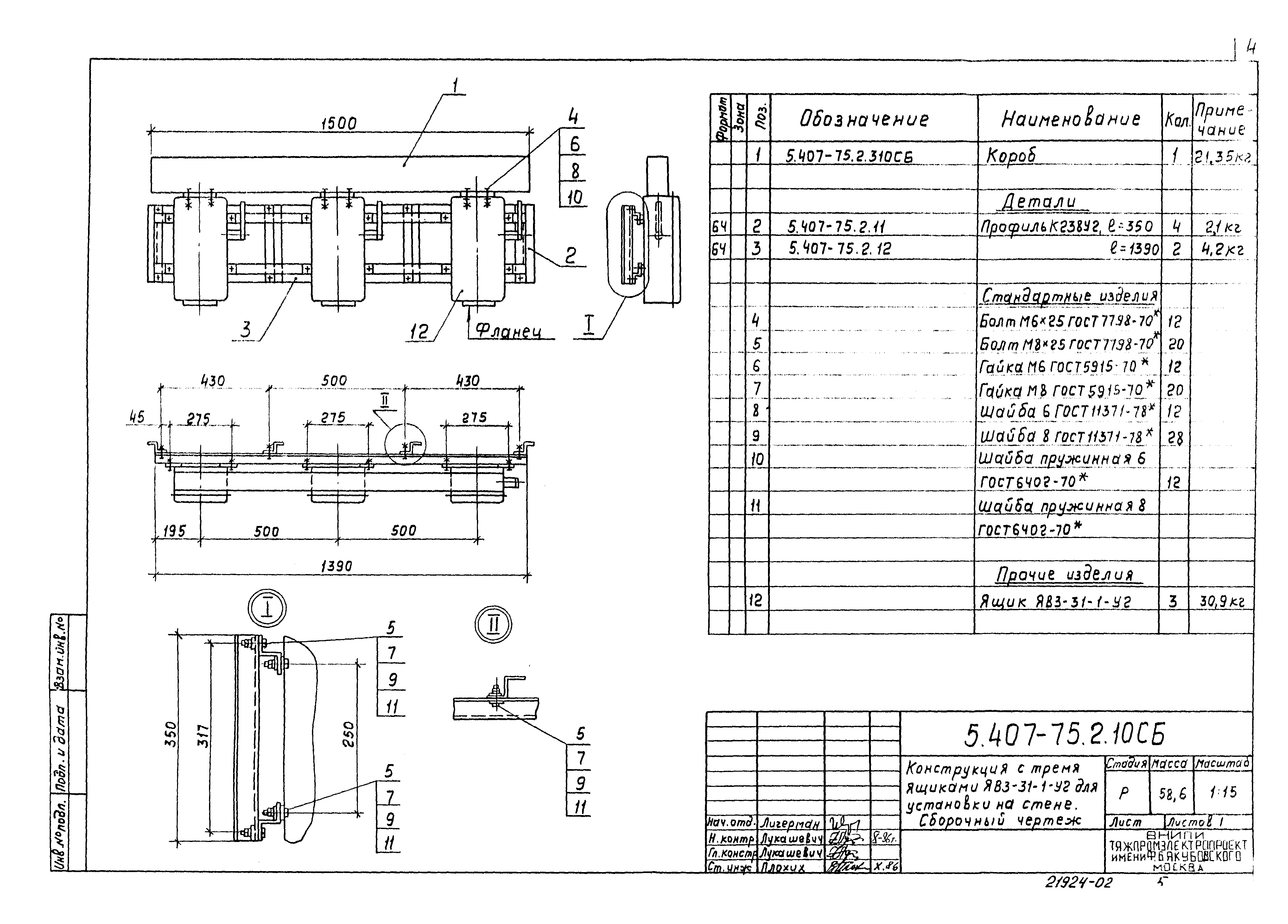
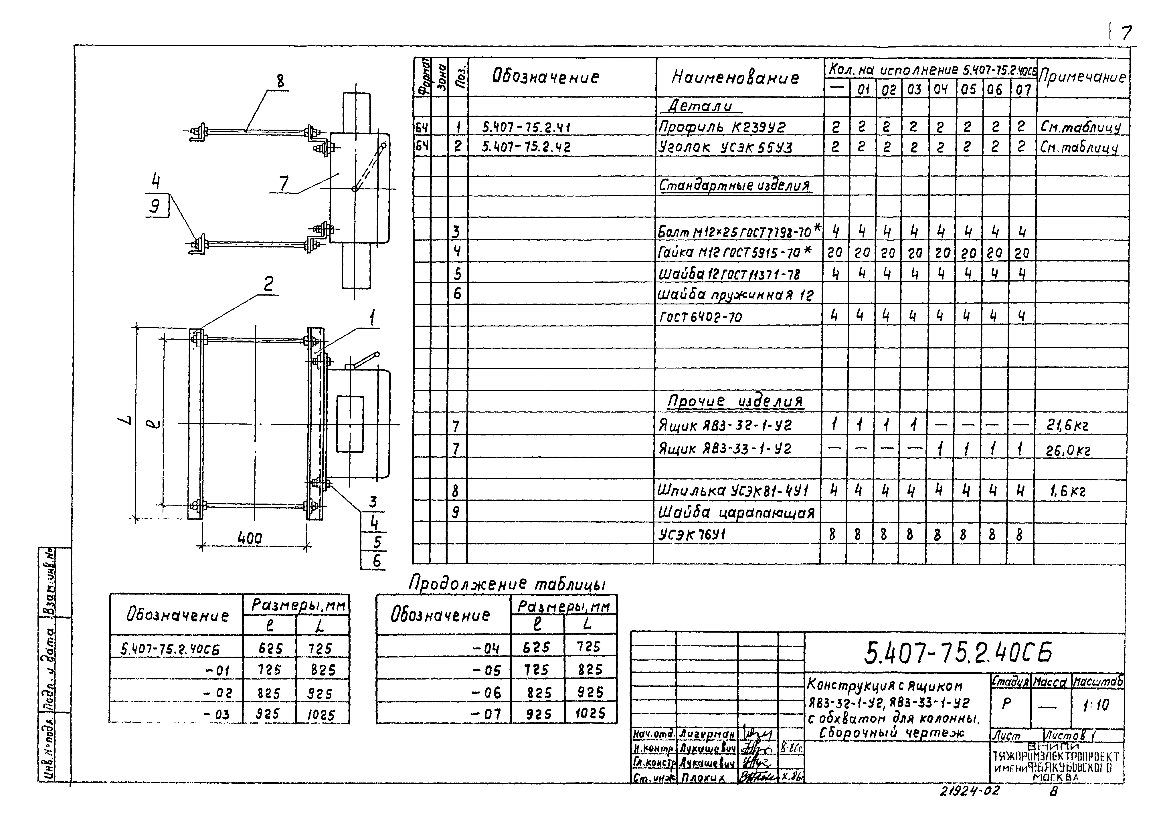
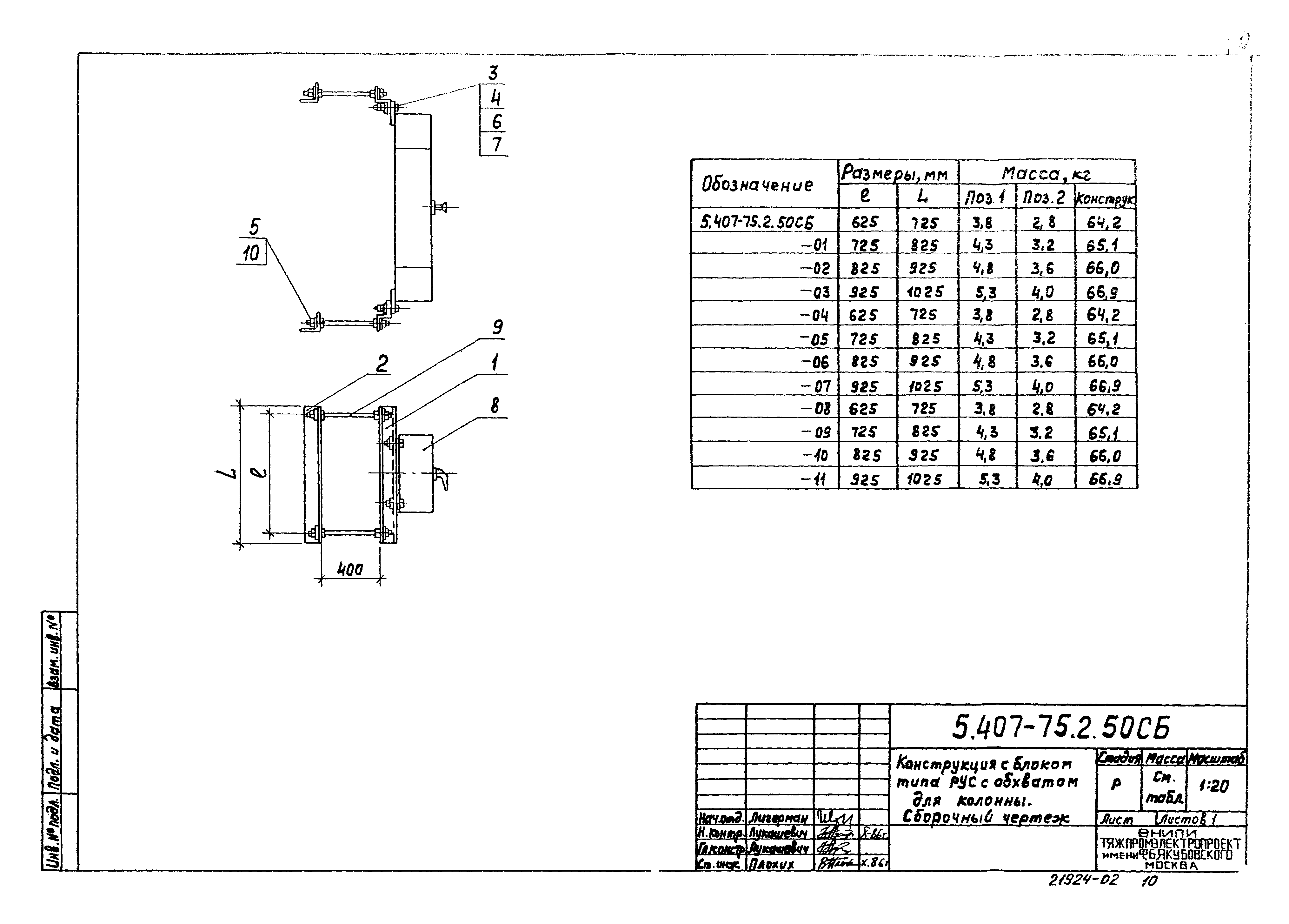
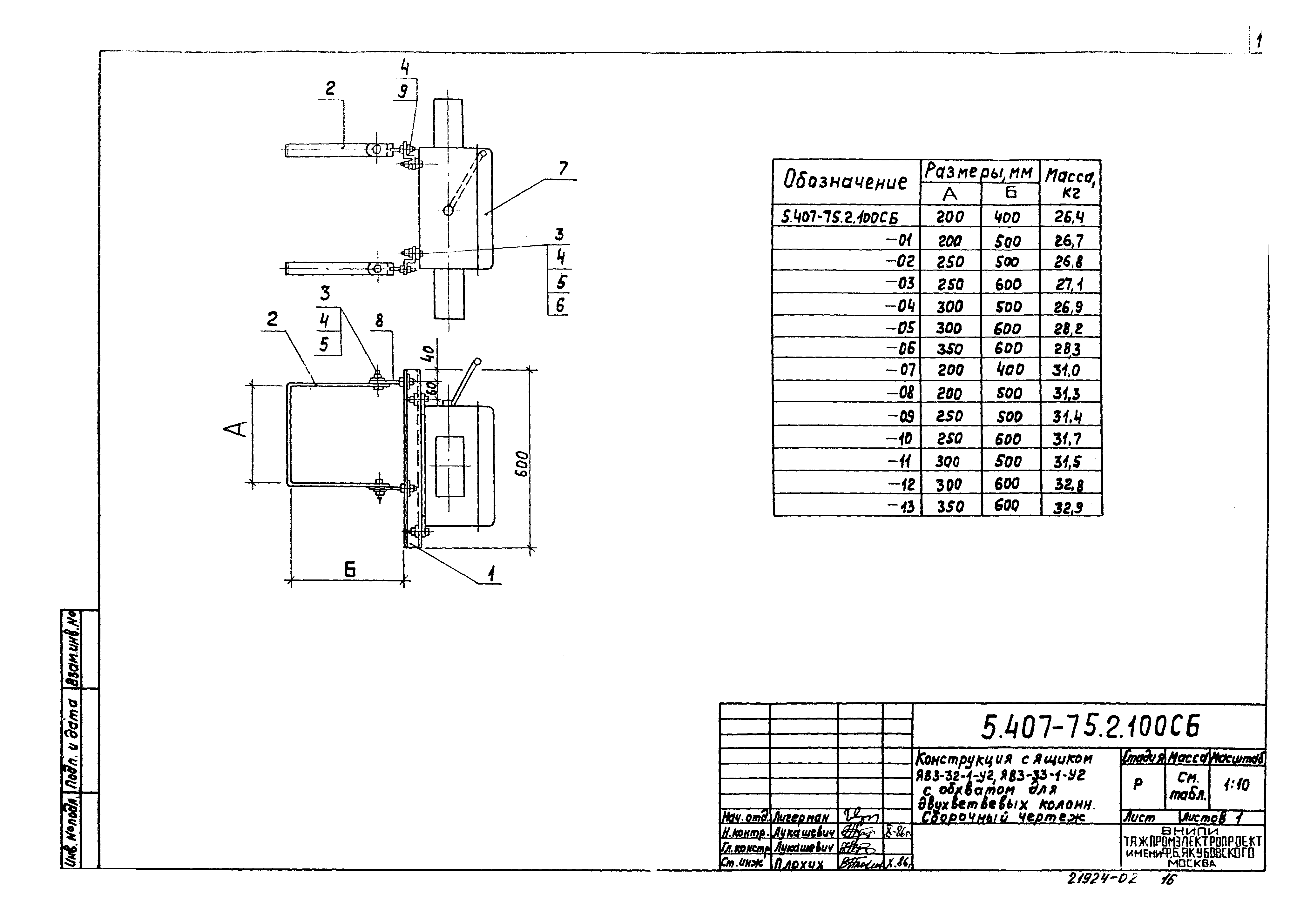
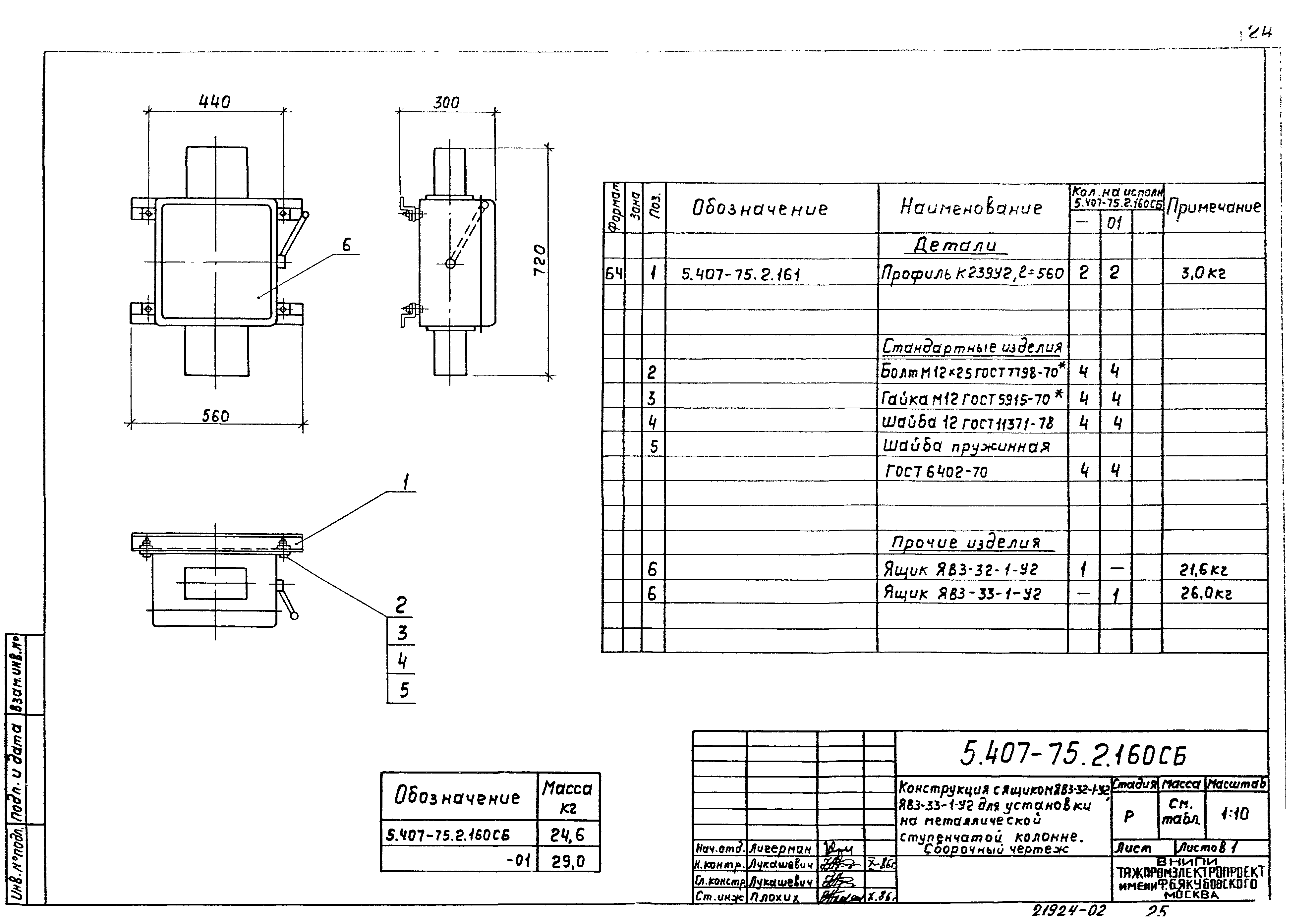
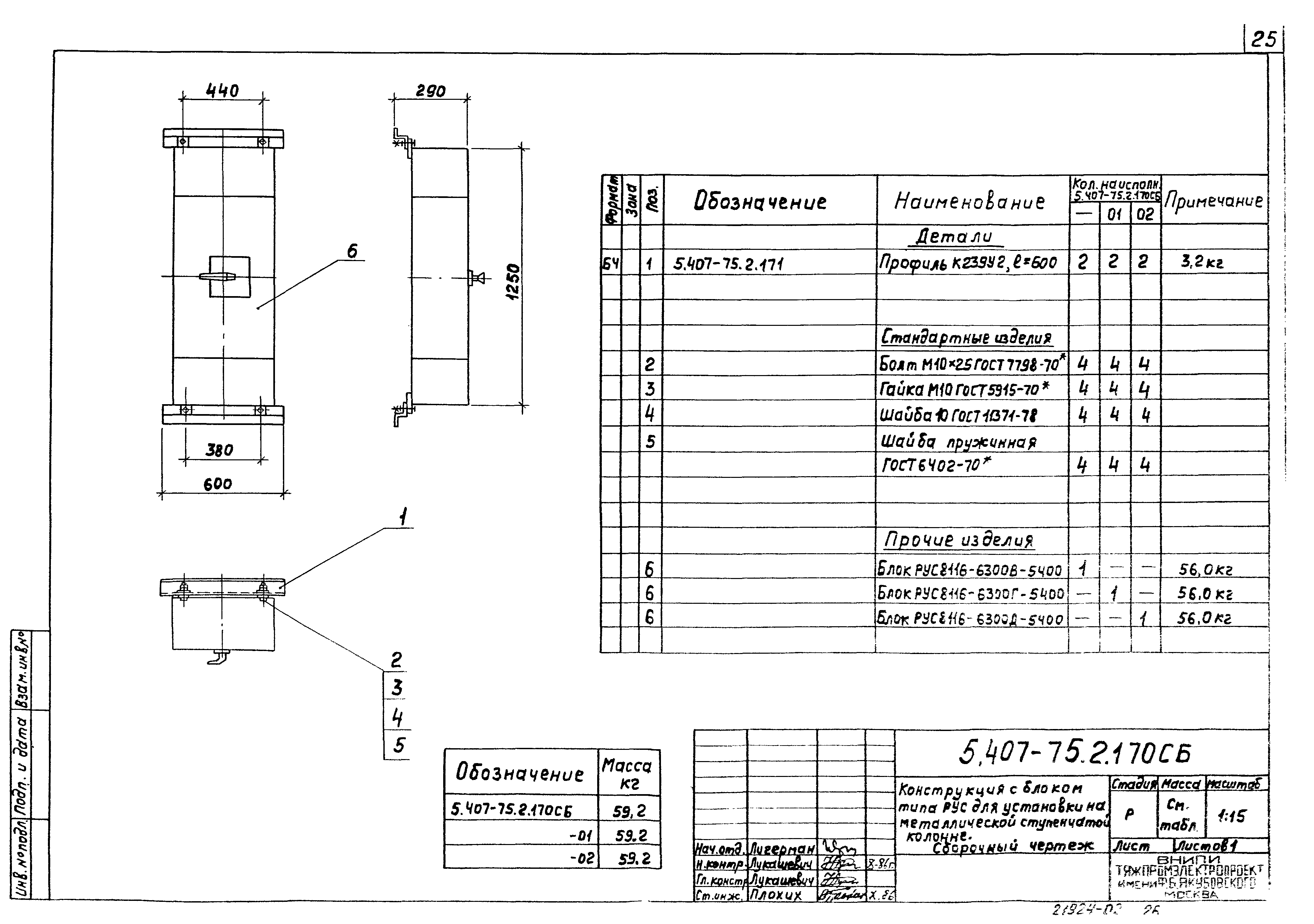
| Оглавление: | 5.407-75.2.10СБ Конструкция с тремя ящиками ЯВ3-31-1-У2 для установки на стене. Сборочный чертеж 5.407-75.2.20СБ Конструкция с тремя ящиками ЯВ3-32-1-У2, ЯВ3-33-1-У2 и двумя ящиками ЯВ3-33-1-У2 и одним ЯВ3-32-1-У2 для установки на стене. Сборочный чертеж 5.407-75.2.30СБ Конструкция с ящиками ЯВ3-31-1-У2 с обхватом для колонны. Сборочный чертеж 5.407-75.2.40СБ Конструкция с ящиком ЯВ3-32-1-У2, ЯВ3-33-1-У2 с обхватом для колонны. Сборочный чертеж 5.407-75.2.50 Конструкция с блоком типа РУС с обхватом для колонны 5.407-75.2.50СБ Конструкция с блоком типа РУС с обхватом для колонны. Сборочный чертеж 5.407-75.2.60СБ Конструкция с ящиком ЯВ3-31-1-У2 с обхватом для колонны сечение 500х800 мм. Сборочный чертеж 5.407-75.2.70СБ Конструкция с ящиком ЯВ3-32-1-У2, ЯВ3-33-1-У2 с обхватом для колонны сечением 500х800 мм. Сборочный чертеж 5.407-75.2.80СБ Конструкция с блоком типа РУС с обхватом для колонны сечением 500х800 мм. Сборочный чертеж 5.407-75.2.90СБ Конструкция с ящиком ЯВ3-31-1-У2 с обхватом для двухветвевых колонн. Сборочный чертеж 5.407-75.2.100 Конструкция с ящиком ЯВ3-32-1-У2, ЯВ3-33-1-У2 с обхватом для двухветвевых колонн 5.407-75.2.100СБ Конструкция с ящиком ЯВ3-32-1-У2, ЯВ3-33-1-У2 с обхватом для двухветвевых колонн 5.407-75.2.110 Конструкция с блоком типа РУС с обхватом для двухветвевых колонн 5.407-75.2.110СБ Конструкция с блоком типа РУС с обхватом для двухветвевых колонн 5.407-75.2.120СБ Конструкция с ящиком ЯВ3-31-1-У2 для установки на металлической колонне постоянного сечения. Сборочный чертеж 5.407-75.2.130 Конструкция с ящиком ЯВ3-32-1-У2, ЯВ3-33-1-У2 для установки на металлической колонне постоянного сечения 5.407-75.2.130СБ Конструкция с ящиком ЯВ3-32-1-У2, ЯВ3-33-1-У2 для установки на металлической колонне постоянного сечения. Сборочный чертеж 5.407-75.2.140 Конструкция с блоком типа РУС для установки на металлической колонне постоянного сечения 5.407-75.2.140СБ Конструкция с блоком типа РУС для установки на металлической колонне постоянного сечения. Сборочный чертеж 5.407-75.2.150СБ Конструкция с ящиком ЯВ3-31-1-У2 для установки на металлической ступенчатой колонне. Сборочный чертеж 5.407-75.2.160СБ Конструкция с ящиком ЯВ-32-1-У2, ЯВ3-33-1-У2 для установки на металлической ступенчатой колонне. Сборочный чертеж 5.407-75.2.170СБ Конструкция с блоком типа РУС для установки на металлической ступенчатой колонне. Сборочный чертеж 5.407-75.2.180СБ Конструкция с тремя ящиками ЯВ3-31-1-У2 для установки на металлической ступенчатой колонне. Сборочный чертеж 5.407-75.2.190 Конструкция 5.407-75.2.200СБ Конструкция с тремя ящиками ЯВ3-32-1-У2, ЯВ3-33-1-У2 и двумя ящиками ЯВ3-33-1-У2 и одним ЯВ3-32-1-У2 для установки на металлической ступенчатой колонне. Сборочный чертеж 5.407-75.2.210 СБ Конструкция с ящиком ЯВ3-31-1-У2 на стойках. Сборочный чертеж 5.407-75.2.220СБ Конструкция с ящиком ЯВ3-32-1-У2, ЯВ3-33-1-У2 на стойках. Сборочный чертеж 5.407-75.2.230СБ Конструкция с ящиком ЯВ3-31-1-У2 с коробом на стойках. Сборочный чертеж 5.407-75.2.240СБ Конструкция с ящиком ЯВ3-32-У2, ЯВ3-33-1-У2 с коробом на стойках. Сборочный чертеж 5.407-75.2.250СБ Конструкция с тремя ящиками ЯВ3-31-1-У2 на стойках. Сборочный чертеж 5.407-75.2.260СБ Конструкция с тремя ящиками ЯВ3-32-1-У2, ЯВ3-33-1-У2 и двумя ящиками ЯВ3-33-1-У2 и одним ЯВ3-32-1-У2 на стойках. Сборочный чертеж 5.407-75.2.270СБ Конструкция с тремя ящиками ЯВ3-31-1-У2 на стойках с коробом. Сборочный чертеж 5.407-75.2.280СБ Конструкция с тремя ящиками ЯВ3-32-1-У2, ЯВ3-33-1-У2 и двумя ящиками ЯВ3-33-1-У2 и одним ЯВ3-32-1-У2 на стойках с коробом. Сборочный чертеж 5.407-75.2.290СБ Короб. Вариант 1. Сборочный чертеж 5.407-75.2.300СБ Короб. Вариант 2. Сборочный чертеж 5.407-75.2.310СБ Короб. Вариант 3. Сборочный чертеж 5.407-75.2.320СБ Короб. Вариант 4. Сборочный чертеж |
| Разработан: | ВНИПИ Тяжпромэлектропроект им. Ф.Б. Якубовского |
| Утверждён: | 01.12.1986 Минмонтажспецстрой СССР (USSR Minmontazhspetsstroy ) |
| Издан: | ГУП ЦПП (CPP GUP 2001 г. ) |








































