Скачать Серия 5.407-124 Выпуск 1. Материалы для проектирования и рабочие чертежиДата актуализации: 01.01.2021
|
| Обозначение: | Серия 5.407-124 |
| Обозначение англ: | Series 5.407-124 |
| Статус: | не определен законодательством |
| Название рус.: | Выпуск 1. Материалы для проектирования и рабочие чертежи |
| Дата добавления в базу: | 01.09.2013 |
| Дата актуализации: | 01.01.2021 |
| Дата введения: | 01.01.1991 |
| Дата окончания срока действия: | 30.06.2003 |
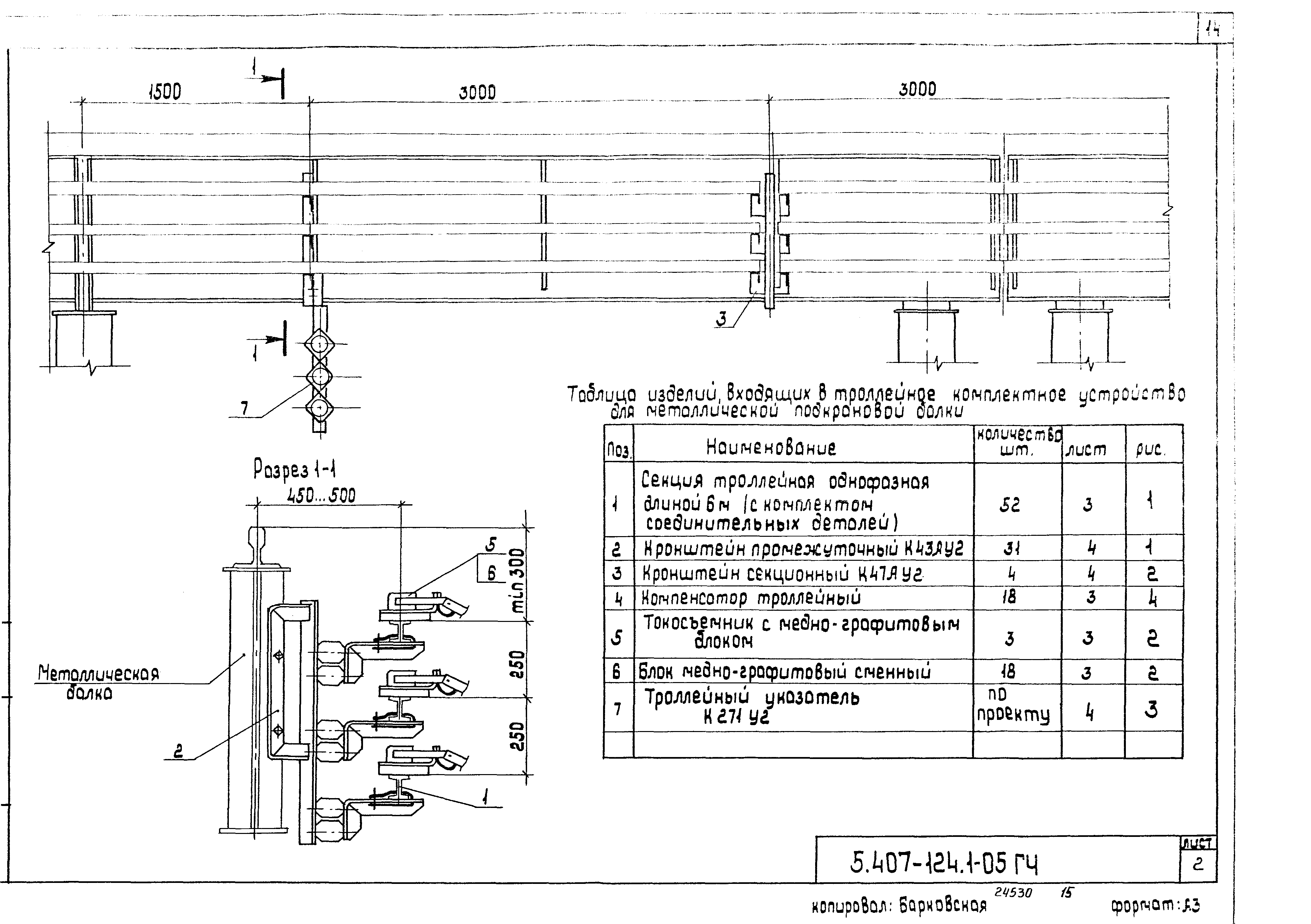
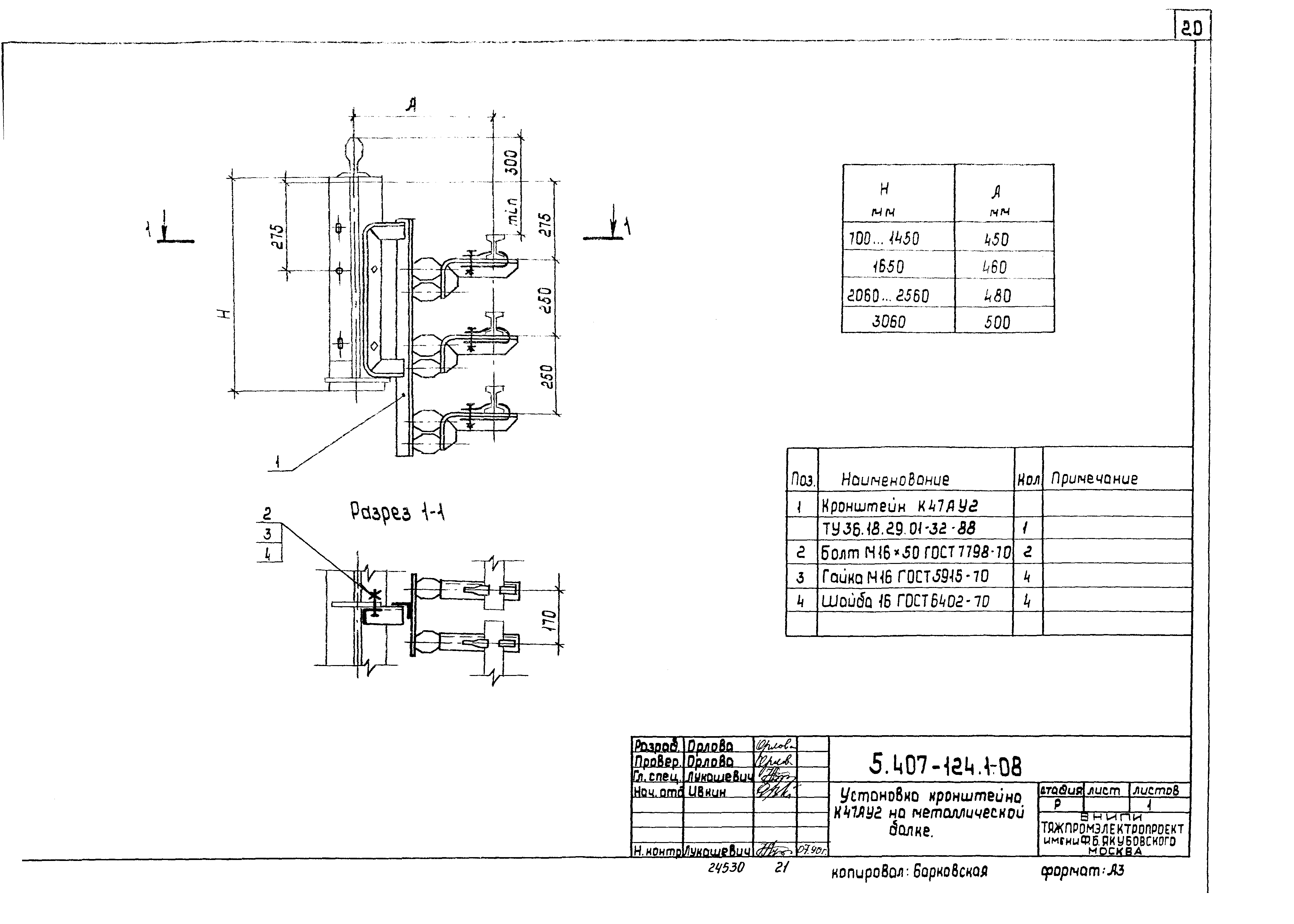
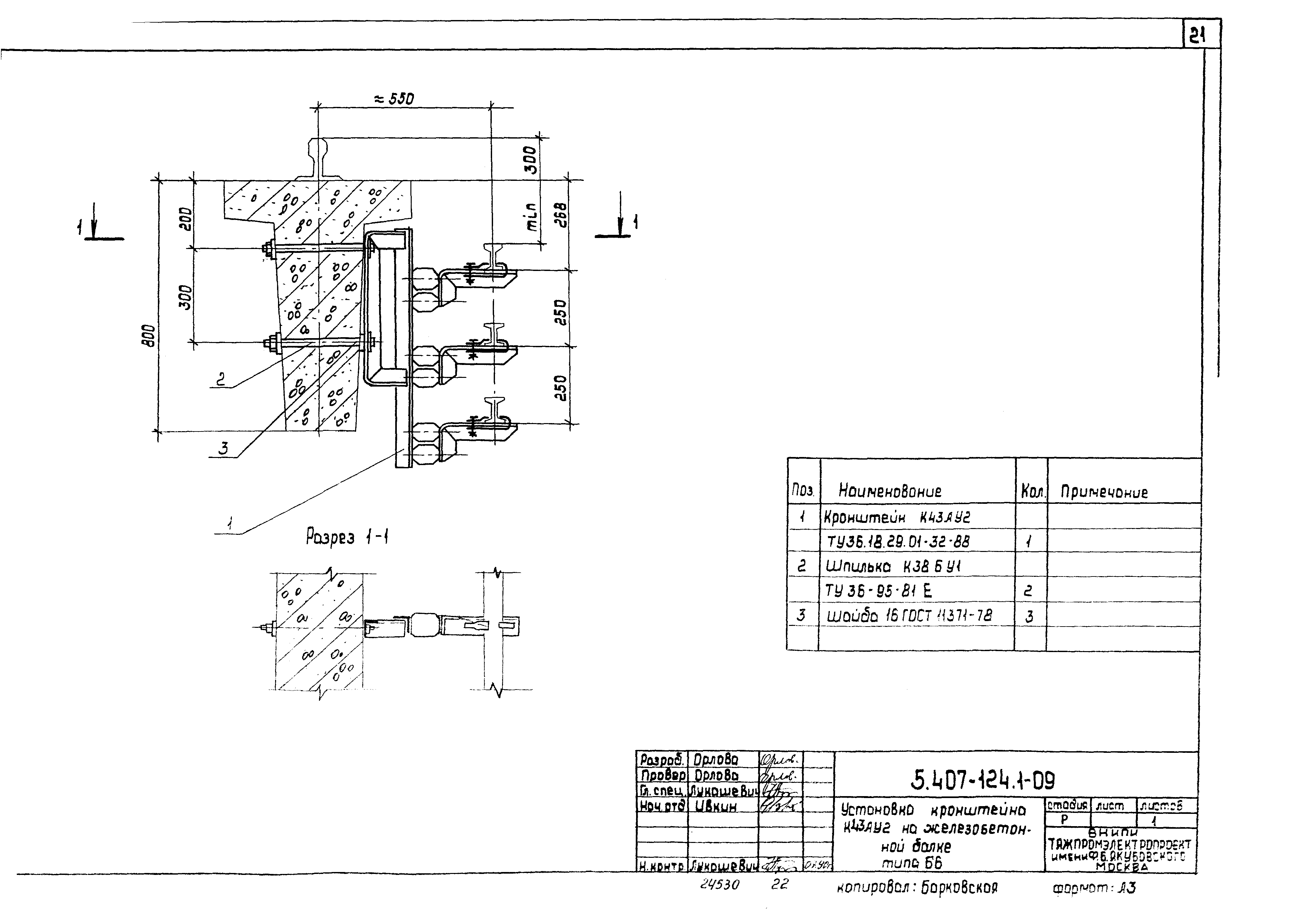
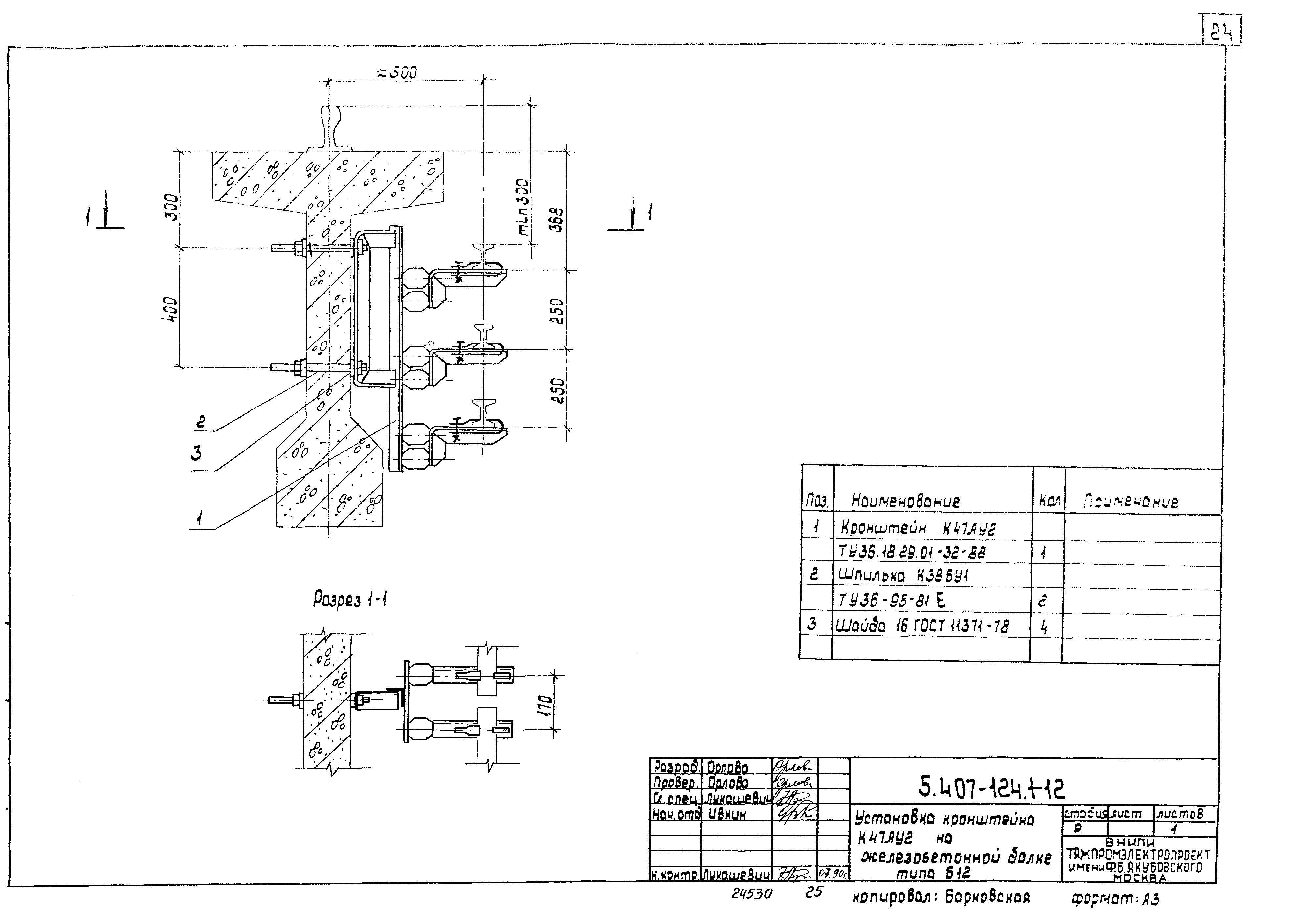
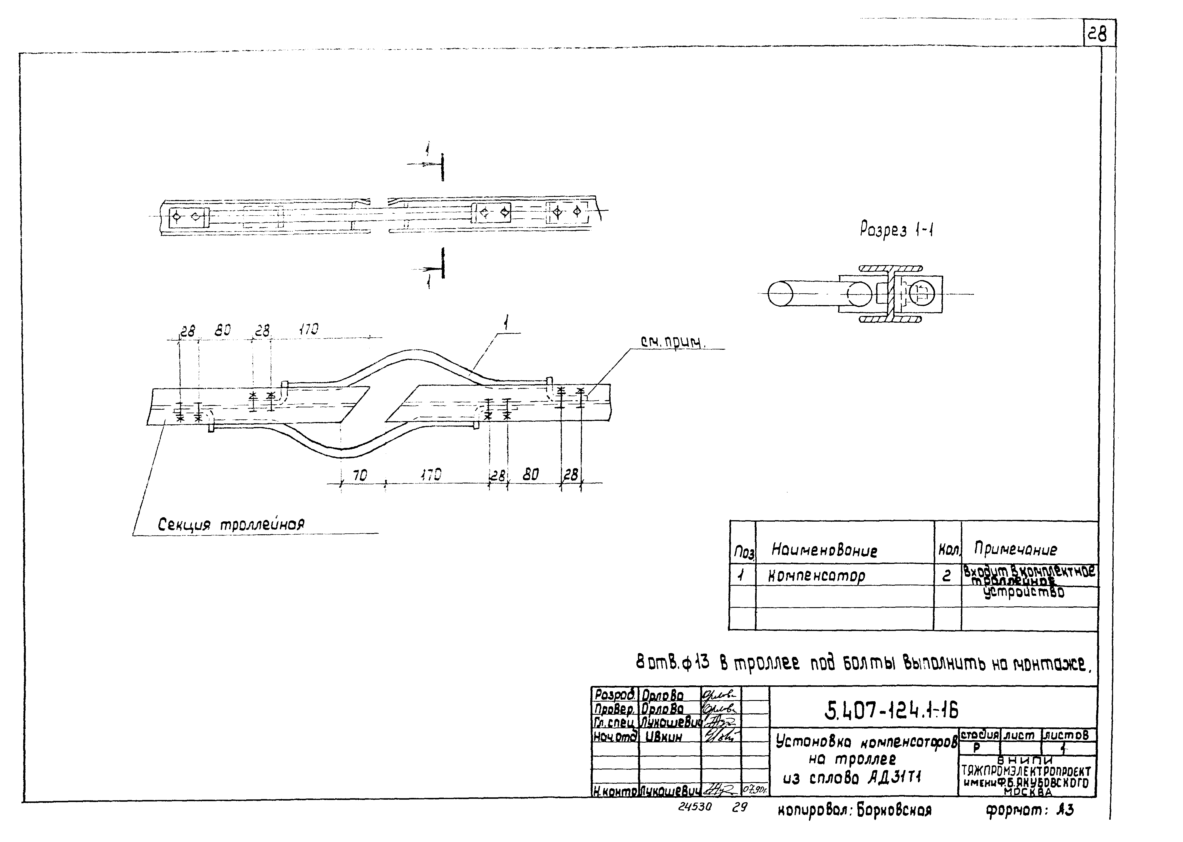
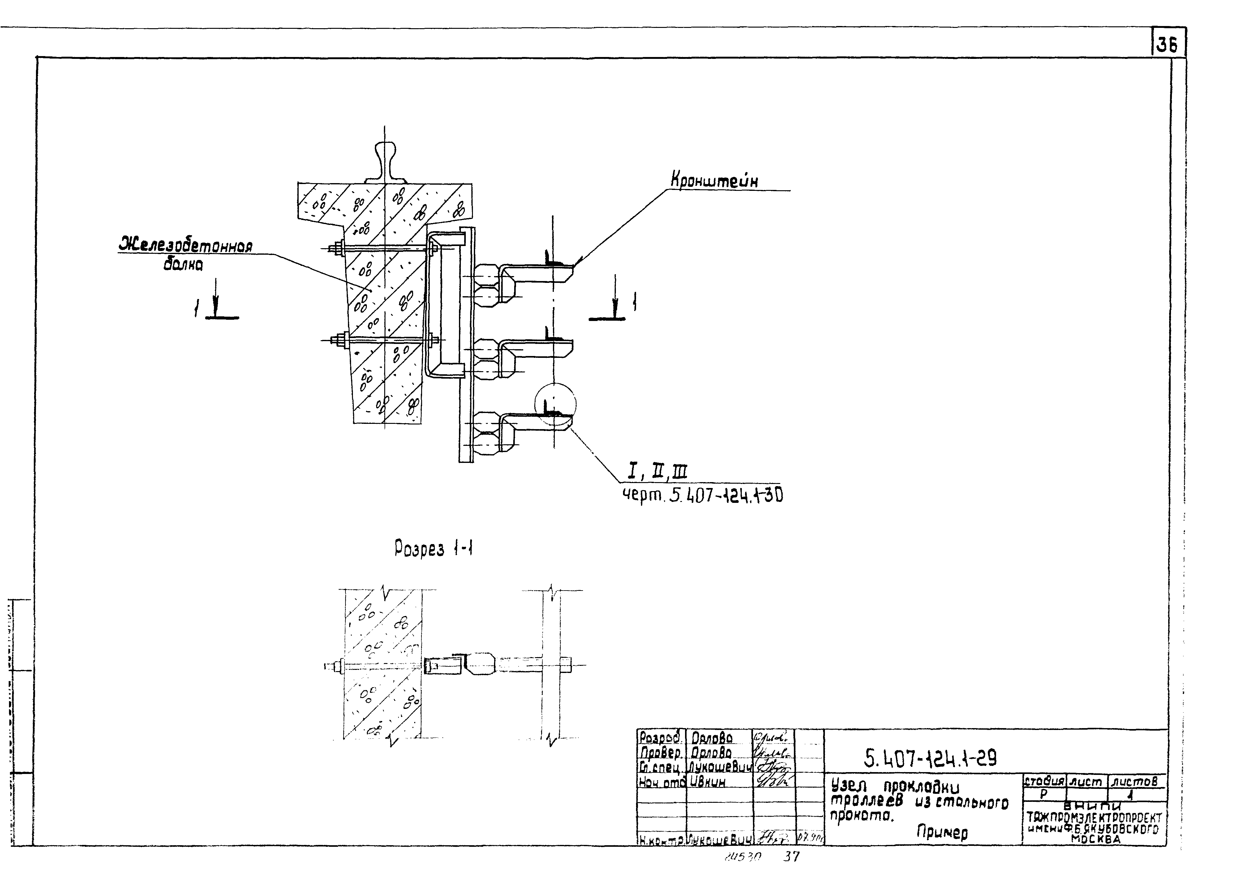
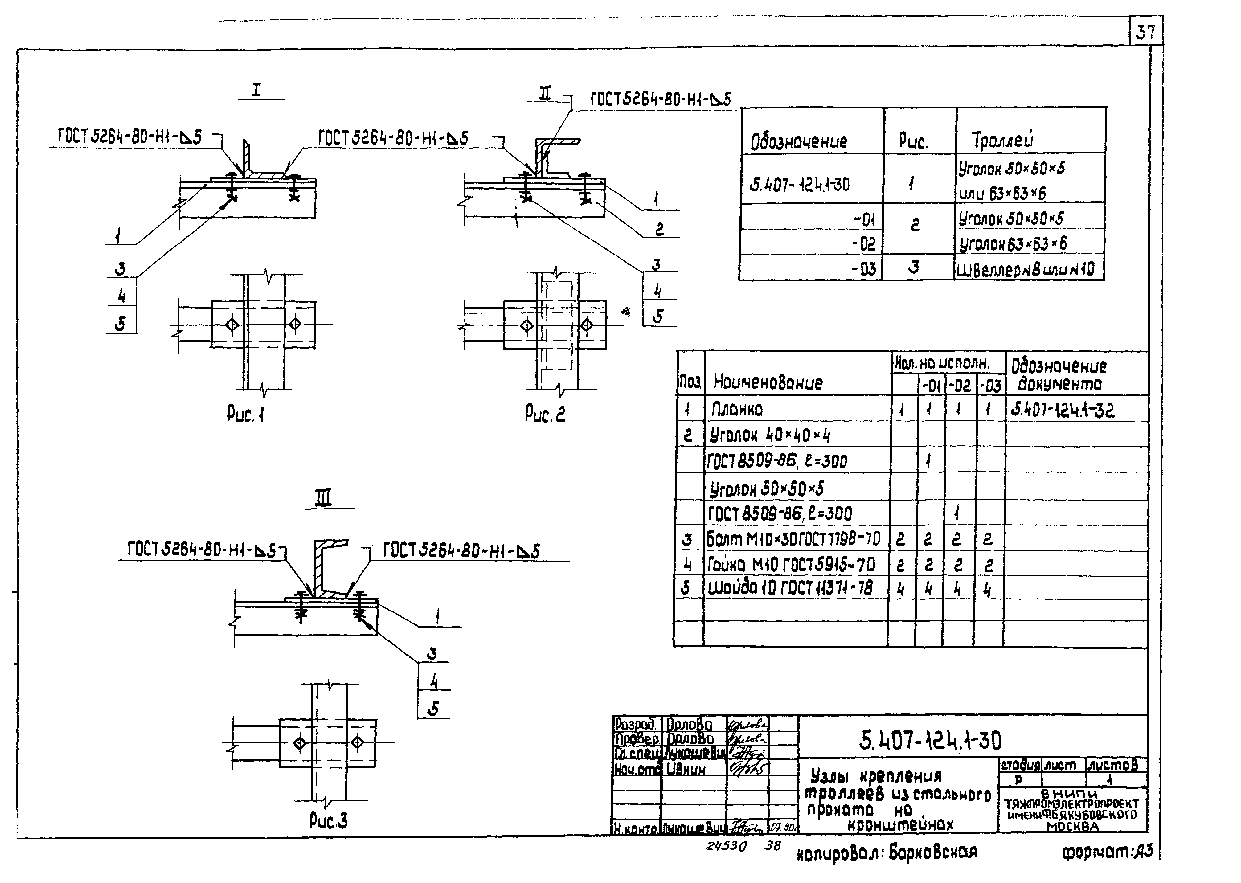
| Оглавление: | 5.407-124.1-01 ПЗ Пояснительная записка 5.407-124.1-02 ТБ Таблицы выбора чертежей 5.407-124.1-03ГЧ Габариты стальных подкрановых балок 5.407-124.1-04ГЧ Габариты железобетонных подкрановых балок 5.407-124.1-05 ГЧ Троллейное комплектное устройство. Габаритный чертеж 5.407-124.1-06 Д Прокладка главных троллеев для кранов. План. (Пример) 5.407-124.1-07 Установка кронштейна К43АУ2 на металлической балке 5.407-124.1-08 Установка кронштейна К47АУ2 на металлической балке 5.407-124.1-09 Установка кронштейна К43АУ2 на железобетонной балке типа Б6 5.407-124.1-10 Установка кронштейна К47АУ2 на железобетонной балке типа Б6 5.407-124.1-11 Установка кронштейна К43АУ2 на железобетонной балке типа Б12 5.407-124.1-12 Установка кронштейна К47АУ2 на железобетонной балке типа Б12 5.407-124.1-13 Установка кронштейна К43АУ2 с троллейным указателем на металлической балке 5.407-124.1-14 Установка кронштейна К43АУ2 с троллейным указателем на железобетонной балке Б6 5.407-124.1-15 Установка кронштейна К43АУ2 с троллейным указателем на железобетонной балке Б12 5.407-124.1-16 Установка компенсаторов на троллее из сплава АД31Т1 5.407-124.1-17 Установка компенсатора на троллее из угловой стали 50х50х5 5.407-124.1-18 Установка компенсатора на троллее из угловой стали 63х63х6 5.407-124.1-19 Установка компенсатора на троллее из стального швеллера 5.407-124.1-20 Подвод питания к троллею из сплава АД31Т1 5.407-124.1-21 Подвод питания к троллею из стального швеллера 5.407-124.1-22 Подвод питания к троллею из угловой стали. Вариант 1 5.407-124.1-23 Подвод питания к троллею из угловой стали. Вариант 2 5.407-124.1-24 Стыковка троллеев из угловой стали 50х50х5 5.407-124.1-25 Стыковка троллеев из угловой стали 63х63х6 5.407-124.1-26 Стыковка троллеев из швеллера № 8 5.407-124.1-27 Стыковка троллеев из швеллера № 10 5.407-124.1-28 Установка кронштейна с компенсатором. Пример 5.407-124.1-29 Узел прокладки троллеев из стального проката. Пример 5.407-124.1-30 Узды крепления троллеев из стального проката на кронштейнах 5.407-124.1-31 Кронштейн с троллейным указателем 5.407-124.1-32 Планка 5.407-124.1-33 Планка |
| Разработан: | ВНИПИ Тяжпромэлектропроект им. Ф.Б. Якубовского |
| Утверждён: | 22.03.1990 НПО Электромонтаж ММСС СССР |
| Издан: | ГУП ЦПП (CPP GUP 1997 г. ) |







































