Скачать Серия 5.407-123 Выпуск 1. Материалы для проектирования и рабочие чертежиДата актуализации: 01.01.2021
|
| Обозначение: | Серия 5.407-123 |
| Обозначение англ: | Series 5.407-123 |
| Статус: | не определен законодательством |
| Название рус.: | Выпуск 1. Материалы для проектирования и рабочие чертежи |
| Дата добавления в базу: | 01.09.2013 |
| Дата актуализации: | 01.01.2021 |
| Дата введения: | 01.01.1991 |
| Дата окончания срока действия: | 30.06.2003 |
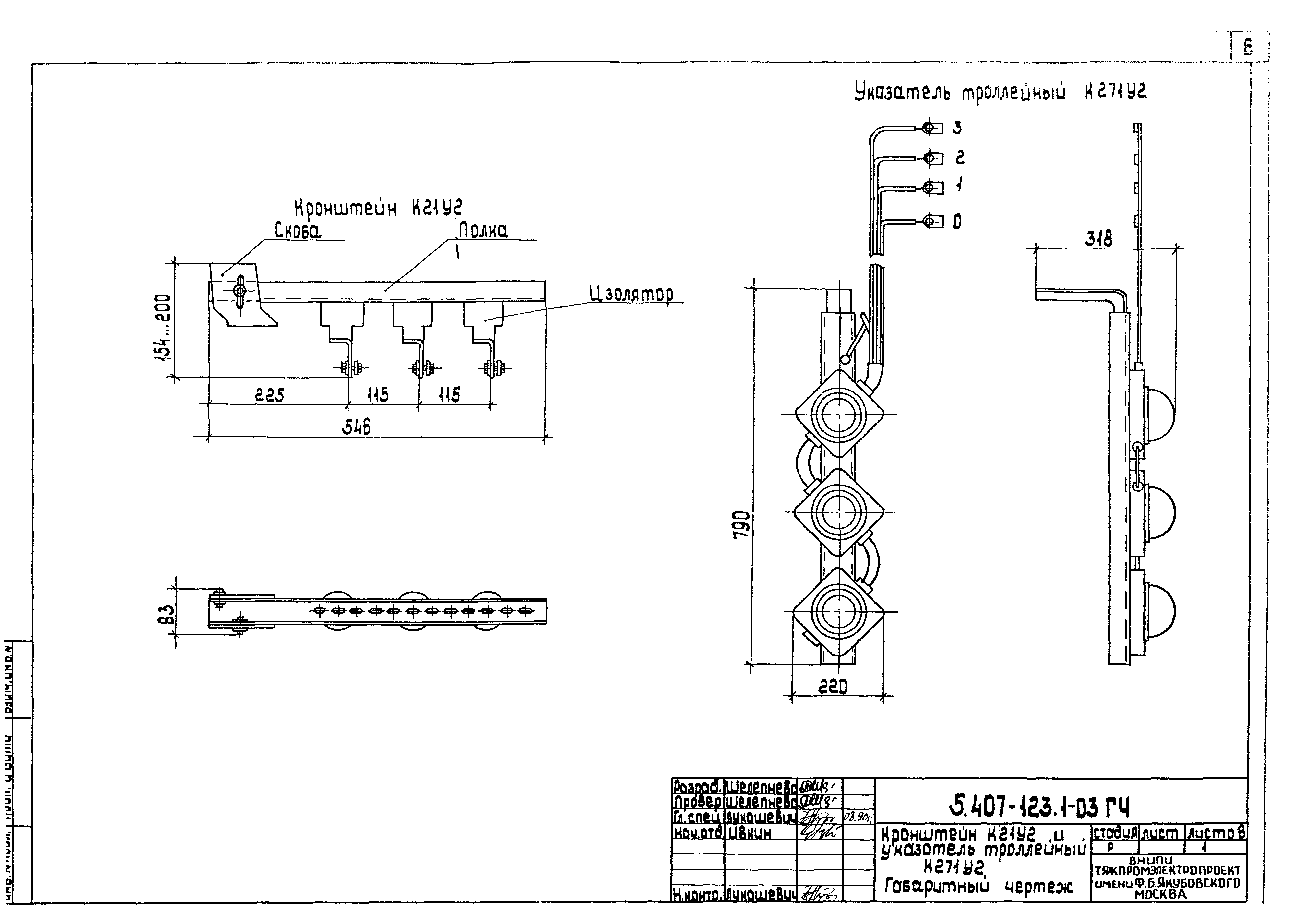
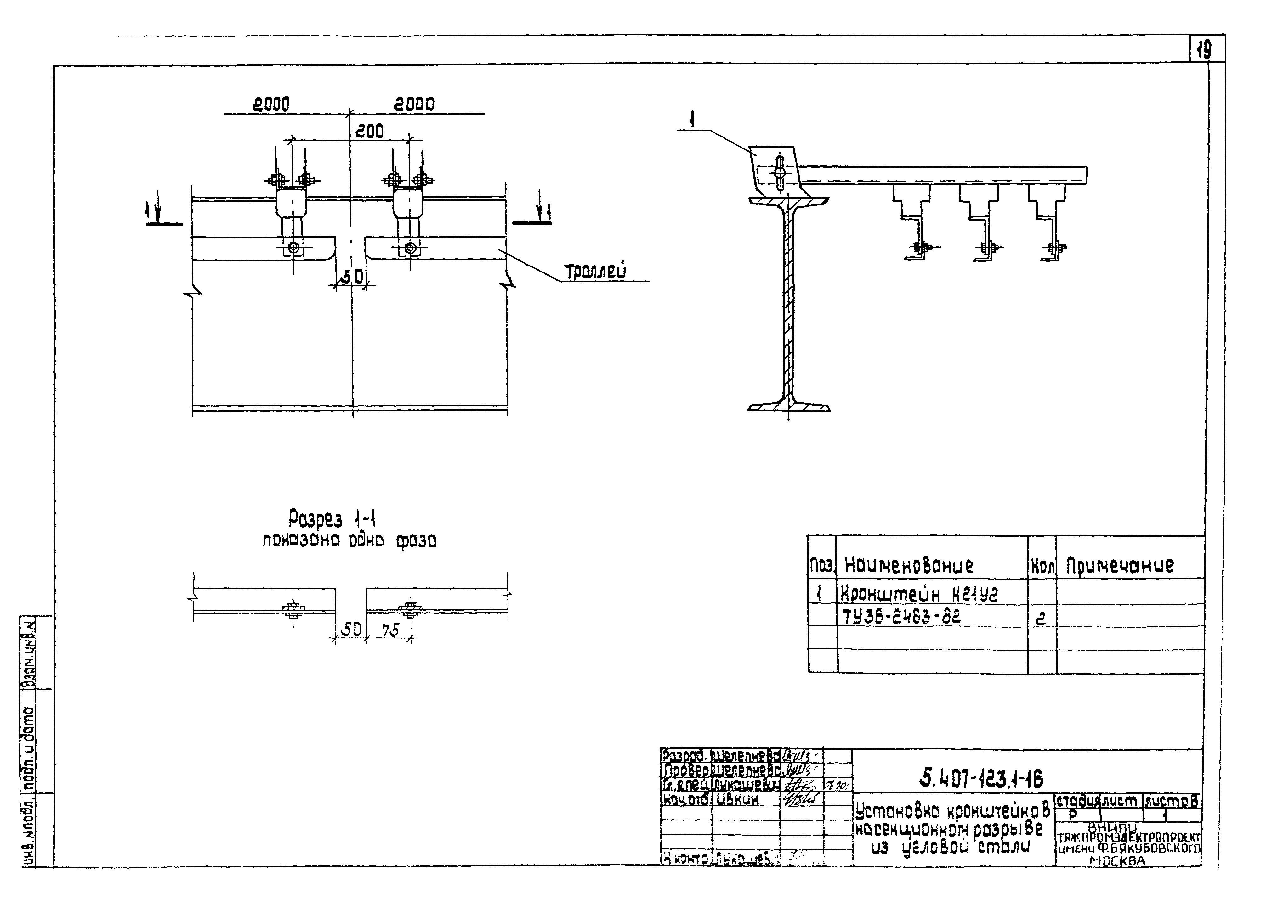
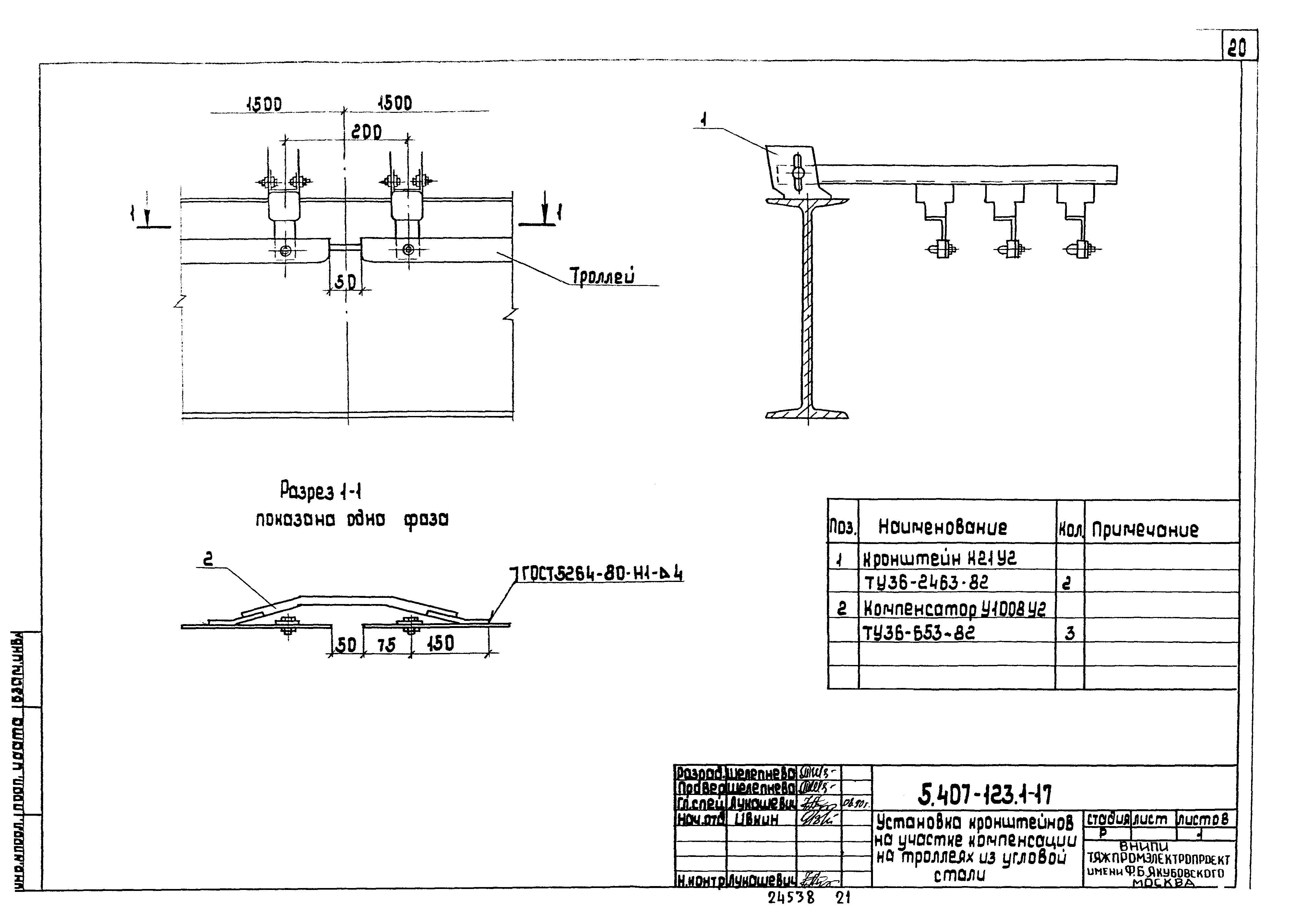
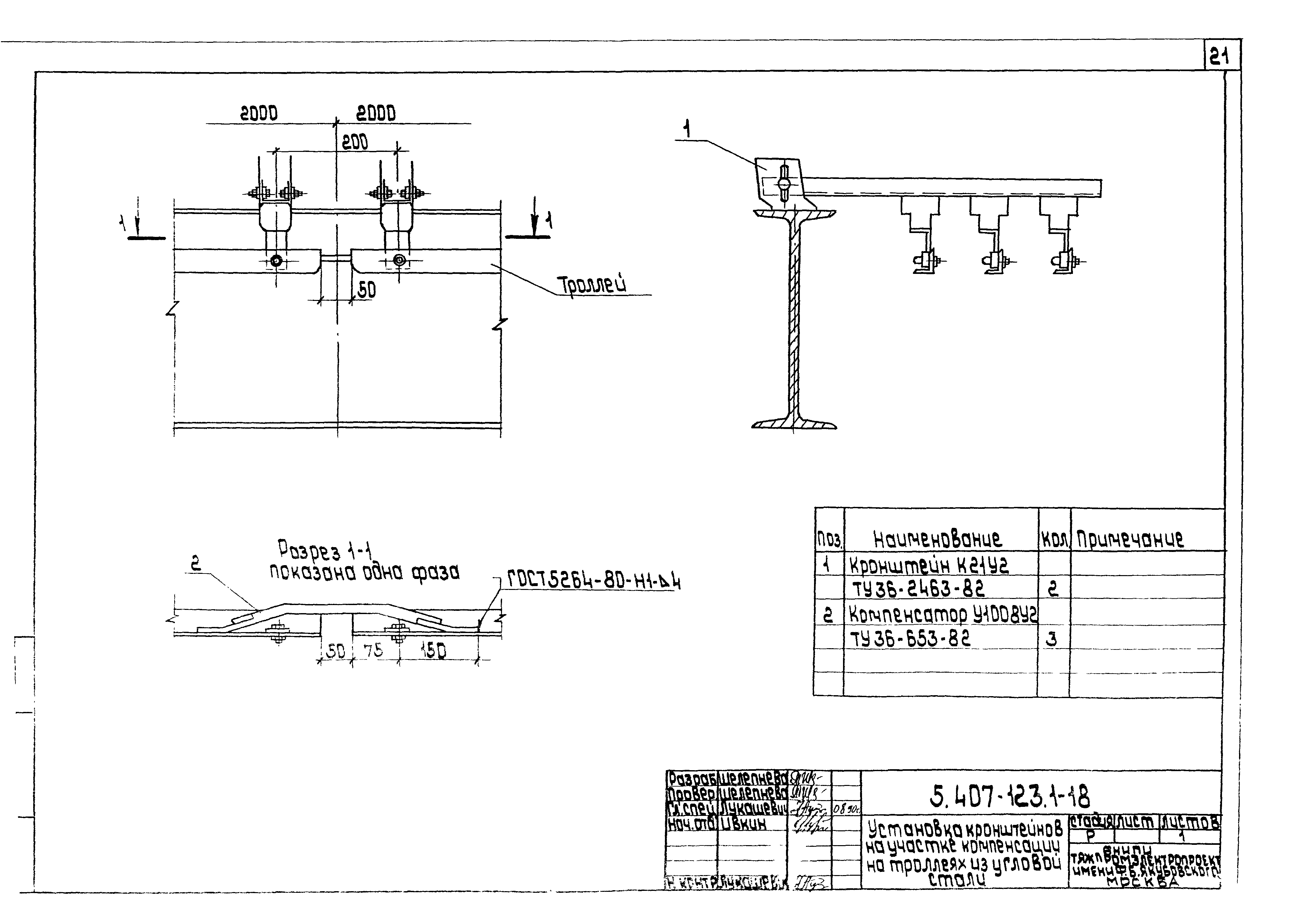
| Оглавление: | 5.407-123.1-01.ПЗ Пояснительная записка 5.407-123.1-02ТБ Таблица выбора чертежей установки кронштейнов 5.407-123.1-03ГЧ Кронштейн К21У2 и указатель троллейный К271У2. Габаритный чертеж 5.407-123.1-04Д План прокладки троллеев для талей. Пример 5.407-123.1-05Д План прокладки троллеев для кранов. Пример 5.407-123.1-06Д Прокладка троллеев для электрической тали. Пример 5.407-123.1-07Д Прокладка троллеев для электрического крана. Пример 5.407-123.1-08 Установка кронштейна на двутавровой балке высотой 300 мм 5.407-123.1-09 Установка кронштейна на двутавровой балке высотой 360 (400) мм 5.407-123.1-10 Установка кронштейна на двутавровой балке высотой 450 мм 5.407-123.1-11 Установка кронштейна на двутавровой балке высотой 400 мм 5.407-123.1-12 Установка кронштейна на двутавровой балке высотой 450 мм 5.407-123.1-13 Установка кронштейна на двутавровой балке высотой 500 мм 5.407-123.1-14 Установка кронштейна на двутавровой балке высотой 550 мм 5.407-123.1-15 Установка кронштейнов на секционном разрыве из полосовой стали 5.407-123.1-16 Установка кронштейнов на секционном разрыве из угловой стали 5.407-123.1-17 Установка кронштейнов на участке компенсации на троллеях из полосовой стали 5.407-123.1-18 Установка кронштейнов на участке компенсации на троллеях из угловой стали 5.407-123.1-19 Установка троллейного указателя на стене 5.407-123.1-20 Установка троллейного указателя на двутавровой балке 5.407-123.1-21 Конструкция 5.407-123.1-22 Троллей из полосовой стали 5.407-123.1-23 Троллей из угловой стали 5.407-123.1-24 Стык троллеев 5.407-123.1-25 Узел присоединения кабеля или провода к троллею |
| Разработан: | ВНИПИ Тяжпромэлектропроект им. Ф.Б. Якубовского |
| Утверждён: | 22.03.1990 НПО Электромонтаж ММСС СССР |




























