Скачать Серия 5.407-137 Выпуск 1. Материалы для проектирования и рабочие чертежиДата актуализации: 01.01.2021
|
| Обозначение: | Серия 5.407-137 |
| Обозначение англ: | Series 5.407-137 |
| Статус: | не определен законодательством |
| Название рус.: | Выпуск 1. Материалы для проектирования и рабочие чертежи |
| Дата добавления в базу: | 01.09.2013 |
| Дата актуализации: | 01.01.2021 |
| Дата введения: | 01.06.1991 |
| Дата окончания срока действия: | 30.06.2003 |
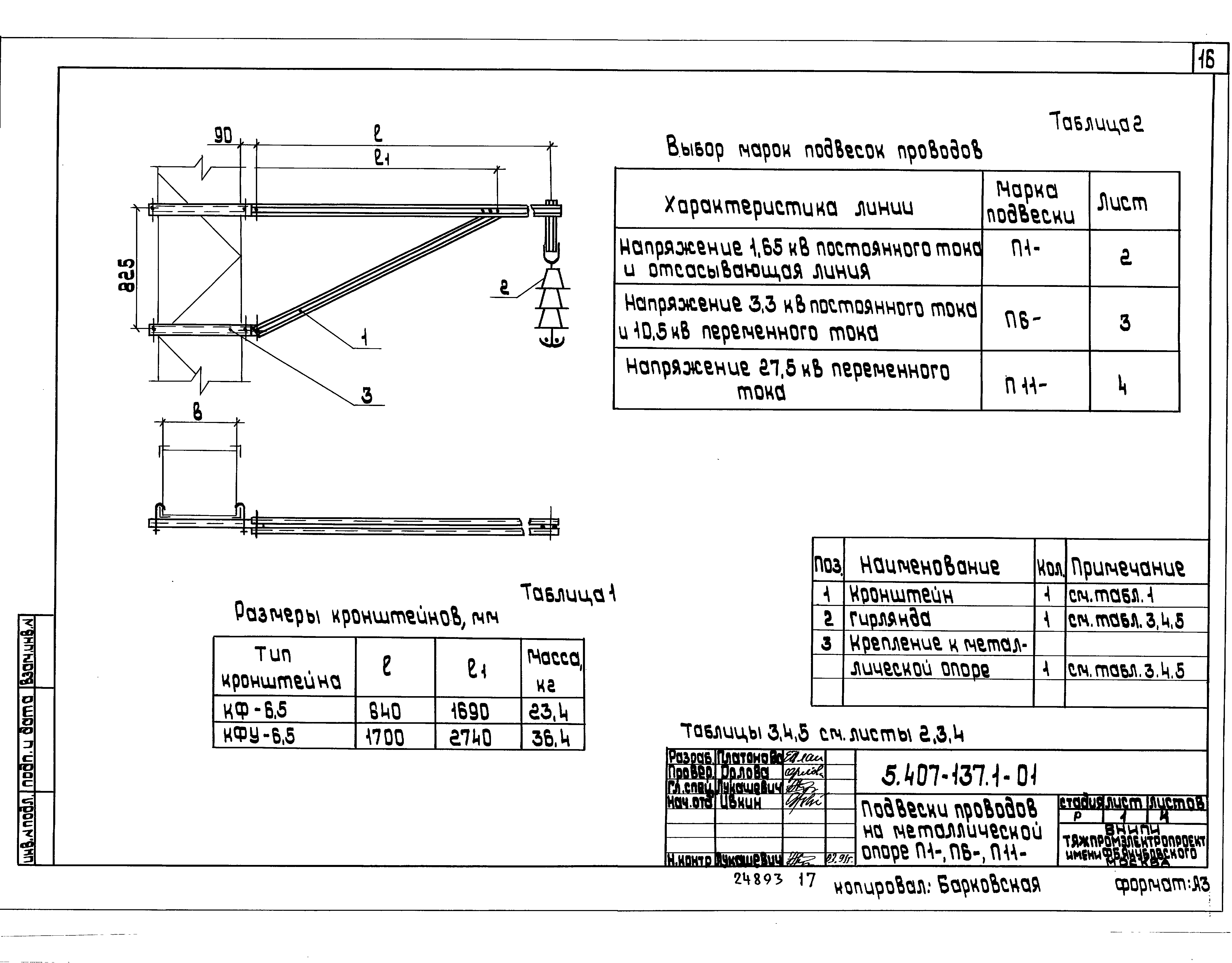
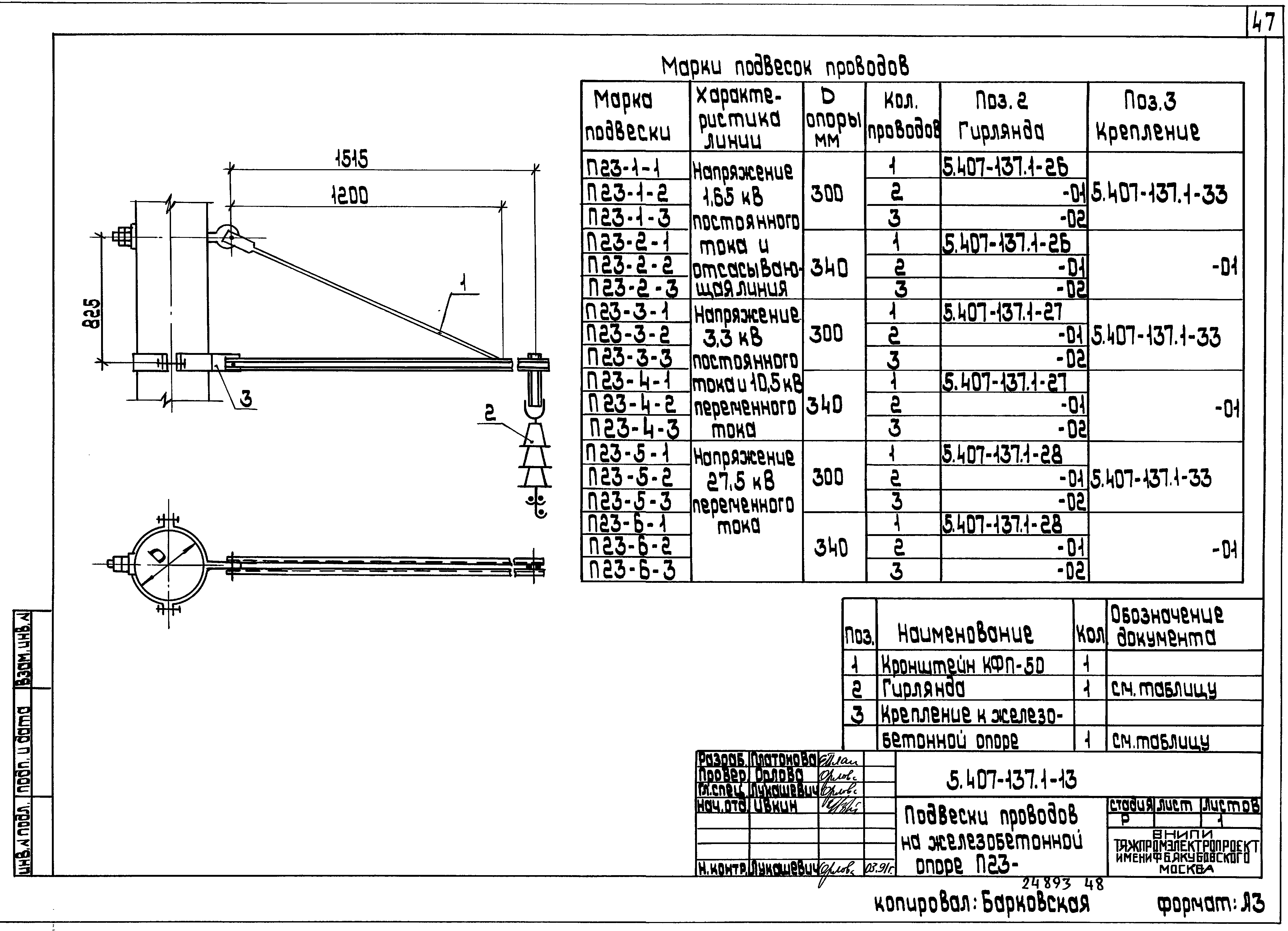
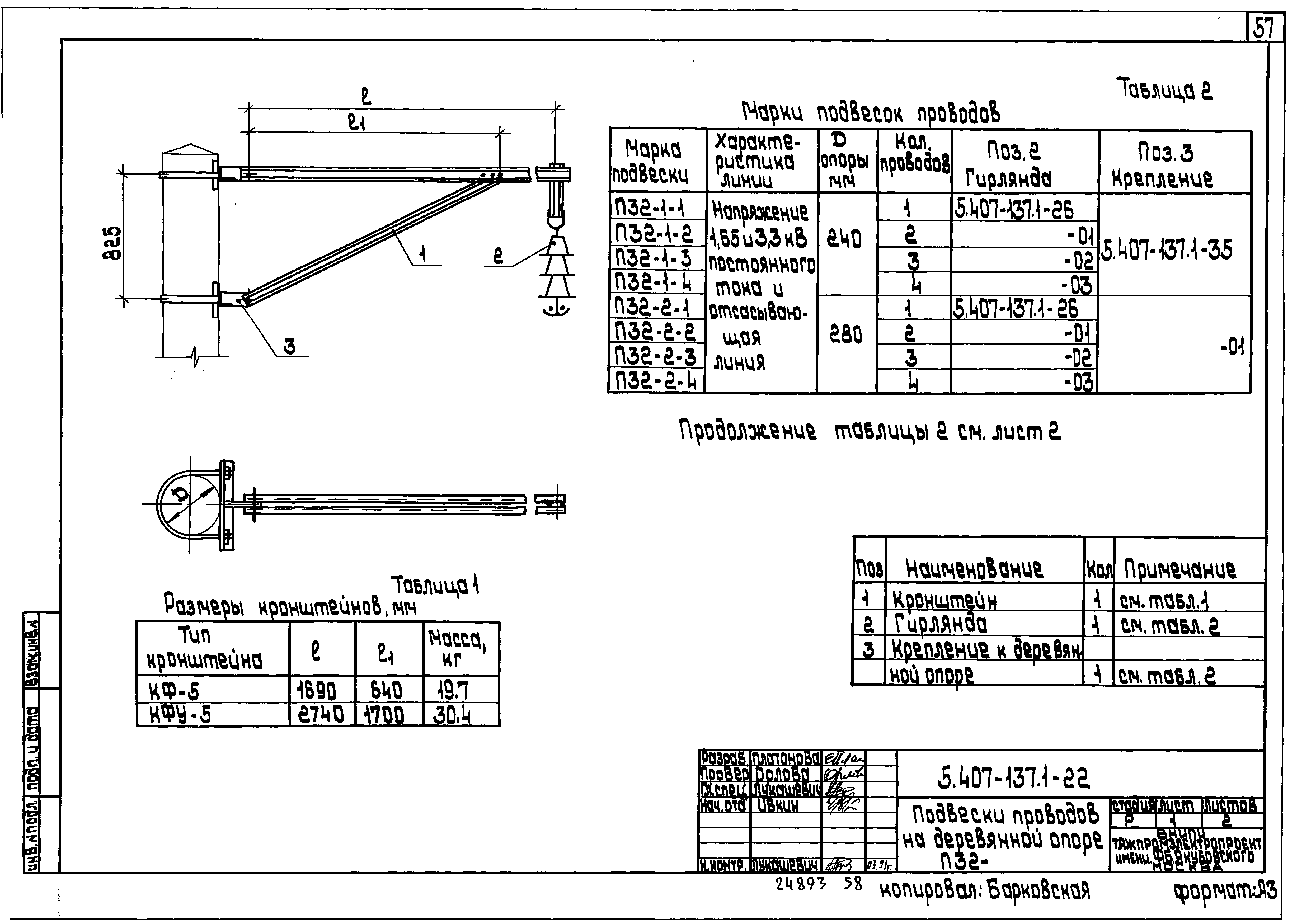
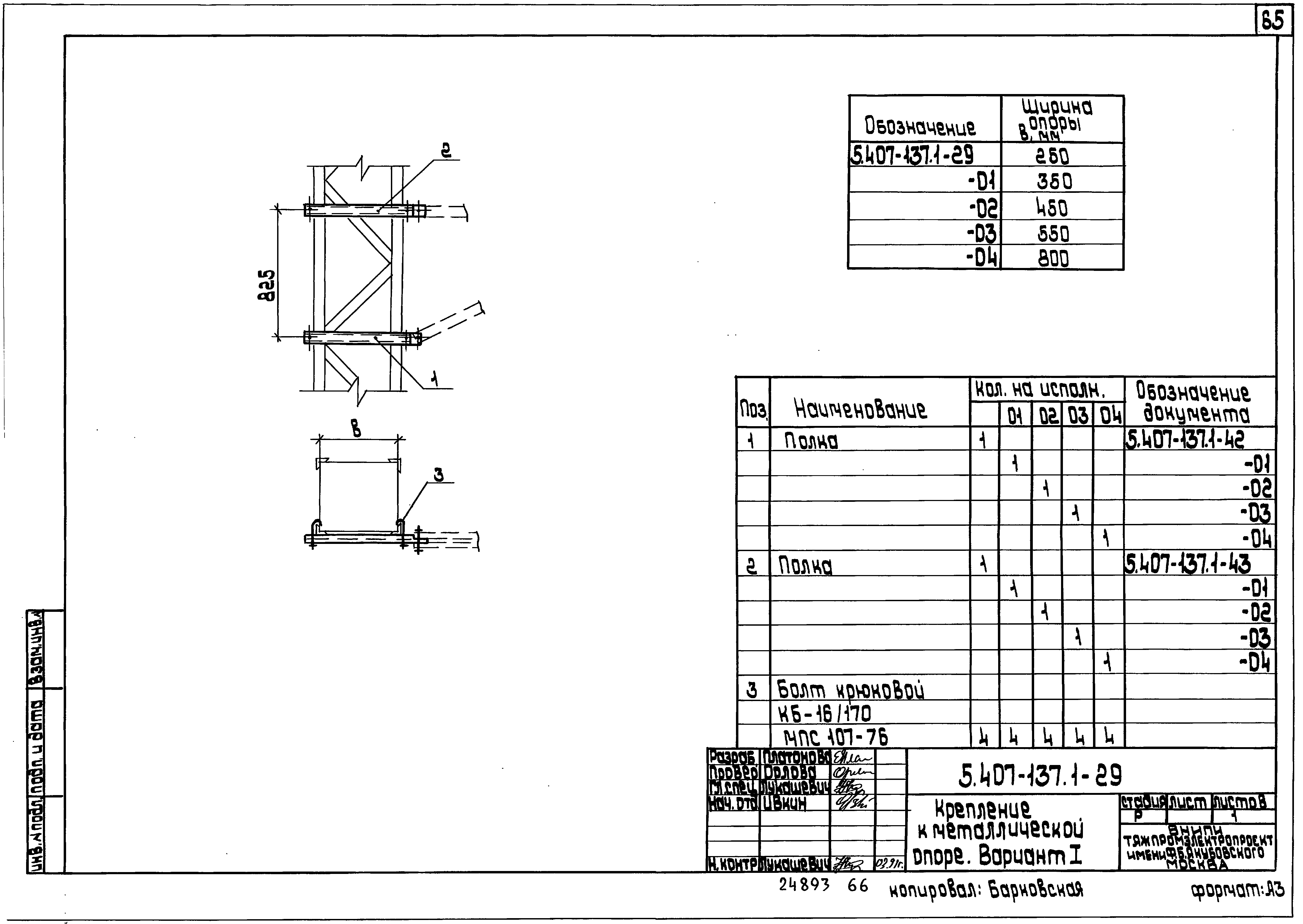
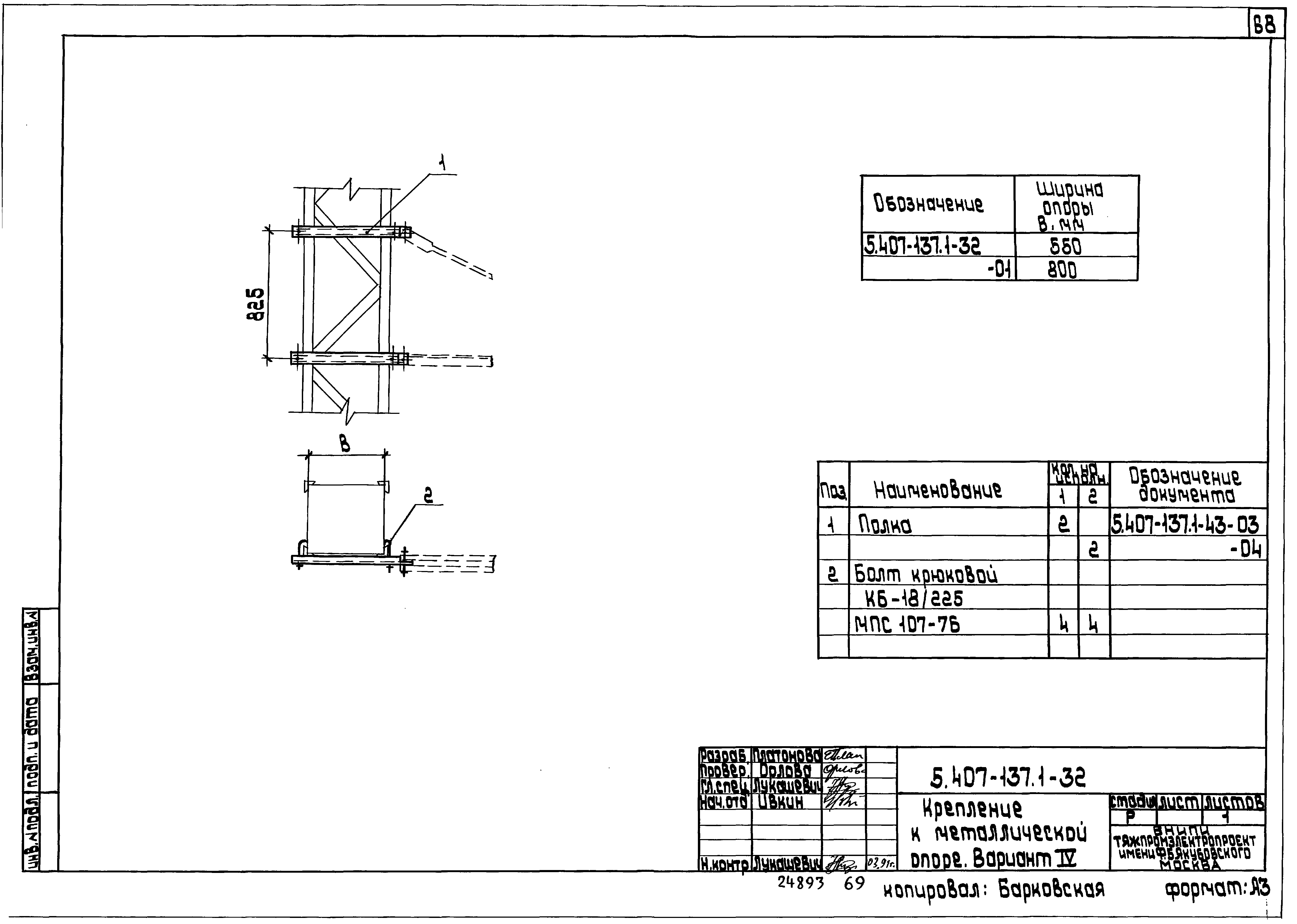
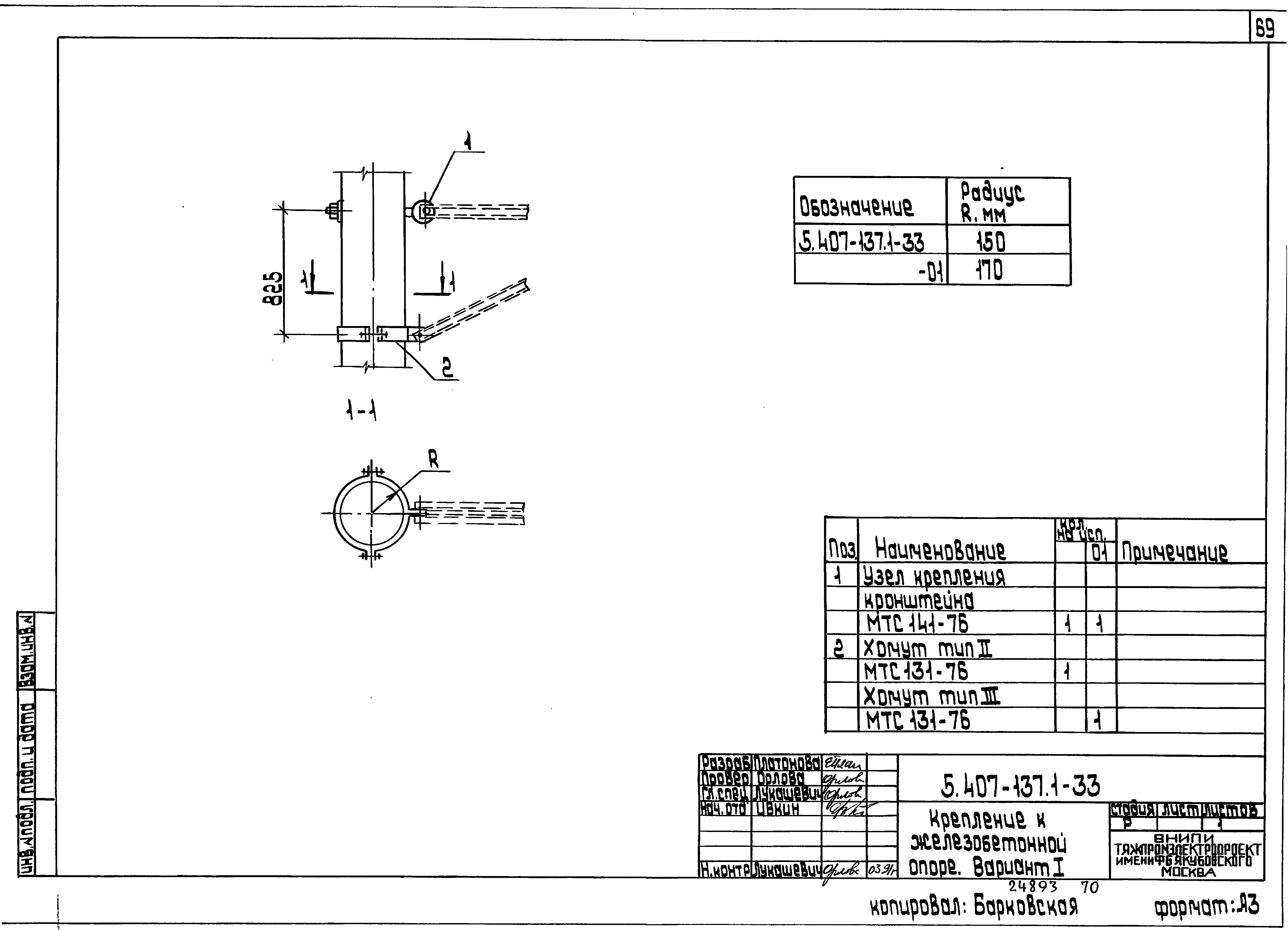
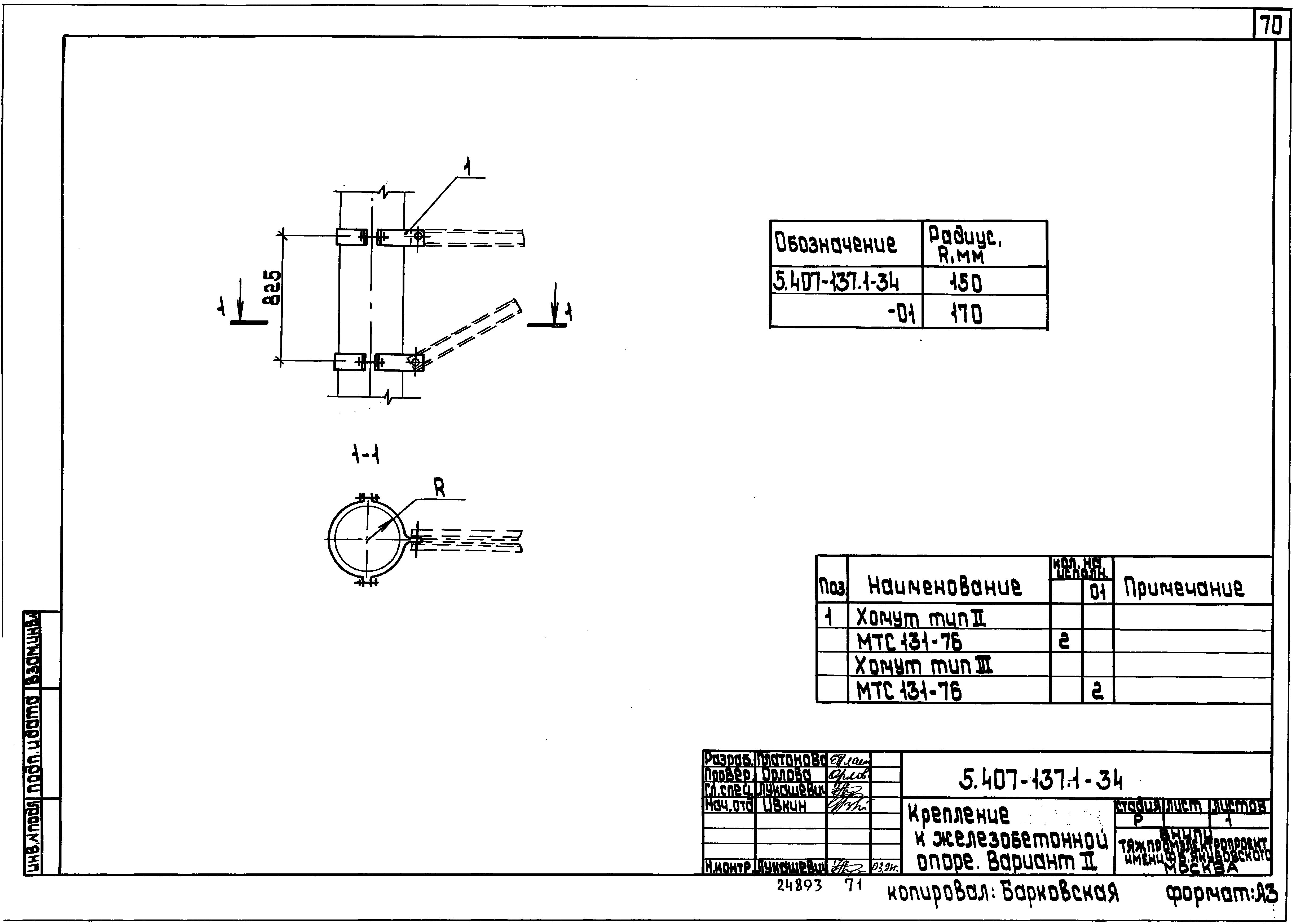
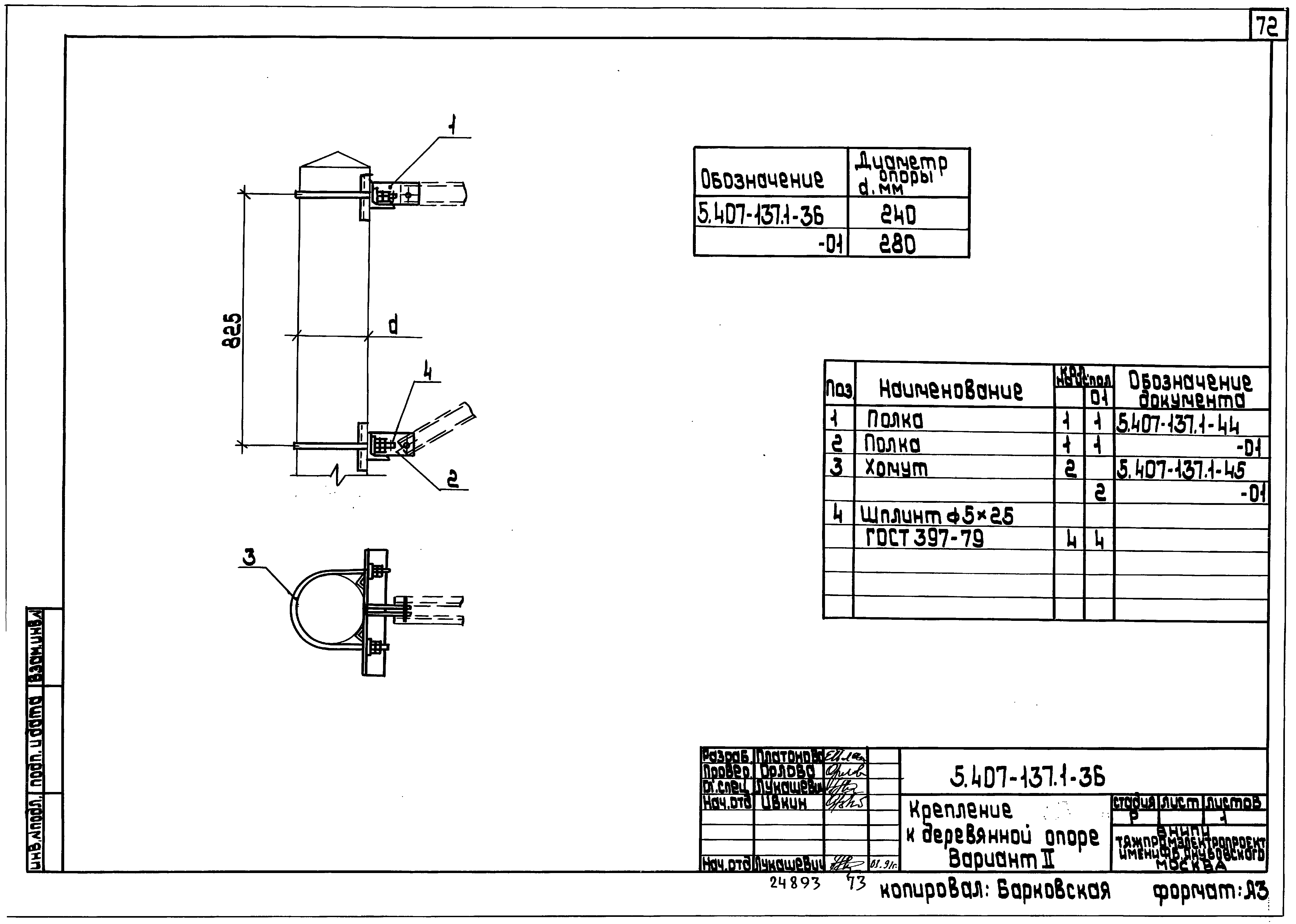
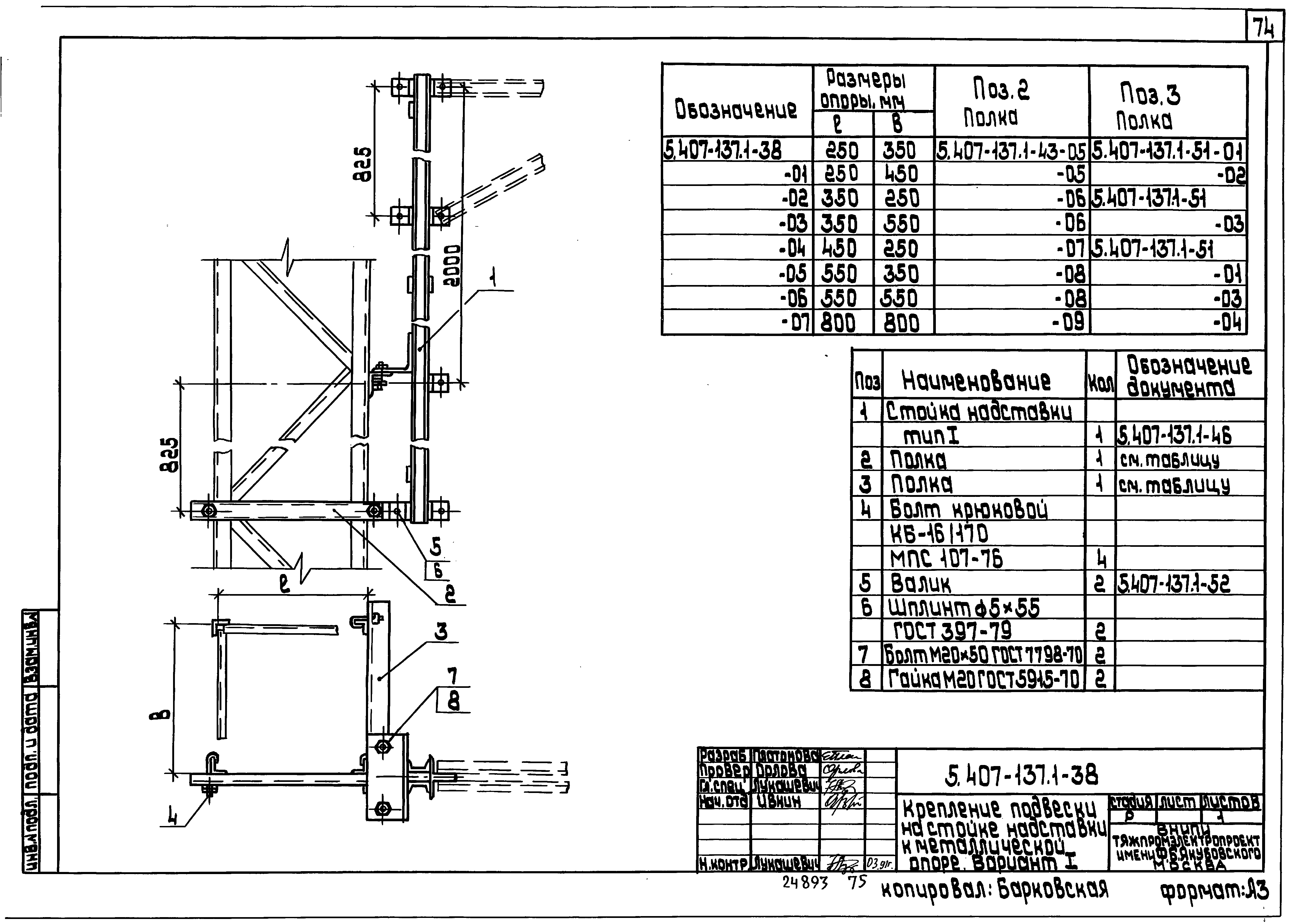
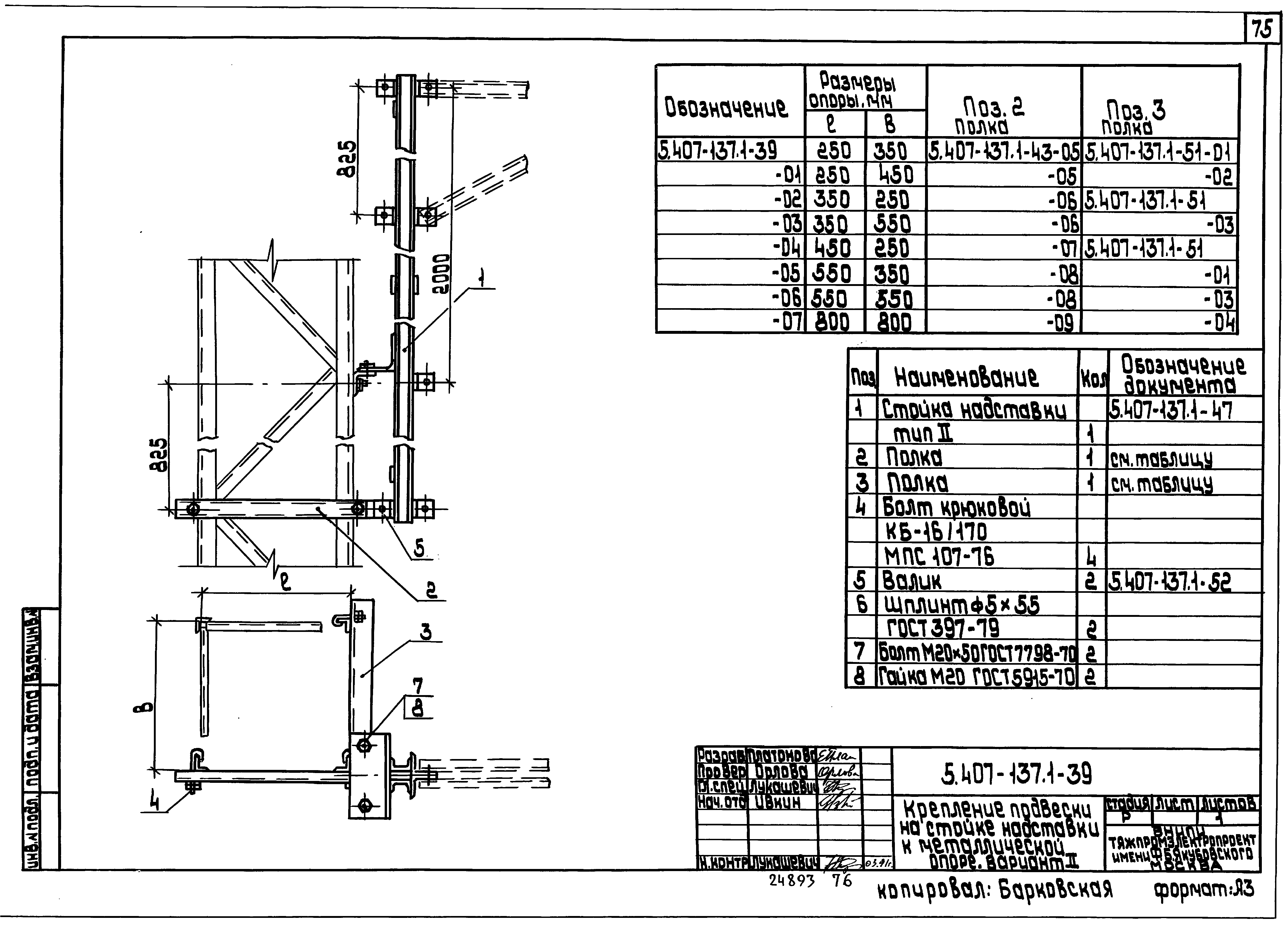
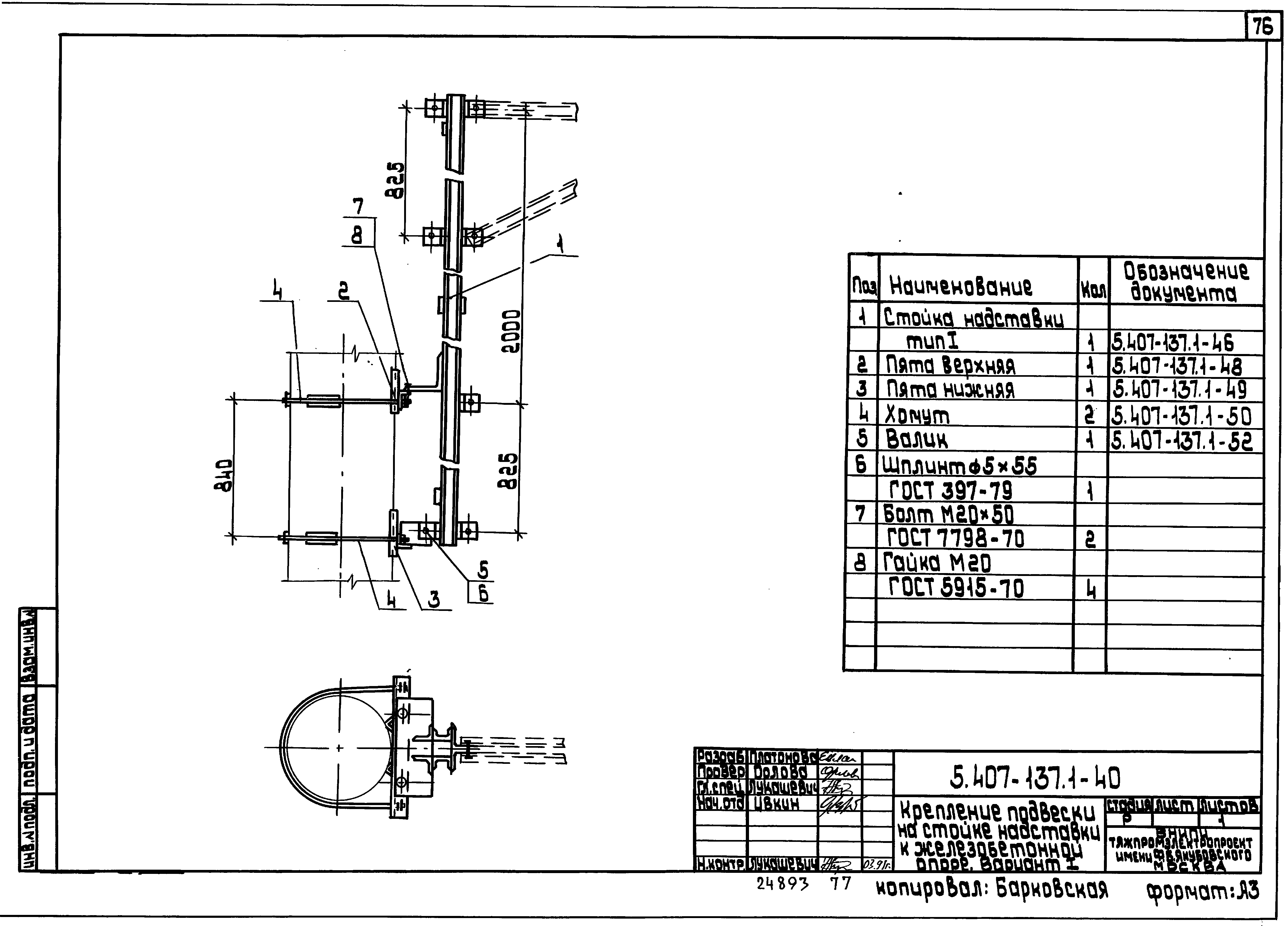
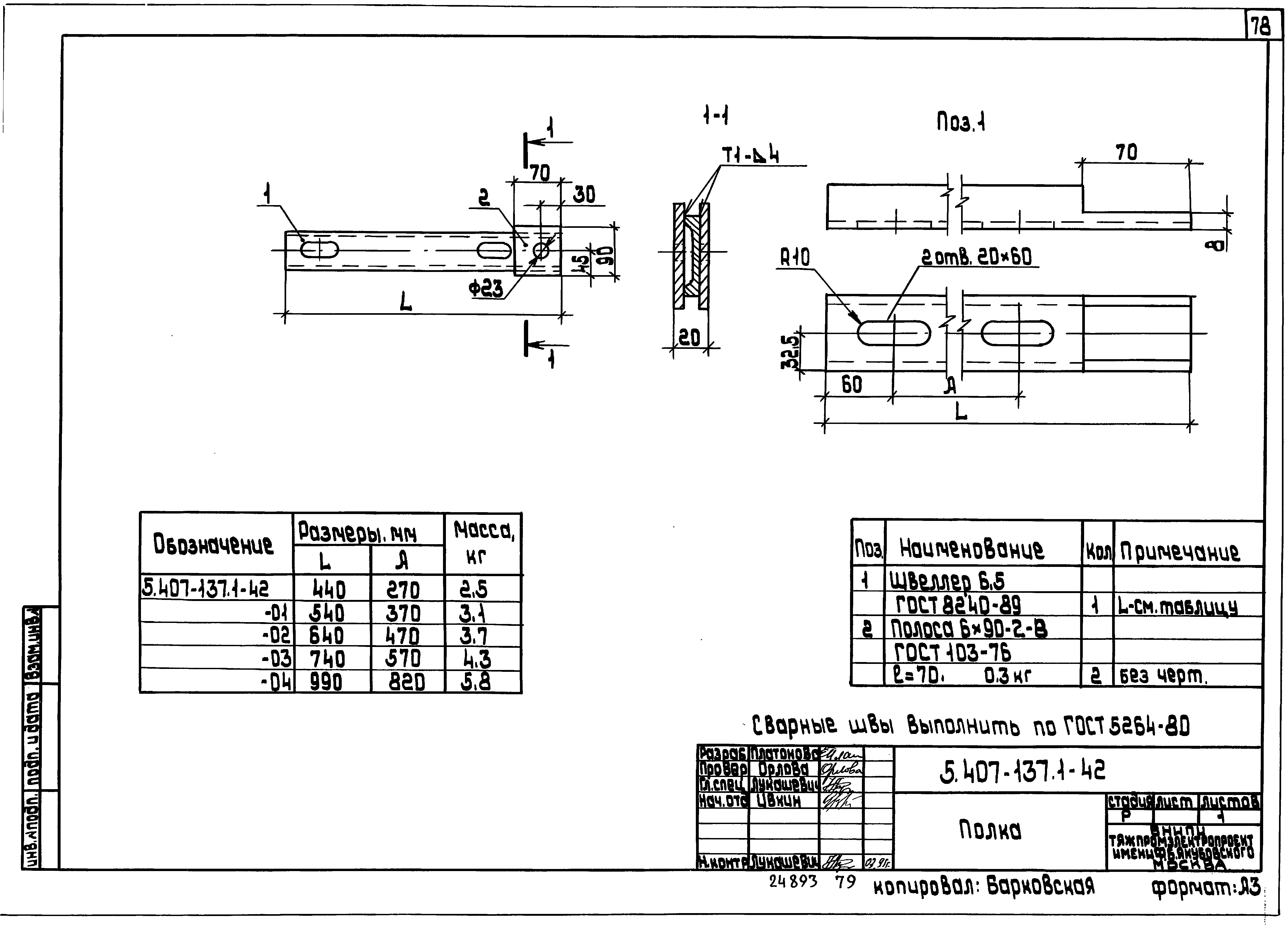
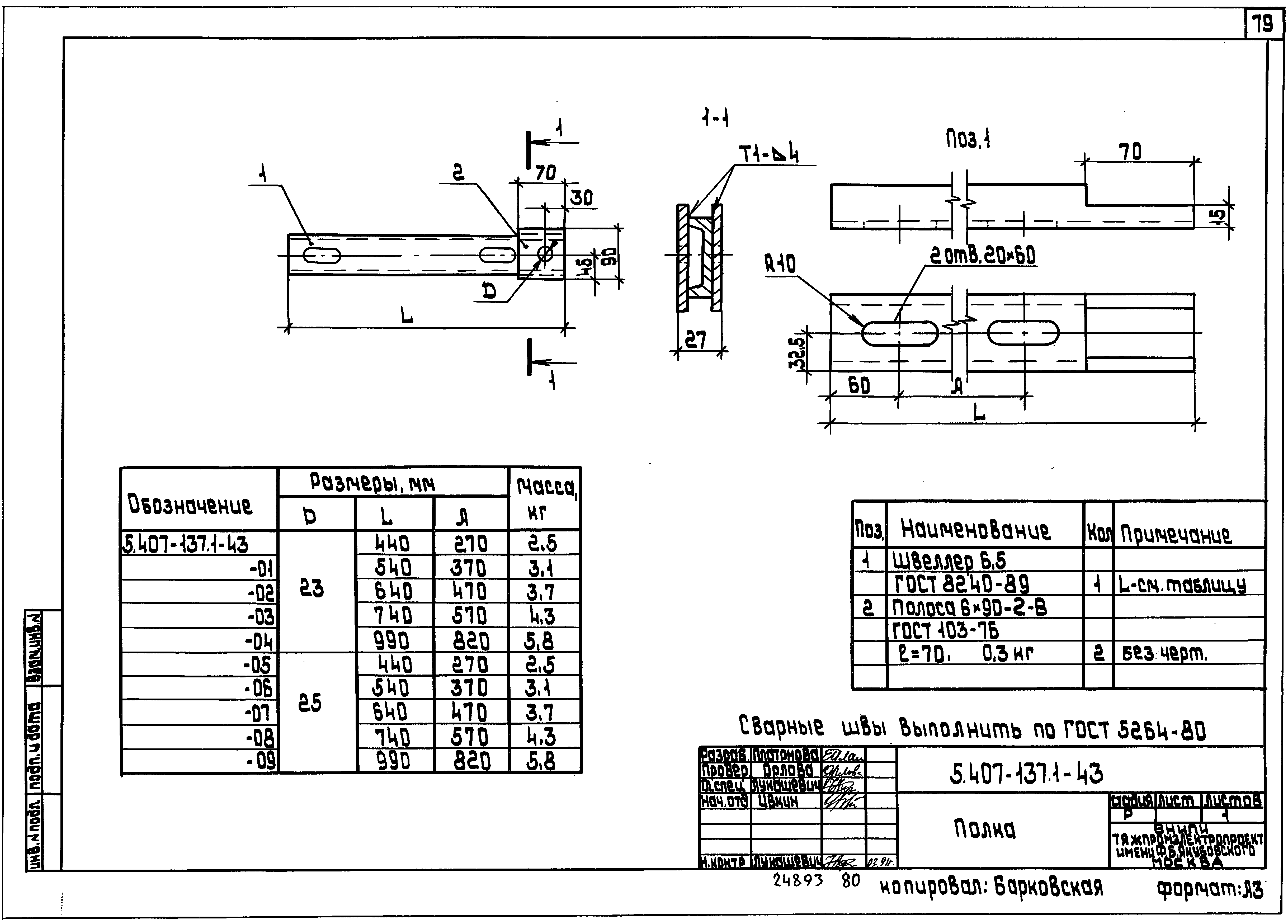
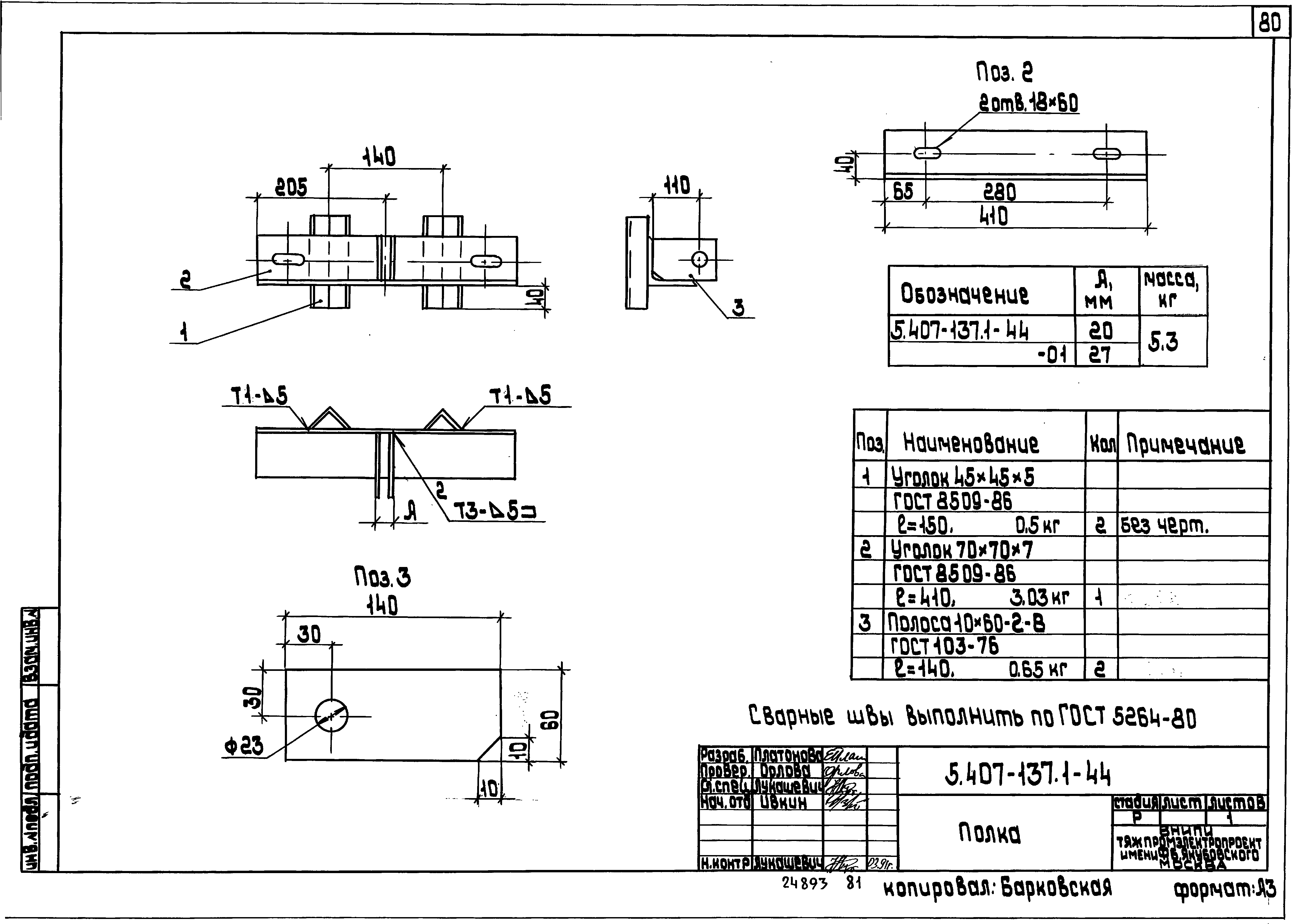
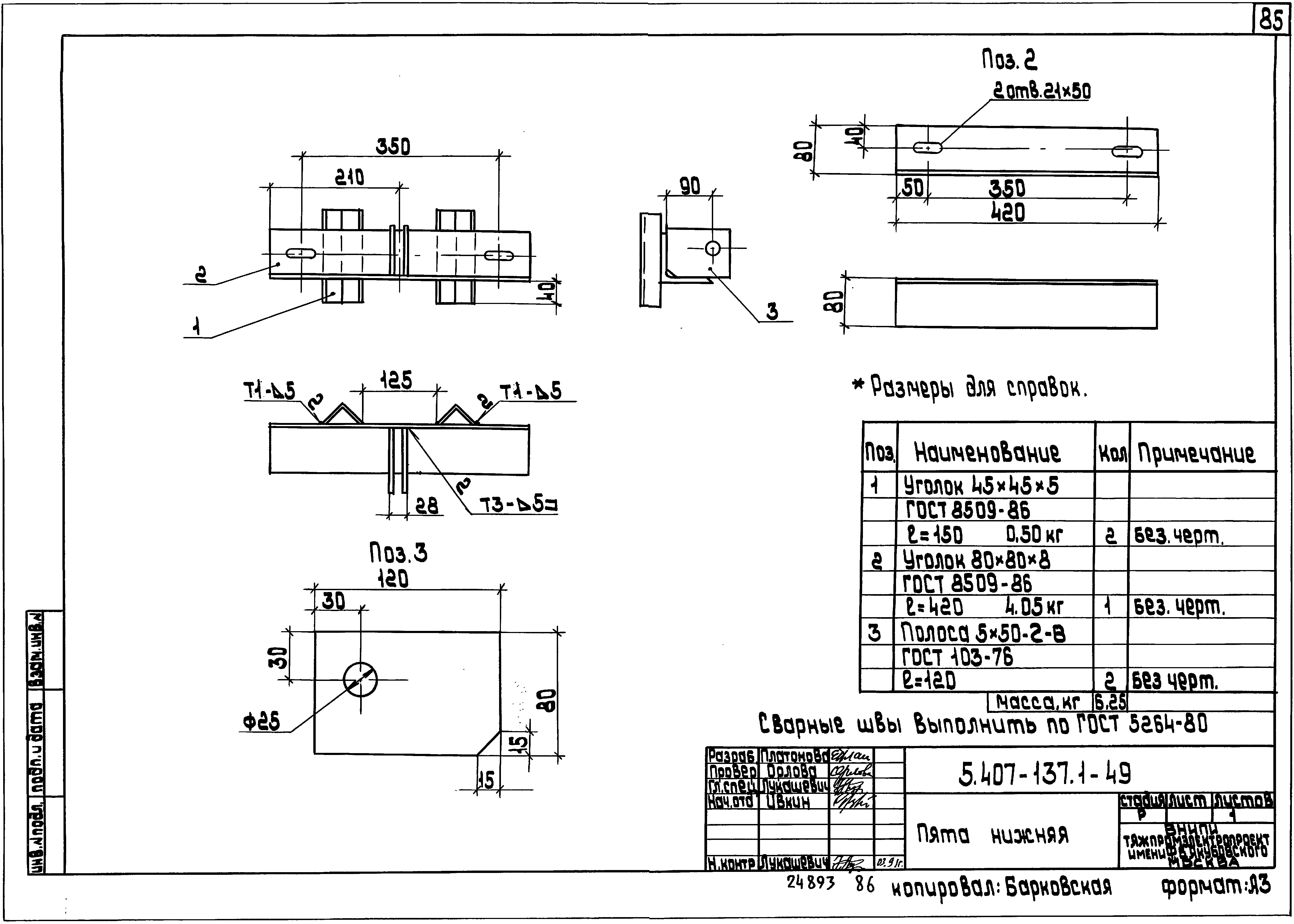
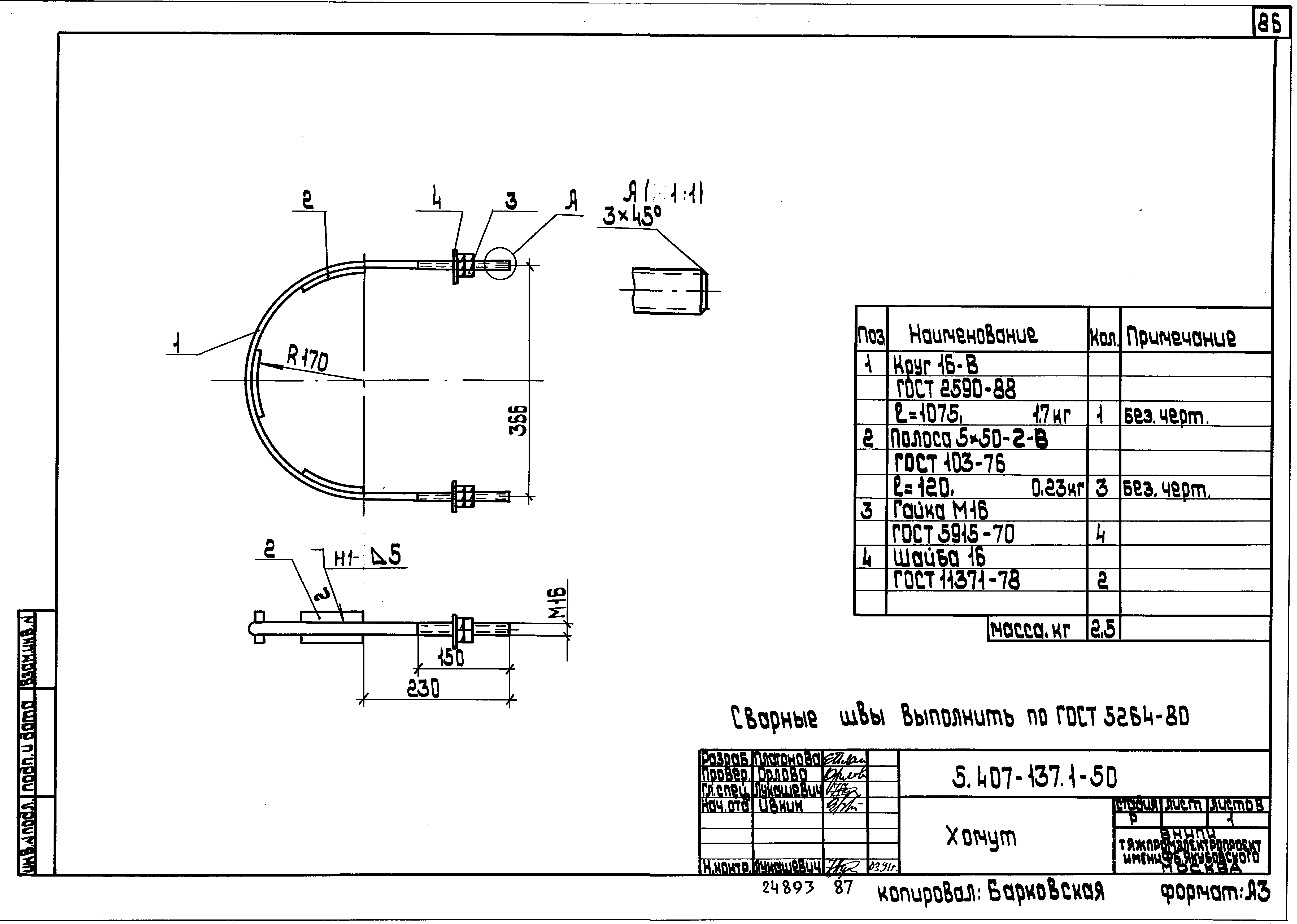
| Оглавление: | 5.407-137.1-ПЗ Пояснительная записка 5.407-137.1-ТБ Таблица выбора подвесок проводов 5.407-137.1-01ВМ Ведомость изделий и материалов для гирлянд 5.407-137.1-02ВМ Ведомость изделий и материалов для креплений подвесок и металлическим опорам 5.407-137.1-03ВМ Ведомость изделий и материалов для креплений подвесок к железобетонным и деревянным опорам 5.407-137.1-04ВМ Ведомость изделий и материалов для надставок на металлических опорах 5.407-137.1-05ВМ Ведомость изделий и материалов для надставок на железобетонных опорах 5.407-137.1-01 Подвески проводов на металлической опоре П1-, П6-, П11- 5.407-137.1-02 Подвески проводов на металлической опоре П2-, П7-, П12- 5.407-137.1-03 Подвески проводов на металлической опоре П3-, П8-, П13- 5.407-137.1-04 Подвески проводов на металлической опоре П4-, П9-, П14- 5.407-137.1-05 Подвески проводов на металлической опоре П5-, П10-, П15- 5.407-137.1-06 Подвески проводов на железобетонной опоре П16- 5.407-137.1-07 Подвески проводов на железобетонной опоре П17- 5.407-137.1-08 Подвески проводов на железобетонной опоре П18- 5.407-137.1-09 Подвески проводов на железобетонной опоре П19- 5.407-137.1-10 Подвески проводов на железобетонной опоре П20- 5.407-137.1-11 Подвески проводов на железобетонной опоре П21- 5.407-137.1-12 Подвески проводов на железобетонной опоре П22- 5.407-137.1-13 Подвески проводов на железобетонной опоре П23- 5.407-137.1-14 Подвески проводов на железобетонной опоре П24- 5.407-137.1-15 Подвески проводов на железобетонной опоре П25- 5.407-137.1-16 Подвески проводов на железобетонной опоре П26- 5.407-137.1-17 Подвески проводов на железобетонной опоре П27- 5.407-137.1-18 Подвески проводов на железобетонной опоре П28- 5.407-137.1-19 Подвески проводов на железобетонной опоре П29- 5.407-137.1-20 Подвески проводов на железобетонной опоре П30- 5.407-137.1-21 Подвески проводов на железобетонной опоре П31- 5.407-137.1-22 Подвески проводов на деревянной опоре П32- 5.407-137.1-23 Подвески проводов на деревянной опоре П33- 5.407-137.1-24 Подвески проводов на деревянной опоре П34- 5.407-137.1-25 Подвески проводов на деревянной опоре П35- 5.407-137.1-26 Гирлянда Г1 5.407-137.1-27 Гирлянда Г2 5.407-137.1-28 Гирлянда Г3 5.407-137.1-29 Крепление к металлической опоре. Вариант I 5.407-137.1-30 Крепление к металлической опоре. Вариант II 5.407-137.1-31 Крепление к металлической опоре. Вариант III 5.407-137.1-32 Крепление к металлической опоре. Вариант IV 5.407-137.1-33 Крепление к железобетонной опоре. Вариант I 5.407-137.1-34 Крепление к железобетонной опоре. Вариант II 5.407-137.1-35 Крепление к деревянной опоре. Вариант I 5.407-137.1-36 Крепление к деревянной опоре. Вариант II 5.407-137.1-37 Крепление к деревянной опоре. Вариант III 5.407-137.1-38 Крепление подвески на стойке надставки к металлической опоре. Вариант I 5.407-137.1-39 Крепление подвески на стойке надставки к металлической опоре. Вариант II 5.407-137.1-40 Крепление подвески на стойке надставки к железобетонной опоре. Вариант I 5.407-137.1-41 Крепление подвески на стойке надставки к железобетонной опоре. Вариант II 5.407-137.1-42 Полка 5.407-137.1-43 Полка 5.407-137.1-44 Полка 5.407-137.1-45 Хомут 5.407-137.1-46 Стойка надставки. Тип I 5.407-137.1-47 Стойка надставки. Тип II 5.407-137.1-48 Пята верхняя 5.407-137.1-49 Пята нижняя 5.407-137.1-50 Хомут 5.407-137.1-51 Полка 5.407-137.1-52 Валик 5.407-137.1-53 Кронштейн 5.407-137.1-54 Ушко |
| Разработан: | ВНИПИ Тяжпромэлектропроект им. Ф.Б. Якубовского |
| Утверждён: | 26.04.1990 ВНИПИ Тяжпромэлектропроект |
























































































