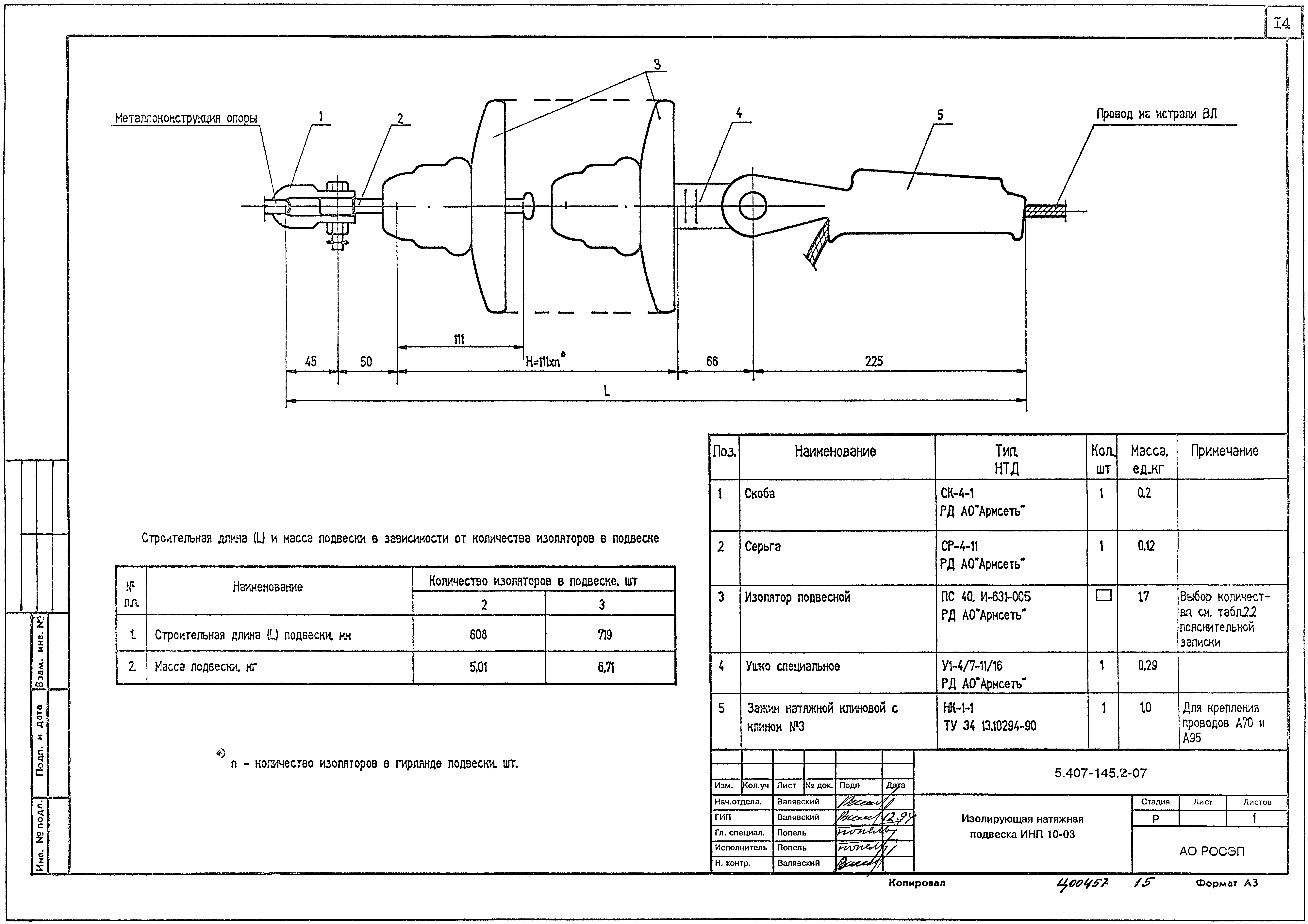
Скачать Серия 5.407-145 Выпуск 2. Изолирующие подвески для крепления проводов на опорах ВЛ 10 кВ. Указания по применению и рабочие чертежиДата актуализации: 01.01.2021
|
| Обозначение: | Серия 5.407-145 |
| Обозначение англ: | Series 5.407-145 |
| Статус: | не определен законодательством |
| Название рус.: | Выпуск 2. Изолирующие подвески для крепления проводов на опорах ВЛ 10 кВ. Указания по применению и рабочие чертежи |
| Дата добавления в базу: | 01.09.2013 |
| Дата актуализации: | 01.01.2021 |
| Дата введения: | 01.04.1996 |
| Дата окончания срока действия: | 30.06.2003 |
| Разработан: | АО РОСЭП |
| Утверждён: | 16.12.1994 Департамент электроэнергетики Минтехэнерго РФ (10) |

















































