Скачать Серия 5.407-155.94 Выпуск 1. Детали и узлы. Рабочие чертежиДата актуализации: 01.01.2021
|
| Обозначение: | Серия 5.407-155.94 |
| Обозначение англ: | Series 5.407-155.94 |
| Статус: | не определен законодательством |
| Название рус.: | Выпуск 1. Детали и узлы. Рабочие чертежи |
| Дата добавления в базу: | 01.09.2013 |
| Дата актуализации: | 01.01.2021 |
| Дата введения: | 01.03.1995 |
| Дата окончания срока действия: | 30.06.2003 |
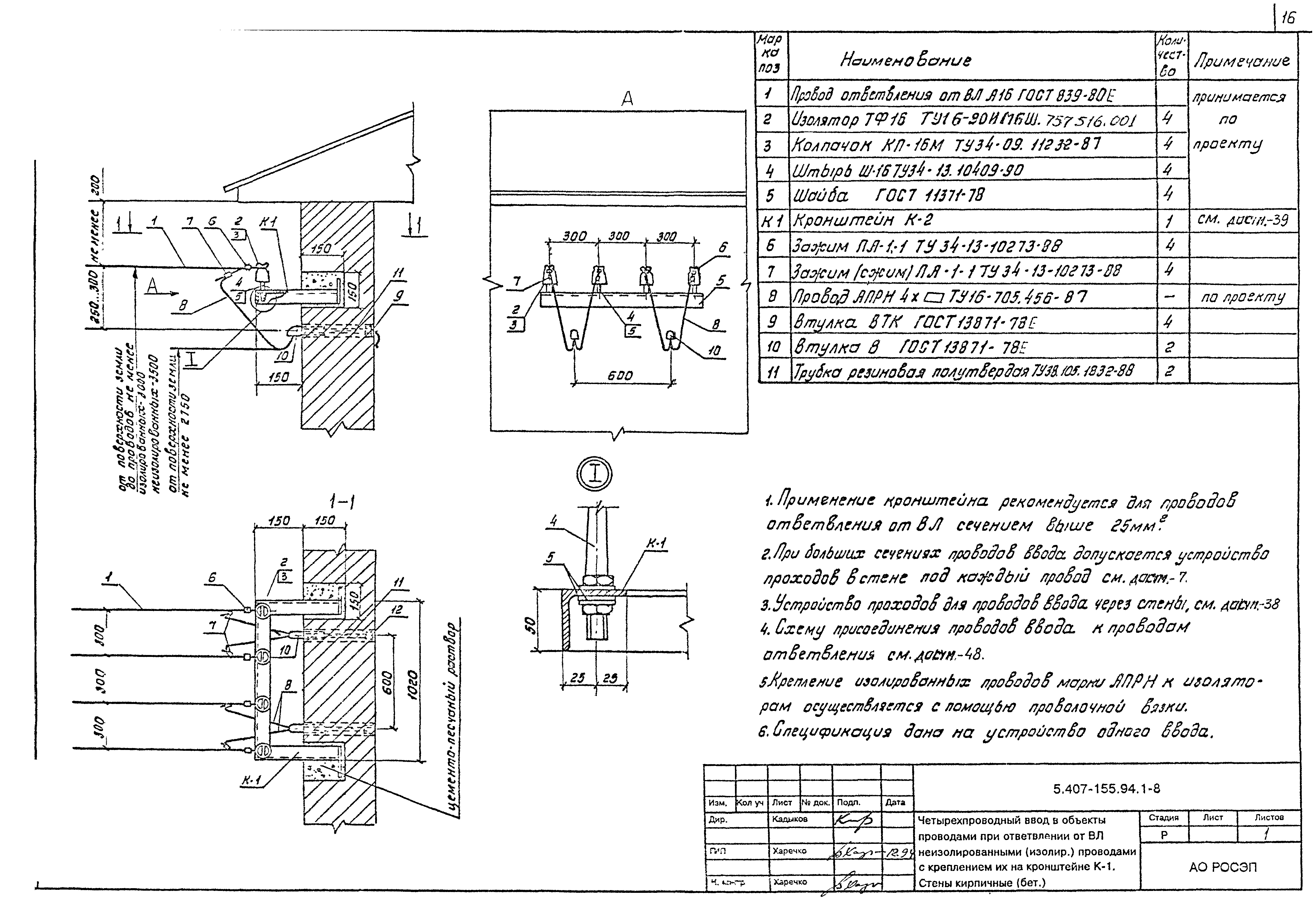
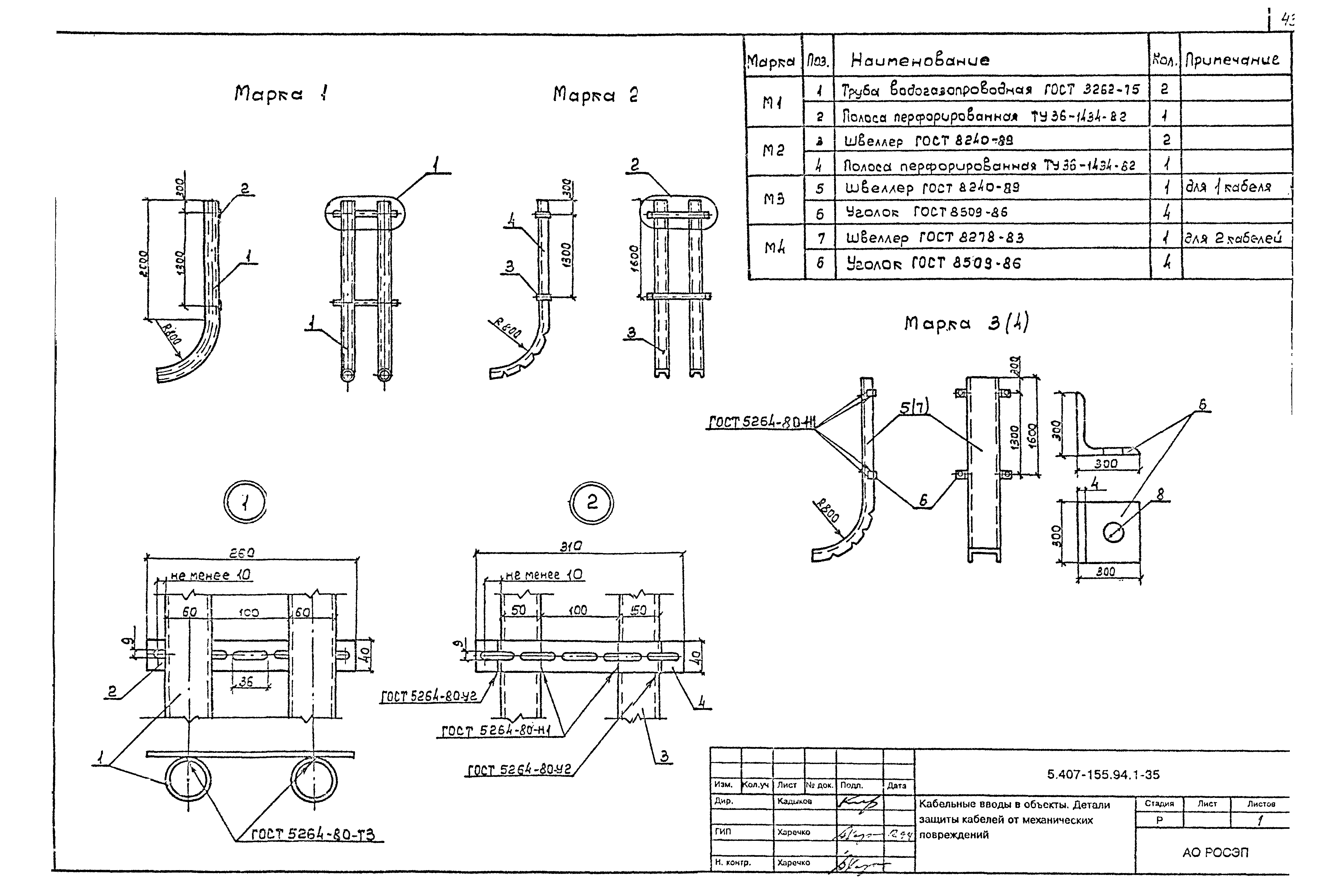
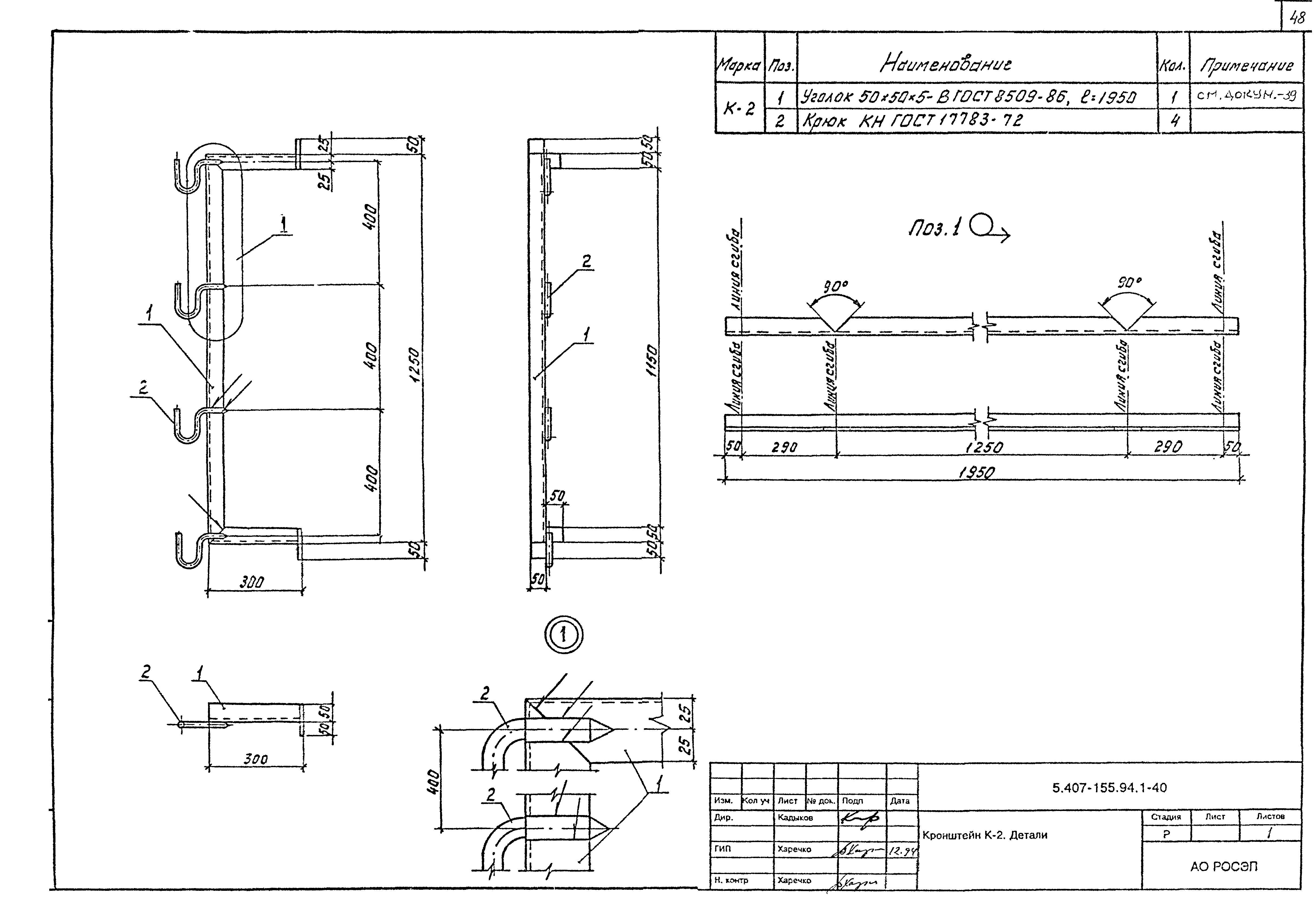
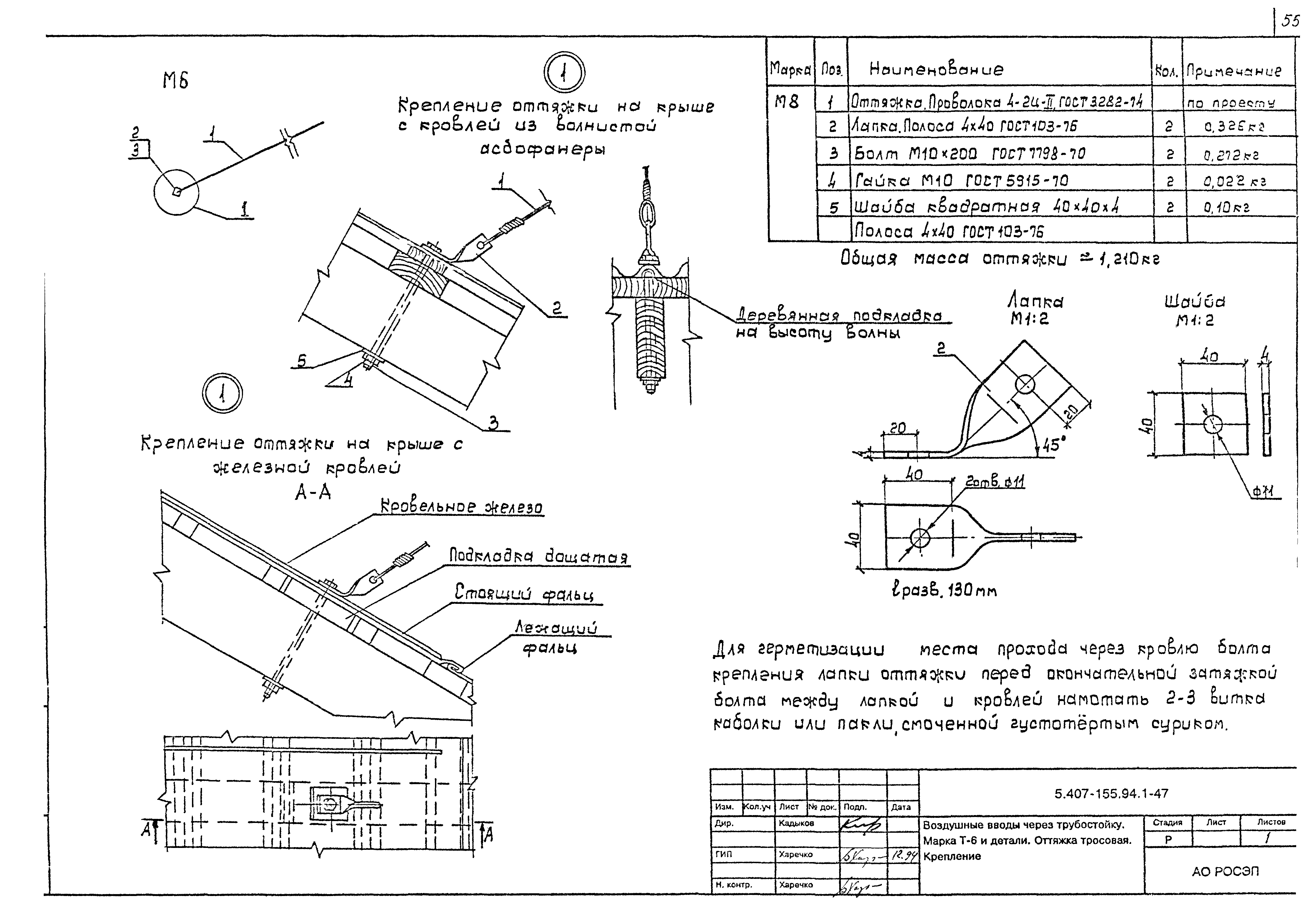
| Оглавление: | 5.407-155.94.1-ПЗ Пояснительная записка 5.407-155.94.1-1 Рекомендации по устройству вводов 5.407-155.94.1-2 Технические данные проводов и кабелей и рекомендации по их применению 5.407-155.94.1-3 Ответвления от ВЛ неизолированными проводами к воздушным вводам в объекты. Схемы подключения объектов к ВЛ 5.407-155.94.1-4 Ответвления от ВЛ изолированными проводами к воздушным вводам в объекты. Схемы подключения объектов к ВЛ 5.407-155.94.1-5 Ответвления от ВЛ к воздушным вводам в объекты, выполненным через трубостойку. Схемы подключения объектов к ВЛ 5.407-155.94.1-6 Ответвления от ВЛ к воздушным вводам в жилые (садовые) дома и питание хозяйственных построек по внутриобъектным электропроводкам 5.407-155.94.1-7 Двух- и четырехпроводные вводы в объекты проводами при ответвлении от ВЛ неизолированными (изолир.) проводами. Стены кирпичные (бет.) 5.407-155.94.1-8 Четырехпроводный ввод в объекты проводами при ответвлении от ВЛ неизолированными (изолир.) проводами с креплением их на кронштейне К-1. Стены кирпичные (бет.) 5.407-155.94.1-9 Четырехпроводный ввод в объекты проводами при ответвлении от ВЛ неизолированными (изолир.) проводами с креплением их на кронштейне К-2. Стены кирпичные (бет.) 5.407-155.94.1-10 Двух- и четырехпроводные вводы в объекты проводами при ответвлении от ВЛ неизолированными (изолир.) проводами. Стены деревянные 5.407-155.94.1-11 Двух- и четырехпроводные вводы в объекты проводами при ответвлении от ВЛ неизолированными (изолир.) проводами. Стены глинобитные (саманные) 5.407-155.94.1-12 Двухпроводный воздушный ввод в объект через трубостойку проводами при ответвлении от ВЛ неизолированными (изолир.) проводами 5.407-155.94.1-13 Четырехпроводный воздушный ввод в объект через трубостойку проводами при ответвлении от ВЛ неизолированными проводами при ответвлении от ВЛ неизолированными (изолир.) проводами 5.407-155.94.1-14 Выбор установочных изделий и материалов для устройства воздушных вводов при ответвлении от ВЛ неизолированными (изолир.) проводами 5.407-155.94.1-15 Двух- и четырехпроводные воздушные вводы в объекты проводами при ответвлении от ВЛ тросовыми проводами. Стены кирпичные (бет.) и деревянные 5.407-155.94.1-16 Двух- и четырехпроводные воздушные вводы в объекты проводами при ответвлении от ВЛ тросовыми проводами. Стены каркасно-засыпные 5.407-155.94.1-17 Двух- и четырехпроводные воздушные вводы в объекты проводами при ответвлении от ВЛ тросовыми проводами. Стены глинобитные (саманные) 5.407-155.94.1-18 Двух- и четырехпроводные воздушные вводы в объекты через трубостойки проводами при ответвлении от ВЛ тросовыми проводами 5.407-155.94.1-19 Выбор установочных изделий и материалов для устройства воздушных вводов при ответвлении от ВЛ тросовыми проводами 5.407-155.94.1-20 Двух- и четырехпроводные воздушные вводы в объекты проводами при ответвлении от ВЛ самонесущими проводами марки САП. Стены кирпичные (бет.) 5.407-155.94.1-21 Двух- и четырехпроводные воздушные вводы в объекты проводами при ответвлении от ВЛ самонесущими проводами марки САП. Стены деревянные 5.407-155.94.1-22 Двух- и четырехпроводные воздушные вводы в объекты проводами при ответвлении от ВЛ самонесущими проводами марки САП. Стены каркасно-засыпные 5.407-155.94.1-23 Двух- и четырехпроводные воздушные вводы в объекты проводами при ответвлении от ВЛ самонесущими проводами марки САП. Стены глинобитные (саманные) 5.407-155.94.1-24 Четырехпроводный воздушный ввод в объекты проводами при ответвлении от ВЛ самонесущими проводами марки САСП. Стены кирпичные (бет.) 5.407-155.94.1-25 Четырехпроводный воздушный ввод в объекты проводами при ответвлении от ВЛ самонесущими проводами марки САСП. Стены деревянные 5.407-155.94.1-26 Двух- и четырехпроводные воздушные вводы в объекты через трубостойки проводами при ответвлении от ВЛ самонесущими проводами марки САП и САСП 5.407-155.94.1-27 Выбор установочных изделий и материалов для устройства воздушных вводов при ответвлении от ВЛ самонесущими проводами марок САП и САСП 5.407-155.94.1-28 Двух- и четырехпроводные воздушные вводы в объекты проводами при ответвлении от ВЛ кабелем. Стены бетонные 5.407-155.94.1-29 Однофазные и трехфазные воздушные вводы в объекты кабелем при ответвлении от ВЛ кабелем. Стены кирпичные (бет.) и деревянные 5.407-155.94.1-30 Двух- и четырехпроводные воздушные вводы в объекты проводами через трубостойку при ответвлении от ВЛ кабелем 5.407-155.94.1-31 Кабельные вводы в объекты с прокладкой кабеля через стены и фундаменты 5.407-155.94.1-32 Кабельные вводы в объекты через стену цоколя 5.407-155.94.1-33 Кабельные вводы в объекты через стену цоколя при значительной разнице в уровнях на трассе 5.407-155.94.1-34 Кабельные вводы в объекты через стены. Способы защиты кабелей от механических повреждений 5.407-155.94.1-35 Кабельные вводы в объекты. Детали защиты кабелей от механических повреждений 5.407-155.94.1-36 Способы крепления изоляторов для проводов ответвления от ВЛ на стенах 5.407-155.94.1-37 Крепление проводов ответвления от ВЛ к изоляторам зажимами 5.407-155.94.1-38 Устройство проходов для проводов ввода через стены 5.407-155.94.1-39 Кронштейн К-1. Детали 5.407-155.94.1-40 Кронштейн К-2. Детали 5.407-155.94.1-41 Зажим ответвительный К-НО-1 и крюк К-КО-1 для крепления проводов марки САП. Общий вид 5.407-155.94.1-42 Зажим ответвительный типа К-ОФФ-1. Общий вид 5.407-155.94.1-43 Зажим ответвительный типа К-ОФ-1. Общий вид 5.407-155.94.1-44 Воздушные вводы через трубостойку. Марки Т-1, Т-2, Т-3 и Т-4 5.407-155.94.1-45 Воздушные вводы через трубостойку. Марки Т-1, Т-2, Т-3 и Т-4. Детали 5.407-155.94.1-46 Воздушные вводы через трубостойку. Марка Т-5 и детали 5.407-155.94.1-47 Воздушные вводы через трубостойку. Марка Т-6 и детали. Оттяжка тросовая. Крепление 5.407-155.94.1-48 Схемы присоединения проводов воздушных вводов к проводам ответвления от ВЛ, выполненным неизолированным (изолир.) проводом 5.407-155.94.1-49 Схемы присоединения проводов воздушных вводов к проводам ответвления от ВЛ, выполненным неизолированным (изолир.) проводом при вводе через трубостойку 5.407-155.94.1-50 Схемы присоединения проводов воздушных вводов к проводам ответвления от ВЛ, выполненным тросовым проводом 5.407-155.94.1-51 Схемы присоединения проводов воздушных вводов к проводам ответвления от ВЛ, выполненным тросовым проводом при вводе через трубостойку 5.407-155.94.1-52 Схемы присоединения проводов воздушных вводов к проводам ответвления от ВЛ, выполненным самонесущими проводами марки САП 5.407-155.94.1-53 Схемы присоединения проводов воздушных вводов к проводам ответвления от ВЛ, выполненным самонесущими проводами марки САСП 5.407-155.94.1-54 Схемы присоединения проводов воздушных вводов к проводам ответвления от ВЛ, выполненным самонесущими проводами марки САП и САСП, при вводе через трубостойку 5.407-155.94.1-55 Повторное заземление нулевого рабочего провода на вводах. Заземление электроприемников 5.407-155.94.1-56 Устройство повторного заземления на вводе на примере индивидуального жилого дома 5.407-155.94.1-57 Повторное заземление нулевого провода на вводе. Схемы заземлителей 5.407-155.94.1-58 Повторное заземление нулевого провода на вводе. Двухэлектродный заземлитель диаметром 12 мм 5.407-155.94.1-59 Повторное заземление нулевого провода на вводе. Двухэлектродные заземлители из уголков и труб 5.407-155.94.1-60 Повторное заземление нулевого провода на вводе. Электроды заземлителя 5.407-155.94.1-61 Прокладка и проход заземляющих и нулевых защитных проводников через стены 5.407-155.94.1-62 Крепление заземляющих и нулевых защитных проводников |
| Разработан: | АО РОСЭП |
| Утверждён: | 16.12.1994 Минтопэнерго РФ (Russian Federation Mintopenergo 8) |






































































