Скачать Серия 7.407-8 Выпуск 2. Чертежи изделийДата актуализации: 01.01.2021
|
| Обозначение: | Серия 7.407-8 |
| Обозначение англ: | Series 7.407-8 |
| Статус: | не определен законодательством |
| Название рус.: | Выпуск 2. Чертежи изделий |
| Дата добавления в базу: | 01.09.2013 |
| Дата актуализации: | 01.01.2021 |
| Дата введения: | 01.08.1986 |
| Дата окончания срока действия: | 30.06.2003 |
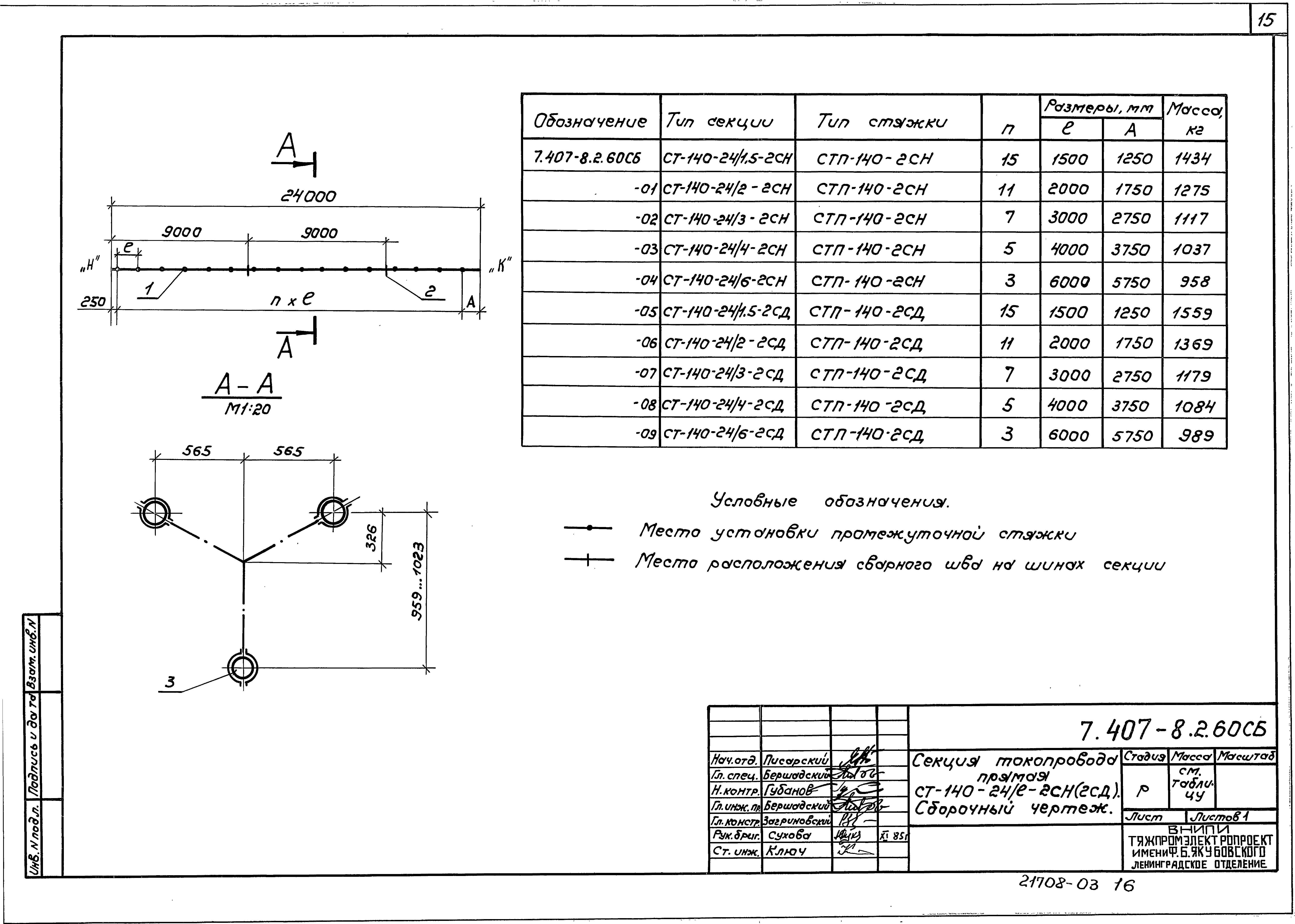
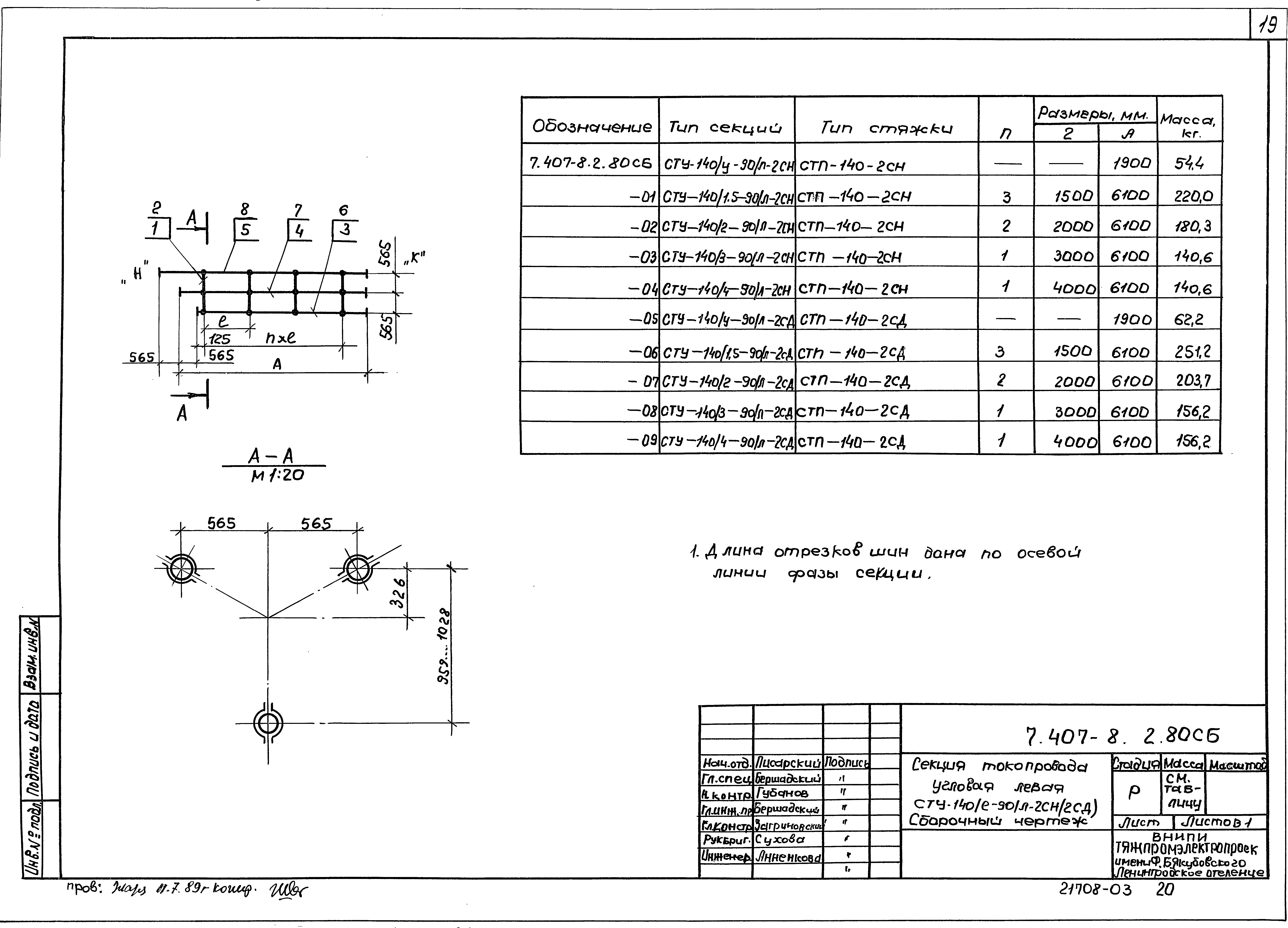
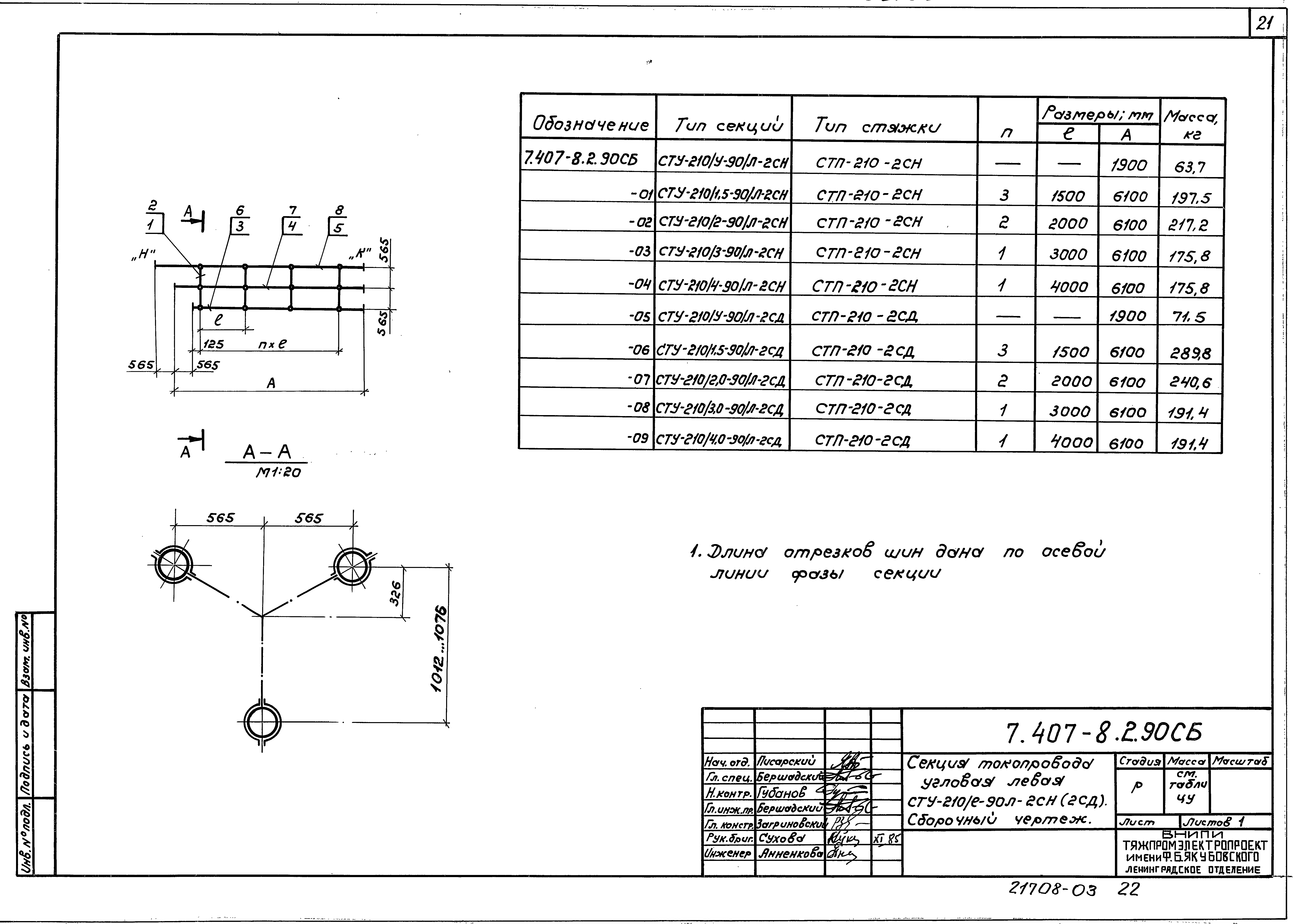
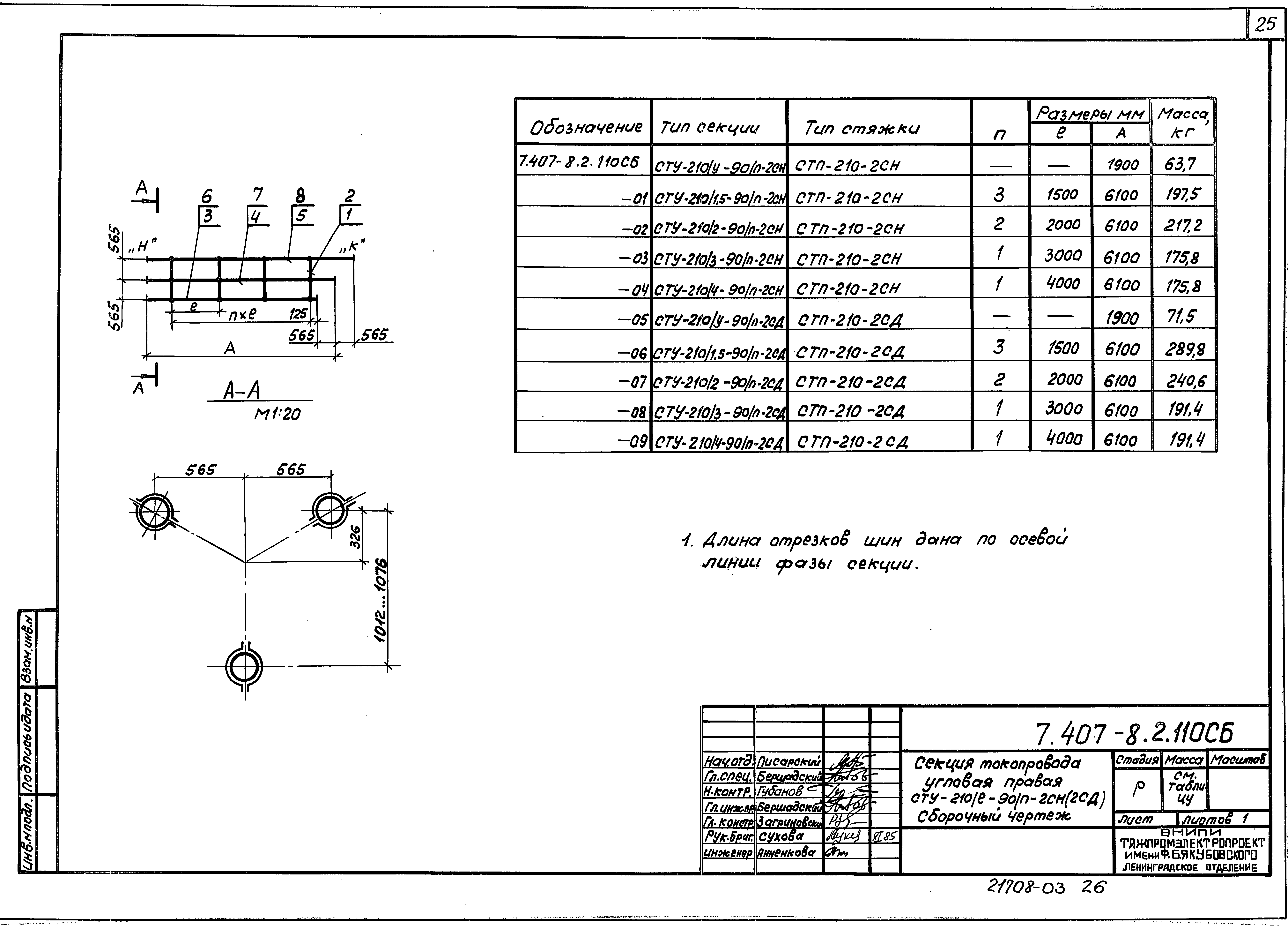
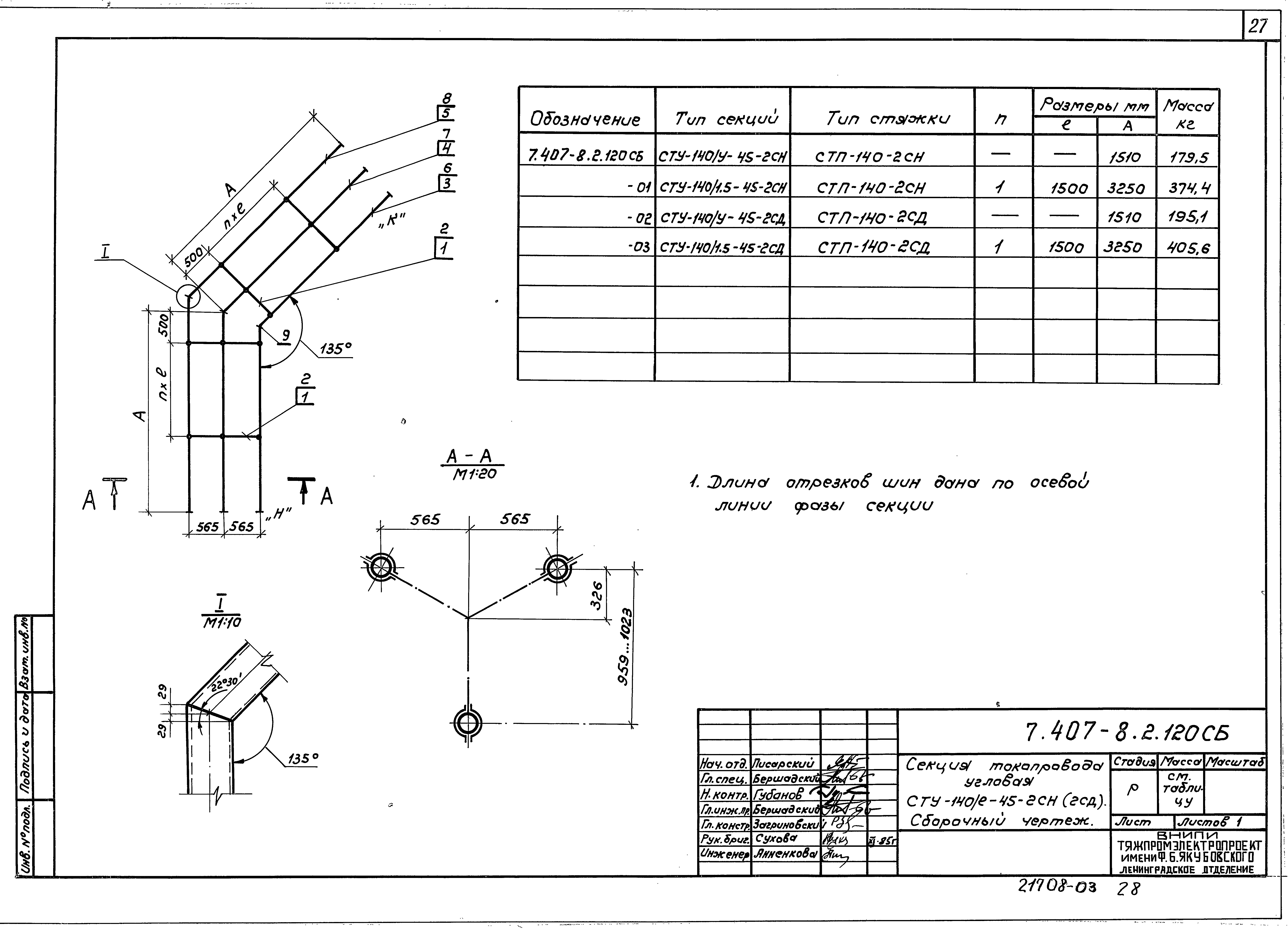
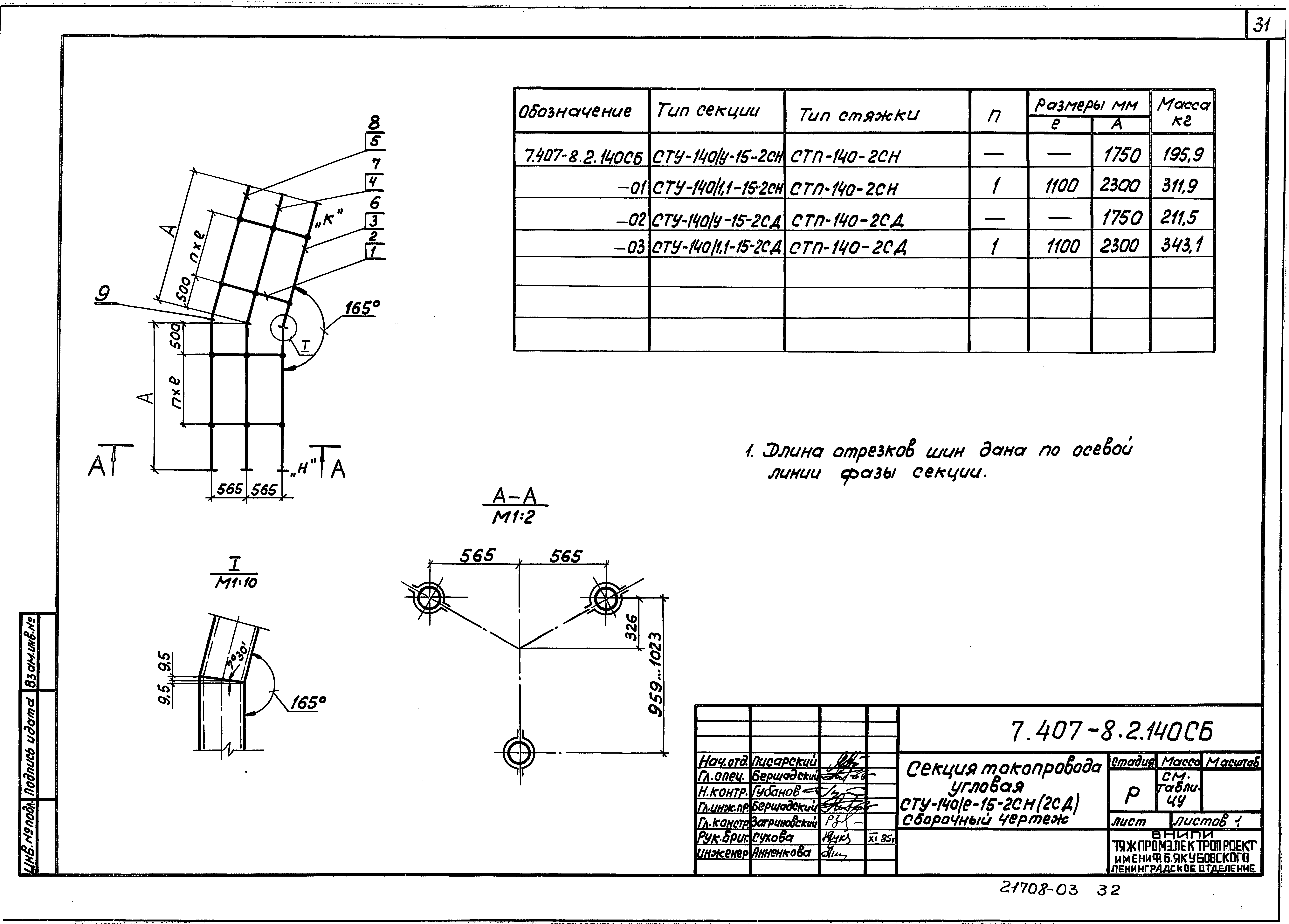
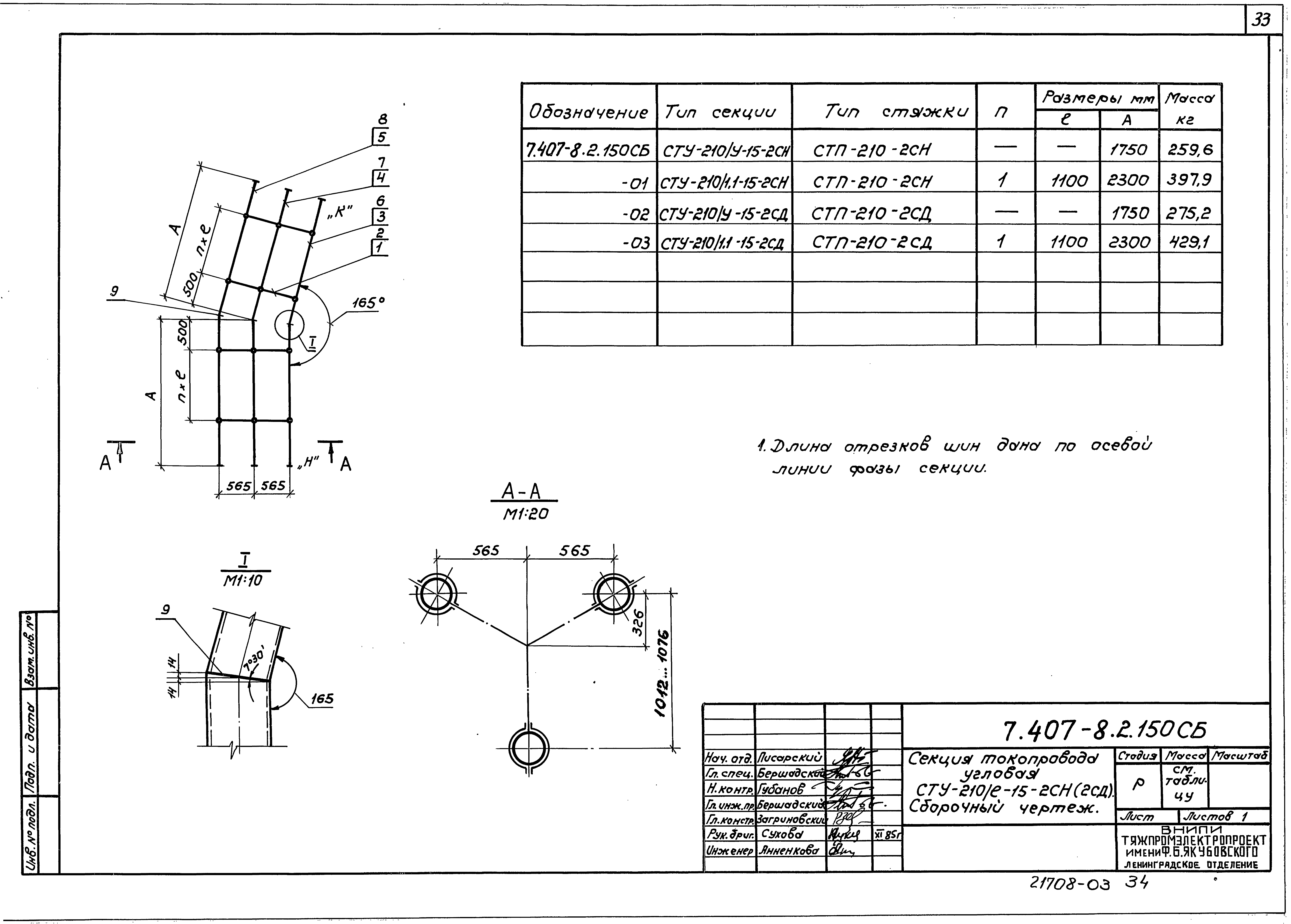
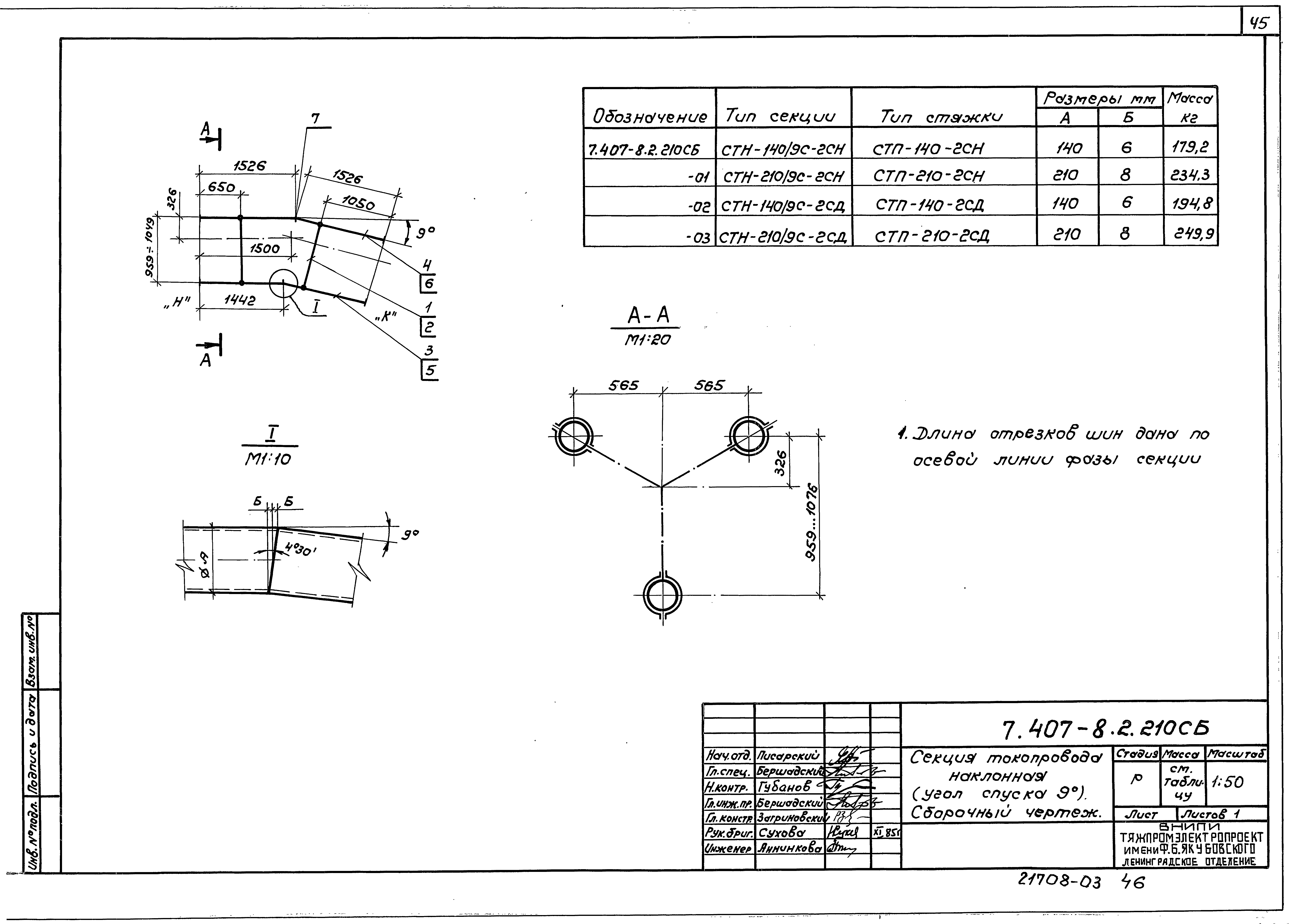
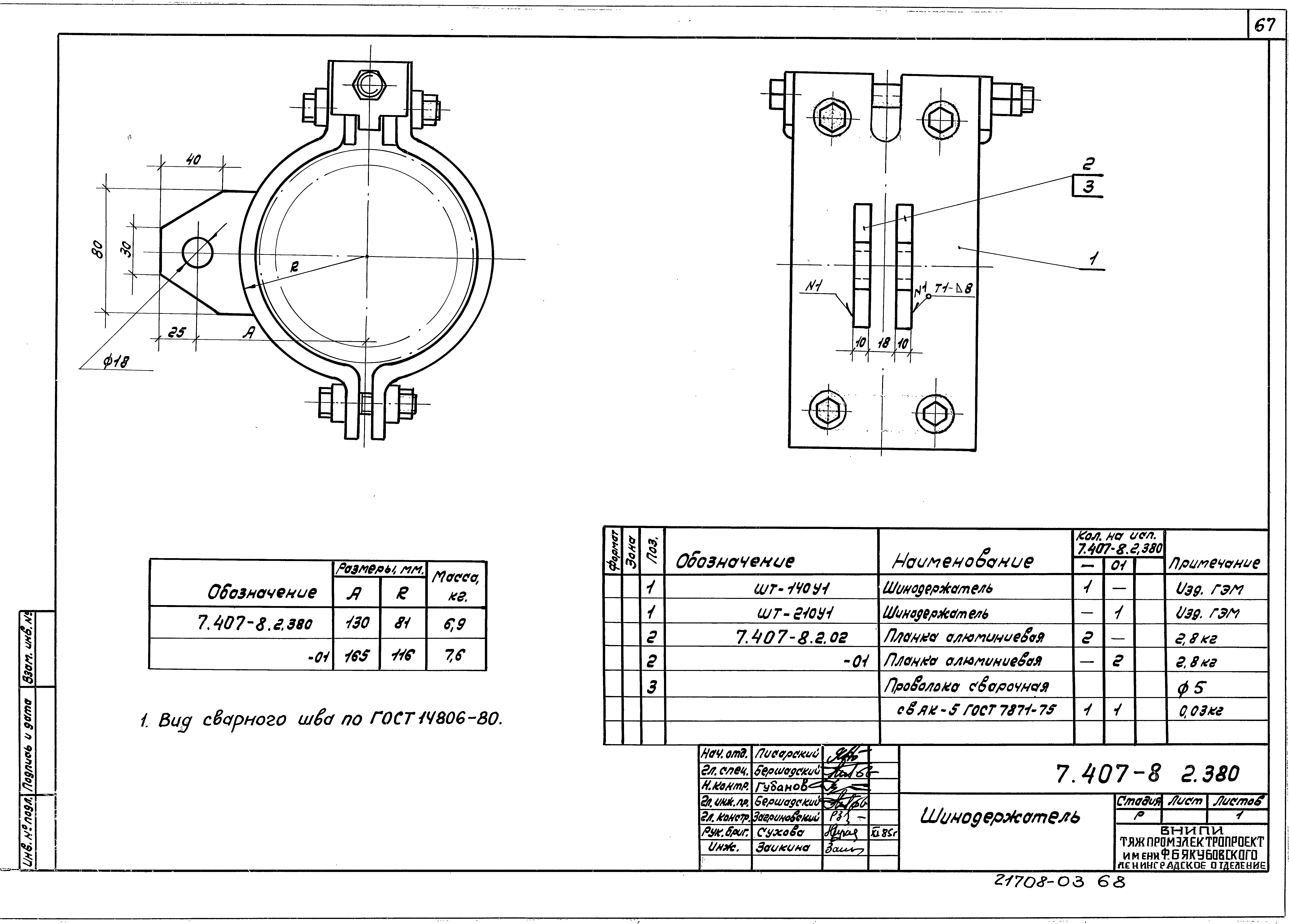
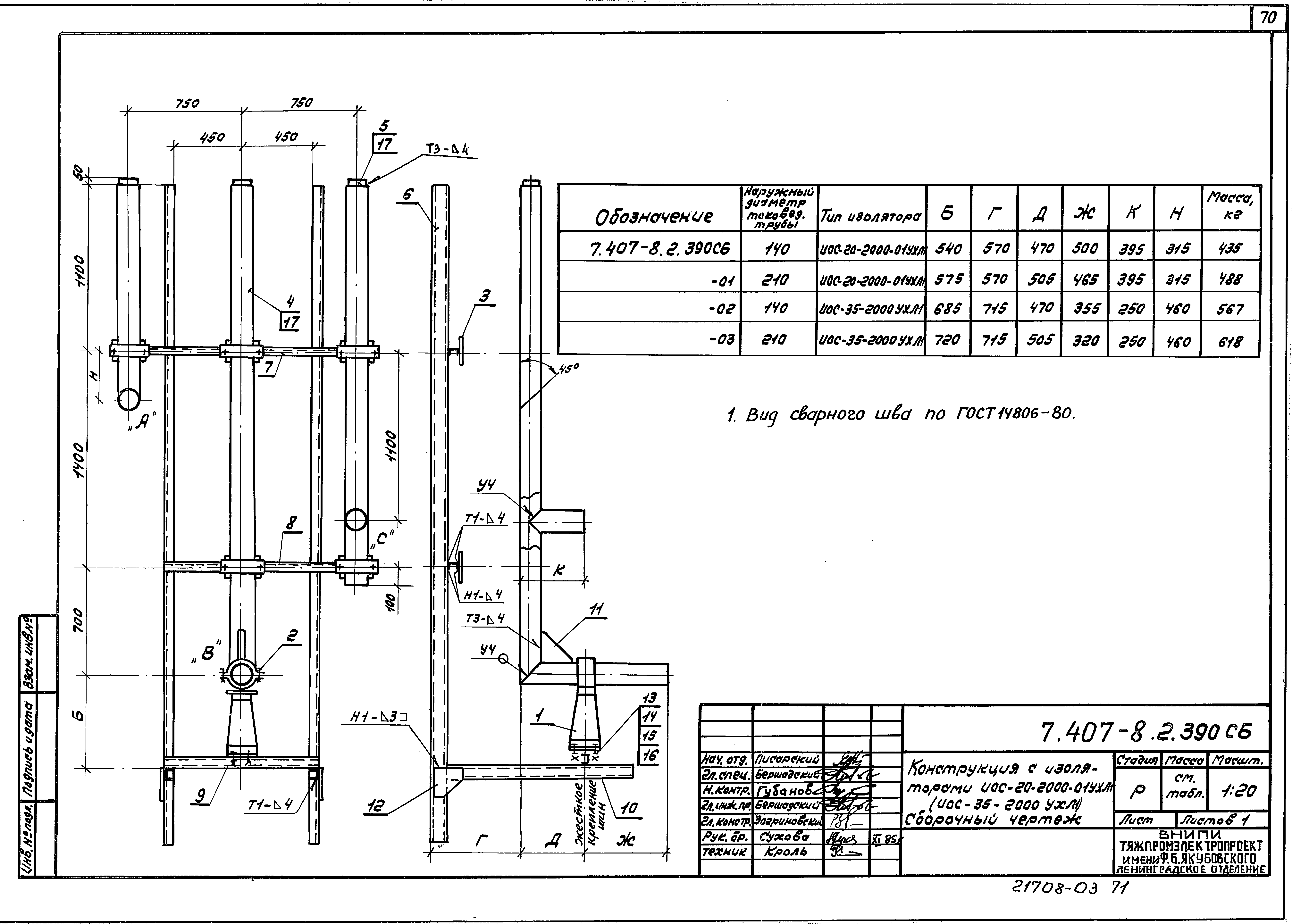
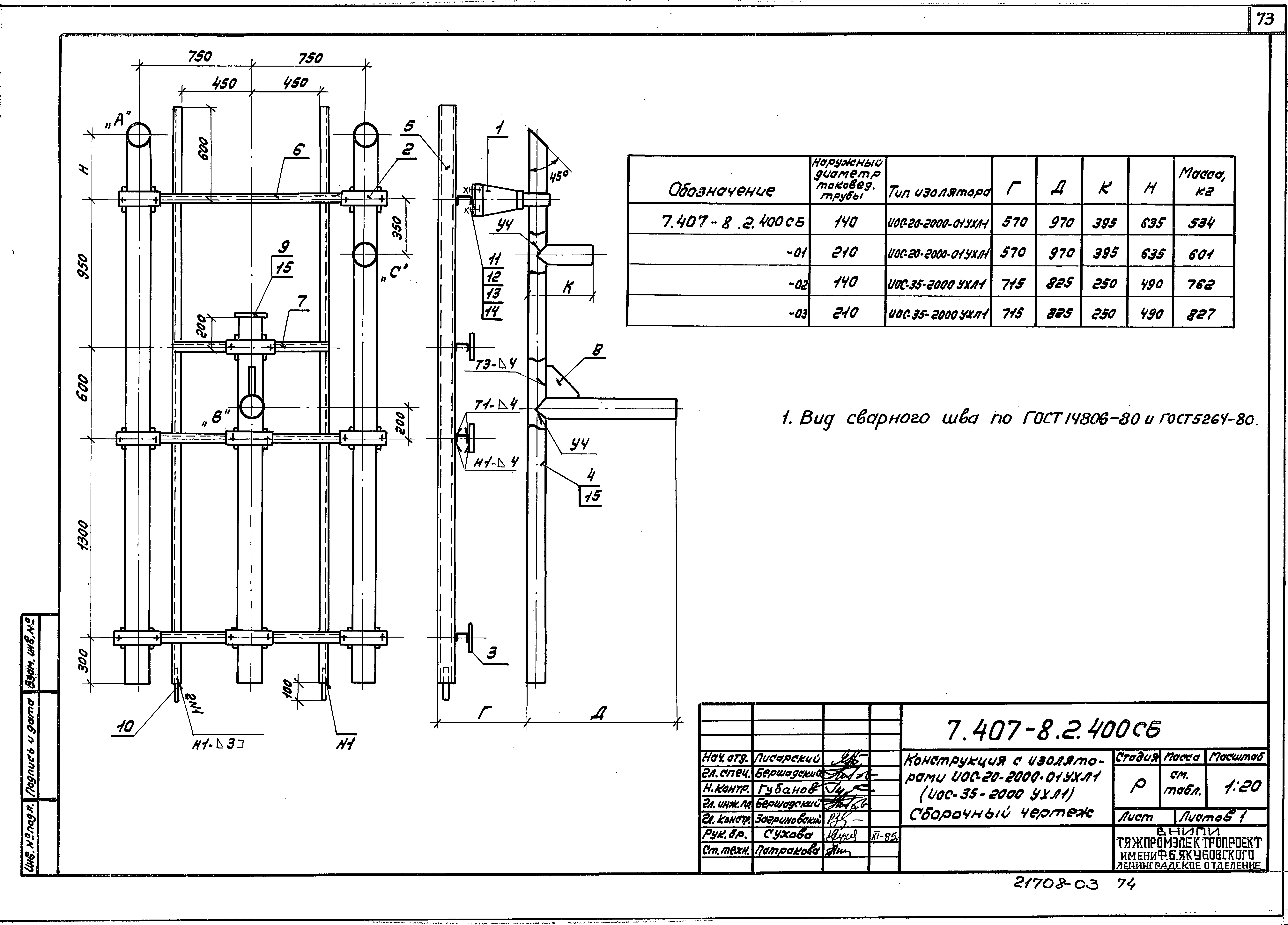
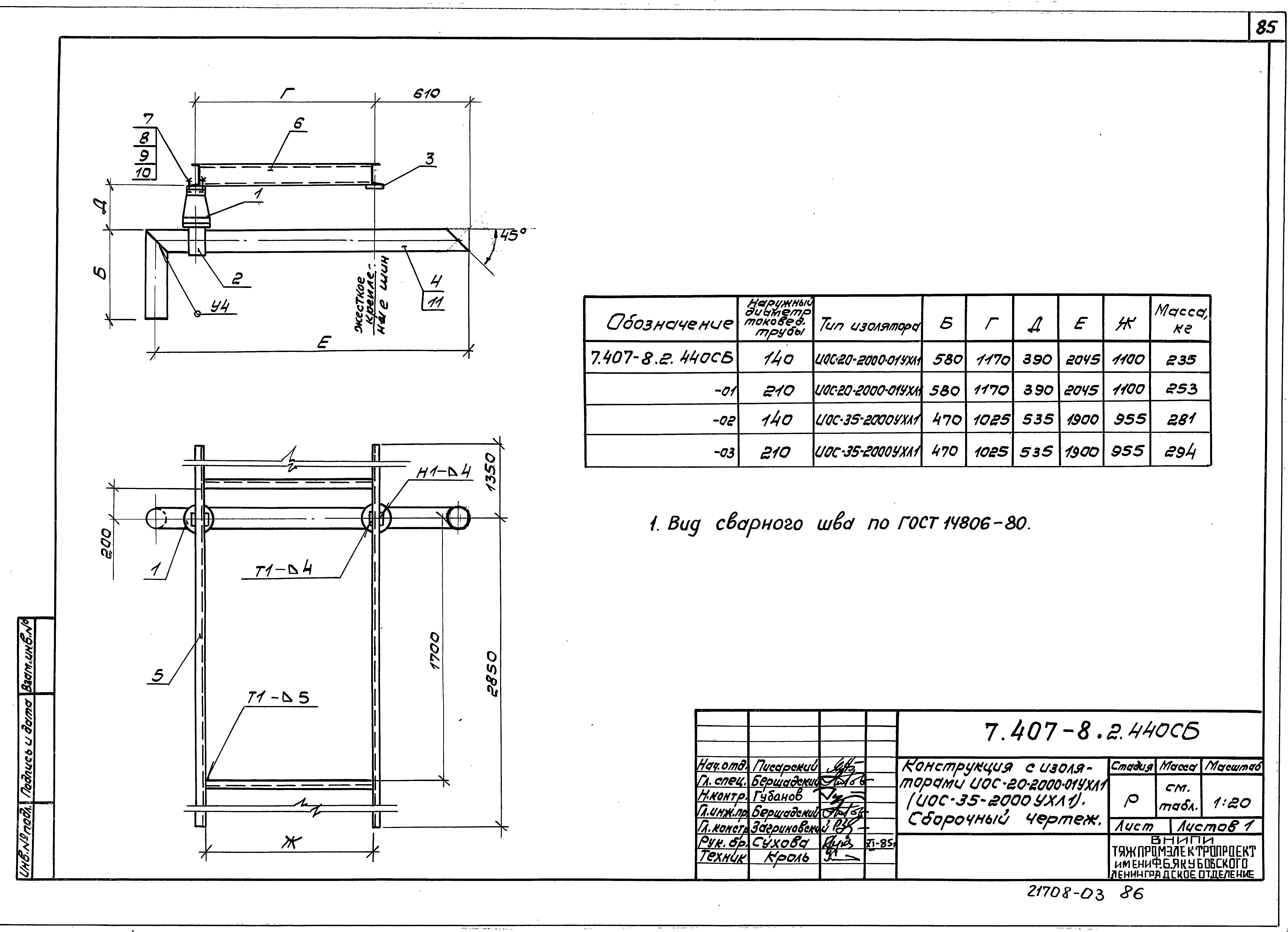
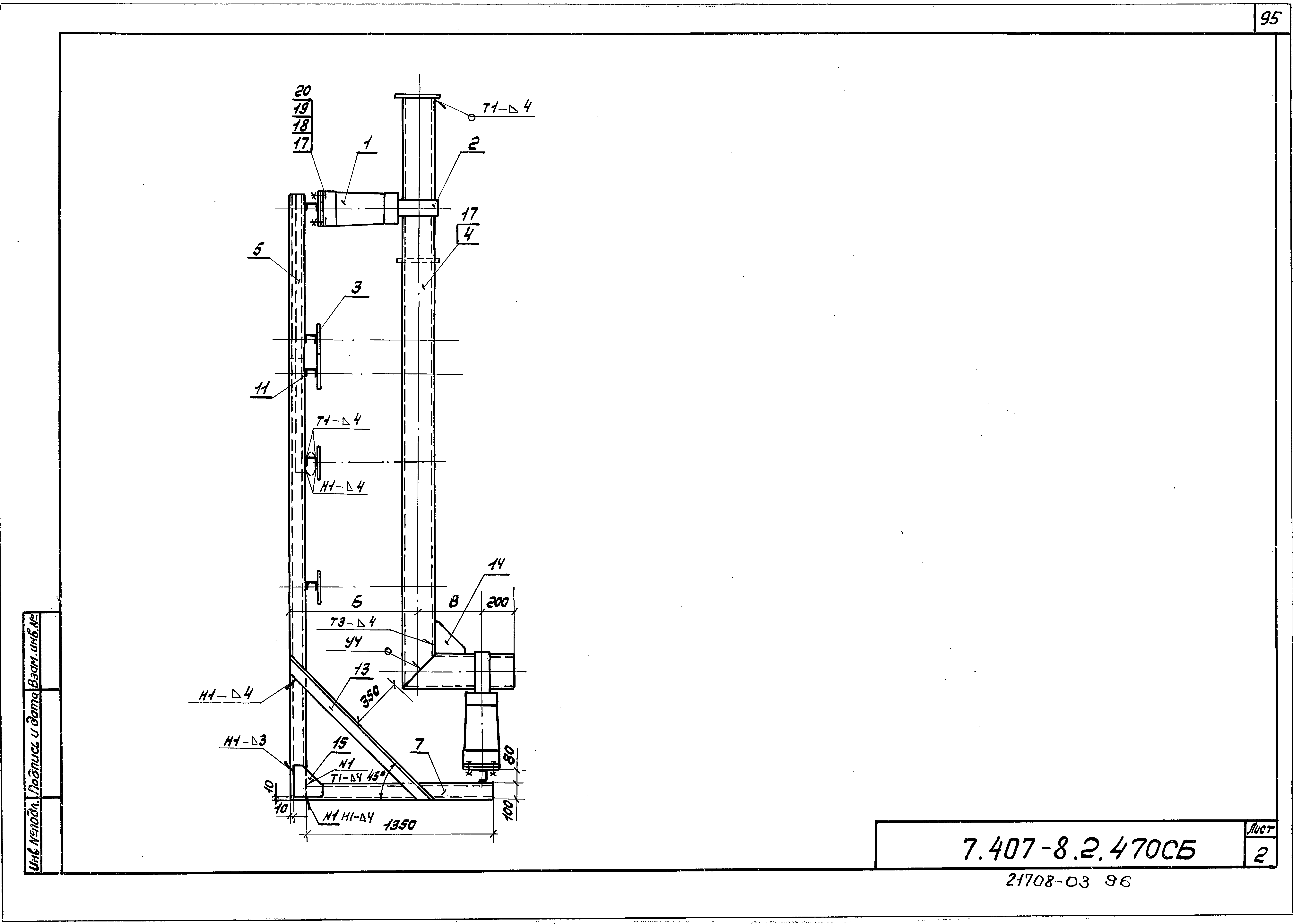
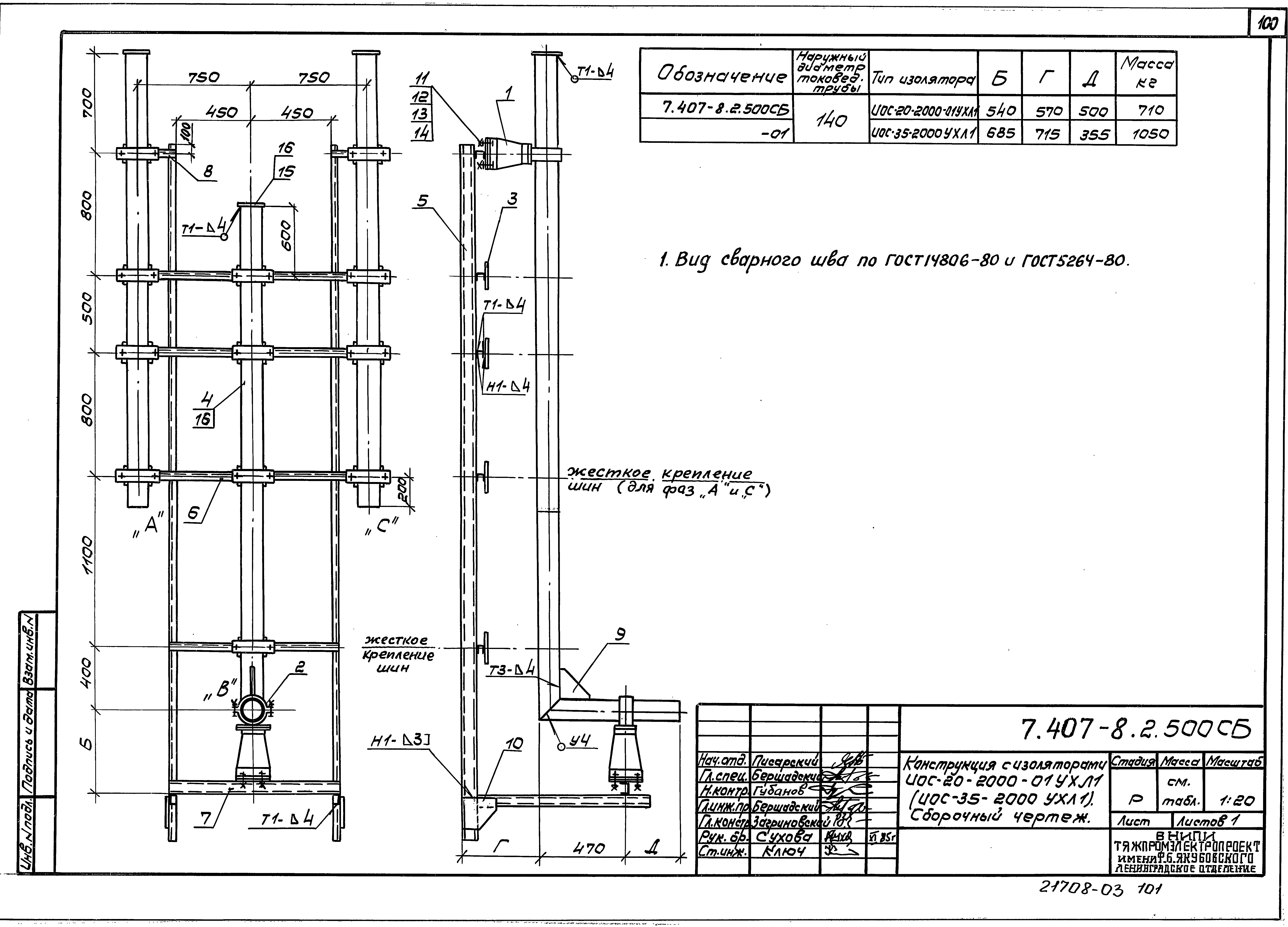
| Оглавление: | 7.407-8.2.20 Секция токопровода прямая СТ-140-12/е-2СН (2СД) 7.407-8.2.20СБ Секция токопровода прямая СТ-140-12/е-2СН (2СД). Сборочный чертеж 7.407-8.2.30 Секция токопровода прямая СТ-210-12/е-2СН (2СД) 7.407-8.2.30СБ Секция токопровода прямая СТ-210-12/е-2СН (2СД). Сборочный чертеж 7.407-8.2.40 Секция токопровода прямая СТ-140-18/е-2СН (2СД) 7.407-8.2.40СБ Секция токопровода прямая СТ-140-18/е-2СН (2СД). Сборочный чертеж 7.407-8.2.50 Секция токопровода прямая СТ-210-18/е-2СН (2СД) 7.407-8.2.50СБ Секция токопровода прямая СТ-210-18/е-2СН (2СД). Сборочный чертеж 7.407-8.2.60 Секция токопровода прямая СТ-140-24/е-2СН (2СД) 7.407-8.2.60СБ Секция токопровода прямая СТ-140-24/е-2СН (2СД). Сборочный чертеж 7.407-8.2.70 Секция токопровода прямая СТ-210-24/е-2СН (2СД) 7.407-8.2.70СБ Секция токопровода прямая СТ-210-24/е-2СН (2СД). Сборочный чертеж 7.407-8.2.80 Секция токопровода угловая левая СТУ-140/е-90/л-2СН (2СД) 7.407-8.2.80СБ Секция токопровода угловая левая СТУ-140/е-90/л-2СН (2СД). Сборочный чертеж 7.407-8.2.90 Секция токопровода угловая левая СТУ-210/е-90/л-2СН (2СД 7.407-8.2.90СБ Секция токопровода угловая левая СТУ-210/е-90/л-2СН (2СД). Сборочный чертеж 7.407-8.2.100 Секция токопровода угловая правая СТУ-140/е-90/п-2СН (2СД) 7.407-8.2.100СБ Секция токопровода угловая правая СТУ-140/е-90/п-2СН (2СД). Сборочный чертеж 7.407-8.2.110 Секция токопровода угловая правая СТУ-210/е-90/п-2СН (2СД) 7.407-8.2.110СБ Секция токопровода угловая правая СТУ-210/е-90/п-2СН (2СД). Сборочный чертеж 7.407-8.2.120 Секция токопровода угловая СТУ-140/е-45-2СН (2СД) 7.407-8.2.120СБ Секция токопровода угловая правая СТУ-140/е-45-2СН (2СД). Сборочный чертеж 7.407-8.2.130 Секция токопровода угловая СТУ-210/е-45-2СН (2СД) 7.407-8.2.130СБ Секция токопровода угловая правая СТУ-210/е-45-2СН (2СД). Сборочный чертеж 7.407-8.2.140 Секция токопровода угловая СТУ-140/е-15-2СН (2СД) 7.407-8.2.140СБ Секция токопровода угловая СТУ-140/е-15-2СН (2СД). Сборочный чертеж 7.407-8.2.150 Секция токопровода угловая СТУ-210/е-15-2СН (2СД) 7.407-8.2.150СБ Секция токопровода угловая СТУ-210/е-15-2СН (2СД). Сборочный чертеж 7.407-8.2.160 Секция токопровода наклонная (угол подъема 30 град.) 7.407-8.2.160СБ Секция токопровода наклонная (угол подъема 30 град.). Сборочный чертеж 7.407-8.2.170 Секция токопровода наклонная (угол подъема 15 град.) 7.407-8.2.170СБ Секция токопровода наклонная (угол подъема 15 град.). Сборочный чертеж 7.407-8.2.180 Секция токопровода наклонная (угол подъема 9 град.) 7.407-8.2.180СБ Секция токопровода наклонная (угол подъема 9 град.). Сборочный чертеж 7.407-8.2.190 Секция токопровода наклонная (угол спуска 30 град.) 7.407-8.2.190СБ Секция токопровода наклонная (угол спуска 30 град.). Сборочный чертеж 7.407-8.2.200 Секция токопровода наклонная (угол спуска 15 град.) 7.407-8.2.200СБ Секция токопровода наклонная (угол спуска 15 град.). Сборочный чертеж 7.407-8.2.210 Секция токопровода наклонная (угол спуска 9 град.) 7.407-8.2.210СБ Секция токопровода наклонная (угол спуска 9 град.). Сборочный чертеж 7.407-8.2.220 Подвес токопровода 7.407-8.2.220СБ Подвес токопровода. Сборочный чертеж 7.407-8.2.230 Стяжка промежуточная 7.407-8.2.230СБ Стяжка промежуточная. Сборочный чертеж 7.407-8.2.240 Гирлянда изоляторов натяжная ГН-1/Д-3СН (3СД) 7.407-8.2.250 Гирлянда изоляторов натяжная ГН-2/Д-3СН (3СД) 7.407-8.2.250СБ Гирлянда изоляторов натяжная ГН-2/Д-3СН (3СД). Сборочный чертеж 7.407-8.2.260 Гирлянда изоляторов натяжная ГН-3/Д-3СН (3СД) 7.407-8.2.260СБ Гирлянда изоляторов натяжная ГН-3/Д-3СН (3СД). Сборочный чертеж 7.407-8.2.270 Гирлянда изоляторов натяжная ГН-1/Н-3СН (3СД) 7.407-8.2.280 Гирлянда изоляторов натяжная ГН-2/Н-3СН (3СД) 7.407-8.2.290 Гирлянда изоляторов натяжная ГН-3/Н-3СН (3СД) 7.407-8.2.300 Фиксатор подвеса токопровода 7.407-8.2.310 Фиксатор фаз гибкого токопровода 7.407-8.2.320 Компенсаторный узел для шин профиля труба 140х10 7.407-8.2.330 Компенсаторный узел угловой для шин профиля труба 140х10 7.407-8.2.340 Компенсаторный узел для шин профиля труба 210х10 7.407-8.2.350 Компенсаторный узел угловой для шин профиля труба 210х10 7.407-8.2.360 Компенсатор шинный 7.407-8.2.370 Шинодержатель 7.407-8.2.370СБ Шинодержатель. Сборочный чертеж 7.407-8.2.380 Шинодержатель 7.407-8.2.390 Конструкция с изоляторами ИОС-20-2000-01УХЛ1 (ИОС-35-2000 УХЛ1) 7.407-8.2.390СБ Конструкция с изоляторами ИОС-20-2000-01УХЛ1 (ИОС-35-2000 УХЛ1). Сборочный чертеж 7.407-8.2.400 Конструкция с изоляторами ИОС-20-2000-01УХЛ1 (ИОС-35-2000 УХЛ1) 7.407-8.2.400СБ Конструкция с изоляторами ИОС-20-2000-01УХЛ1 (ИОС-35-2000 УХЛ1). Сборочный чертеж 7.407-8.2.410 Конструкция с изоляторами ИОС-20-2000-01УХЛ1 (ИОС-35-2000 УХЛ1) 7.407-8.2.410СБ Конструкция с изоляторами ИОС-20-2000-01УХЛ1 (ИОС-35-2000 УХЛ1). Сборочный чертеж 7.407-8.2.420 Конструкция с изоляторами ИОС-20-2000-01УХЛ1 (ИОС-35-2000 УХЛ1) 7.407-8.2.420СБ Конструкция с изоляторами ИОС-20-2000-01УХЛ1 (ИОС-35-2000 УХЛ1). Сборочный чертеж 7.407-8.2.430 Конструкция с изоляторами ИОС-20-2000-01УХЛ1 (ИОС-35-2000 УХЛ1) 7.407-8.2.430СБ Конструкция с изоляторами ИОС-20-2000-01УХЛ1 (ИОС-35-2000 УХЛ1). Сборочный чертеж 7.407-8.2.440 Конструкция с изоляторами ИОС-20-2000-01УХЛ1 (ИОС-35-2000 УХЛ1) 7.407-8.2.440СБ Конструкция с изоляторами ИОС-20-2000-01УХЛ1 (ИОС-35-2000 УХЛ1). Сборочный чертеж 7.407-8.2.450 Конструкция с изоляторами ИОС-20-2000-01УХЛ1 (ИОС-35-2000 УХЛ1) 7.407-8.2.450СБ Конструкция с изоляторами ИОС-20-2000-01УХЛ1 (ИОС-35-2000 УХЛ1). Сборочный чертеж 7.407-8.2.460 Конструкция с изоляторами ИОС-20-2000-01УХЛ1 (ИОС-35-2000 УХЛ1) 7.407-8.2.460СБ Конструкция с изоляторами ИОС-20-2000-01УХЛ1 (ИОС-35-2000 УХЛ1). Сборочный чертеж 7.407-8.2.470 Конструкция с изоляторами ИОС-20-2000-01УХЛ1 (ИОС-35-2000 УХЛ1) 7.407-8.2.470СБ Конструкция с изоляторами ИОС-20-2000-01УХЛ1 (ИОС-35-2000 УХЛ1). Сборочный чертеж 7.407-8.2.480 Конструкция с изоляторами ИОС-20-2000-01УХЛ1 (ИОС-35-2000 УХЛ1) 7.407-8.2.490 Конструкция с изоляторами ИОС-20-2000-01УХЛ1 (ИОС-35-2000 УХЛ1) 7.407-8.2.490СБ Конструкция с изоляторами ИОС-20-2000-01УХЛ1 (ИОС-35-2000 УХЛ1). Сборочный чертеж 7.407-8.2.500 Конструкция с изоляторами ИОС-20-2000-01УХЛ1 (ИОС-35-2000 УХЛ1) 7.407-8.2.500СБ Конструкция с изоляторами ИОС-20-2000-01УХЛ1 (ИОС-35-2000 УХЛ1). Сборочный чертеж 7.407-8.2.510 Конструкция с изоляторами ИОС-20-2000-01УХЛ1 (ИОС-35-2000 УХЛ1) 7.407-8.2.520 Конструкция с изоляторами ИОС-20-2000-01УХЛ1 (ИОС-35-2000 УХЛ1) 7.407-8.2.530 Конструкция с изоляторами ИОС-20-2000-01УХЛ1 (ИОС-35-2000 УХЛ1) 7.407-8.2.540 Конструкция с изоляторами ИОС-20-2000-01УХЛ1 (ИОС-35-2000 УХЛ1) 7.407-8.2.550 Контактный узел 7.407-8.2.560 Узел сварки шин 7.407-8.2.570 Тяга фиксатора подвеса токопровода 7.407-8.2.01 Пластина контактная 7.407-8.2.02 Планка алюминиевая 7.407-8.2.03 Планка стальная 7.407-8.2.04 Планка стальная 7.407-8.2.05 Планка стальная 7.407-8.2.06 Планка стальная 7.407-8.2.07 Планка стальная 7.407-8.2.08 Планка алюминиевая 7.407-8.2.09 Заглушка алюминиевая 7.407-8.2.11 Планка стальная 7.407-8.2.12 Косынка стальная 7.407-8.2.13 Косынка алюминиевая 7.407-8.2.14 Косынка стальная |
| Разработан: | ВНИПИ Тяжпромэлектропроект им. Ф.Б. Якубовского |
| Утверждён: | 09.06.1986 Минмонтажспецстрой СССР (USSR Minmontazhspetsstroy ) |



















































































































