Скачать Серия 5.407-126 Выпуск 1. Материалы для проектирования и рабочие чертежи

Дата актуализации: 01.01.2021

Серия 5.407-126

Выпуск 1. Материалы для проектирования и рабочие чертежи

Обозначение: Серия 5.407-126
Обозначение англ: Series 5.407-126
Статус:не определен законодательством
Название рус.:Выпуск 1. Материалы для проектирования и рабочие чертежи
Дата добавления в базу:01.09.2013
Дата актуализации:01.01.2021
Дата введения:01.01.1991
Дата окончания срока действия:30.06.2003
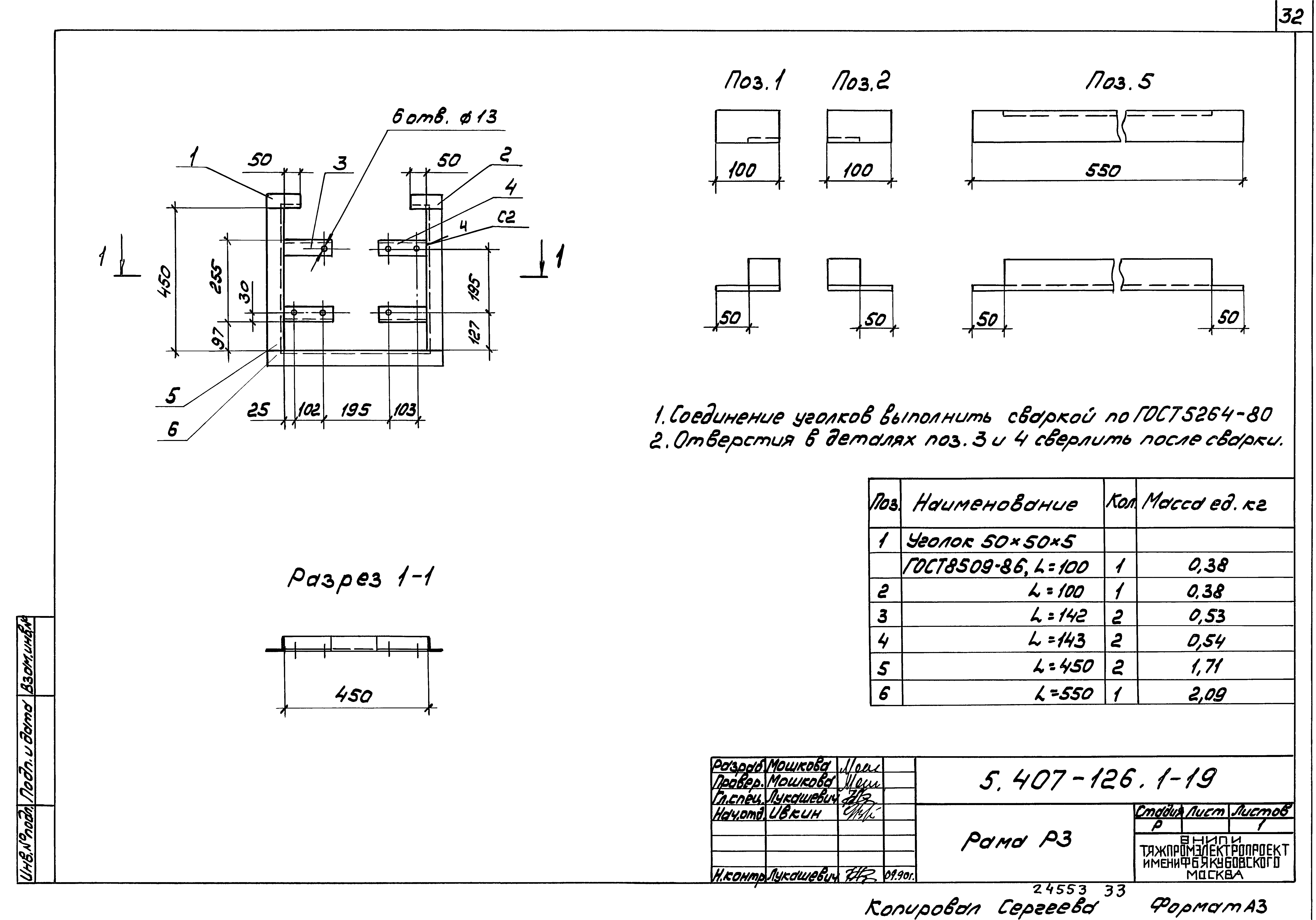
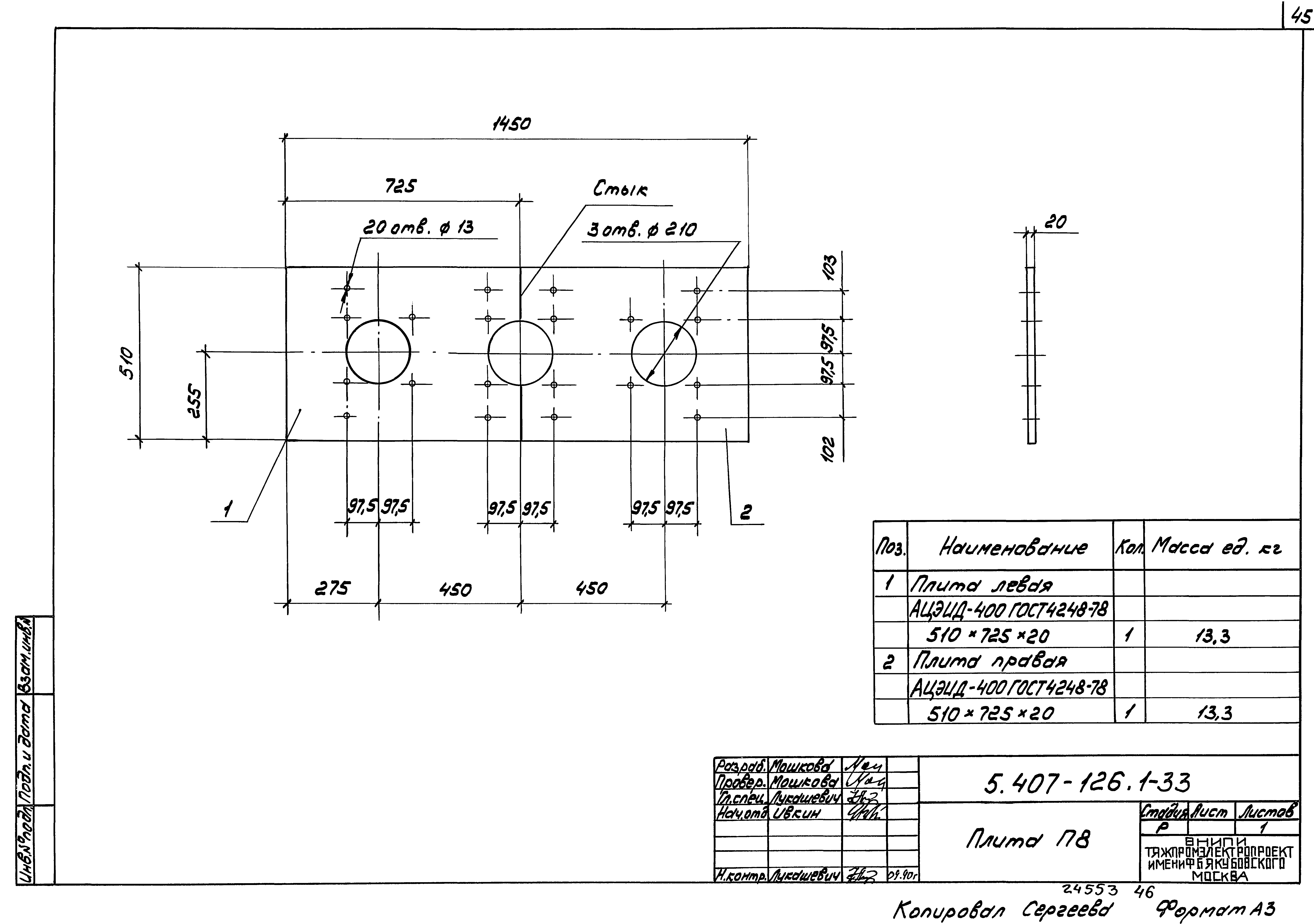
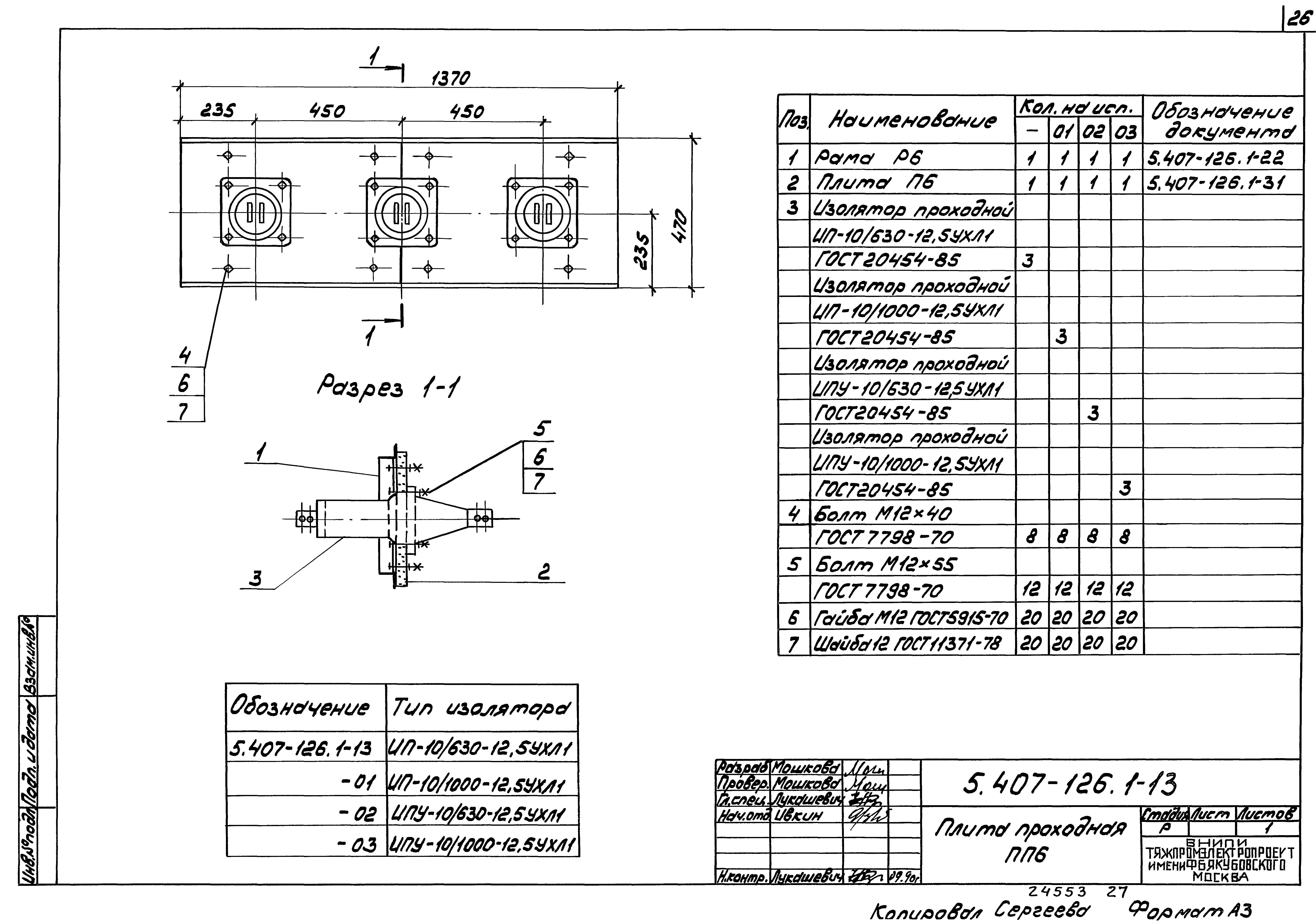
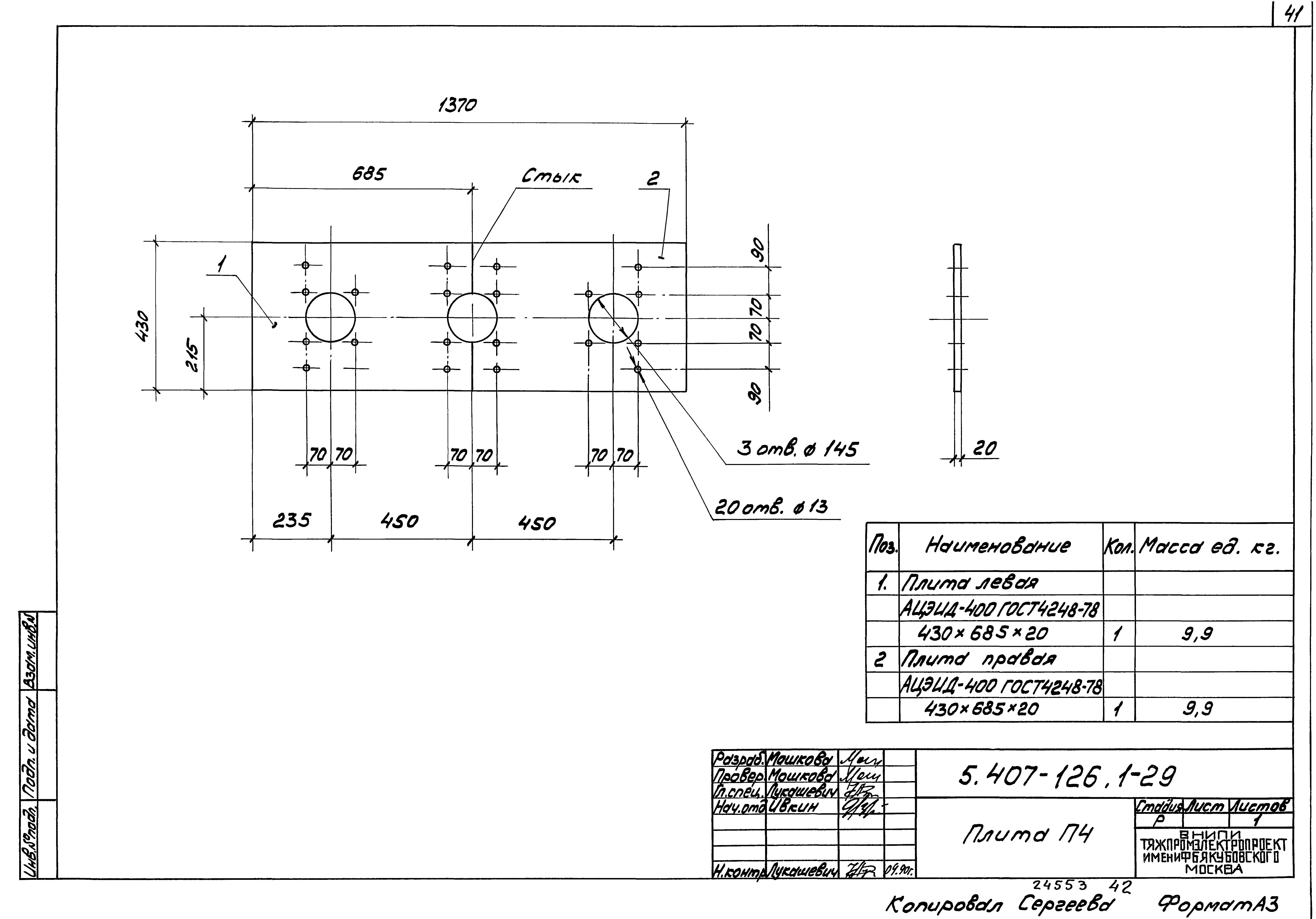
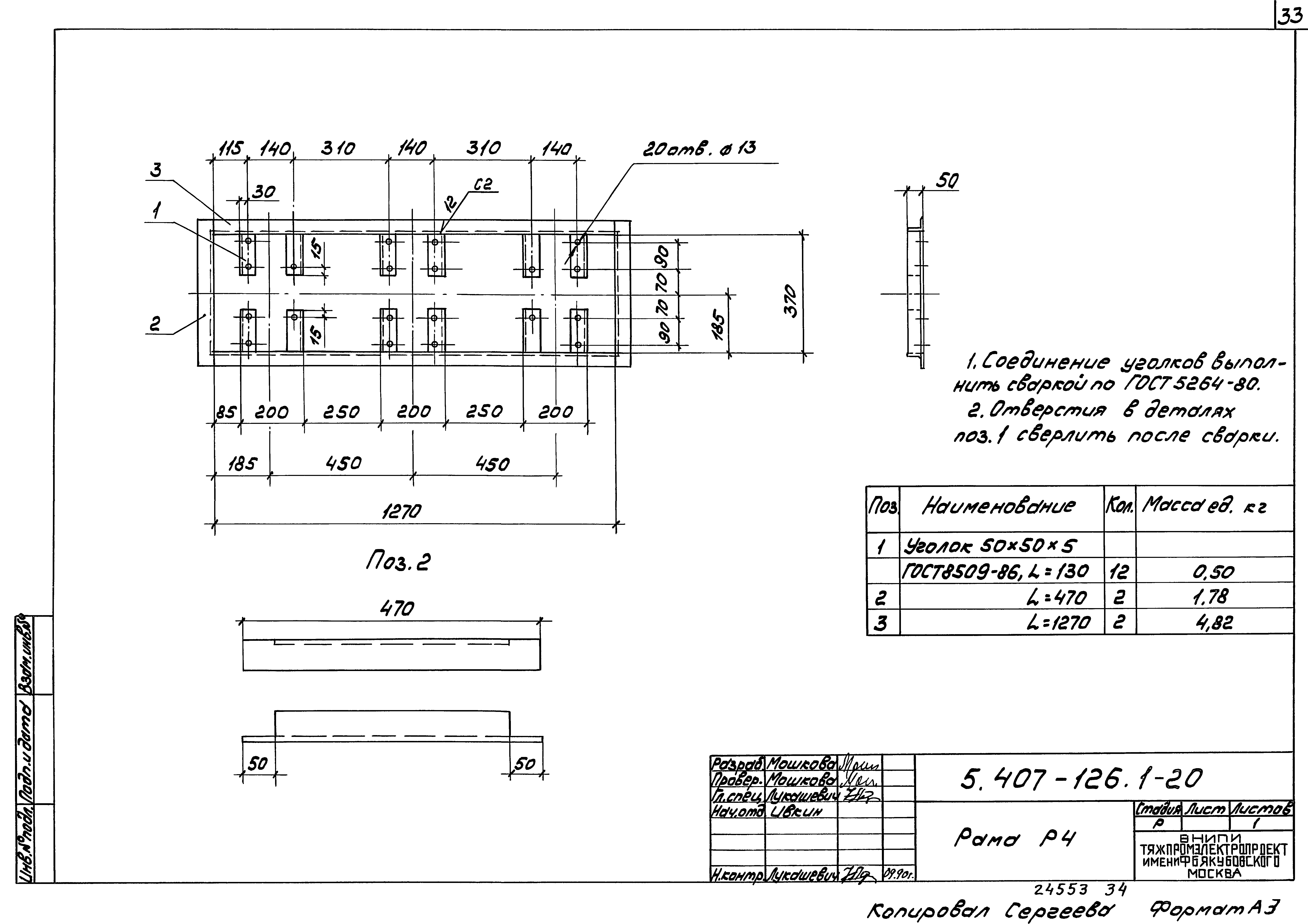
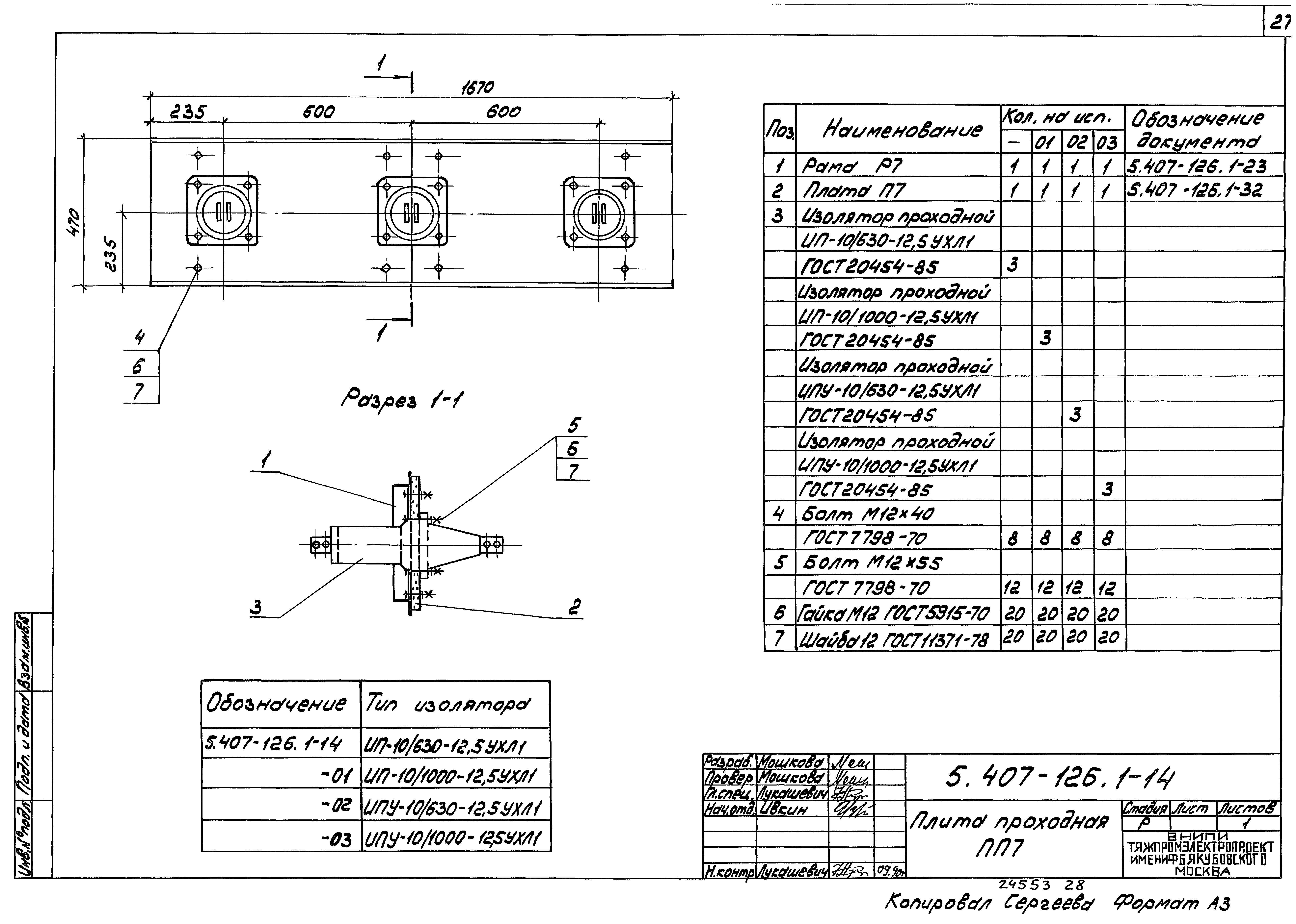
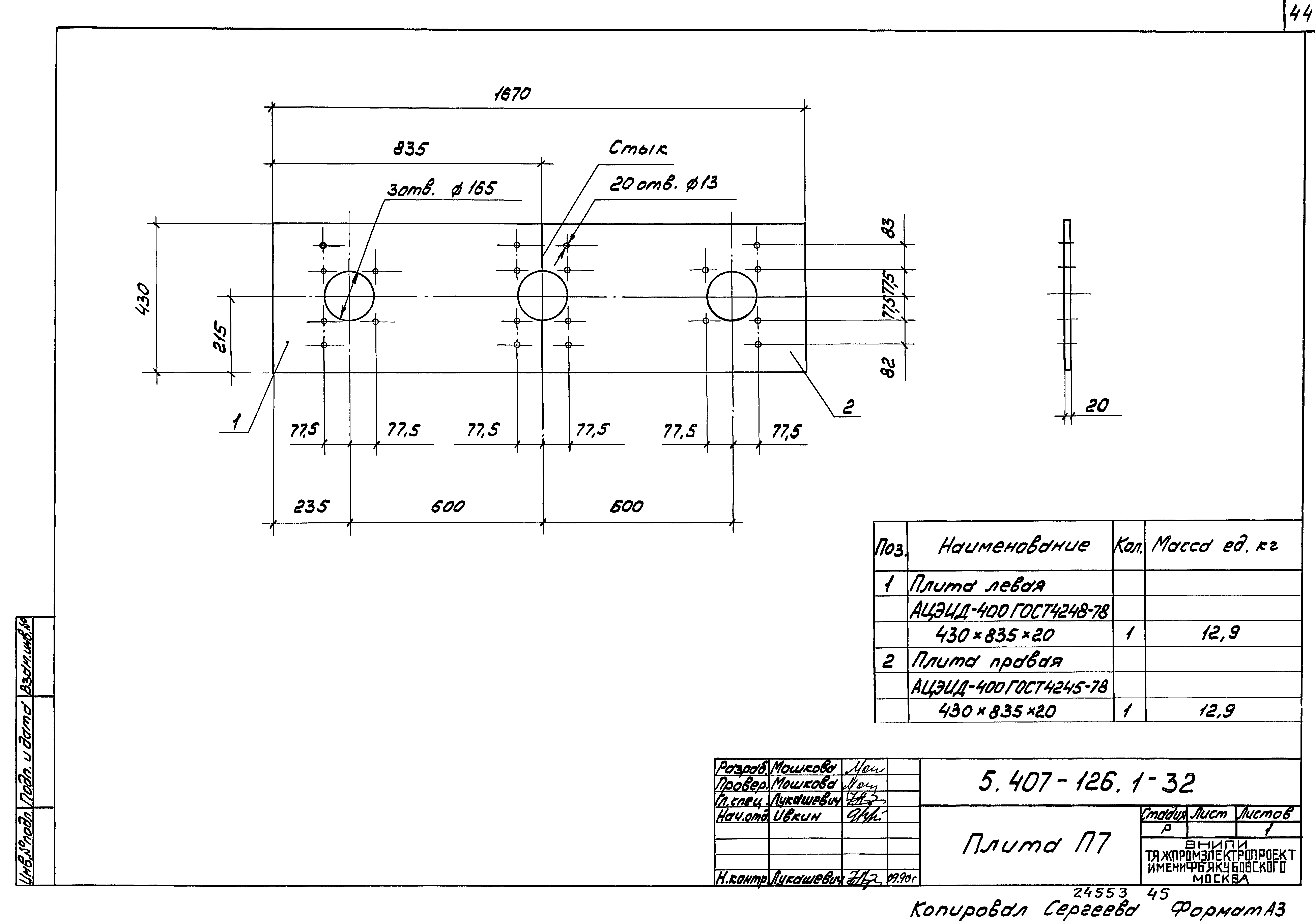
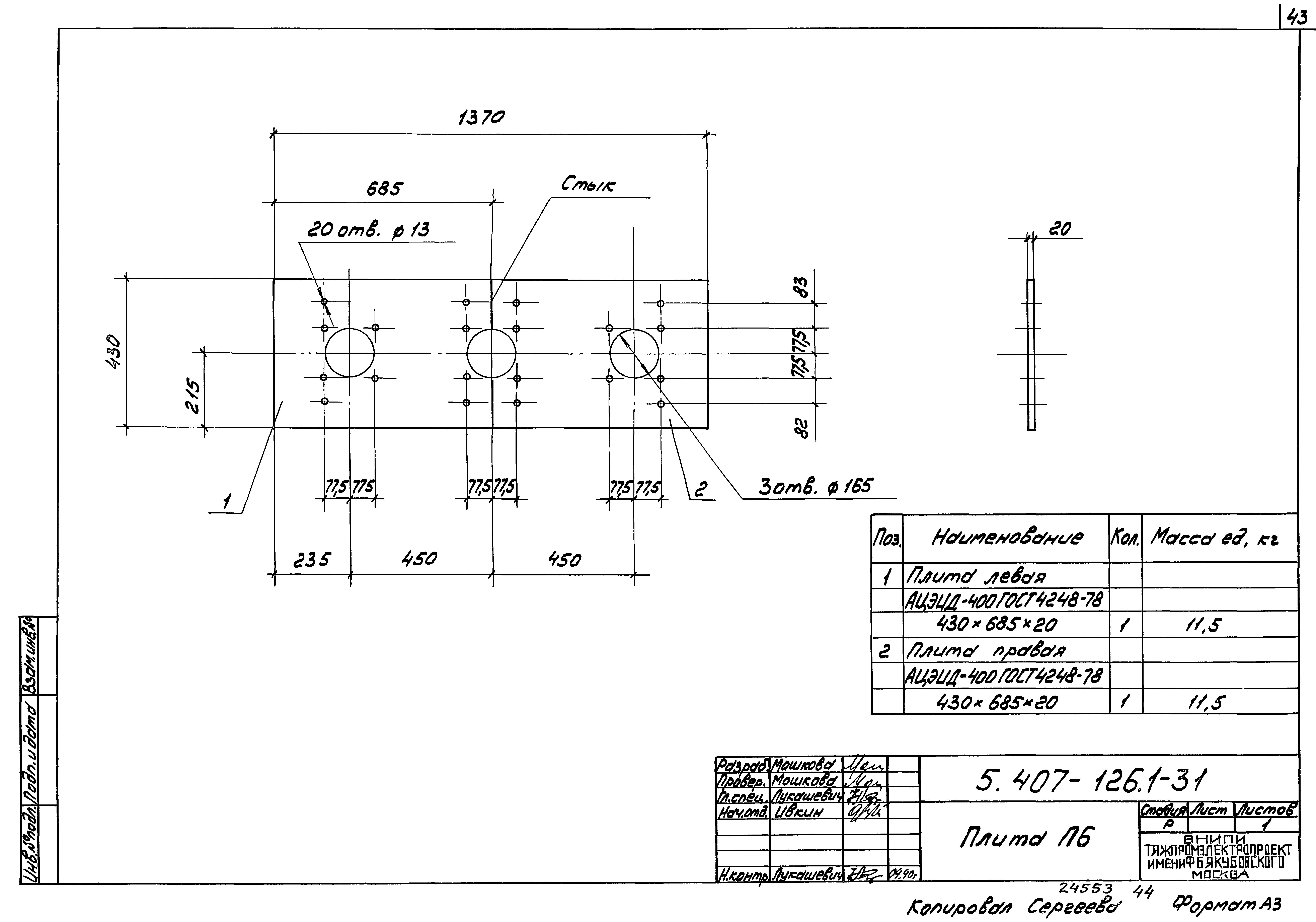
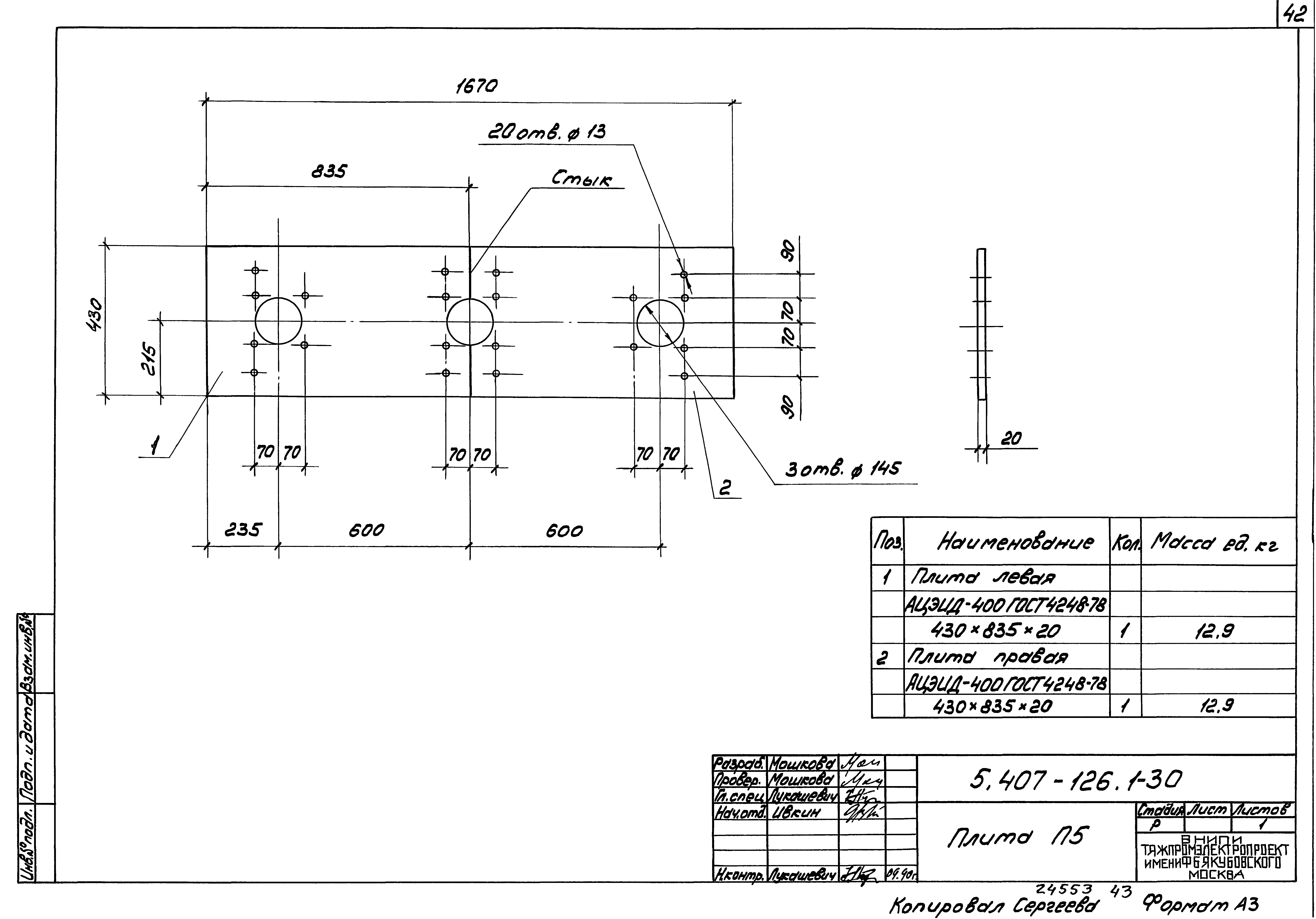
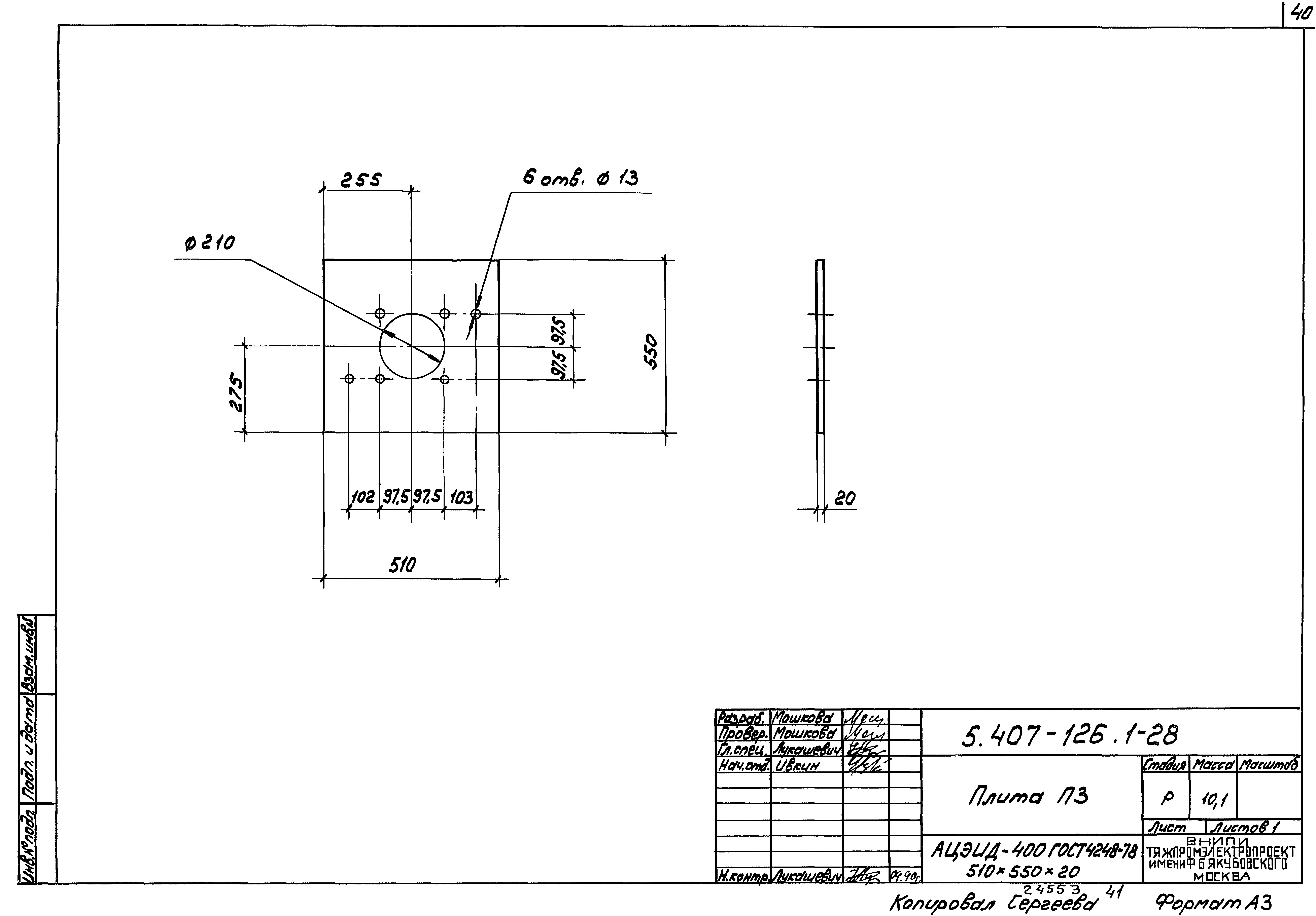
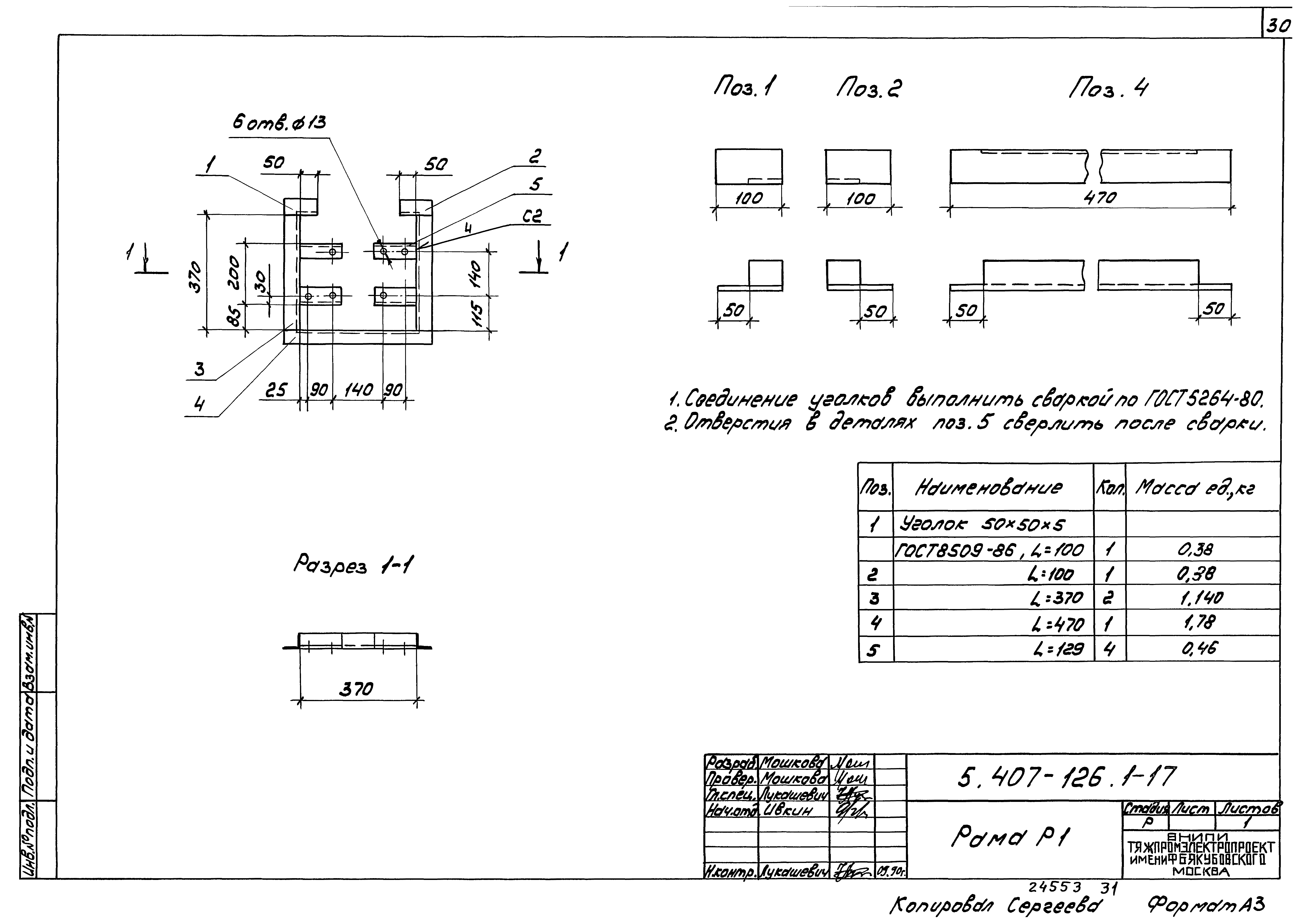
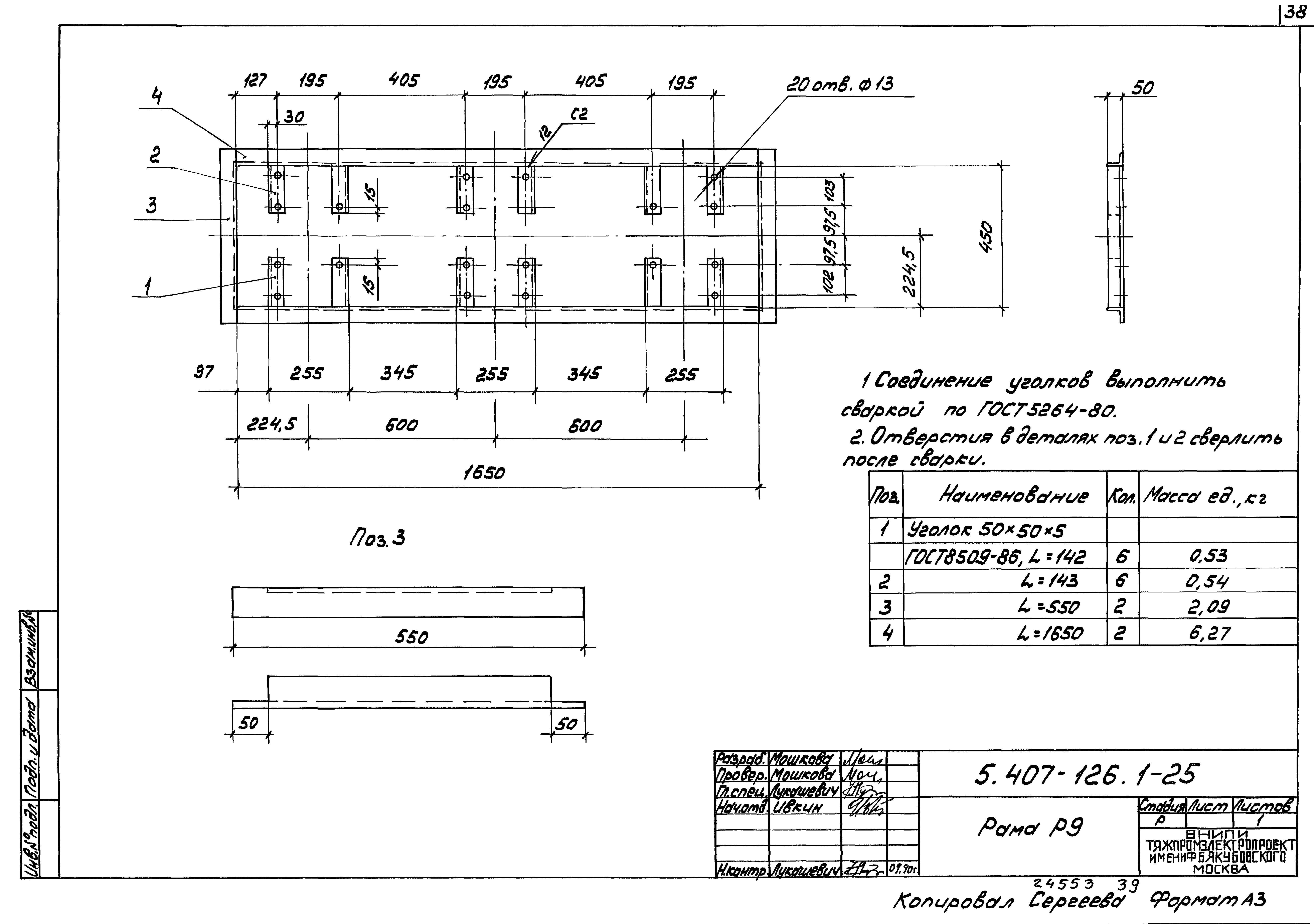
Область применения:Серия содержит рабочую документацию на проходные плиты с изоляторами на напряжение 10 кВ, материалы для проектирования (выбор плит и строительные задания на проемы), ведомости оборудования и материалов для изготовления проходных плит, а также номенклатуру и габаритные чертежи изоляторов с указанием минимальной разрушающей нагрузки на изгиб
Разработан: ВНИПИ Тяжпромэлектропроект им. Ф.Б. Якубовского
Утверждён:22.03.1990 НПО Электромонтаж ММСС СССР
Серия 5.407-126Серия 5.407-126Серия 5.407-126Серия 5.407-126Серия 5.407-126Серия 5.407-126Серия 5.407-126Серия 5.407-126Серия 5.407-126Серия 5.407-126Серия 5.407-126Серия 5.407-126Серия 5.407-126Серия 5.407-126Серия 5.407-126Серия 5.407-126Серия 5.407-126Серия 5.407-126Серия 5.407-126Серия 5.407-126Серия 5.407-126Серия 5.407-126Серия 5.407-126Серия 5.407-126Серия 5.407-126Серия 5.407-126Серия 5.407-126Серия 5.407-126Серия 5.407-126Серия 5.407-126Серия 5.407-126Серия 5.407-126Серия 5.407-126Серия 5.407-126Серия 5.407-126Серия 5.407-126Серия 5.407-126Серия 5.407-126Серия 5.407-126Серия 5.407-126Серия 5.407-126Серия 5.407-126Серия 5.407-126Серия 5.407-126Серия 5.407-126Серия 5.407-126Серия 5.407-126