Скачать Серия 5.407-120 Выпуск 0. Материалы для проектирования

Дата актуализации: 01.01.2021

Серия 5.407-120

Выпуск 0. Материалы для проектирования

Обозначение: Серия 5.407-120
Обозначение англ: Series 5.407-120
Статус:не определен законодательством
Название рус.:Выпуск 0. Материалы для проектирования
Дата добавления в базу:01.09.2013
Дата актуализации:01.01.2021
Дата введения:01.07.1990
Дата окончания срока действия:30.06.2003
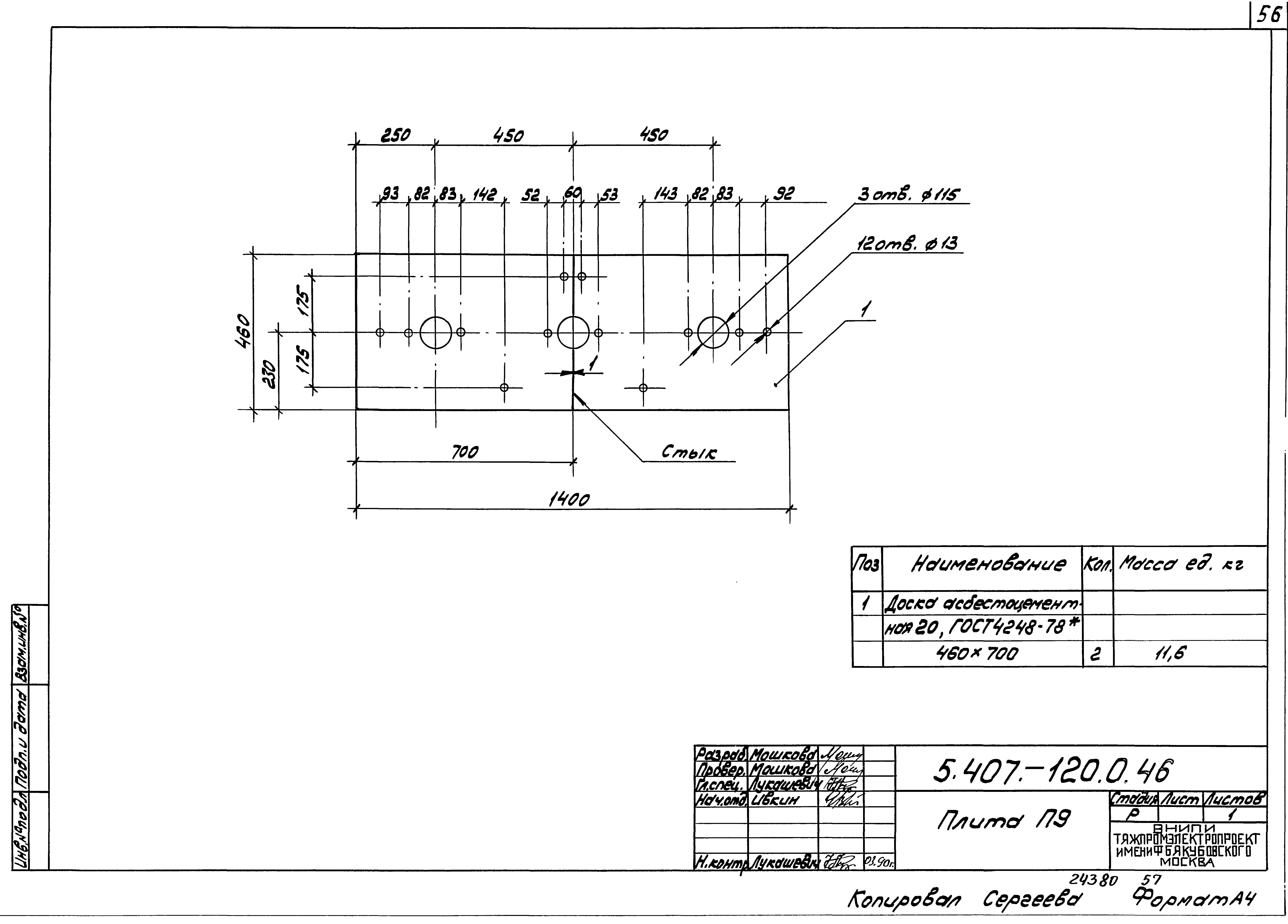
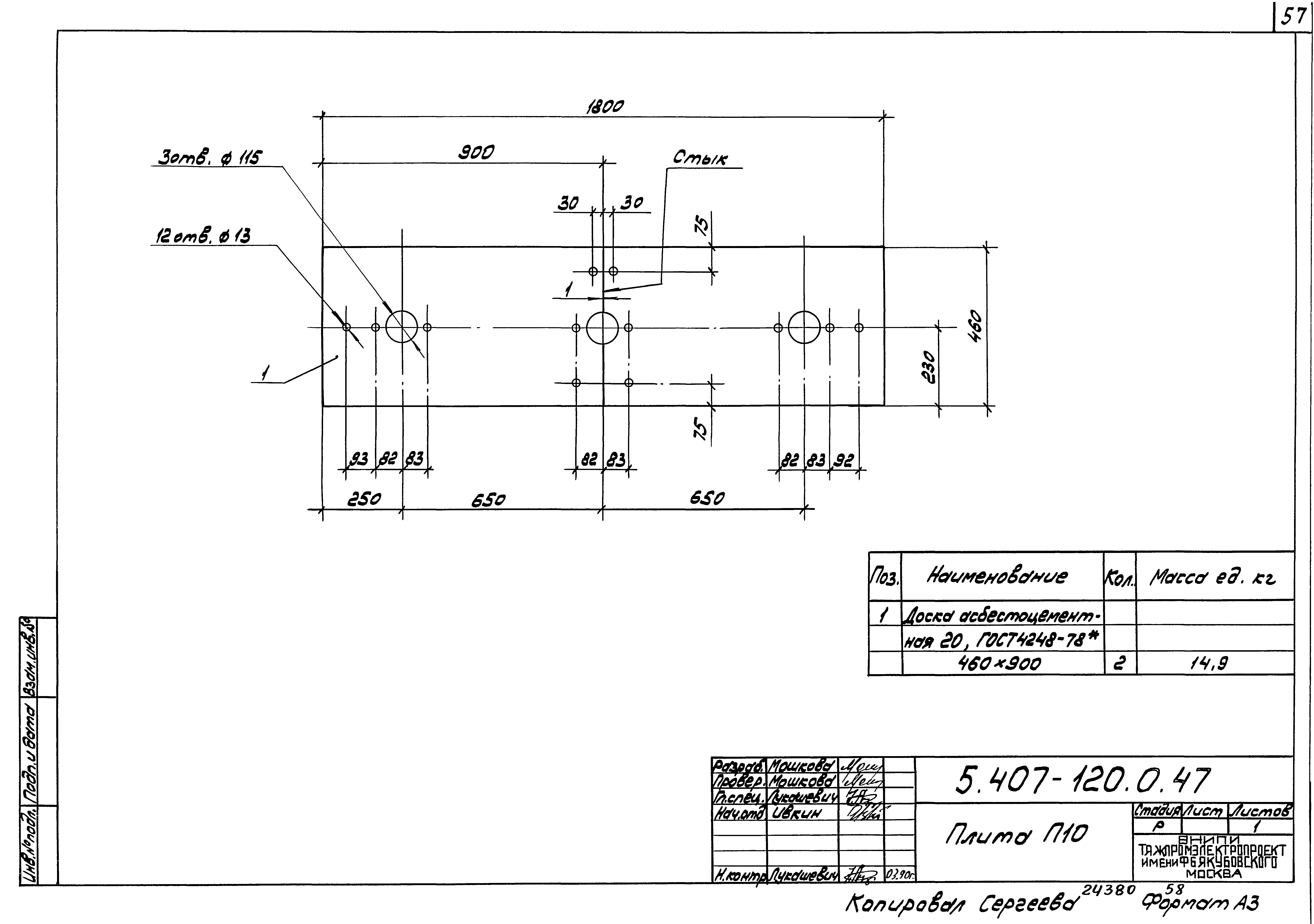
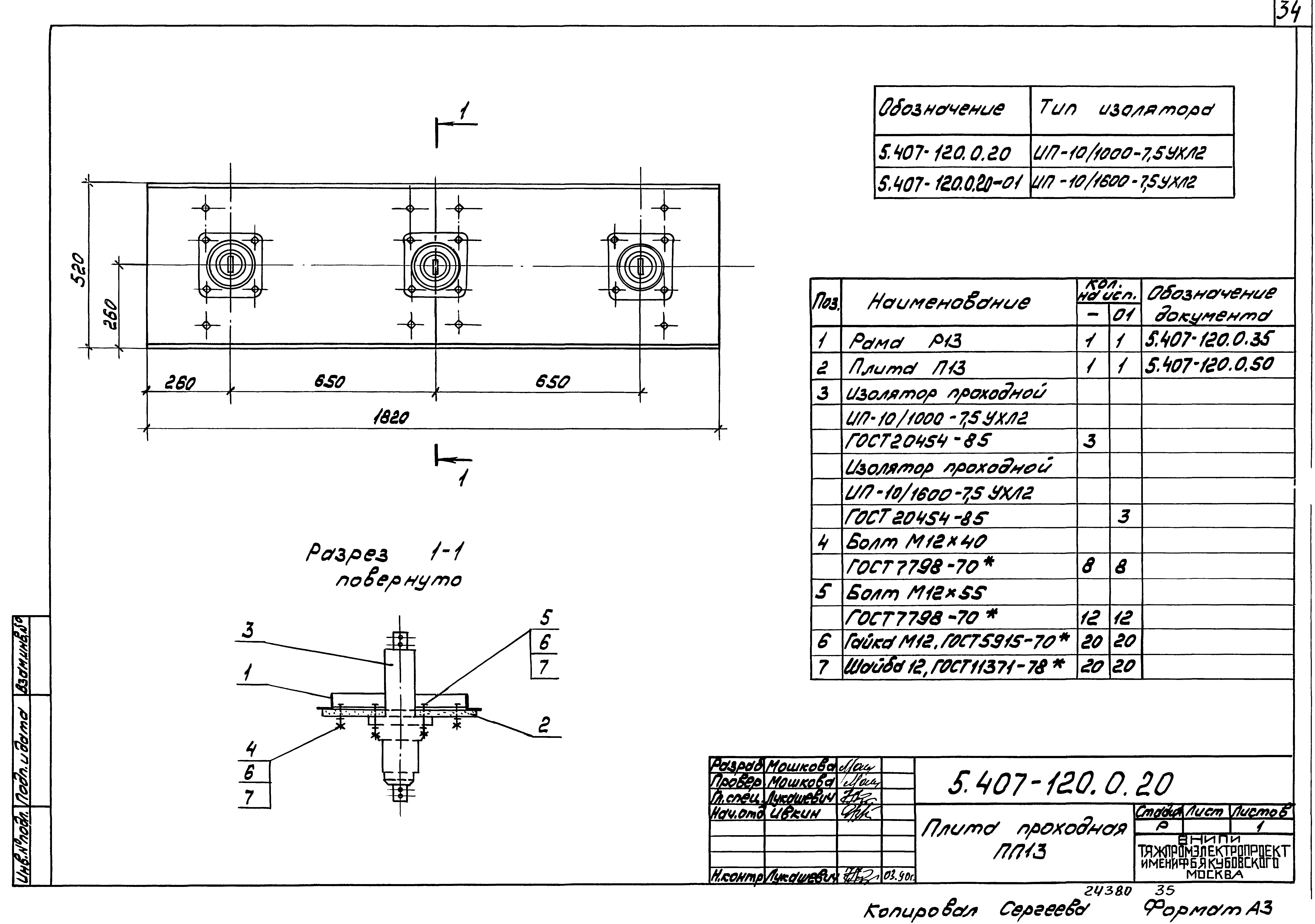
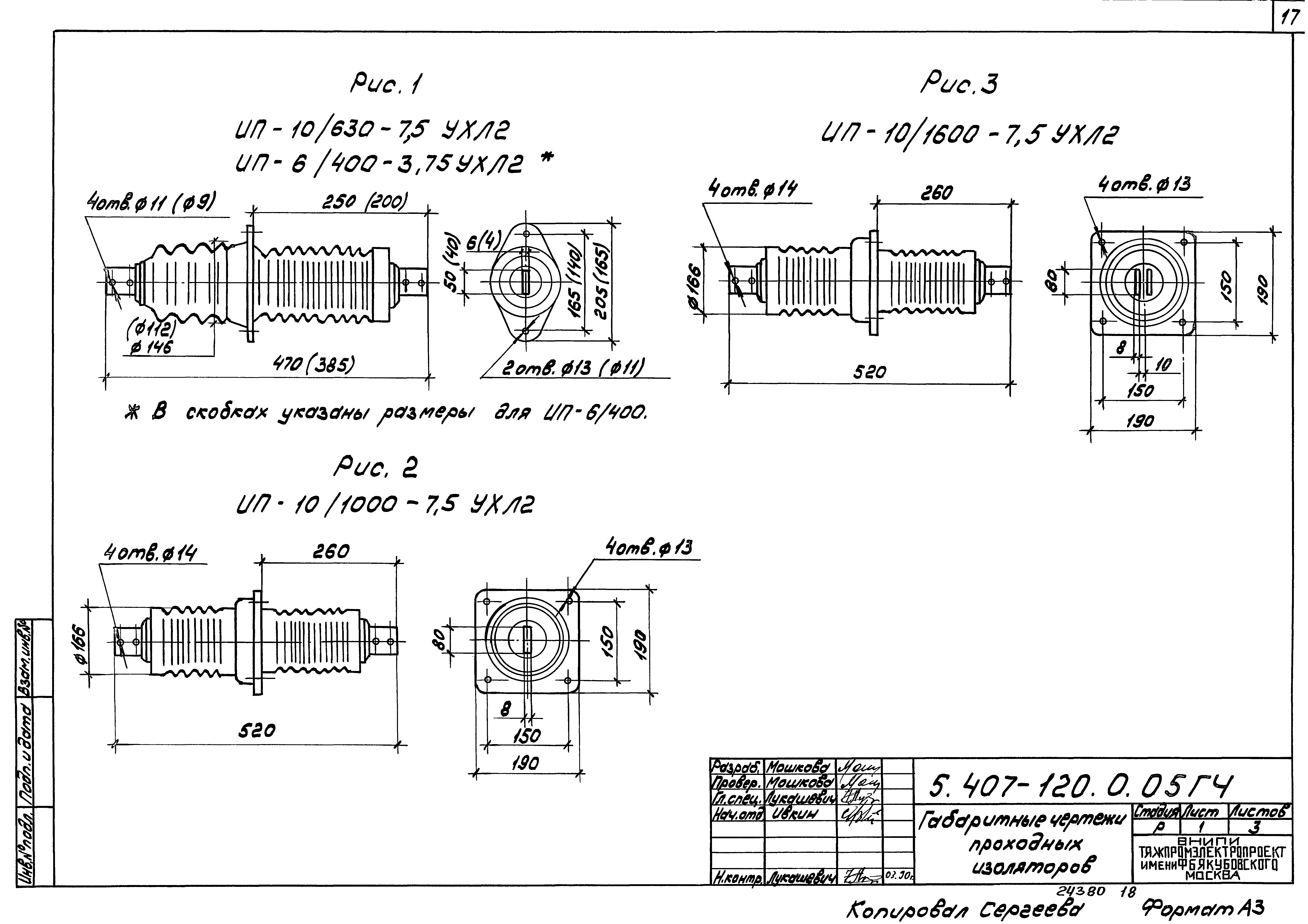
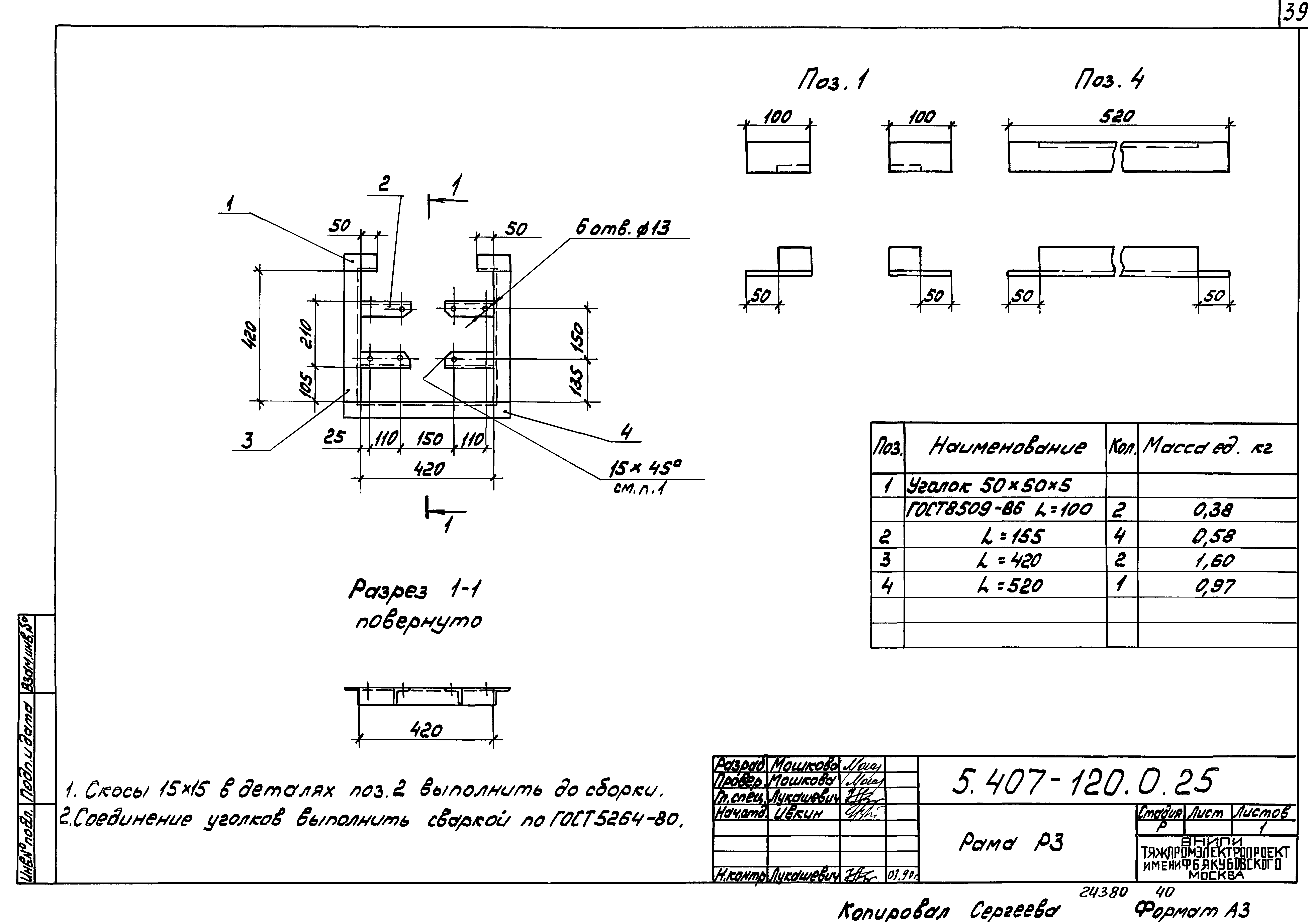
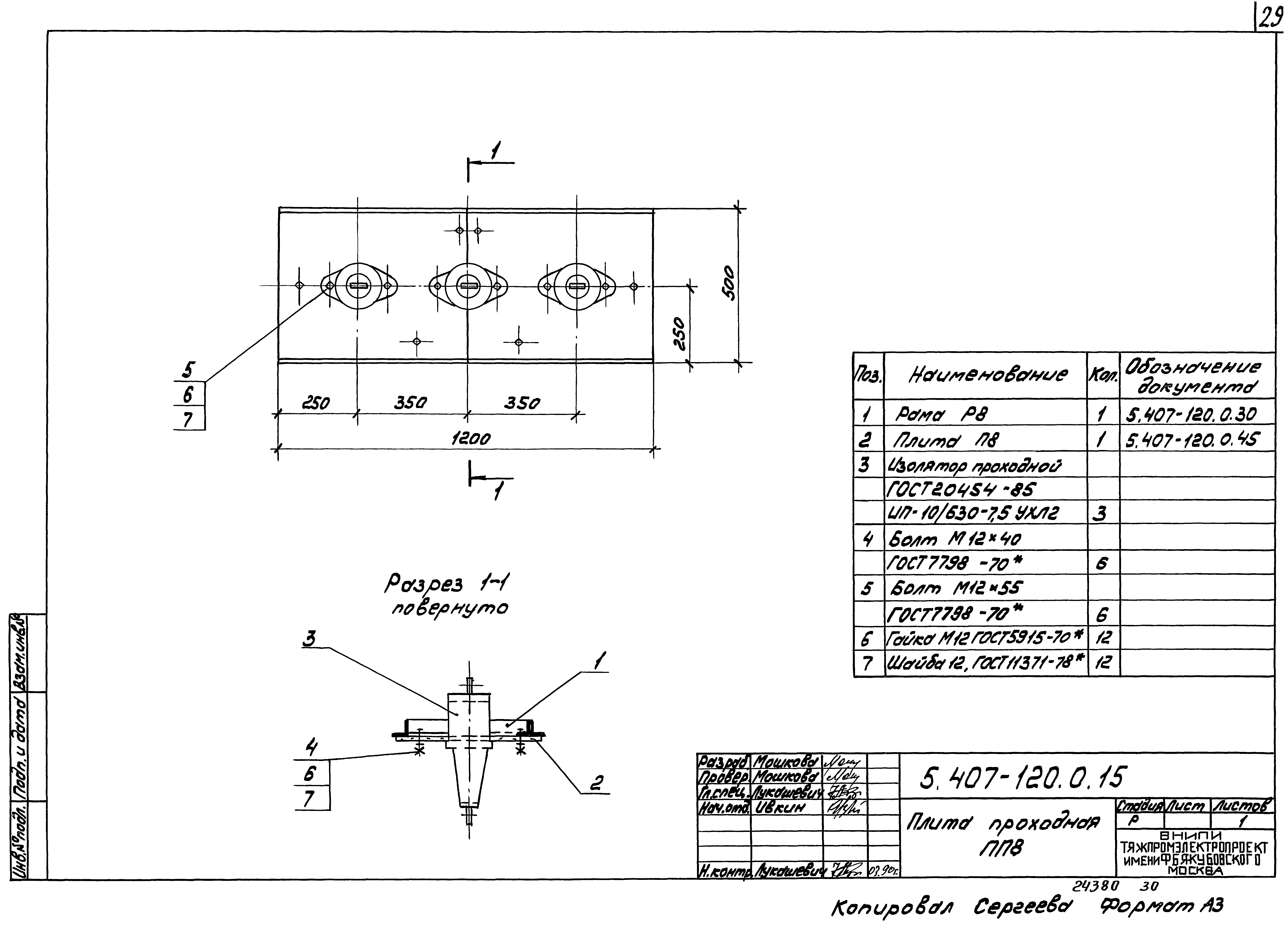
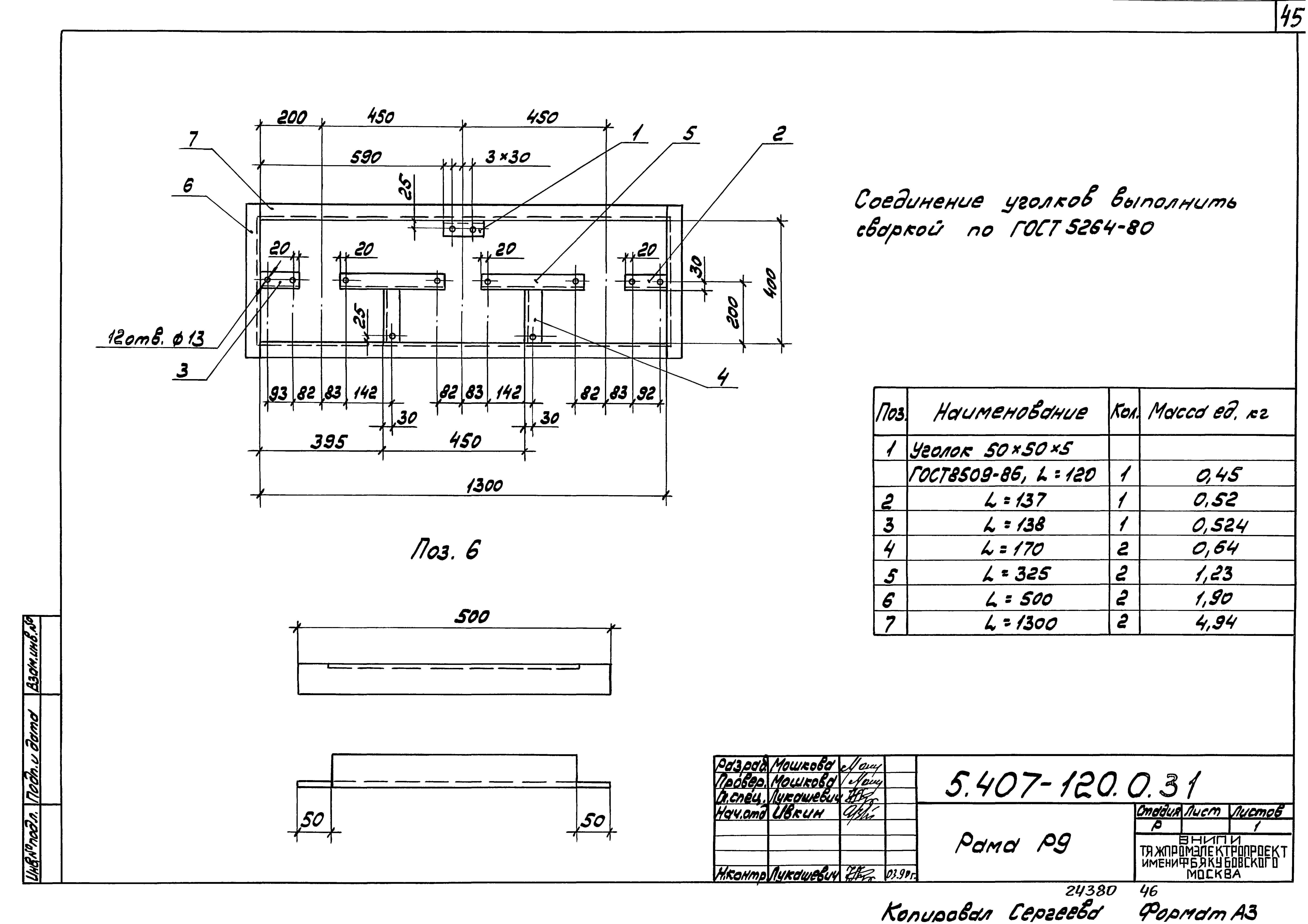
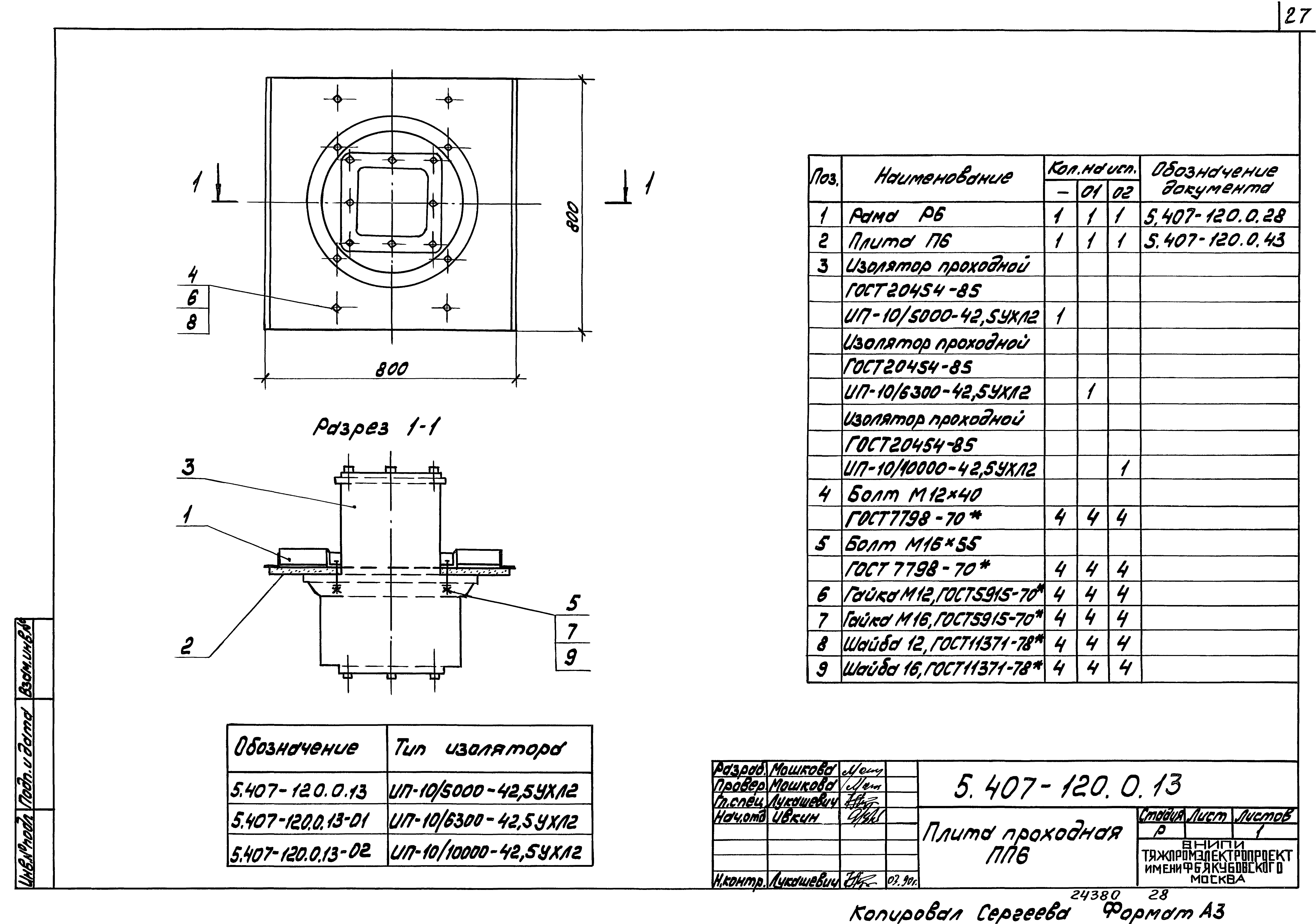
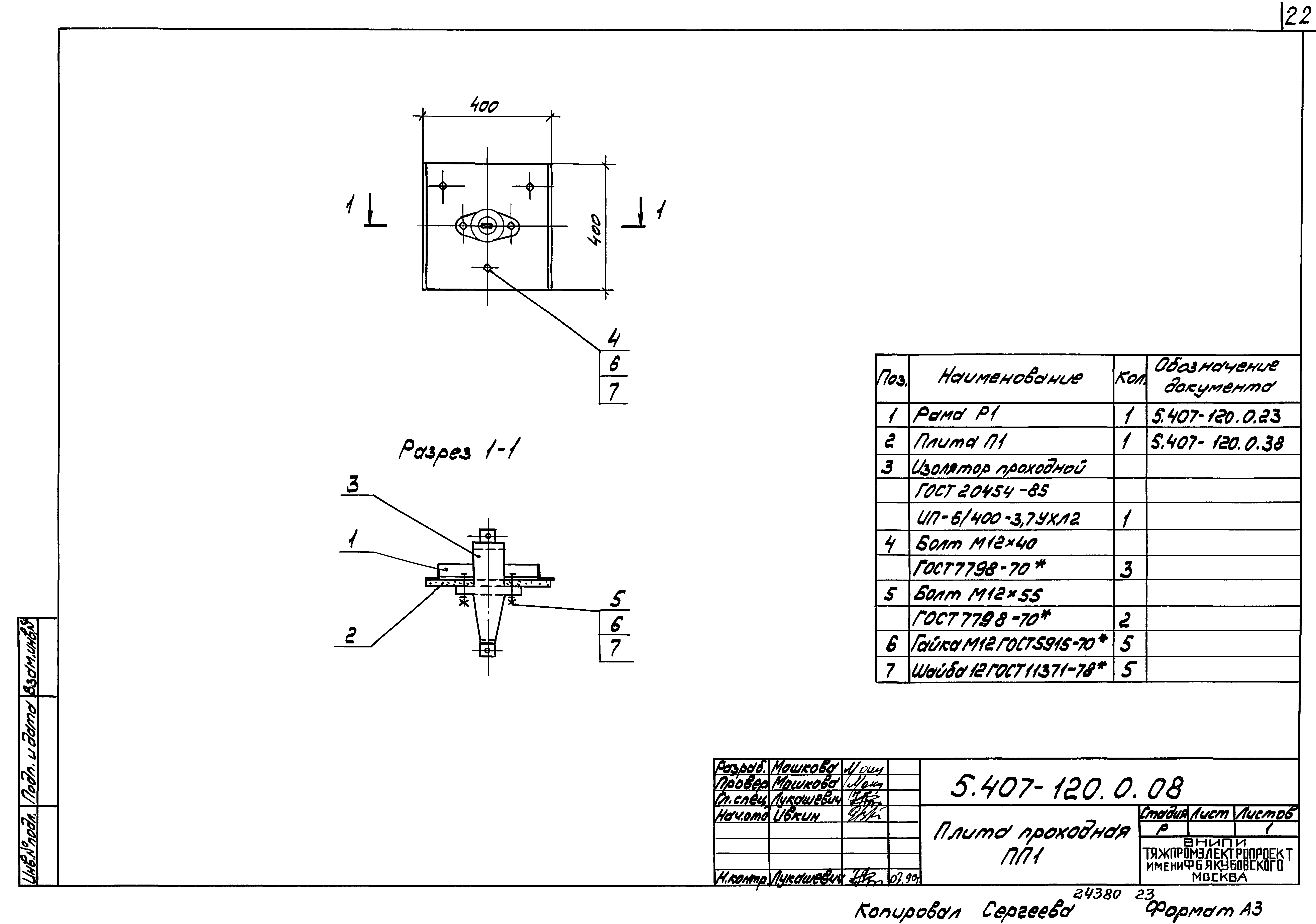
Область применения:Серия содержит рабочую документацию на проходные плиты с изоляторами на напряжение 6-10 кВ, материалы для проектирования (выбор плит и строительные задания на проемы), а также ведомости оборудования и материалов для изготовления проходных плит
Разработан: ВНИПИ Тяжпромэлектропроект им. Ф.Б. Якубовского
Утверждён:20.06.1989 НПО Электромонтаж ММСС СССР
Серия 5.407-120Серия 5.407-120Серия 5.407-120Серия 5.407-120Серия 5.407-120Серия 5.407-120Серия 5.407-120Серия 5.407-120Серия 5.407-120Серия 5.407-120Серия 5.407-120Серия 5.407-120Серия 5.407-120Серия 5.407-120Серия 5.407-120Серия 5.407-120Серия 5.407-120Серия 5.407-120Серия 5.407-120Серия 5.407-120Серия 5.407-120Серия 5.407-120Серия 5.407-120Серия 5.407-120Серия 5.407-120Серия 5.407-120Серия 5.407-120Серия 5.407-120Серия 5.407-120Серия 5.407-120Серия 5.407-120Серия 5.407-120Серия 5.407-120Серия 5.407-120Серия 5.407-120Серия 5.407-120Серия 5.407-120Серия 5.407-120Серия 5.407-120Серия 5.407-120Серия 5.407-120Серия 5.407-120Серия 5.407-120Серия 5.407-120Серия 5.407-120Серия 5.407-120Серия 5.407-120Серия 5.407-120Серия 5.407-120Серия 5.407-120Серия 5.407-120Серия 5.407-120Серия 5.407-120Серия 5.407-120Серия 5.407-120Серия 5.407-120Серия 5.407-120Серия 5.407-120Серия 5.407-120Серия 5.407-120Серия 5.407-120Серия 5.407-120Серия 5.407-120