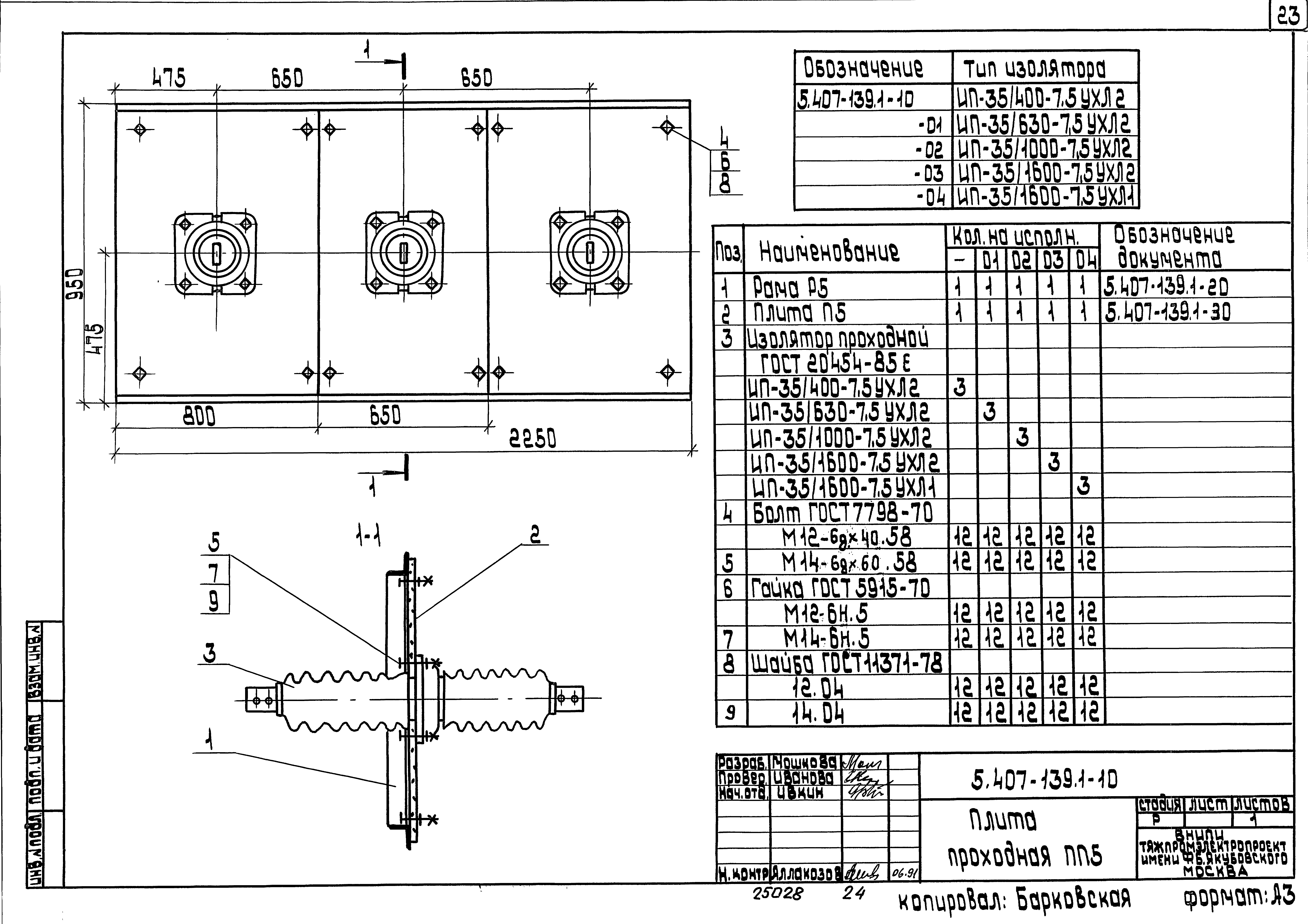
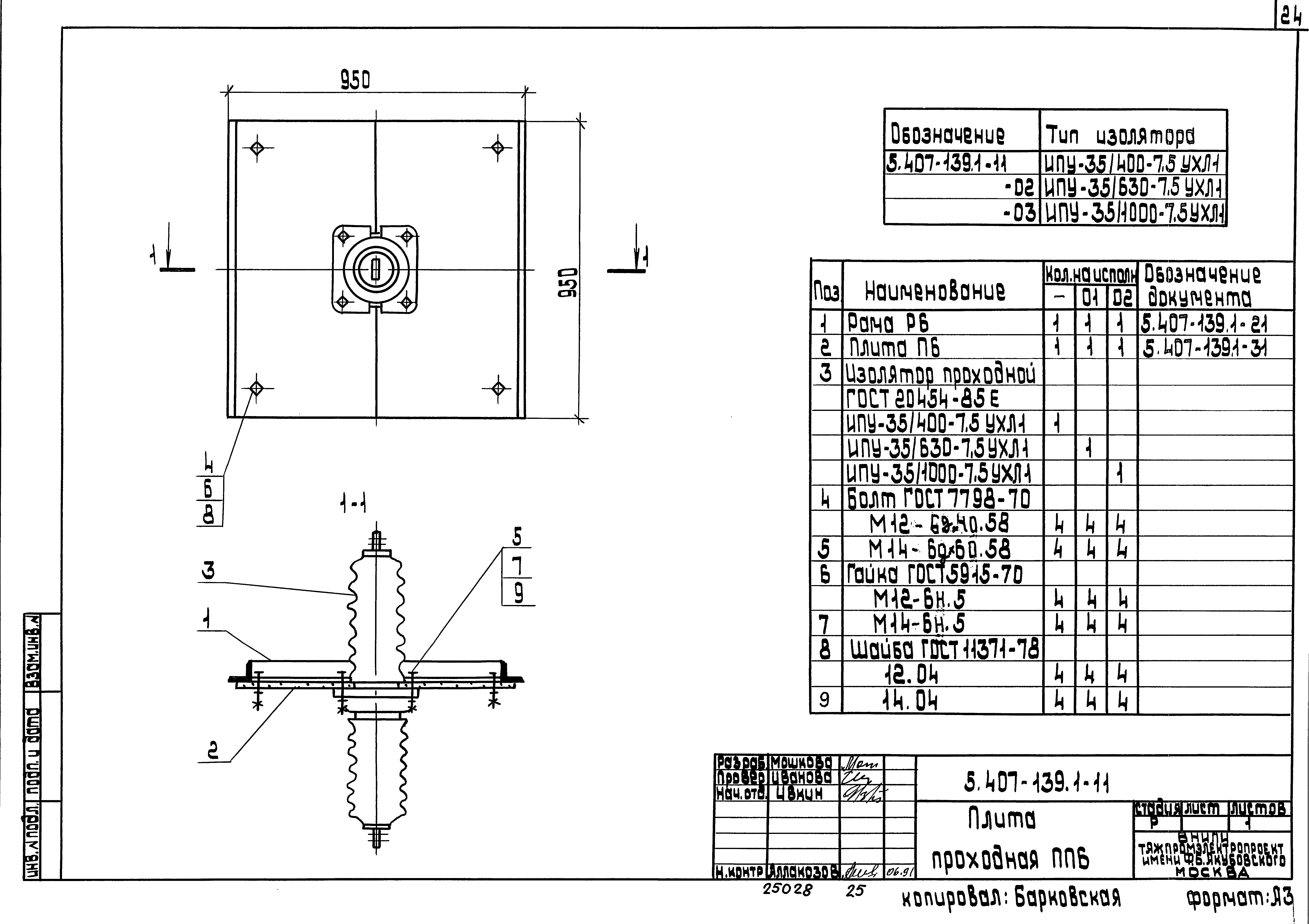
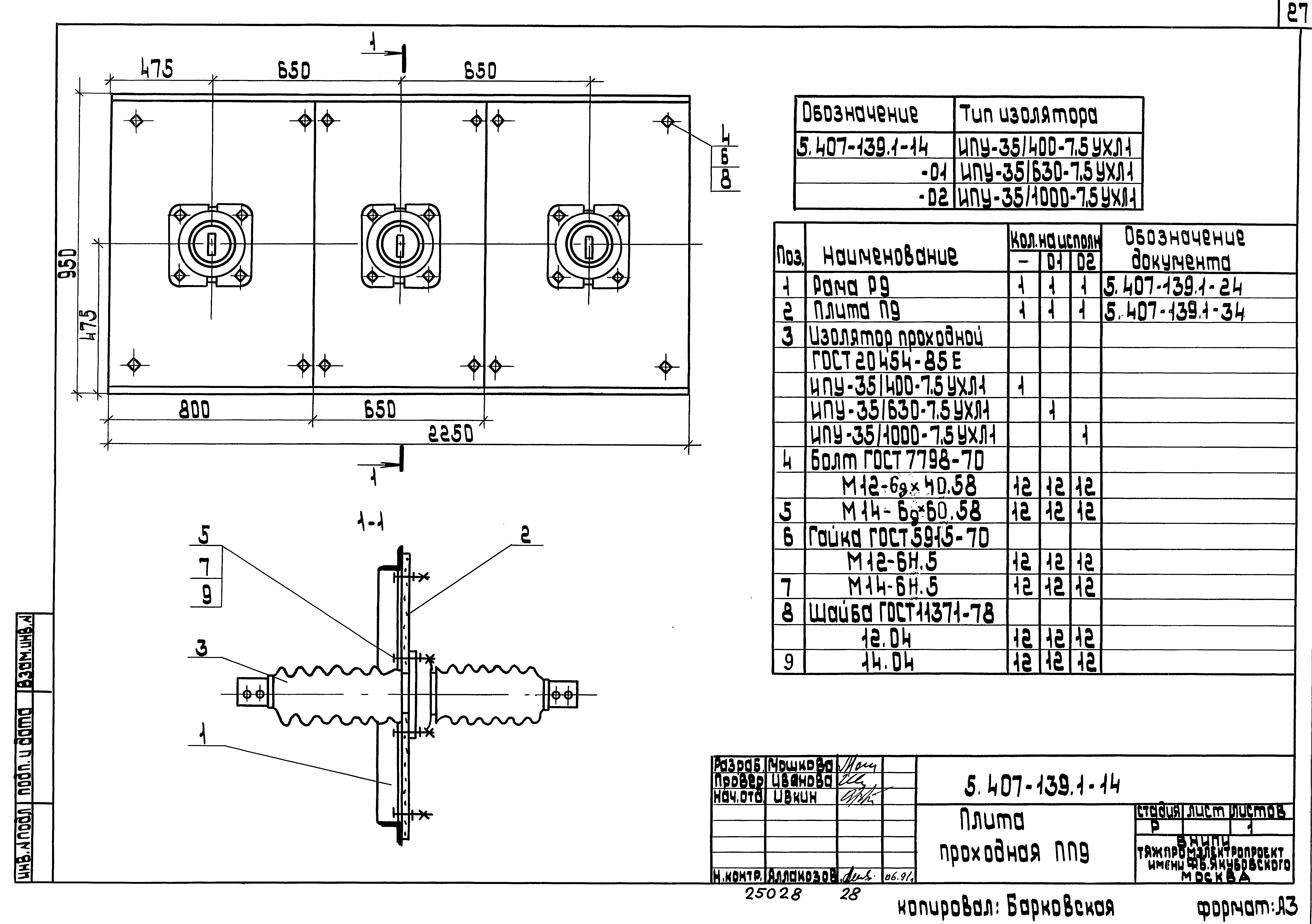
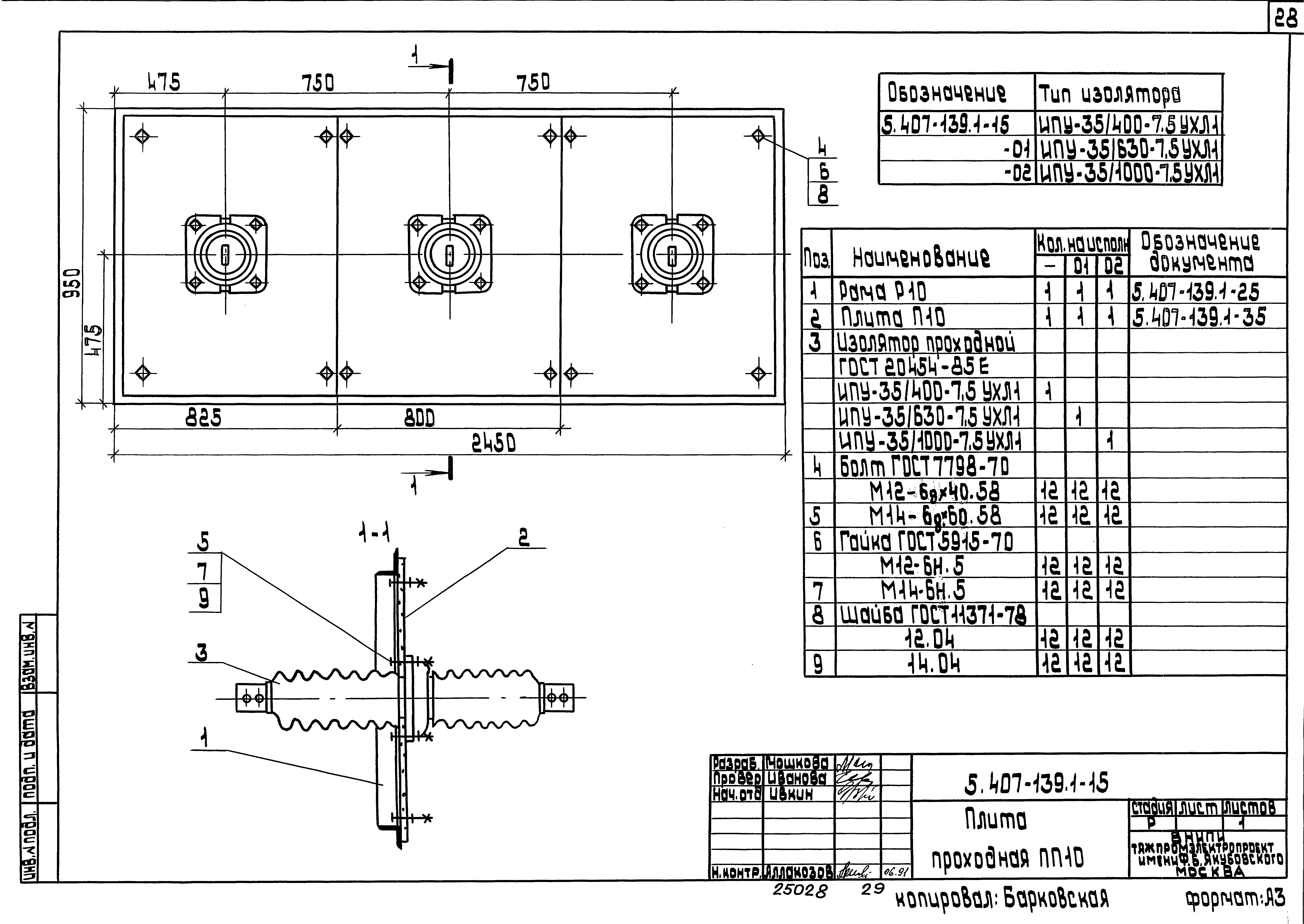
Скачать Серия 5.407-139 Выпуск 1. Материалы для проектирования и рабочие чертежиДата актуализации: 01.01.2021
|
| Обозначение: | Серия 5.407-139 |
| Обозначение англ: | Series 5.407-139 |
| Статус: | не определен законодательством |
| Название рус.: | Выпуск 1. Материалы для проектирования и рабочие чертежи |
| Дата добавления в базу: | 01.09.2013 |
| Дата актуализации: | 01.01.2021 |
| Дата введения: | 01.01.1992 |
| Дата окончания срока действия: | 30.06.2003 |
| Разработан: | ВНИПИ Тяжпромэлектропроект |
| Утверждён: | 22.03.1991 ВНИПИ Тяжпромэлектропроект |
















































