Скачать Серия 5.407-151 Выпуск 4. Изделия. Рабочие чертежиДата актуализации: 01.01.2021
|
| Обозначение: | Серия 5.407-151 |
| Обозначение англ: | Series 5.407-151 |
| Статус: | не определен законодательством |
| Название рус.: | Выпуск 4. Изделия. Рабочие чертежи |
| Дата добавления в базу: | 01.09.2013 |
| Дата актуализации: | 01.01.2021 |
| Дата введения: | 01.01.1992 |
| Дата окончания срока действия: | 30.06.2003 |
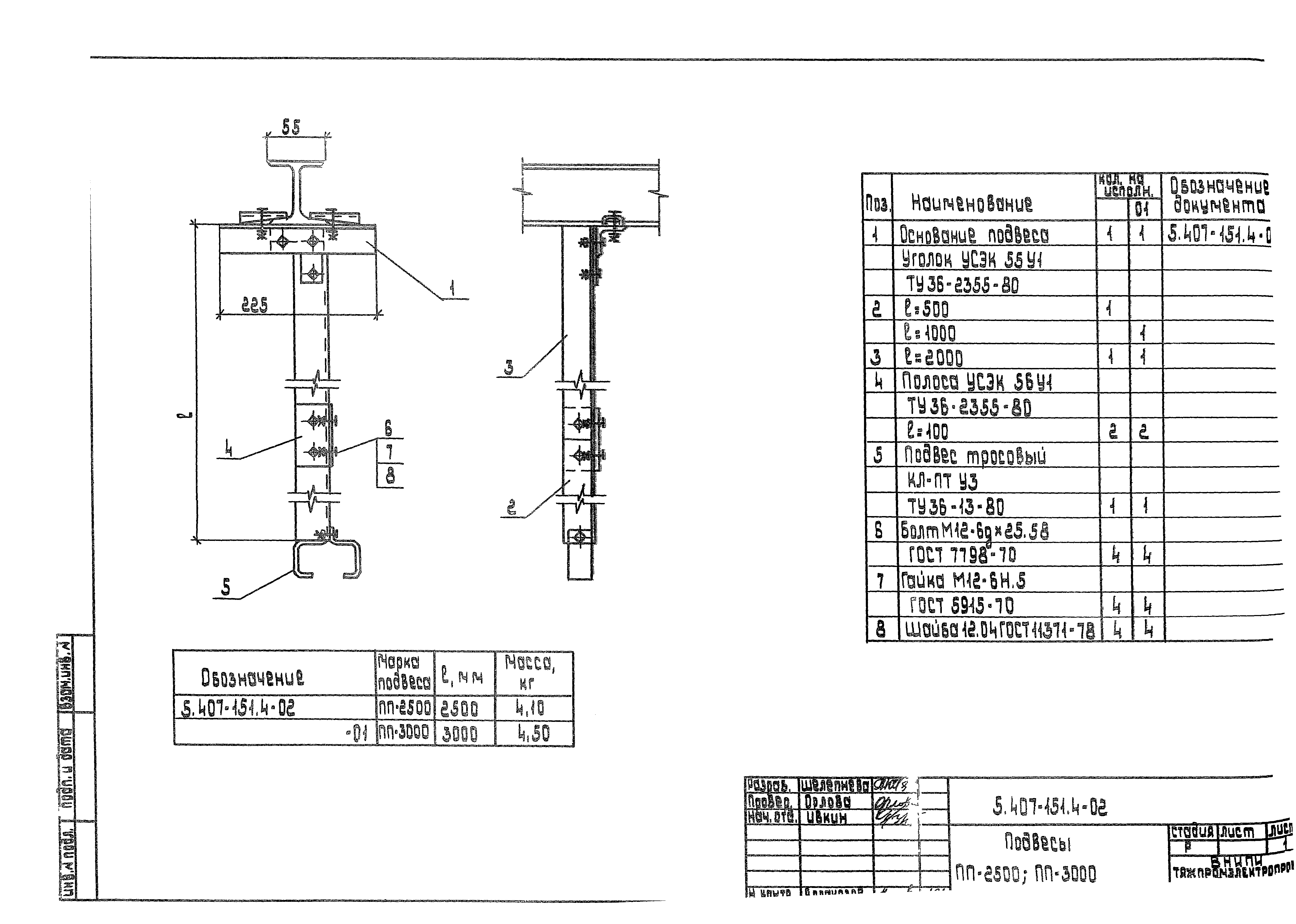
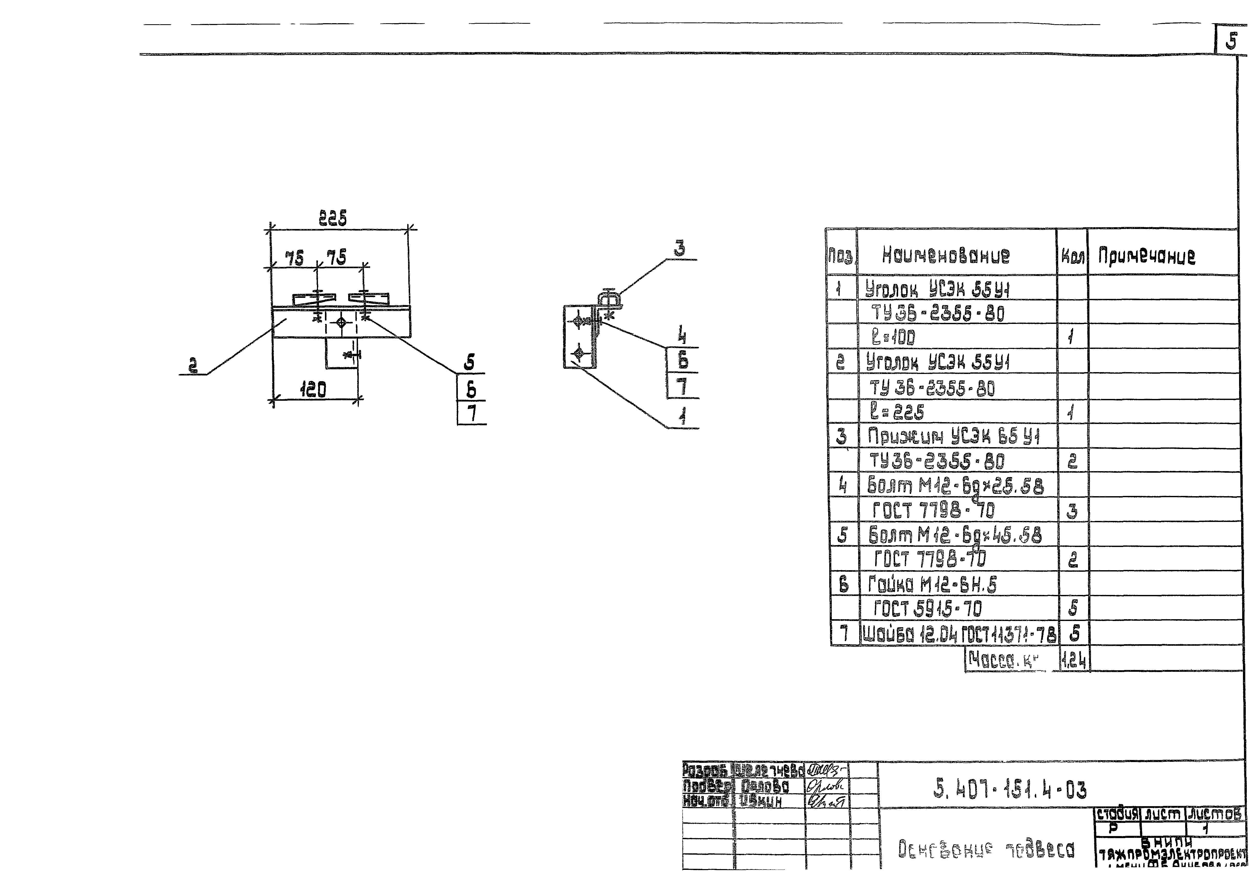
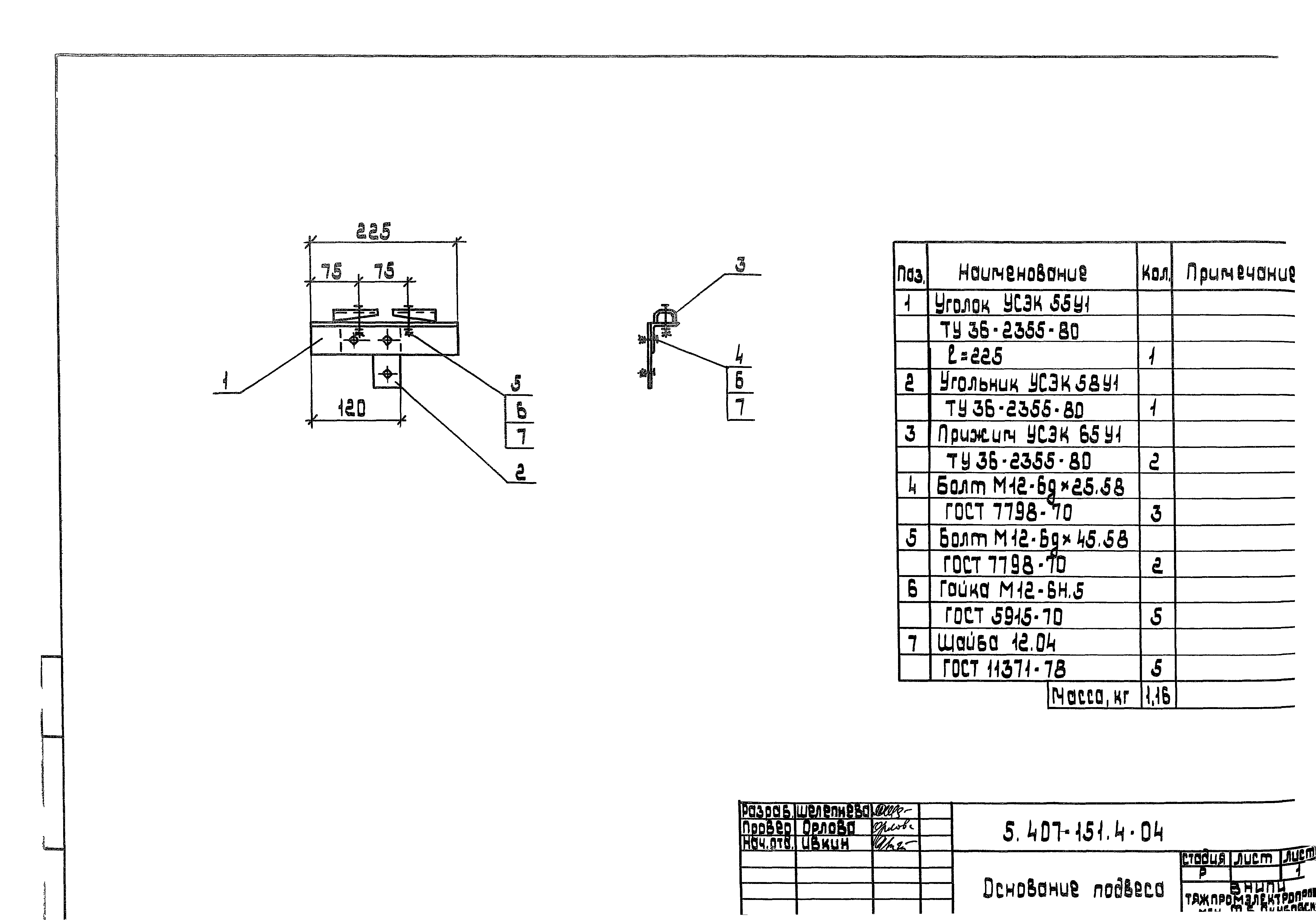
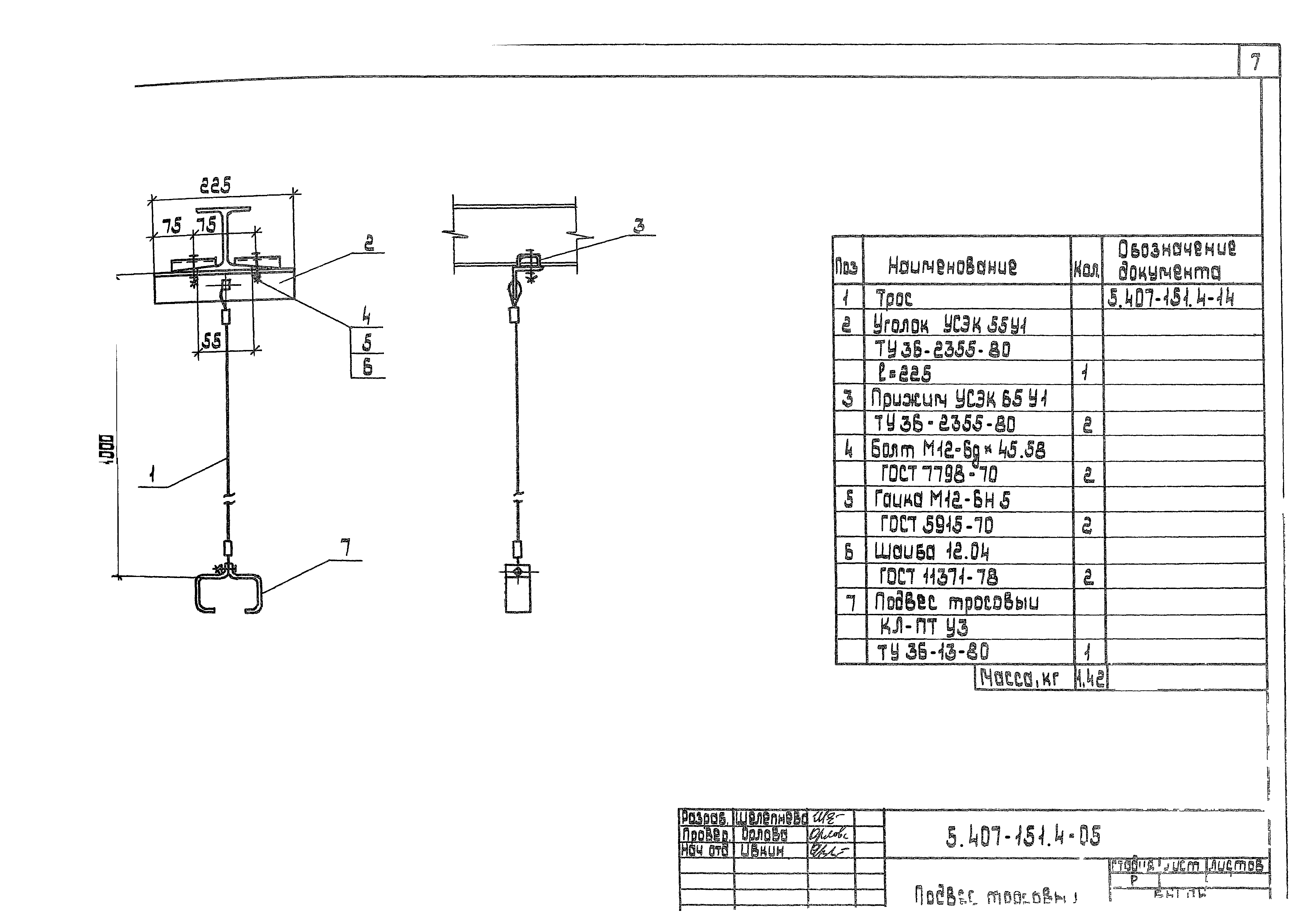
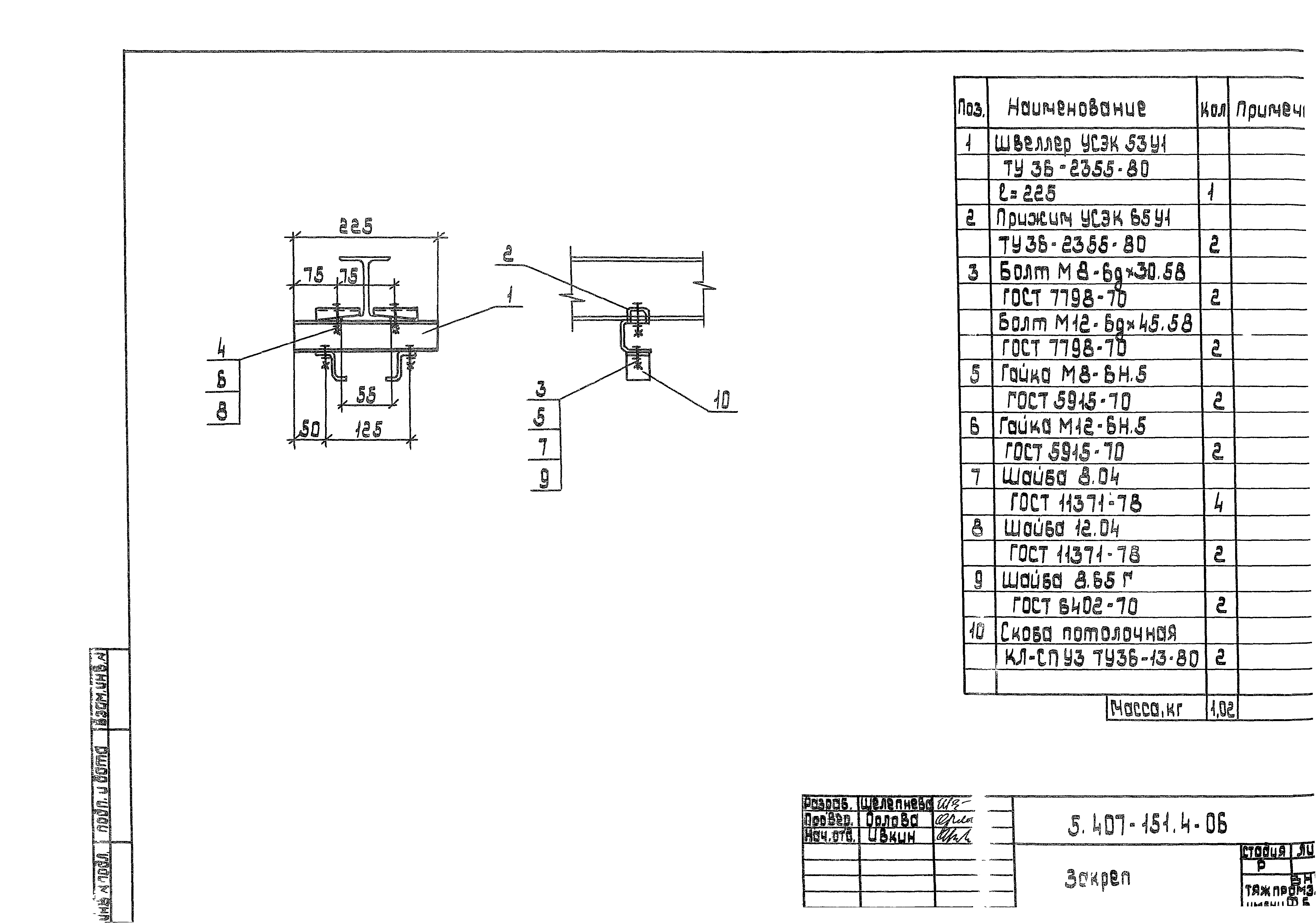
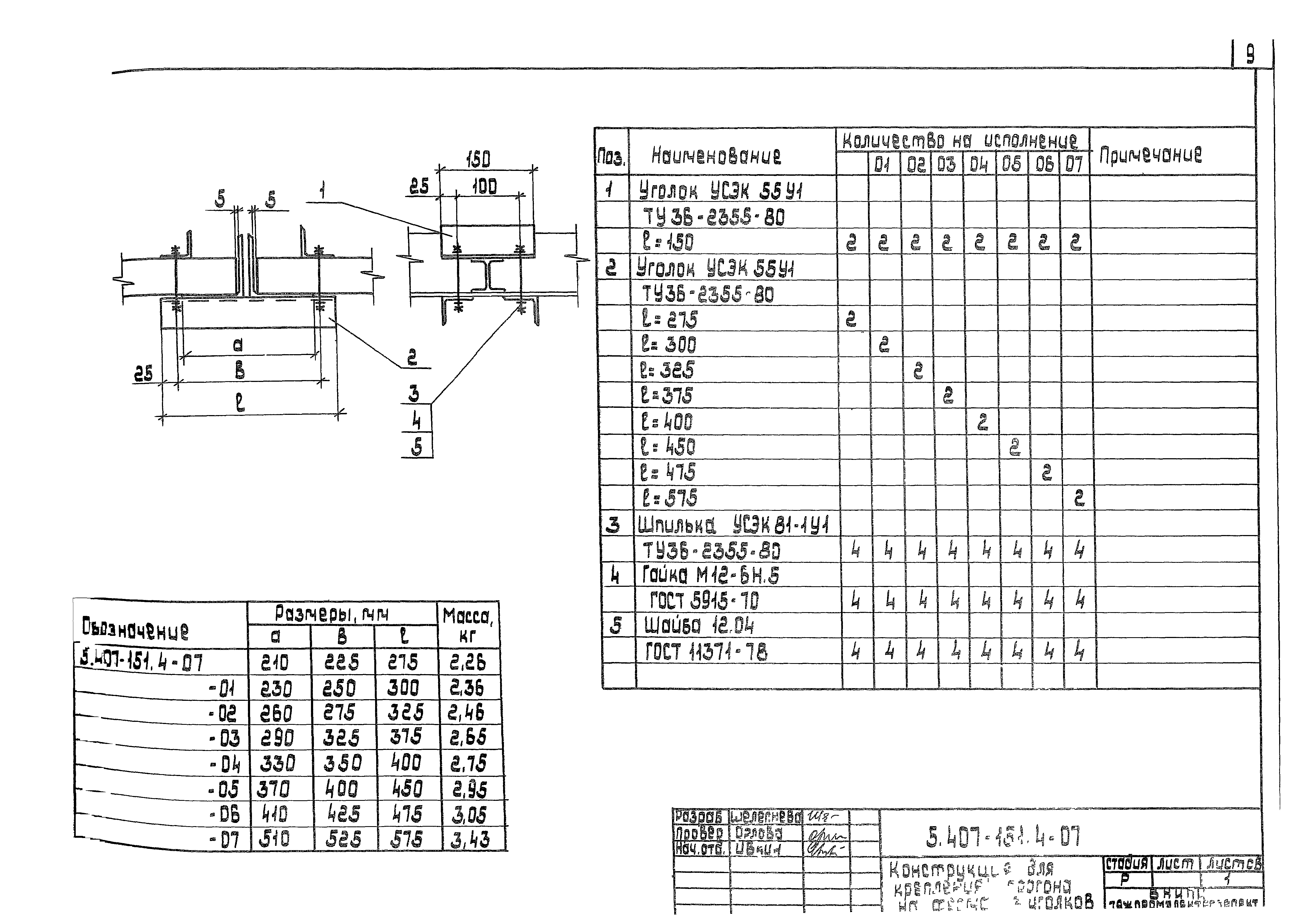
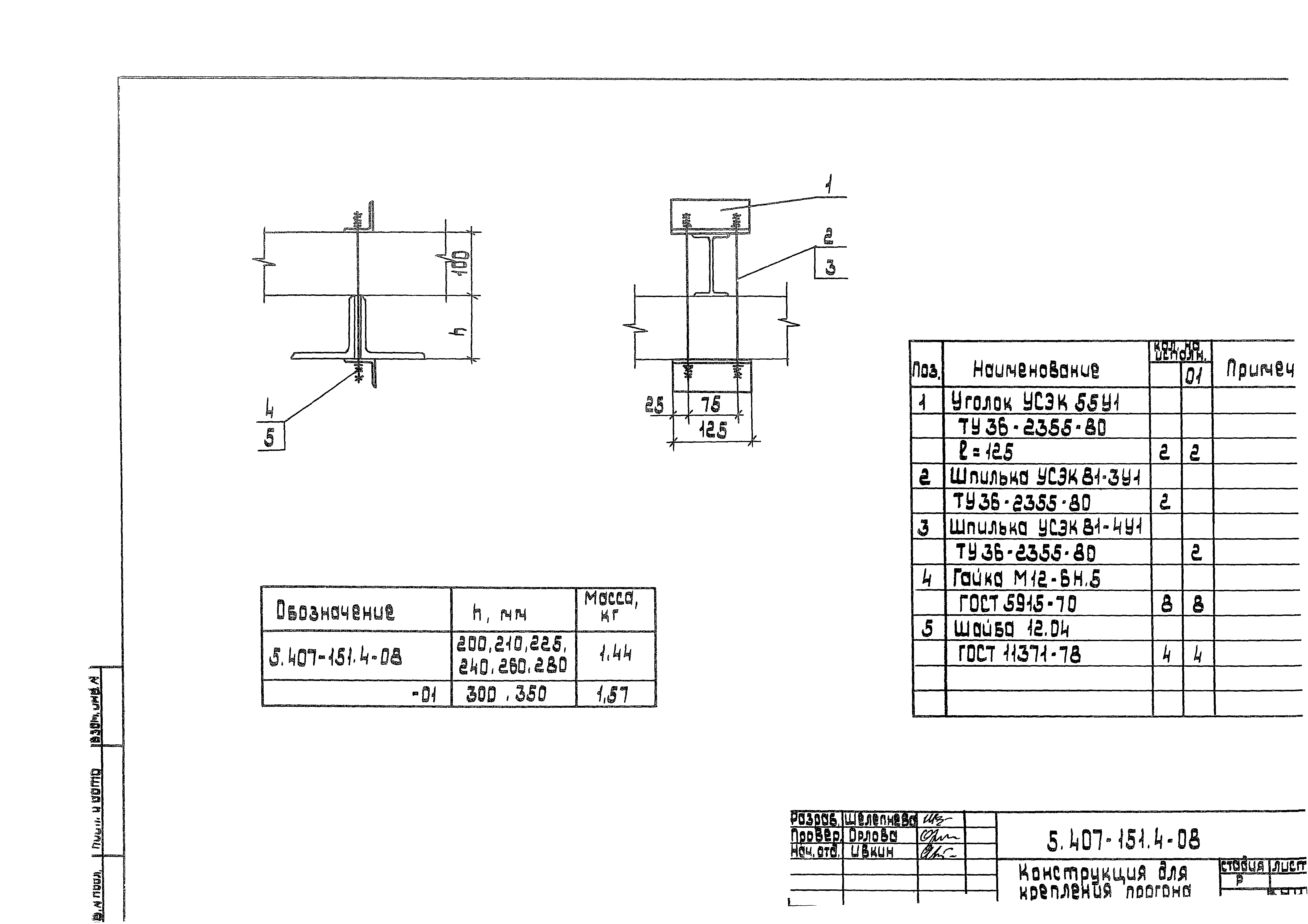
| Оглавление: | 5.407-151.4-01 Подвесы ПП-500; 1000; 1500; 2000 5.407-151.4-02 Подвесы ПП-2500; ПП-3000 5.407-151.4-03 Основание подвеса 5.407-151.4-04 Основание подвеса 5.407-151.4-05 Подвес тросовый 5.407-151.4-06 Закреп 5.407-151.4-07 Конструкция для крепления прогона на фермах из уголков. Вариант 1 5.407-151.4-08 Конструкция для крепления прогона на фермах из уголков. Вариант 2 5.407-151.4-09 Конструкция для крепления прогона на фермах из двутавра. Вариант 1 5.407-151.4-10 Конструкция для крепления прогона на фермах из двутавра. Вариант 2 5.407-151.4-11 Конструкция для крепления прогона на железобетонных фермах 5.407-151.4-12 Конструкция для крепления прогона на фермах из круглых труб 5.407-151.4-13 Трос с муфтой 5.407-151.4-14 Трос 5.407-151.4-15 Соединение прогонов 5.407-151.4-16 Хомут |
| Разработан: | ВНИПИ Тяжпромэлектропроект им. Ф.Б. Якубовского |
| Утверждён: | 22.03.1991 ВНИПИ Тяжпромэлектропроект им. Ф.Б. Якубовского (F.B.Yakubovskiy Tyazhpromelektroproject VNIPI ) |

















