Скачать Серия 5.407-140 Выпуск 0. Материалы для проектированияДата актуализации: 01.01.2021
|
| Обозначение: | Серия 5.407-140 |
| Обозначение англ: | Series 5.407-140 |
| Статус: | не определен законодательством |
| Название рус.: | Выпуск 0. Материалы для проектирования |
| Дата добавления в базу: | 01.09.2013 |
| Дата актуализации: | 01.01.2021 |
| Дата введения: | 01.08.1991 |
| Дата окончания срока действия: | 30.06.2003 |
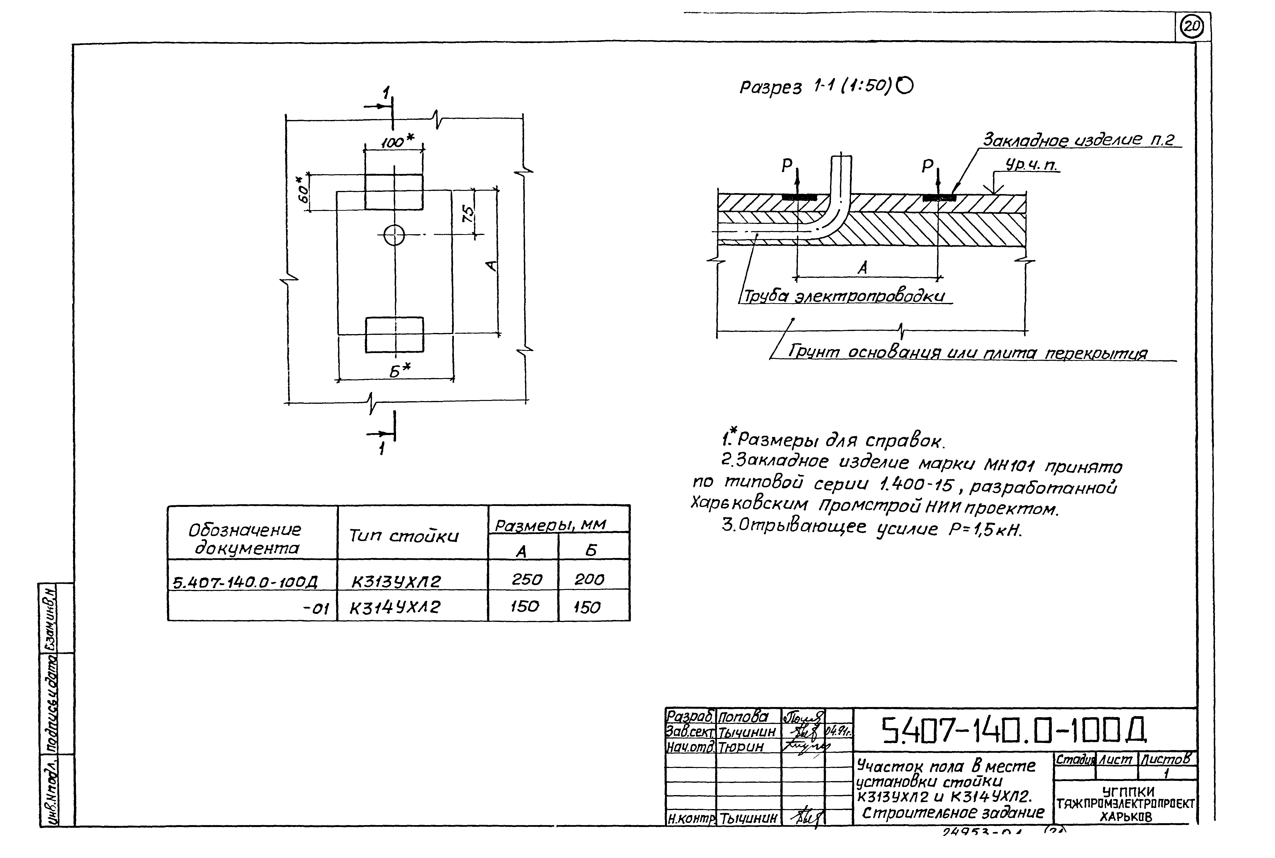
| Оглавление: | 5.407-140.0-ПЗ Пояснительная записка 5.407-140.0-10ГЧ Посты управления кнопочные серии ПКЕ и ПКУ 15-21. Габаритный чертеж 5.407-140.0-20ГЧ Переключатель пакетный типа ПП2-10/Н2М3Б и выключатель автоматический АП50Б. Габаритный чертеж 5.407-140.0-30ГЧ Сирена типа СС-1У5 и звонок типа М3-2У5. Габаритный чертеж 5.407-140.0-40ТБ Таблица выбора чертежей 5.407-140.0-50ВМ Ведомость потребности в оборудовании, изделиях и материалах 5.407-140.0-60Д Рекомендации по заземлению (занулению) стоек типа К313УХЛ2 и К314УХЛ2 5.407-140.0-70Д Участок пола в месте установки постов управления ПУ1 и ПУ3. Строительное задание. Пример 5.407-140.0-80Д Расположение постов управления ПУ1 и ПУ3 в цехе. Пример 5.407-140.0-90Д Расположение электрооборудования в цехе. Пример 5.407-140.0-100Д участок пола в месте установки стойки К313УХЛ2 и К314УХЛ2. Строительное задание |
| Разработан: | Украинский Тяжпромэлектропроект |
| Утверждён: | 01.04.1991 ВНИПИ Тяжпромэлектропроект |
| Издан: | ГУП ЦПП (CPP GUP 2000 г. ) |
| Заменяет собой: |




















