Скачать Серия 5.407-127 Выпуск 1. Узлы и изделия. Рабочие чертежиДата актуализации: 01.01.2021
|
| Обозначение: | Серия 5.407-127 |
| Обозначение англ: | Series 5.407-127 |
| Статус: | не определен законодательством |
| Название рус.: | Выпуск 1. Узлы и изделия. Рабочие чертежи |
| Дата добавления в базу: | 01.09.2013 |
| Дата актуализации: | 01.01.2021 |
| Дата введения: | 01.01.1991 |
| Дата окончания срока действия: | 30.06.2003 |
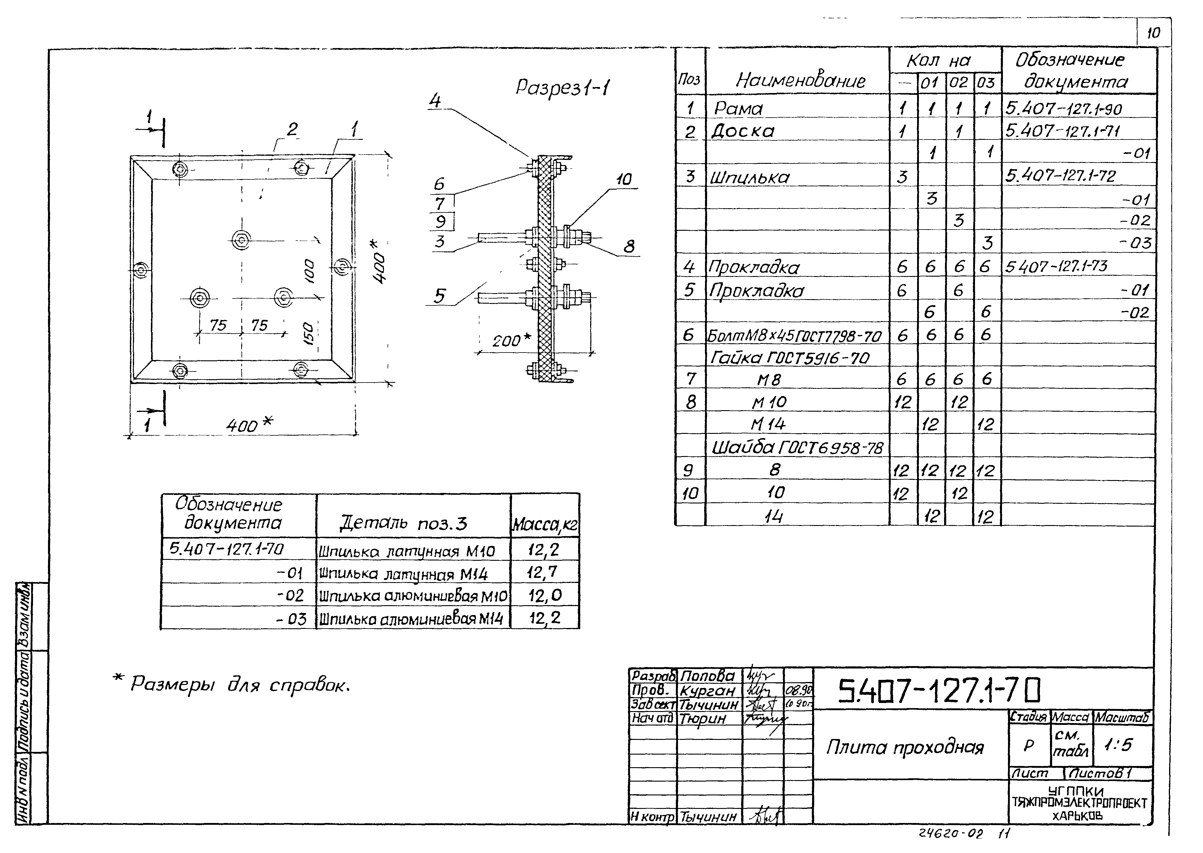
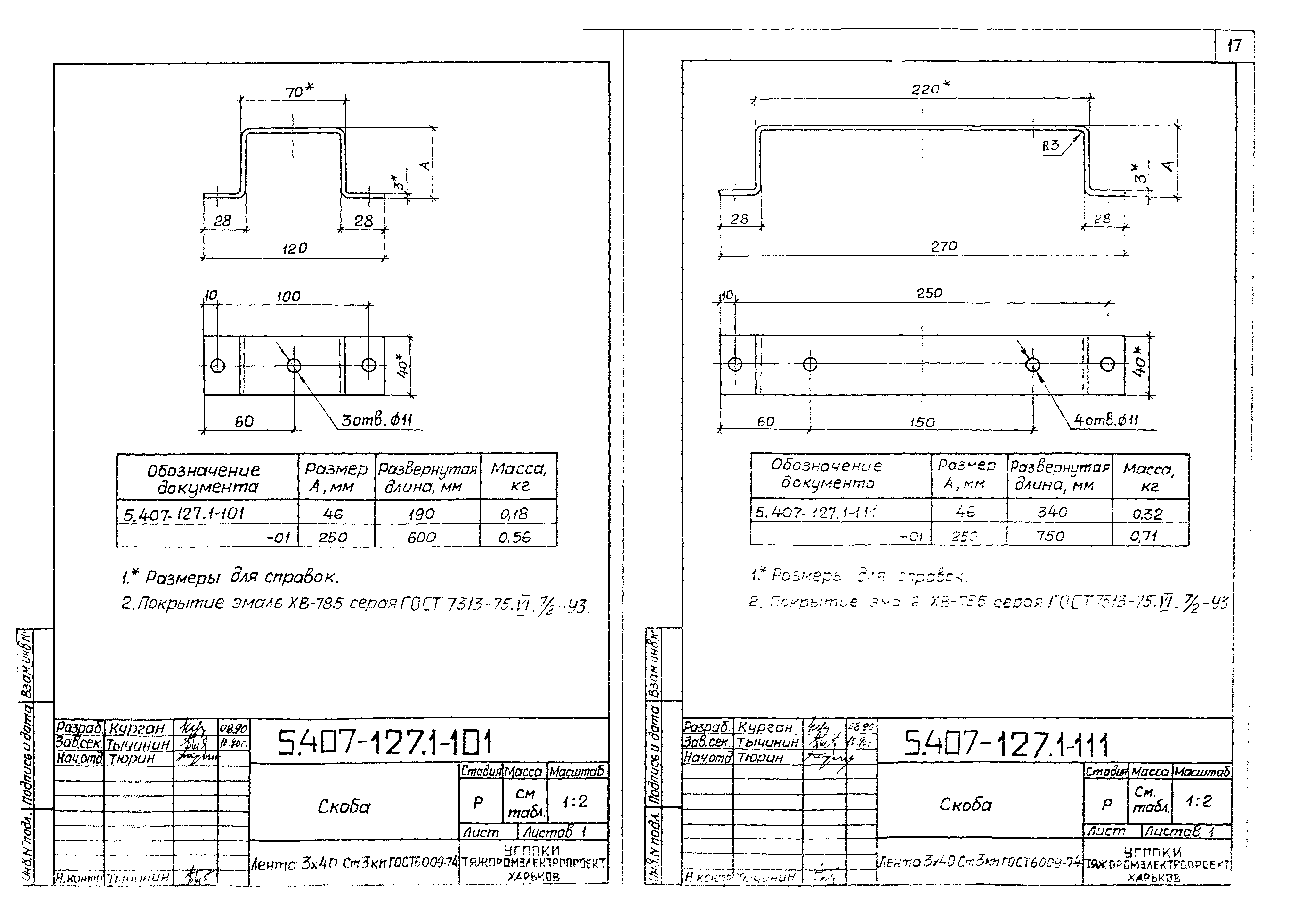
| Оглавление: | 5.407-127.1-10 Установка аккумуляторов на металлических стеллажах 5.407-127.1-20 Установка аккумуляторов на деревянных стеллажах 5.407-127.1-30 Установка проходной плиты в проеме 400х400 мм 5.407-127.1-40 Установка проходной плиты в проеме 400х600 мм 5.407-127.1-50 Установка одного изолятора 5.407-127.1-60 Установка двух изоляторов 5.407-127.1-70 Плита проходная 5.407-127.1-71 Доска 5.407-127.1-72 Шпилька 5.407-127.1-73 Прокладка 5.407-127.1-80 Плита проходная 5.407-127.1-90 Рама 5.407-127.1-100 Изолятор в сборе 5.407-127.1-110 Изоляторы в сборе 5.407-127.1-101 Скоба 5.407-127.1-111 Скоба 5.407-127.1-120 Стеллаж типа МС-1-1 для аккумуляторов СК-4 и СК-5 (от 3 до 7 шт.) 5.407-127.1-130 Стеллаж типа МС-1-1 для аккумуляторов СК-6 и СК-8 (от 3 до 7 шт.) 5.407-127.1-140 Стеллаж типа МС-1-1 для аккумуляторов СК-10 и СК-12 (от 3 до 7 шт.) 5.407-127.1-150 Рама 5.407-127.1-160 Рама 5.407-127.1-170 Стеллаж типа МС-2-1 для аккумуляторов СК-4 и СК-5 (от 6 до 14 шт.) 5.407-127.1-180 Стеллаж типа МС-2-1 для аккумуляторов СК-6 и СК-8 (от 6 до 14 шт.) 5.407-127.1-190 Стеллаж типа МС-2-1 для аккумуляторов СК-10 и СК-12 (от 6 до 14 шт.) 5.407-127.1-200 Рама 5.407-127.1-210 Рама 5.407-127.1-220 Стеллаж типа МС-1-2 для аккумуляторов СК-4 и СК-5 (от 6 до 14 шт.) 5.407-127.1-230 Стеллаж типа МС-2-2 для аккумуляторов СК-4 и СК-5 (от 6 до 14 шт.) 5.407-127.1-240 Конструкция 5.407-127.1-250 Конструкция 5.407-127.1-260 Рама 5.407-127.1-270 Стеллаж типа ДС-1-1 для аккумуляторов СК-4 и СК-5 (от 3 до 10 шт.) 5.407-127.1-280 Стеллаж типа ДС-1-1 для аккумуляторов СК-6 и СК-8 (от 3 до 10 шт.) 5.407-127.1-290 Стеллаж типа ДС-1-1 для аккумуляторов СК-10 и СК-12 (от 3 до 10 шт.) 5.407-127.1-300 Стеллаж типа ДС-2-1 для аккумуляторов СК-4 и СК-5 (от 6 до 20 шт.) 5.407-127.1-310 Стеллаж типа ДС-2-1 для аккумуляторов СК-6 и СК-8 (от 6 до 20 шт.) 5.407-127.1-320 Стеллаж типа ДС-2-1 для аккумуляторов СК-10 и СК-12 (от 6 до 20 шт.) 5.407-127.1-330 Стеллаж типа ДС-1-2 для аккумуляторов СК-4 и СК-5 (от 6 до 20 шт.) 5.407-127.1-340 Стеллаж типа ДС-2-2 для аккумуляторов СК-4 и СК-5 (от 12 до 40 шт.) 5.407-127.1-350 Рама |
| Разработан: | Украинский Тяжпромэлектропроект |
| Утверждён: | 22.03.1990 НПО Электромонтаж ММСС СССР |
| Издан: | ГП ЦПП (1995 г. ) |
| Заменяет собой: |

















































