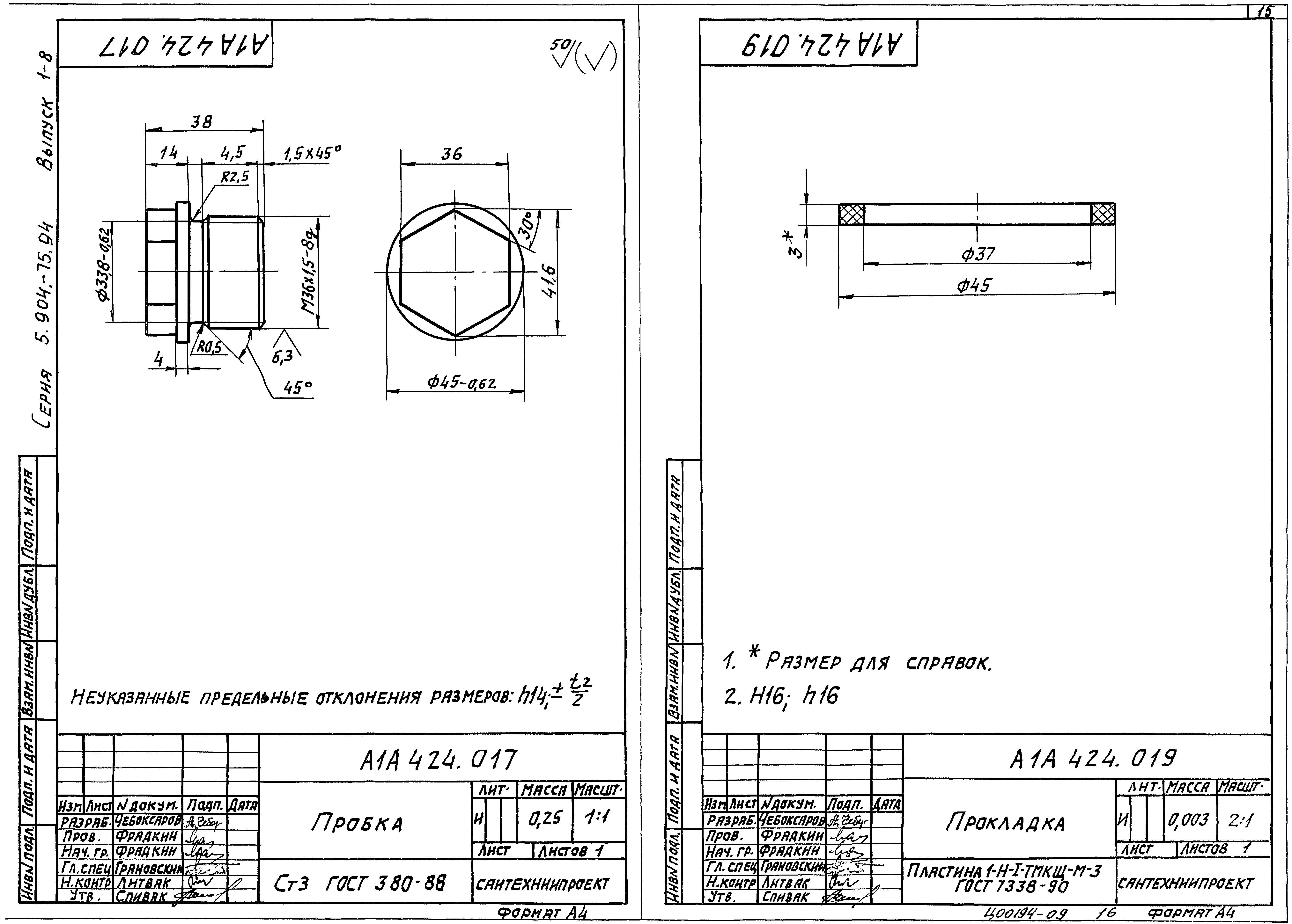
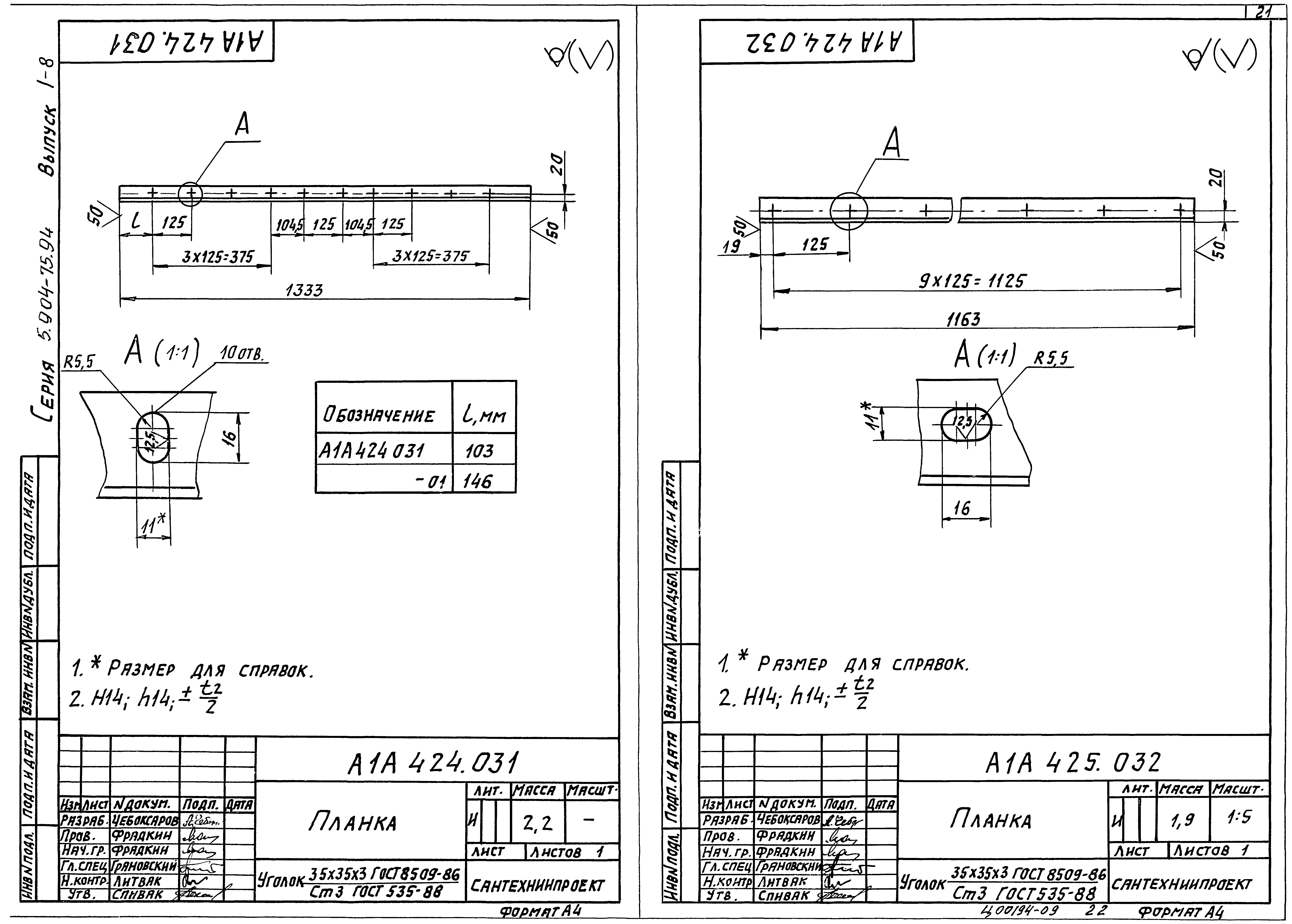
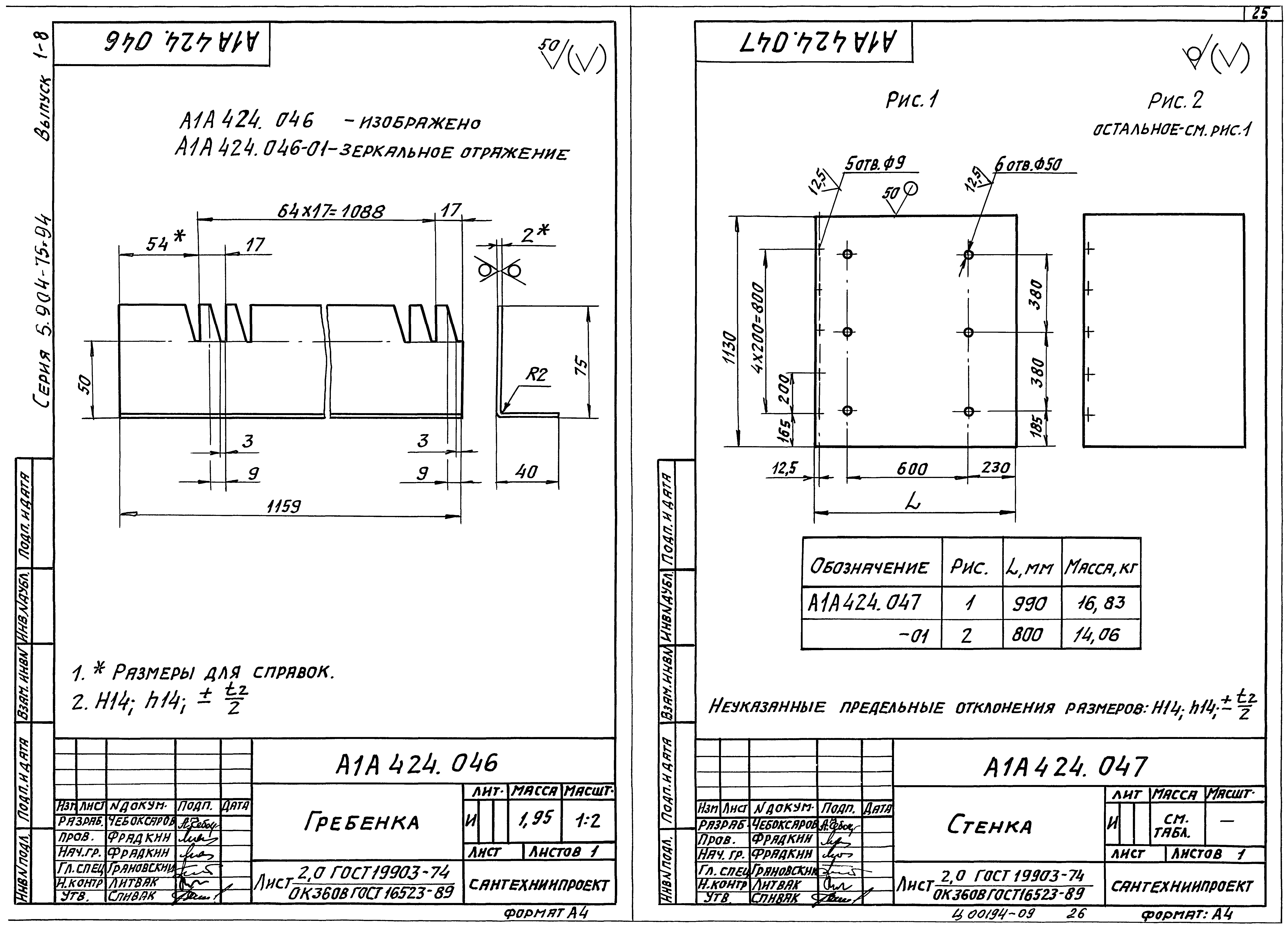
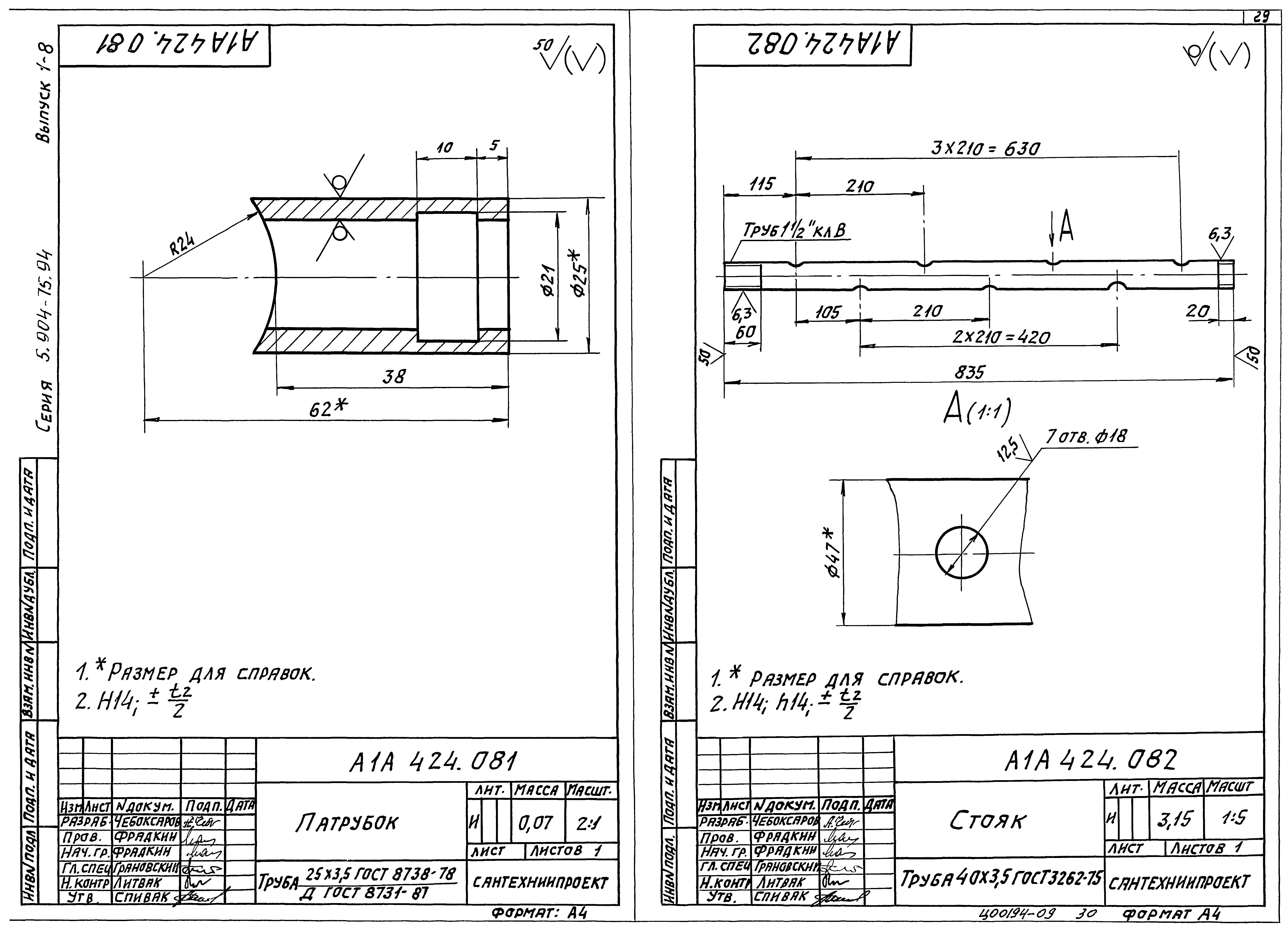
Скачать Серия 5.904-75.94 Выпуск 1-8. Оросительная секция для приточной камеры 2ПК10. Рабочие чертежиДата актуализации: 01.01.2021 Серия 5.904-75.94
Выпуск 1-8. Оросительная секция для приточной камеры 2ПК10. Рабочие чертежи| Обозначение: | Серия 5.904-75.94 | | Обозначение англ: | Series 5.904-75.94 | | Статус: | не определен законодательством | | Название рус.: | Выпуск 1-8. Оросительная секция для приточной камеры 2ПК10. Рабочие чертежи | | Дата добавления в базу: | 01.09.2013 | | Дата актуализации: | 01.01.2021 | | Дата введения: | 01.06.1994 | | Дата окончания срока действия: | 30.06.2003 | | Разработан: | ГПКНИИ Сантехниипроект
| | Утверждён: | 25.02.1994 Главпроект Госстроя России (9-3-2/34)
|
                                      
|