Скачать Серия 5.907-1 Выпуск 1. Циклоны. Рабочие чертежиДата актуализации: 01.01.2021
|
| Обозначение: | Серия 5.907-1 |
| Обозначение англ: | Series 5.907-1 |
| Статус: | не определен законодательством |
| Название рус.: | Выпуск 1. Циклоны. Рабочие чертежи |
| Дата добавления в базу: | 01.09.2013 |
| Дата актуализации: | 01.01.2021 |
| Дата введения: | 01.10.1986 |
| Дата окончания срока действия: | 30.06.2003 |
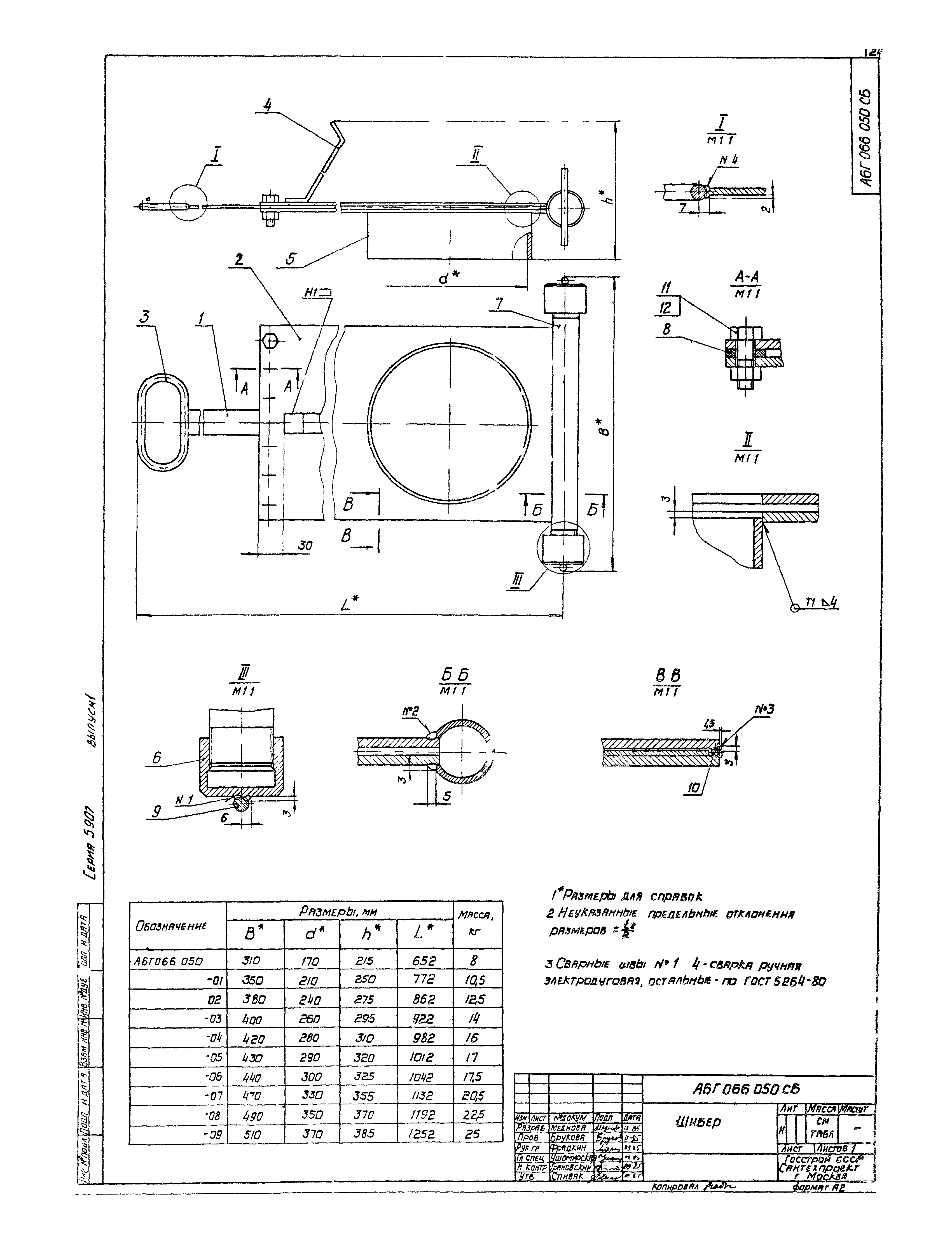
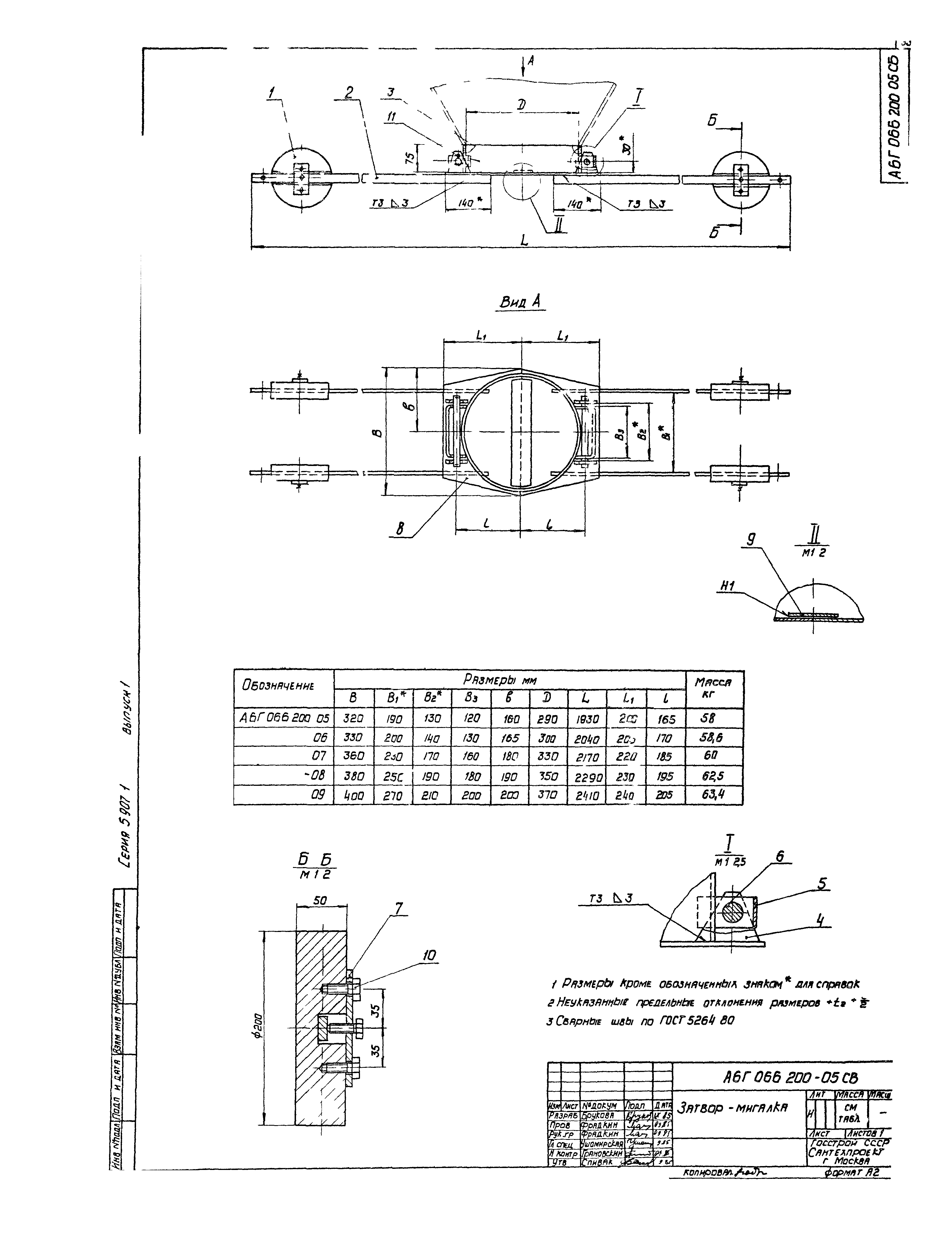
| Оглавление: | А6Г066 000 Циклон СИОТ-М А6Г066 000 СБ Циклон СИОТ-М А6Г066.001 Заглушка А6Г066.002 Прокладка А6Г066.010 Вставка цилиндрическая А6Г066.015 Связь А6Г066.028 Ушко А6Г066.010 СБ Вставка цилиндрическая А6Г066.011 Фланец А6Г066.012 Диск А6Г066.013 Цилиндр А6Г066.014 Конус А6Г066.020 СБ Корпус А6Г066.020 Корпус А6Г066.021 Фланец А6Г066.026 Труба выхлопная А6Г066.022 Ребро А6Г066.023 Конус А6Г066.025 Патрубок входной А6Г066.024 Фланец А6Г066.027 Крышка А6Г066.030 Бункер А6Г066.030 СБ Бункер А6Г066.040 СБ Корпус бункера А6Г066.040 Корпус бункера А6Г066.050 Шибер А6Г066.051 Полотно А6Г066.053 Ручка А6Г066.058 Прокладка А6Г066.041 Цилиндр А6Г066.042 Конус А6Г066.043 Крышка бункера А6Г066.050 СБ Шибер А6Г066.052 Крышка А6Г066.054 Ребро А6Г066.055 Патрубок А6Г066.056 Гайка А6Г066.100 Раскручиватель А6Г066.100 СБ Раскручиватель А6Г066.101 Фланец раскручивателя А6Г066.102 Лист боковой А6Г066.057 Труба А6Г066.200 Затвор-мигалка А6Г066.207 Планка А6Г066.209 Полотно А6Г066.211 Пластина А6Г066.200 СБ Затвор-мигалка А6Г066.200-05 СБ Затвор-мигалка А6Г066.201 Груз А6Г066.202 Полоса А6Г066.203 Цилиндр А6Г066.204 Проушина А6Г066.205 Скоба А6Г066.206 Ось А6Г066.208 Полотно А6Г066.300 Блок А6Г066.310 Опора блока А6Г066.300 СБ Блок А6Г066.301 Ролик А6Г066.302 Оседержатель А6Г066.303 Ось А6Г066.311 Ребро А6Г066.000 Циклон СИОТ-М №№ 6 …10 А6Г066.000 СБ Циклон СИОТ-М №№ 6 …10 А6Г066.010 Корпус А6Г066.010 СБ Корпус А6Г066.11 Конус А6Г066.12 Головка А6Г066.13 Патрубок входной А6Г066.14 Крышка А6Г066.15 Фланец А6Г066.016 Прокладка А6Г068.000 Циклон СИОТ-М1 №№ 1 … 5 А6Г068.000 СБ Циклон СИОТ-М1 №№ 1 … 5 А6Г068.001 Крышка А6Г068.002 Фланец А6Г068.010 Закручиватель А6Г068.010 СБ Закручиватель А6Г068.024 Лист боковой А6Г068.020 Направляющая А6Г068.023 Лист боковой А6Г068.020 СБ Направляющая А6Г068.021 Лист А6Г068.022 Лист А6Г069.000 Циклон СИОТ-М1 №№ 6 … 10 А6Г069.000 СБ Циклон СИОТ-М1 №№ 6 … 10 |
| Разработан: | Сантехниипроект Госстроя России |
| Утверждён: | 30.06.1986 Главпроект Госстроя СССР (39) |


























































