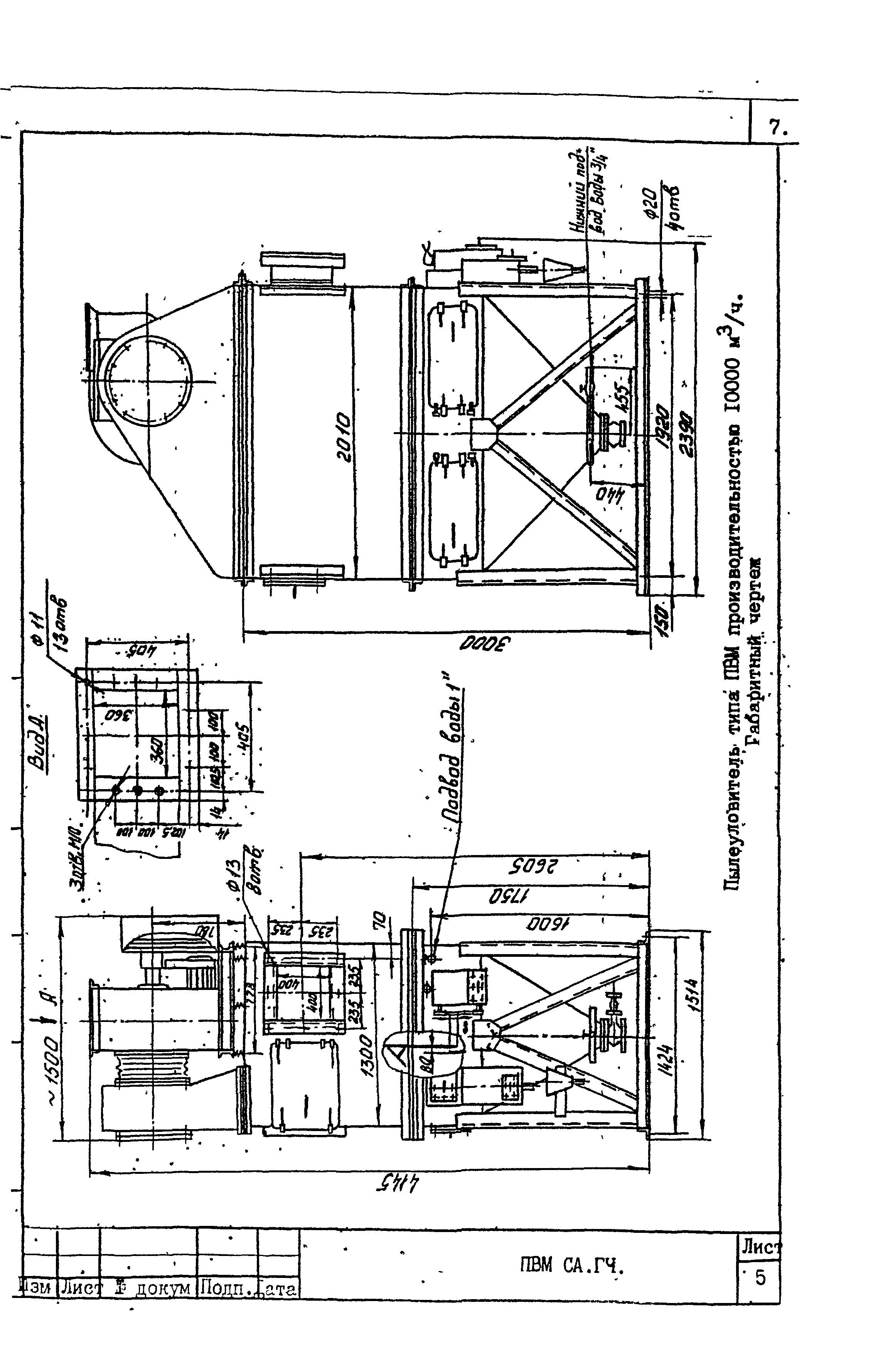
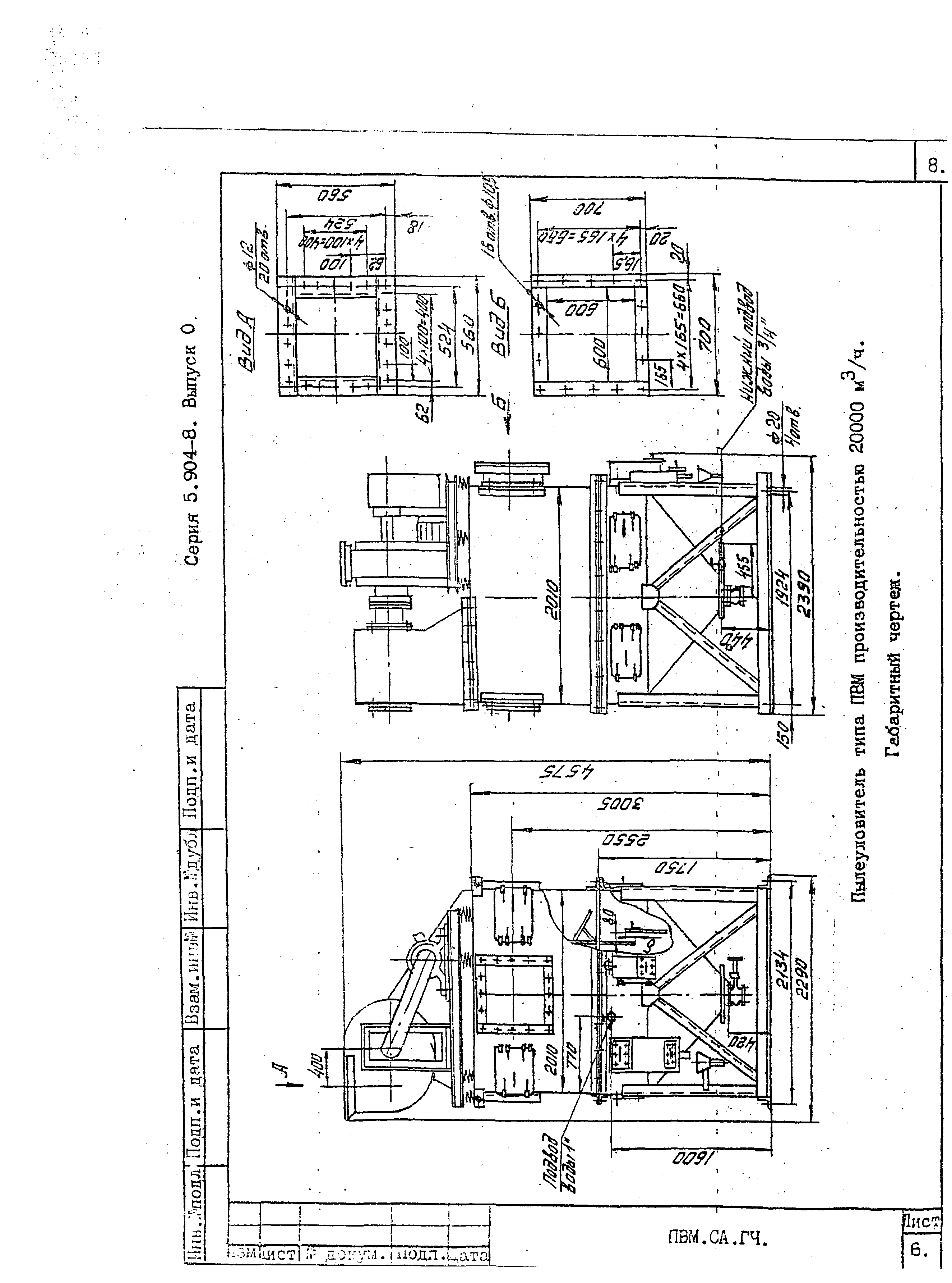
Скачать Серия 5.904-8 Выпуск 0. Указания по подбору, изготовлению, монтажу и эксплуатацииДата актуализации: 01.01.2021 Серия 5.904-8
Выпуск 0. Указания по подбору, изготовлению, монтажу и эксплуатации| Обозначение: | Серия 5.904-8 | | Обозначение англ: | Series 5.904-8 | | Статус: | не определен законодательством | | Название рус.: | Выпуск 0. Указания по подбору, изготовлению, монтажу и эксплуатации | | Дата добавления в базу: | 01.09.2013 | | Дата актуализации: | 01.01.2021 | | Дата введения: | 01.11.1981 | | Дата окончания срока действия: | 30.06.2003 | | Разработан: | АО ЦНИИпромзданий
| | Утверждён: | 23.10.1981 Главпромстройпроект Госстроя СССР (81)
|
                                             
|