Скачать Серия 5.904-23 Выпуск 2. ПВМ 5КБ.00.00.000. Рабочие чертежиДата актуализации: 01.01.2021
|
| Обозначение: | Серия 5.904-23 |
| Обозначение англ: | Series 5.904-23 |
| Статус: | не определен законодательством |
| Название рус.: | Выпуск 2. ПВМ 5КБ.00.00.000. Рабочие чертежи |
| Дата добавления в базу: | 01.09.2013 |
| Дата актуализации: | 01.01.2021 |
| Дата введения: | 04.05.1984 |
| Дата окончания срока действия: | 30.06.2003 |
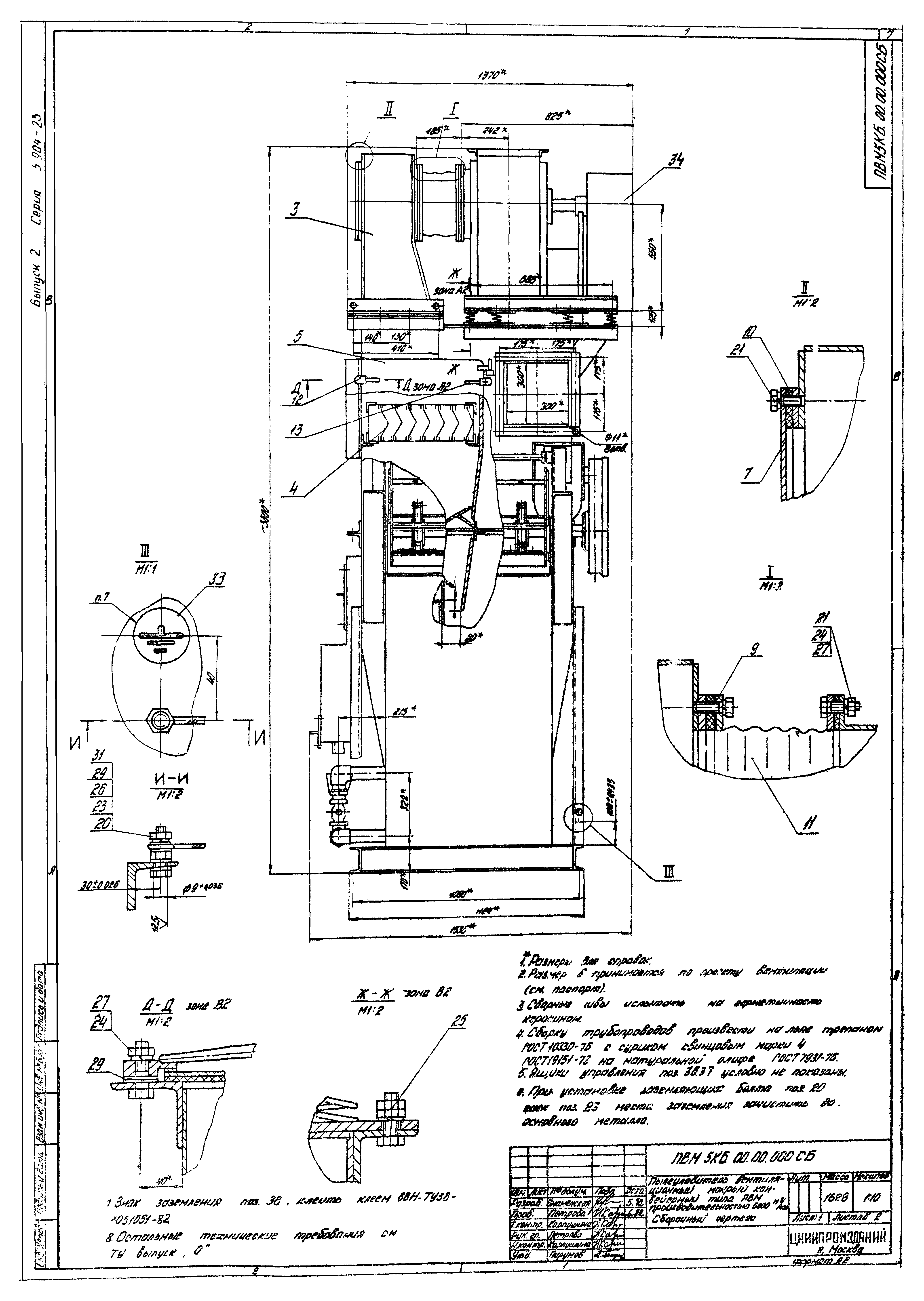
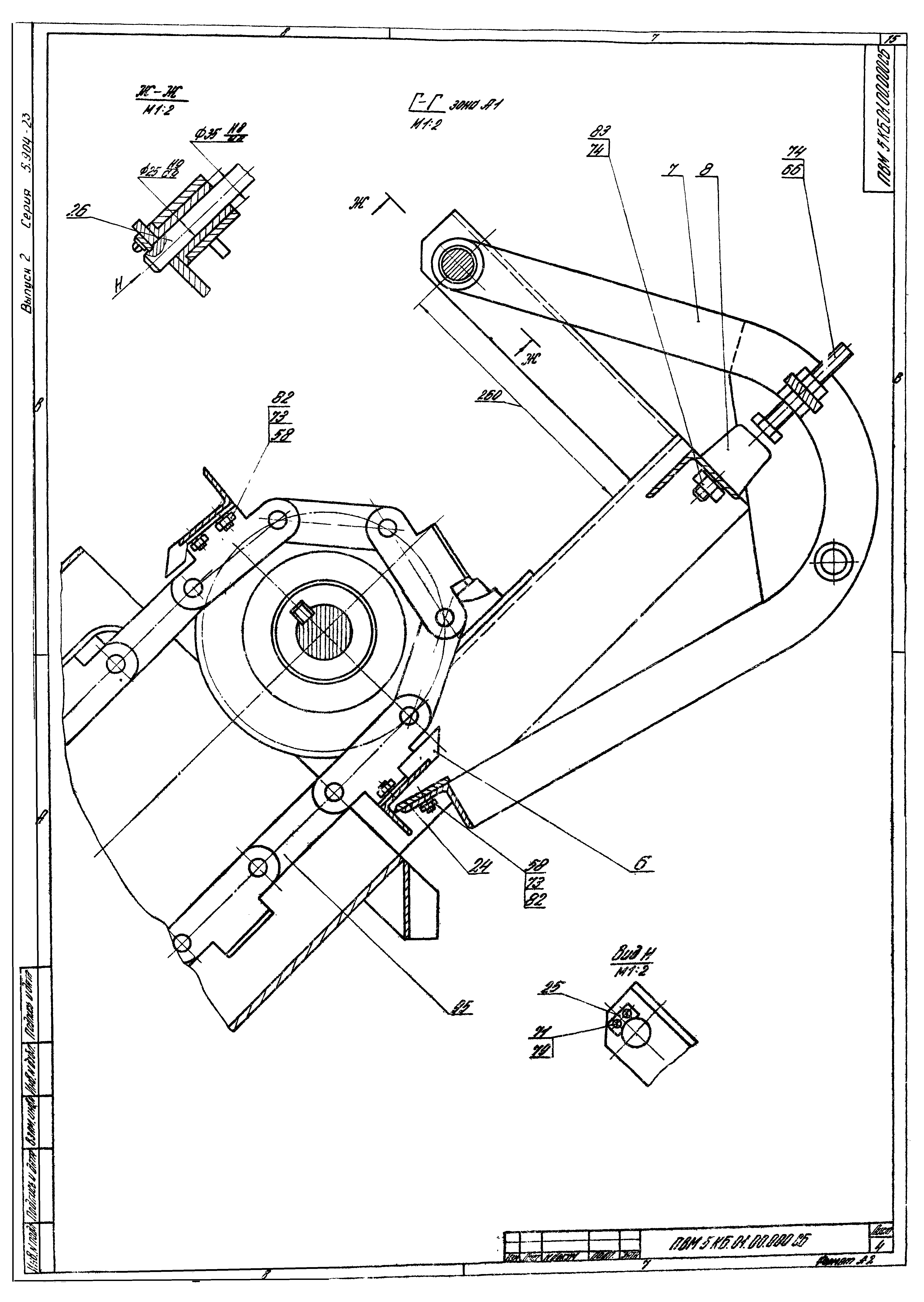
| Оглавление: | ПВМ5КБ.00.00.000 ВС Пылеуловитель вентиляционный мокрый конвейерный типа ПВМК производительностью 5000 куб.м/ч. Ведомость спецификаций ПВМ5КБ.00.00.000 ВП Пылеуловитель вентиляционный мокрый конвейерный типа ПВМК производительностью 5000 куб.м/ч. Ведомость покупных изделий ПВМ5КБ.00.00.000 Пылеуловитель вентиляционный мокрый конвейерный типа ПВМК производительностью 5000 куб.м/ч ПВМ5КБ.00.00.000.СБ Пылеуловитель вентиляционный мокрый конвейерный типа ПВМК производительностью 5000 куб.м/ч. Сборочный чертеж ПВМ5КБ.00.00.001 Прокладка ПВМ5КБ.00.00.002 Заглушка ПВМ5КБ.00.00.003 Прокладка ПВМ5КБ.00.00.004 Фланец ПВМ5КБ.00.00.005 Прокладка ПВМ5КБ.00.00.006 Вставка мягкая ПВМ5КБ.01.00.000 Секция нижняя ПВМ5КБ.01.00.000.СБ Секция нижняя. Сборочный чертеж ПВМ5КБ.01.01.000 Корпус секции ПВМ5КБ.01.01.000.СБ Корпус секции. Сборочный чертеж ПВМ5КБ.01.01.016 Связь ПВМ5КБ.01.01.017 Связь ПВМ5КБ.01.01.018 Стенка боковая ПВМ5КБ.01.01.019 Стенка боковая бункера ПВМ5КБ.01.01.020 Патрубок 2" ПВМ5КБ.01.01.021 Стенка передняя ПВМ5КБ.01.01.022 Стенка задняя ПВМ5КБ.01.01.023 Стенка задняя ПВМ5КБ.01.01.024 Стенка бункера ПВМ5КБ.01.01.025 Стенка бункера ПВМ5КБ.01.09.000 Перегородка подвижная ПВМ5КБ.01.09.000.СБ Перегородка подвижная. Сборочный чертеж ПВМ5КБ.01.09.001 Перегородка подвижная ПВМ5КБ.02.00.000 Секция верхняя ПВМ5КБ.02.00.000.СБ Секция верхняя. Сборочный чертеж ПВМ5КБ.02.00.001 Стенка передняя ПВМ5КБ.02.00.002 Косынка ПВМ5КБ.02.00.019 Стенка задняя ПВМ5КБ.03.00.000 Воздухосборник ПВМ5КБ.03.00.000.СБ Воздухосборник. Сборочный чертеж ПВМ5КБ.03.00.001 Стенка боковая ПВМ5КБ.03.00.002 Фланец ПВМ5КБ.03.00.003 Стенка боковая ПВМ5КБ.03.00.004 Стенка верхняя ПВМ5КБ.04.00.000 Каплеуловитель ПВМ5КБ.04.00.000.СБ Каплеуловитель. Сборочный чертеж ПВМ5КБ.04.00.001 Пластина ПВМ5КБ.04.01.000 Каркас ПВМ5КБ.04.01.000.СБ Каркас. Сборочный чертеж |
| Разработан: | АО ЦНИИпромзданий |
| Утверждён: | 04.05.1984 Главпромстройпроект Госстроя СССР (10) |





























