Скачать Серия 5.904-15 Выпуск 1-1. Аспиратор СИОТ № 4. Рабочие чертежиДата актуализации: 01.01.2021
|
| Обозначение: | Серия 5.904-15 |
| Обозначение англ: | Series 5.904-15 |
| Статус: | не определен законодательством |
| Название рус.: | Выпуск 1-1. Аспиратор СИОТ № 4. Рабочие чертежи |
| Дата добавления в базу: | 01.10.2014 |
| Дата актуализации: | 01.01.2021 |
| Дата введения: | 15.06.1982 |
| Дата окончания срока действия: | 30.06.2003 |
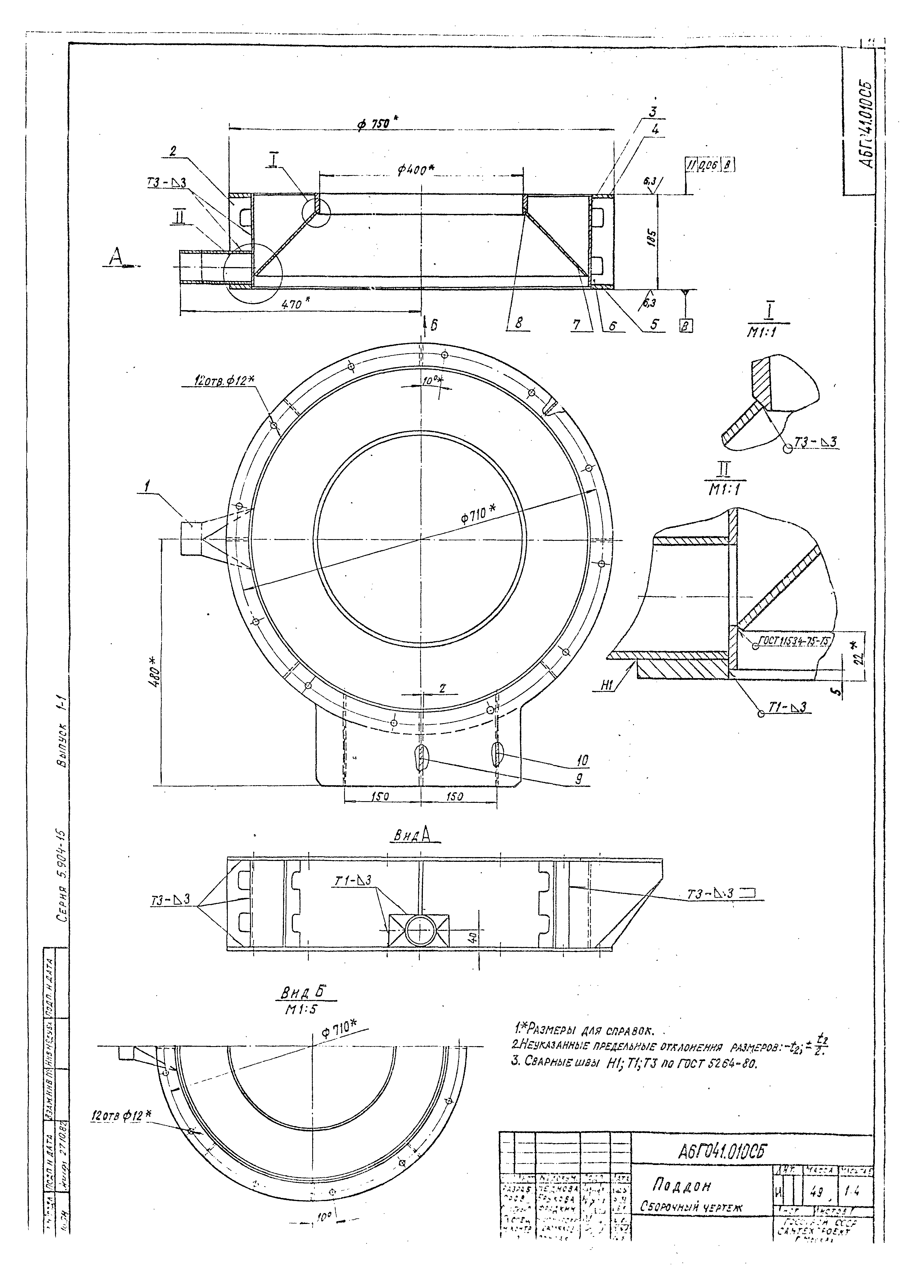
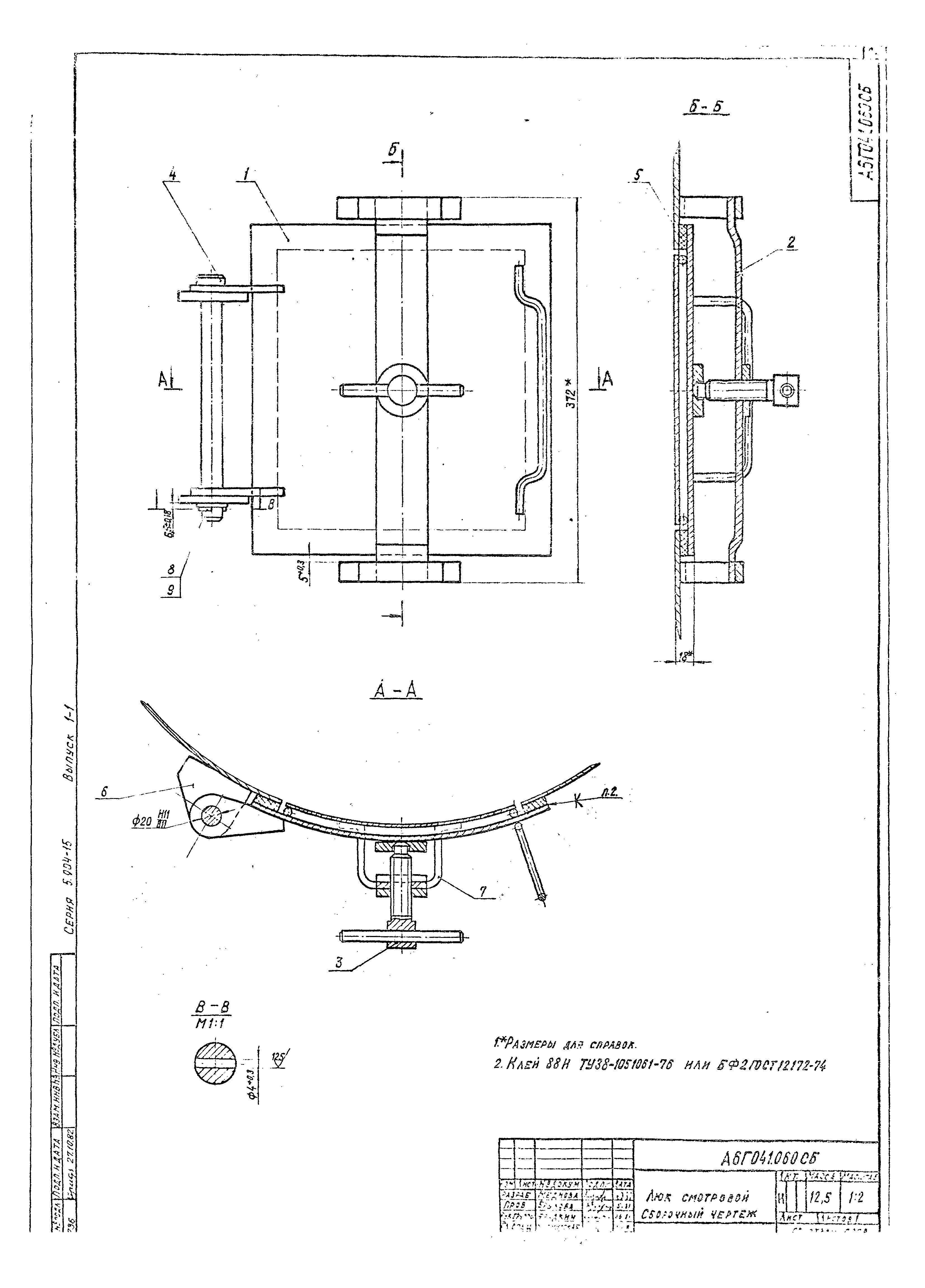
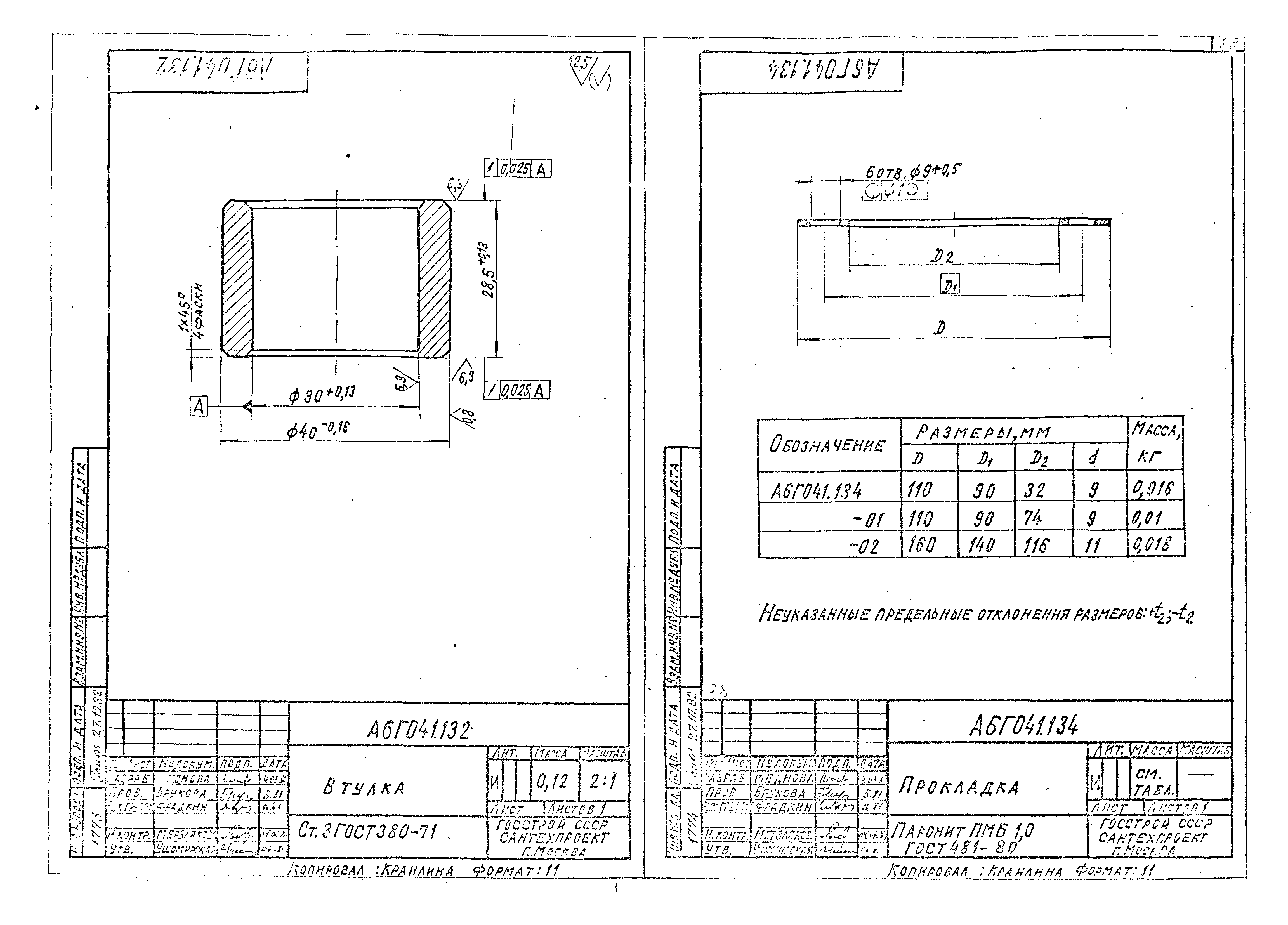
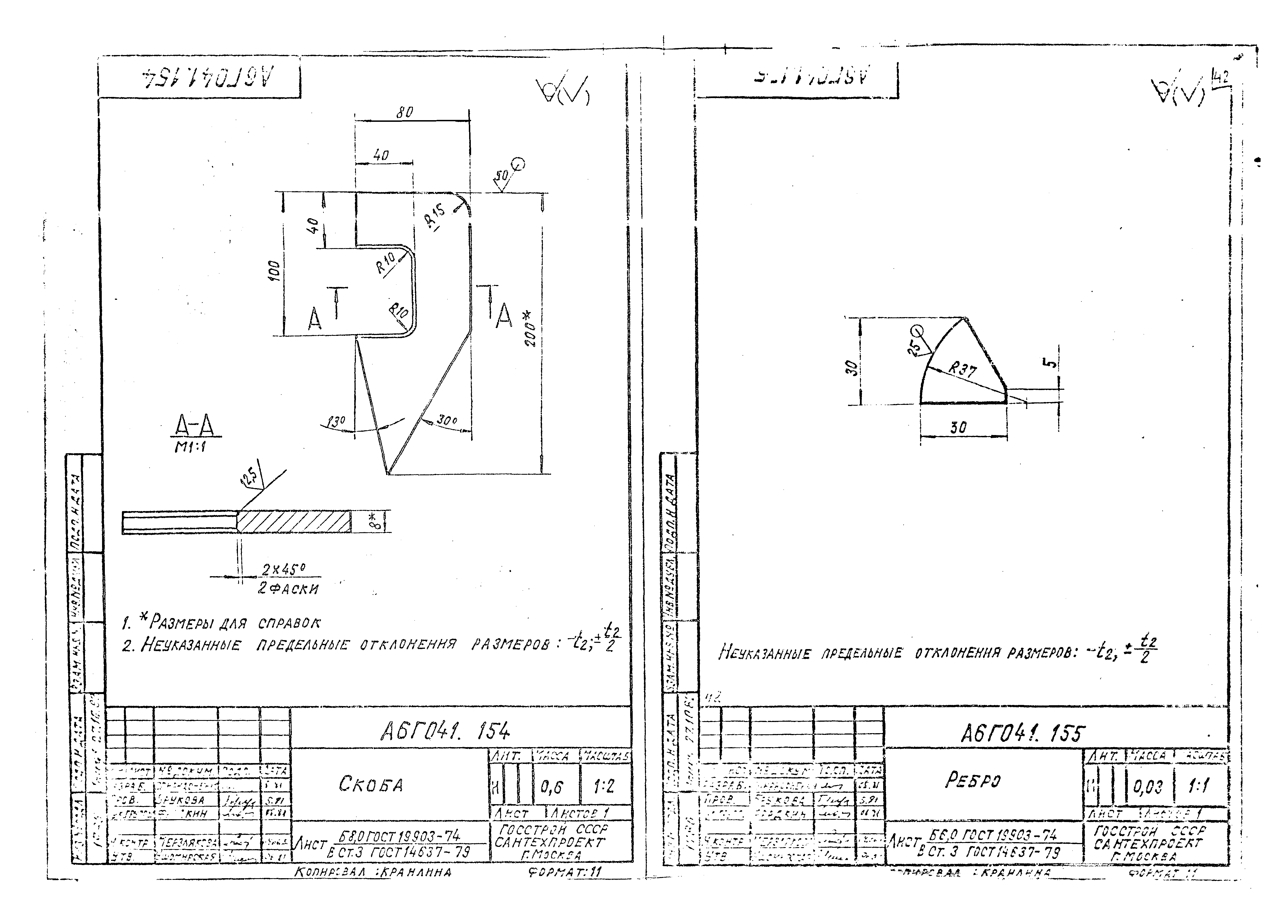
| Оглавление: | Содержание А6Г041.000.ТО Техническое описание А6Г041.000 Аспиратор СИОТ№4 А6Г041.000СБ Аспиратор СИОТ№4. Сборочный чертеж А6Г041.001 Винт натяжной А6Г041.005 Прокладка А6Г041.003 Шайба торцевая А6Г041.004 Планка стопорная А6Г041.002 Шкив А6Г041.007 Крышка А6Г041.006 Прокладка А6Г041.162 Фланец А6Г041.173 Ниппель А6Г041.008 Штуцер А6Г041.172 Гайка накидная А6Г041.010 Поддон А6Г041.020 Патрубок сливной А6Г041.020СБ Патрубок сливной. Сборочный чертеж А6Г041.022 Патрубок А6Г041.010СБ Поддон. Сборочный чертеж А6Г041.013 Обечайка А6Г041.014 Фланец верхний А6Г041.015 Фланец нижний А6Г041.017 Конус А6Г041.018 Кольцо А6Г041.016 Ребро А6Г041.012 Ребро А6Г041.019 Ребро А6Г041.030 Корпус А6Г041.040 Трубопровод А6Г041.050 Стакан А6Г041.030СБ Корпус. Сборочный чертеж А6Г041.028 Заглушка А6Г041.032 Патрубок А6Г041.029 Плита А6Г041.035 Труба А6Г041.036 Ребро А6Г041.039 Обечайка А6Г041.038 Ребро А6Г041.037 Обечайка А6Г041.041 Пластина А6Г041.042 Косынка упорная А6Г041.040СБ Трубопровод. Сборочный чертеж А6Г041.045 Заглушка А6Г041.046 Труба А6Г041.047 Труба А6Г041.048 Труба А6Г041.049 Труба А6Г041.052 Фланец А6Г041.050СБ Стакан. Сборочный чертеж А6Г041.026 Фланец А6Г041.034 Фланец А6Г041.053 Труба А6Г041.060 Люк смотровой А6Г041.070 Крышка А6Г041.080 Защелка А6Г041.090 Винт прижимной А6Г041.060СБ Люк смотровой. Сборочный чертеж А6Г041.061 Ось А6Г041.062 Прокладка А6Г041.063 Косынка А6Г041.064 Дуга А6Г041.070СБ Крышка. Сборочный чертеж А6Г041.075 Лист А6Г041.072 Ручка А6Г041.073 Бобышка А6Г041.074 Петля А6Г041.071 Рамка А6Г041.090СБ Винт прижимной. Сборочный чертеж А6Г041.092 Винт А6Г041.080СБ Защелка. Сборочный чертеж А6Г041.081 Полоса А6Г041.100 Шарнир А6Г041.110 Плита А6Г041.120 Ротор А6Г041.140 Электродвигатель А6Г041.100СБ Шарнир. Сборочный чертеж А6Г041.101 Ребро А6Г041.102 Ушко А6Г041.104 Втулка А6Г041.112 Уголок А6Г041.113 Косынка А6Г041.111 Плита А6Г041.111СБ Плита. Сборочный чертеж А6Г041.120СБ Ротор. Сборочный чертеж А6Г041.121 Кольцо верхнее А6Г041.122 Конус А6Г041.125 Ступица А6Г041.124 Лопатка А6Г041.123 Кольцо нижнее А6Г041.130 Узел подшипниковый А6Г041.130СБ Узел подшипниковый. Сборочный чертеж А6Г041.131 Шкив А6Г041.133 Крышка А6Г041.132 Втулка А6Г041.134 Прокладка А6Г041.137 Крышка А6Г041.135 Втулка А6Г041.136 Корпус А6Г041.138 Вал А6Г041.103 Ось А6Г041.139 Планка стопорная А6Г041.150 Патрубок телескопический А6Г041.160 Воздуховод А6Г041.170 Маслопровод А6Г041.180 Маслопровод А6Г041.154 Скоба А6Г041.155 Ребро А6Г041.150СБ Патрубок телескопический. Сборочный чертеж А6Г041.151 Конус А6Г041.152 Обечайка А6Г041.153 Полукольцо А6Г041.163 Захват А6Г041.160СБ Воздуховод. Сборочный чертеж А6Г041.164 Ушко А6Г041.161 Обечайка А6Г041.181 Труба А6Г041.171 Труба А6Г041.180СБ Маслопровод. Сборочный чертеж А6Г041.170СБ Маслопровод. Сборочный чертеж |
| Разработан: | Сантехпроект Госстроя СССР |
| Утверждён: | 08.06.1982 Главпромстройпроект Госстроя СССР (34) |














































































