Скачать Серия 5.904-15 Выпуск 1-2. Аспиратор СИОТ № 5. Рабочие чертежиДата актуализации: 01.01.2021
|
| Обозначение: | Серия 5.904-15 |
| Обозначение англ: | Series 5.904-15 |
| Статус: | не определен законодательством |
| Название рус.: | Выпуск 1-2. Аспиратор СИОТ № 5. Рабочие чертежи |
| Дата добавления в базу: | 01.10.2014 |
| Дата актуализации: | 01.01.2021 |
| Дата введения: | 15.06.1982 |
| Дата окончания срока действия: | 30.06.2003 |
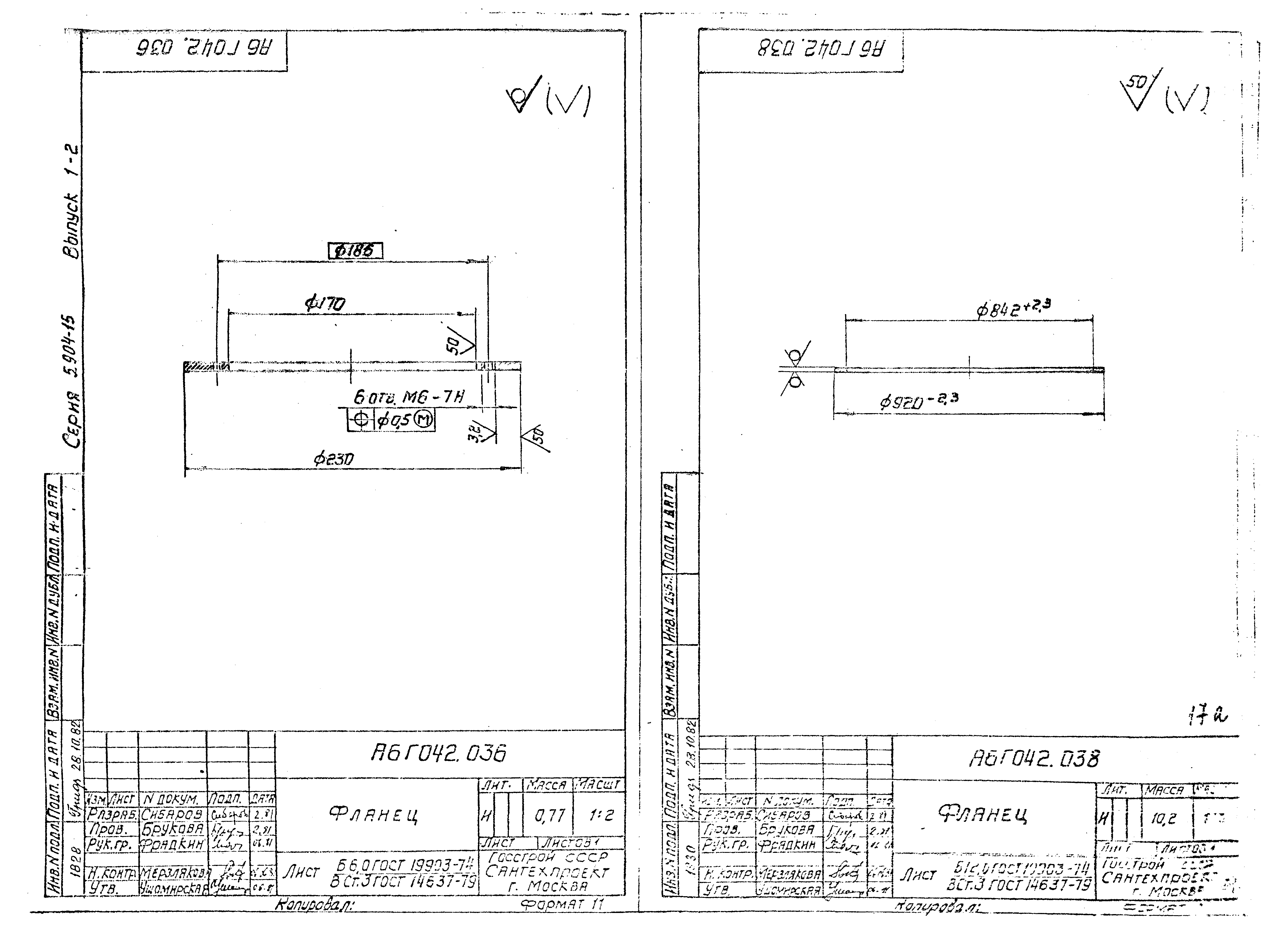
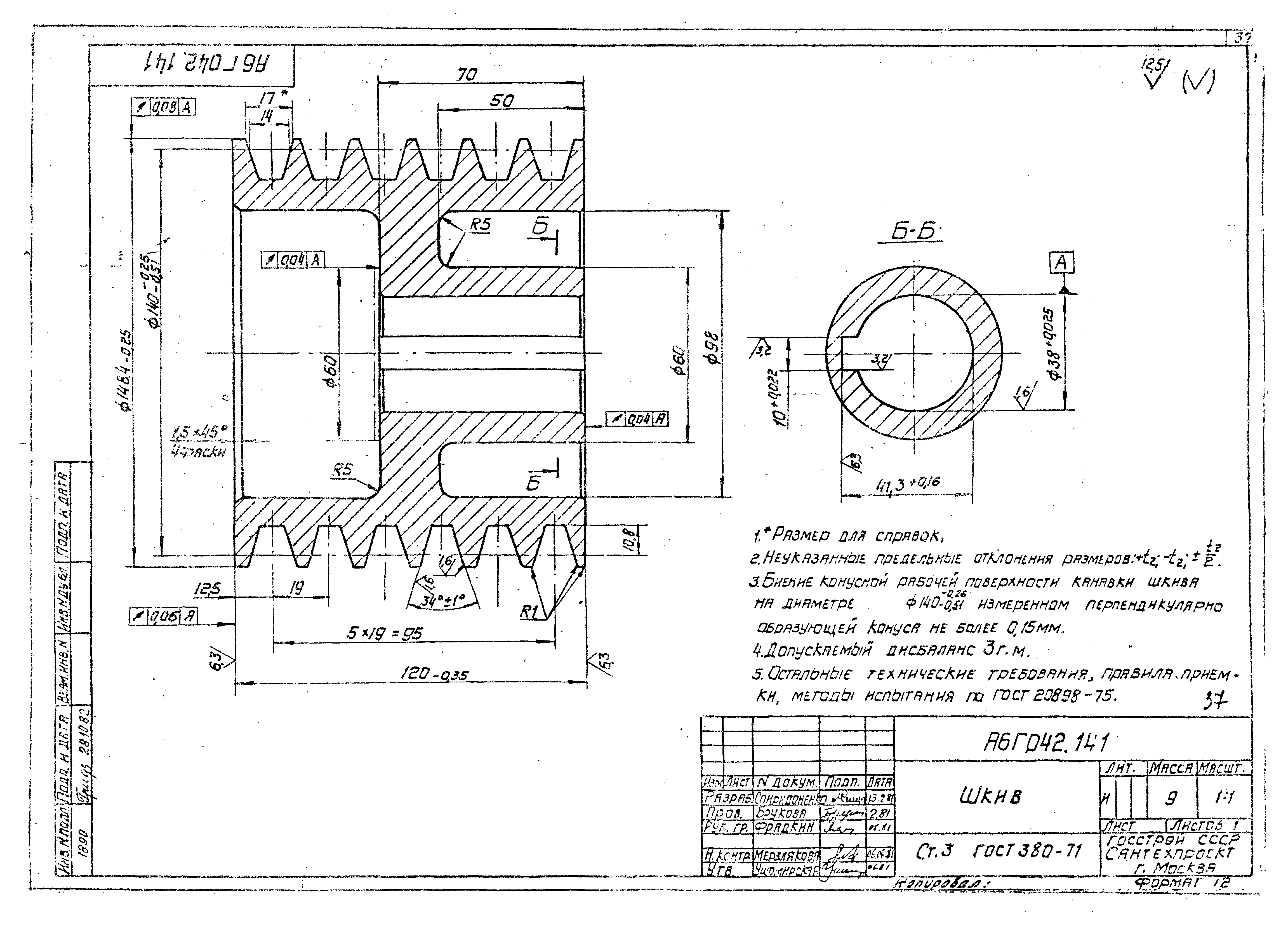
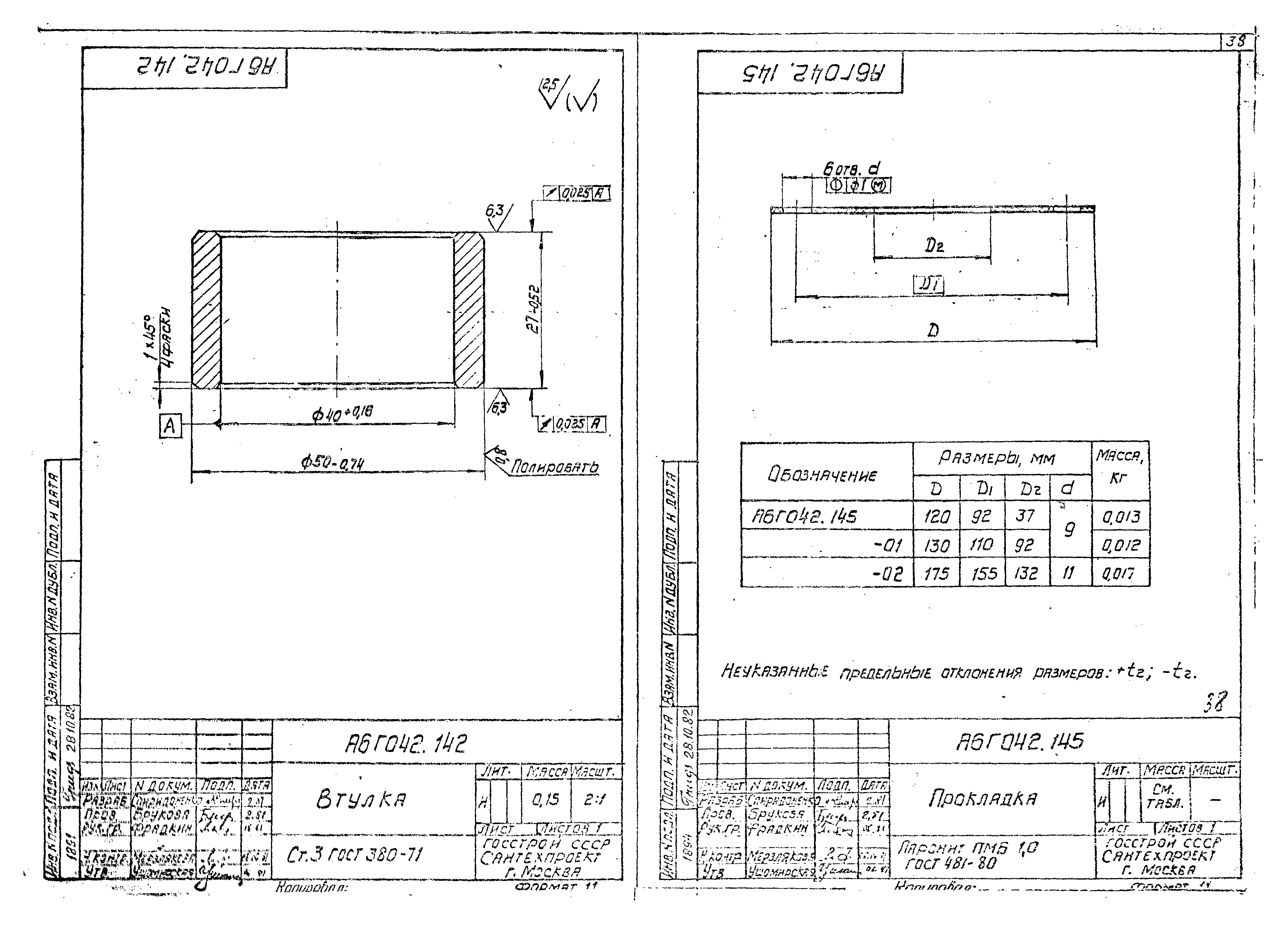
| Оглавление: | Содержание А6Г042.000.ТО Техническое описание А6Г042.000 Аспиратор СИОТ№5 А6Г042.000СБ Аспиратор СИОТ№5. Сборочный чертеж А6Г042.001 Винт натяжной А6Г042.005 Прокладка А6Г042.003 Шайба торцевая А6Г042.004 Планка стопорная А6Г042.002 Шкив А6Г042.007 Крышка А6Г042.006 Прокладка А6Г042.010 Поддон А6Г042.020 Патрубок сливной А6Г042.030 Корпус А6Г042.010СБ Поддон. Сборочный чертеж А6Г042.011 Ребро А6Г042.014 Ребро А6Г042.018 Ребро А6Г042.017 Кольцо А6Г042.016 Конус А6Г042.013 Обечайка А6Г042.015 Фланец нижний А6Г042.012 Фланец верхний А6Г042.021 Патрубок А6Г042.020СБ Патрубок сливной. Сборочный чертеж А6Г042.114 Втулка А6Г042.113 Ось А6Г042.030СБ Корпус. Сборочный чертеж А6Г042.033 Плита А6Г042.061 Лист А6Г042.060СБ Патрубок. Сборочный чертеж А6Г042.060 Патрубок А6Г042.039 Ребро А6Г042.036 Фланец А6Г042.038 Фланец А6Г042.043 Обечайка А6Г042.042 Ребро А6Г042.037 Труба А6Г042.150 Электродвигатель А6Г042.044 Пластина А6Г042.045 Косынка упорная А6Г042.041 Обечайка А6Г042.040СБ Трубопровод. Сборочный чертеж А6Г042.052 Труба А6Г042.049 Труба А6Г042.048 Труба А6Г042.051 Труба А6Г042.047 Заглушка А6Г042.040 Трубопровод А6Г042.050 Стакан А6Г042.055 Фланец А6Г042.056 Труба А6Г042.050СБ Стакан. Сборочный чертеж А6Г042.070 Люк смотровой А6Г042.080 Крышка А6Г042.090 Защелка А6Г042.100 Винт прижимной А6Г042.070СБ Люк смотровой. Сборочный чертеж А6Г042.071 Ось А6Г042.072 Прокладка А6Г042.073 Косынка А6Г042.074 Дуга А6Г042.080СБ Крышка. Сборочный чертеж А6Г042.085 Лист А6Г042.081 Рамка А6Г042.082 Ручка А6Г042.083 Бобышка А6Г042.084 Петля А6Г042.091 Полоса А6Г042.090СБ Защелка. Сборочный чертеж А6Г042.102 Винт А6Г042.100СБ Винт прижимной. Сборочный чертеж А6Г042.110 Шарнир А6Г042.120 Плита А6Г042.130 Ротор А6Г042.133 Кольцо нижнее А6Г042.110СБ Шарнир. Сборочный чертеж А6Г042.111 Ребро А6Г042.112 Ушко А6Г042.122 Уголок А6Г042.123 Косынка А6Г042.121 Плита А6Г042.120СБ Плита. Сборочный чертеж А6Г042.130СБ Ротор. Сборочный чертеж А6Г042.131 Кольцо верхнее А6Г042.135 Ступица А6Г042.134 Лопатка А6Г042.132 Конус А6Г042.140 Узел подшипниковый А6Г042.144 Крышка А6Г042.149 Планка стопорная А6Г042.140СБ Узел подшипниковый. Сборочный чертеж А6Г042.141 Шкив А6Г042.143 Вал А6Г042.142 Втулка А6Г042.145 Прокладка А6Г042.148 Крышка А6Г042.146 Втулка А6Г042.147 Корпус А6Г042.160 Патрубок телескопический А6Г042.170 Воздуховод А6Г042.180 Маслопровод А6Г042.190 Маслопровод А6Г042.164 Скоба А6Г042.165 Ребро А6Г042.160СБ Патрубок телескопический. Сборочный чертеж А6Г042.161 Корпус А6Г042.162 Обечайка А6Г042.163 Полукольцо А6Г042.173 Захват А6Г042.174 Ушко А6Г042.171 Обечайка А6Г042.170СБ Воздуховод. Сборочный чертеж А6Г042.172 Фланец А6Г042.183 Ниппель А6Г042.008 Штуцер А6Г042.182 Гайка накидная А6Г042.191 Труба А6Г042.181 Труба А6Г042.190СБ Маслопровод. Сборочный чертеж А6Г042.180СБ Маслопровод. Сборочный чертеж |
| Разработан: | Сантехпроект Госстроя СССР |
| Утверждён: | 08.06.1982 Главпромстройпроект Госстроя СССР (34) |














































































