Скачать Серия 5.904-15 Выпуск 1-4. Аспиратор СИОТ № 8. Рабочие чертежиДата актуализации: 01.01.2021
|
| Обозначение: | Серия 5.904-15 |
| Обозначение англ: | Series 5.904-15 |
| Статус: | не определен законодательством |
| Название рус.: | Выпуск 1-4. Аспиратор СИОТ № 8. Рабочие чертежи |
| Дата добавления в базу: | 01.10.2014 |
| Дата актуализации: | 01.01.2021 |
| Дата введения: | 15.06.1982 |
| Дата окончания срока действия: | 30.06.2003 |
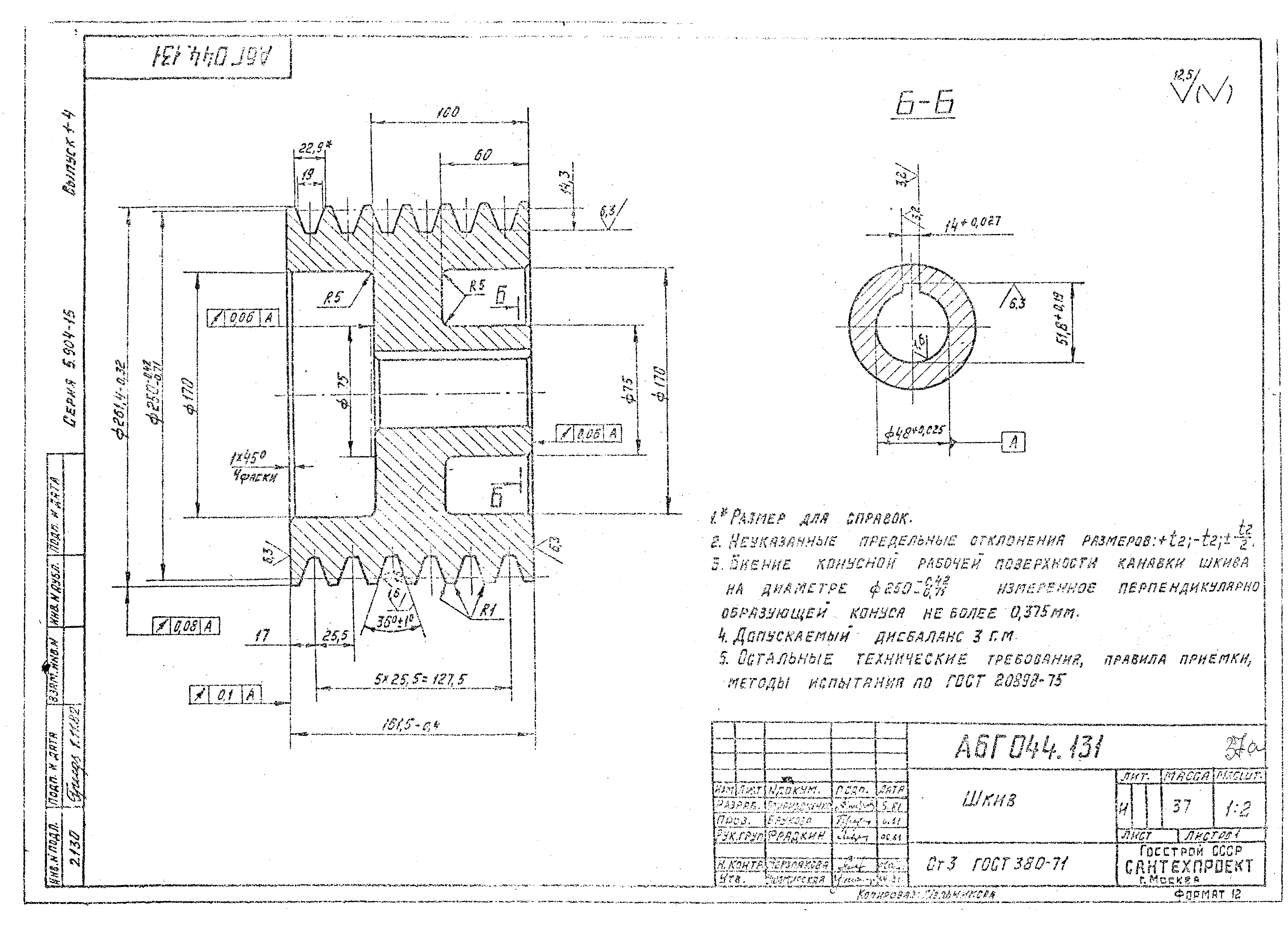
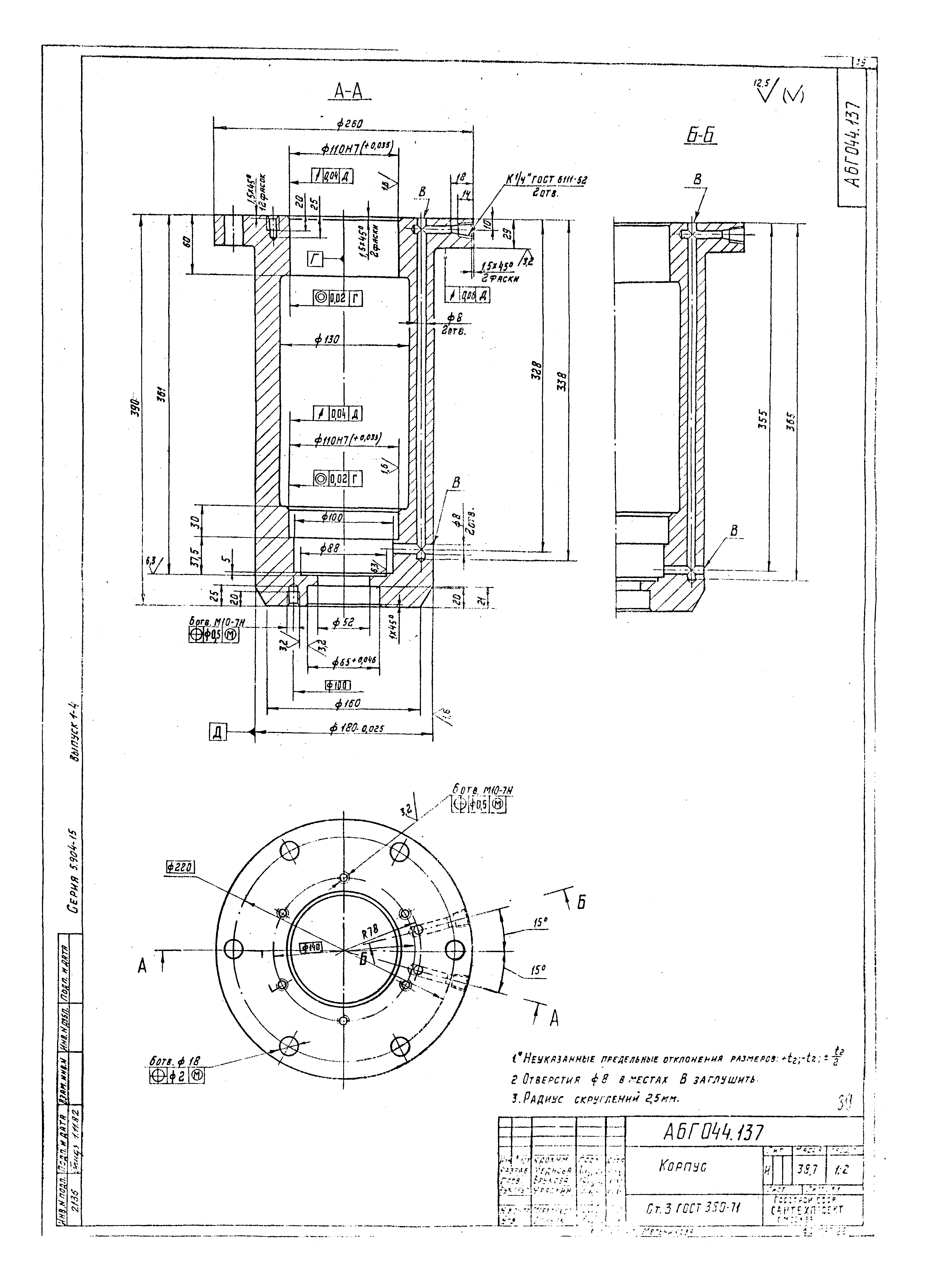
| Оглавление: | Содержание А6Г044.000.ТО Техническое описание А6Г044.000 Аспиратор СИОТ №8 А6Г044.000СБ Аспиратор СИОТ №8. Сборочный чертеж А6Г044.001 Винт натяжной А6Г044.007 Прокладка А6Г044.002 Шкив А6Г044.003 Шайба торцевая А6Г044.004 Планка стопорная А6Г044.005 Крышка А6Г044.006 Прокладка А6Г044.010 Поддон А6Г044.008 Штуцер А6Г044.045 Пластина А6Г044.046 Косынка упорная А6Г044.020 Патрубок сливной А6Г044.040 Стакан А6Г044.048 Фланец А6Г044.040СБ Стакан. Сборочный чертеж А6Г044.010СБ Поддон. Сборочный чертеж А6Г044.021 Патрубок А6Г044.020СБ Патрубок сливной. Сборочный чертеж А6Г044.011 Ребро А6Г044.012 Обечайка А6Г044.013 Фланец верхний А6Г044.014 Фланец нижний А6Г044.015 Ребро А6Г044.016 Конус А6Г044.017 Кольцо А6Г044.018 Косынка А6Г044.030СБ Корпус. Сборочный чертеж А6Г044.030 Корпус А6Г044.038 Заглушка А6Г044.033 Патрубок А6Г044.034 Плита А6Г044.032 Труба А6Г044.036 Фланец А6Г044.039 Фланец А6Г044.041 Ребро А6Г044.042 Обечайка А6Г044.043 Ребро А6Г044.044 Обечайка А6Г044.050 Трубопровод А6Г044.051 Заглушка А6Г044.050СБ Трубопровод. Сборочный чертеж А6Г044.052 Труба А6Г044.053 Труба А6Г044.054 Труба А6Г044.055 Труба А6Г044.060 Люк смотровой А6Г044.070 Крышка А6Г044.080 Защелка А6Г044.090 Винт прижимной А6Г044.060СБ Люк смотровой. Сборочный чертеж А6Г044.061 Ось А6Г044.062 Прокладка А6Г044.063 Косынка А6Г044.064 Дуга А6Г044.075 Лист А6Г044.070СБ Крышка. Сборочный чертеж А6Г044.071 Рамка А6Г044.072 Ручка А6Г044.073 Бобышка А6Г044.074 Петля А6Г044.081 Полоса А6Г044.080СБ Защелка. Сборочный чертеж А6Г044.091 Винт А6Г044.090СБ Винт прижимной. Сборочный чертеж А6Г044.100 Шарнир А6Г044.110 Плита А6Г044.120 Ротор А6Г044.104 Втулка А6Г044.100СБ Шарнир. Сборочный чертеж А6Г044.101 Ребро А6Г044.102 Ушко А6Г044.103 Ось А6Г044.111 Уголок А6Г044.112 Косынка А6Г044.113 Плита А6Г044.110СБ Плита. Сборочный чертеж А6Г044.120СБ Ротор. Сборочный чертеж А6Г044.121 Кольцо верхнее А6Г044.122 Конус А6Г044.125 Ступица А6Г044.123 Лопатка А6Г044.124 Кольцо нижнее А6Г044.140 Электродвигатель А6Г044.130 Узел подшипниковый А6Г044.130СБ Узел подшипниковый. Сборочный чертеж А6Г044.134 Вал А6Г044.132 Втулка А6Г044.136 Втулка А6Г044.135 Прокладка А6Г044.139 Планка стопорная А6Г044.131 Шкив А6Г044.160 Воздуховод А6Г044.138 Крышка А6Г044.133 Крышка А6Г044.137 Корпус А6Г044.150 Патрубок телескопический А6Г044.152 Обечайка А6Г044.151 Конус А6Г044.153 Полукольцо А6Г044.154 Скоба А6Г044.155 Ребро А6Г044.150СБ Патрубок телескопический. Сборочный чертеж А6Г044.163 Захват А6Г044.164 Ушко А6Г044.160СБ Воздуховод. Сборочный чертеж А6Г044.170 Маслопровод А6Г044.180 Маслопровод А6Г044.161 Обечайка А6Г044.162 Фланец А6Г044.170СБ Маслопровод. Сборочный чертеж А6Г044.180СБ Маслопровод. Сборочный чертеж А6Г044.171 Ниппель А6Г044.172 Гайка накидная А6Г044.181 Труба А6Г044.173 Труба |
| Разработан: | Сантехпроект Госстроя СССР |
| Утверждён: | 08.06.1982 Главпромстройпроект Госстроя СССР (34) |















































































