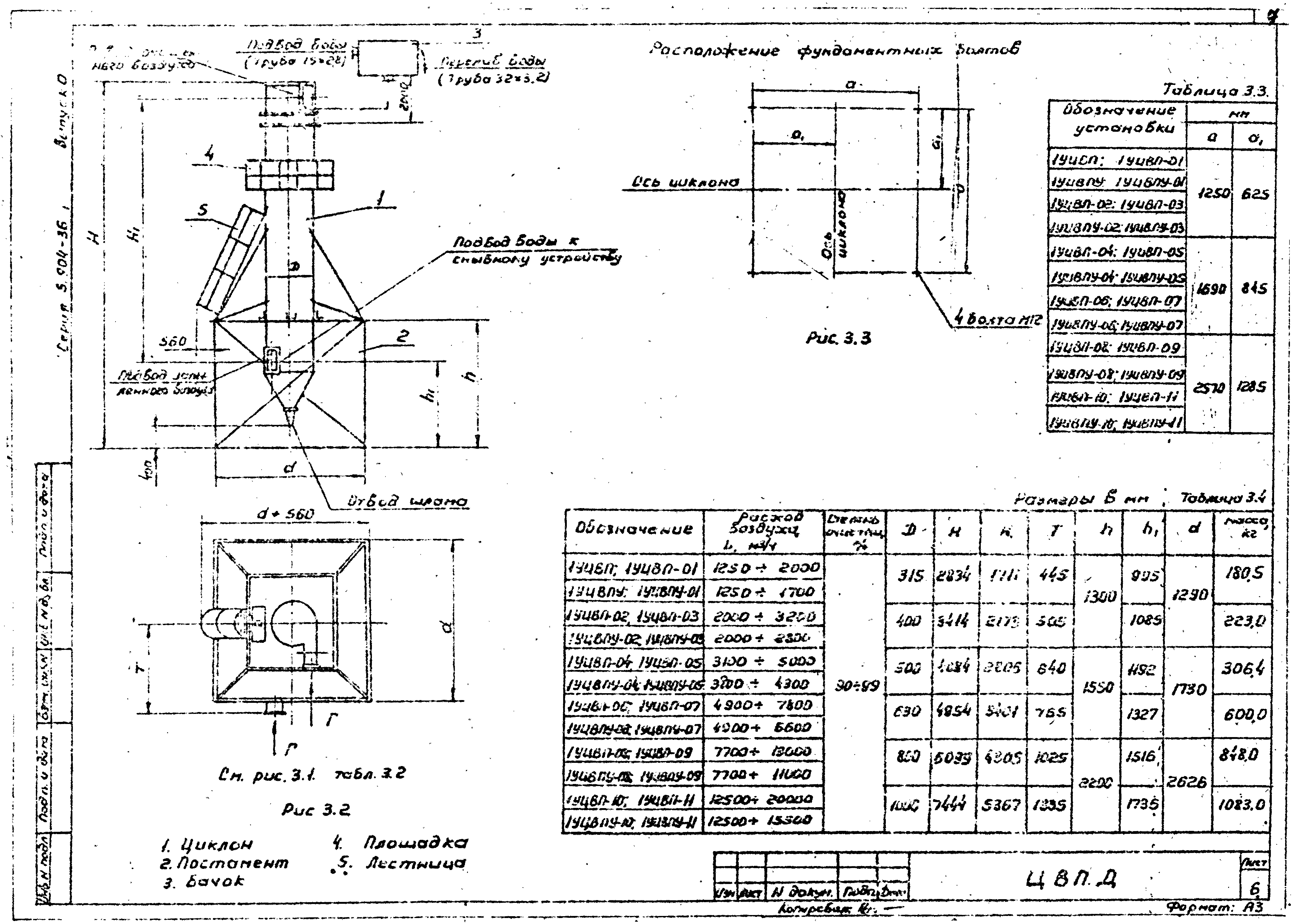
Скачать Серия 5.904-36 Выпуск 0. Указания по применению и подбору и эксплуатацииДата актуализации: 01.01.2021
|
| Обозначение: | Серия 5.904-36 |
| Обозначение англ: | Series 5.904-36 |
| Статус: | не определен законодательством |
| Название рус.: | Выпуск 0. Указания по применению и подбору и эксплуатации |
| Дата добавления в базу: | 01.09.2013 |
| Дата актуализации: | 01.01.2021 |
| Дата введения: | 01.07.1986 |
| Дата окончания срока действия: | 30.06.2003 |
| Разработан: | ГПИ Проектпромвентиляция |
| Утверждён: | 20.11.1985 Госстрой СССР (Государственный комитет Совета Министров СССР по делам строительства) (USSR Gosstroy АЧ-48) |




















