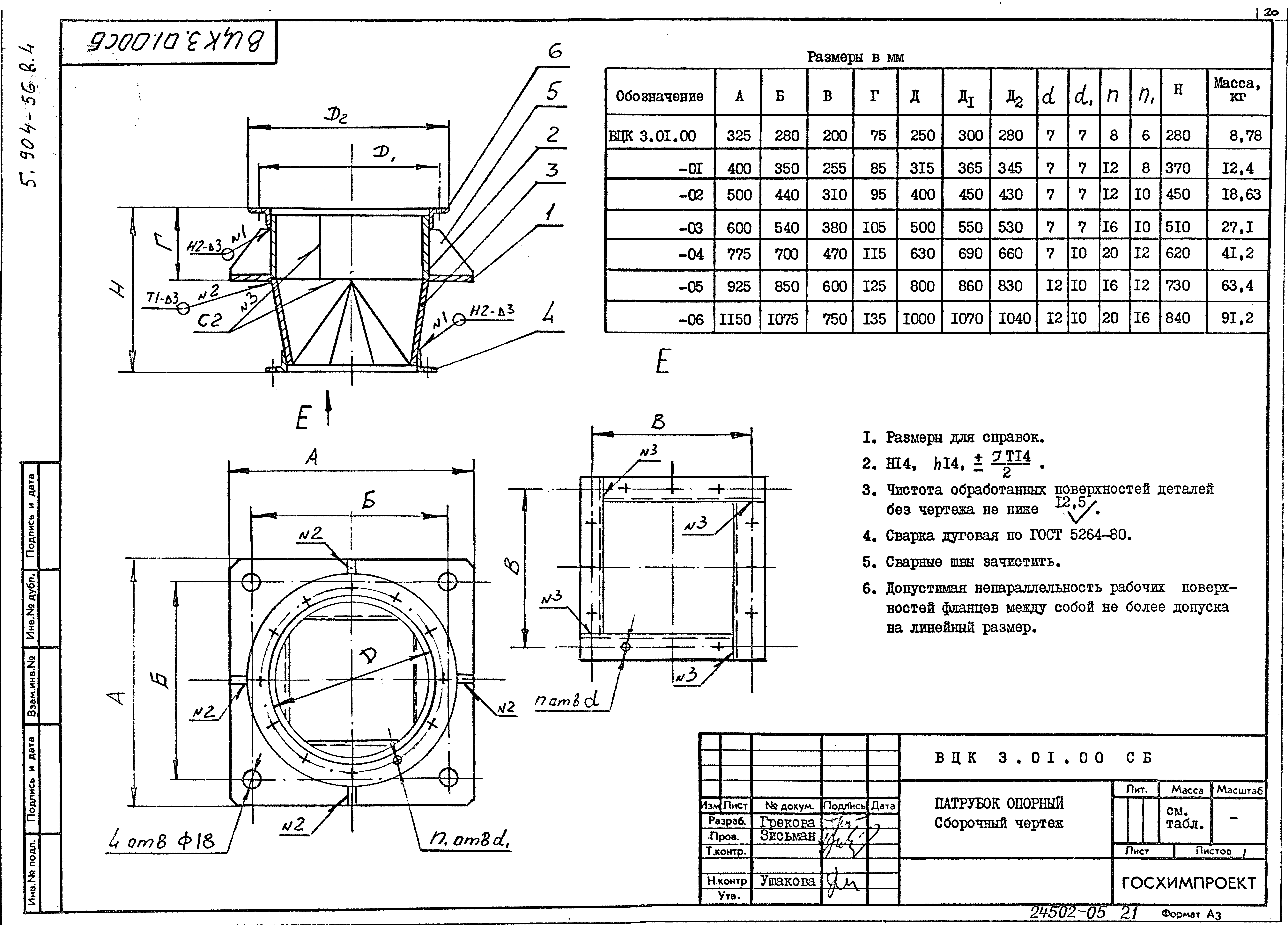
Скачать Серия 5.904-56 Выпуск 4. Установка рабочего и резервного вентиляторов с высотой шахты до 8 м. Рабочие чертежиДата актуализации: 01.01.2021
|
| Обозначение: | Серия 5.904-56 |
| Обозначение англ: | Series 5.904-56 |
| Статус: | не определен законодательством |
| Название рус.: | Выпуск 4. Установка рабочего и резервного вентиляторов с высотой шахты до 8 м. Рабочие чертежи |
| Дата добавления в базу: | 01.09.2013 |
| Дата актуализации: | 01.01.2021 |
| Дата введения: | 15.03.1991 |
| Дата окончания срока действия: | 30.06.2003 |
| Разработан: | ГПИ Госхимпроект Госстроя СССР |
| Утверждён: | 17.01.1990 Главпроект Госстроя СССР |
































