Скачать Серия 5.903-3 Выпуск 1-9. Рабочие чертежи узлов и деталей. Вакуумный деаэратор ДВ-300 с охладителем выпара ОВВ-24Дата актуализации: 01.01.2021
|
| Обозначение: | Серия 5.903-3 |
| Обозначение англ: | Series 5.903-3 |
| Статус: | не определен законодательством |
| Название рус.: | Выпуск 1-9. Рабочие чертежи узлов и деталей. Вакуумный деаэратор ДВ-300 с охладителем выпара ОВВ-24 |
| Дата добавления в базу: | 01.09.2013 |
| Дата актуализации: | 01.01.2021 |
| Дата введения: | 01.04.1982 |
| Дата окончания срока действия: | 30.06.2003 |
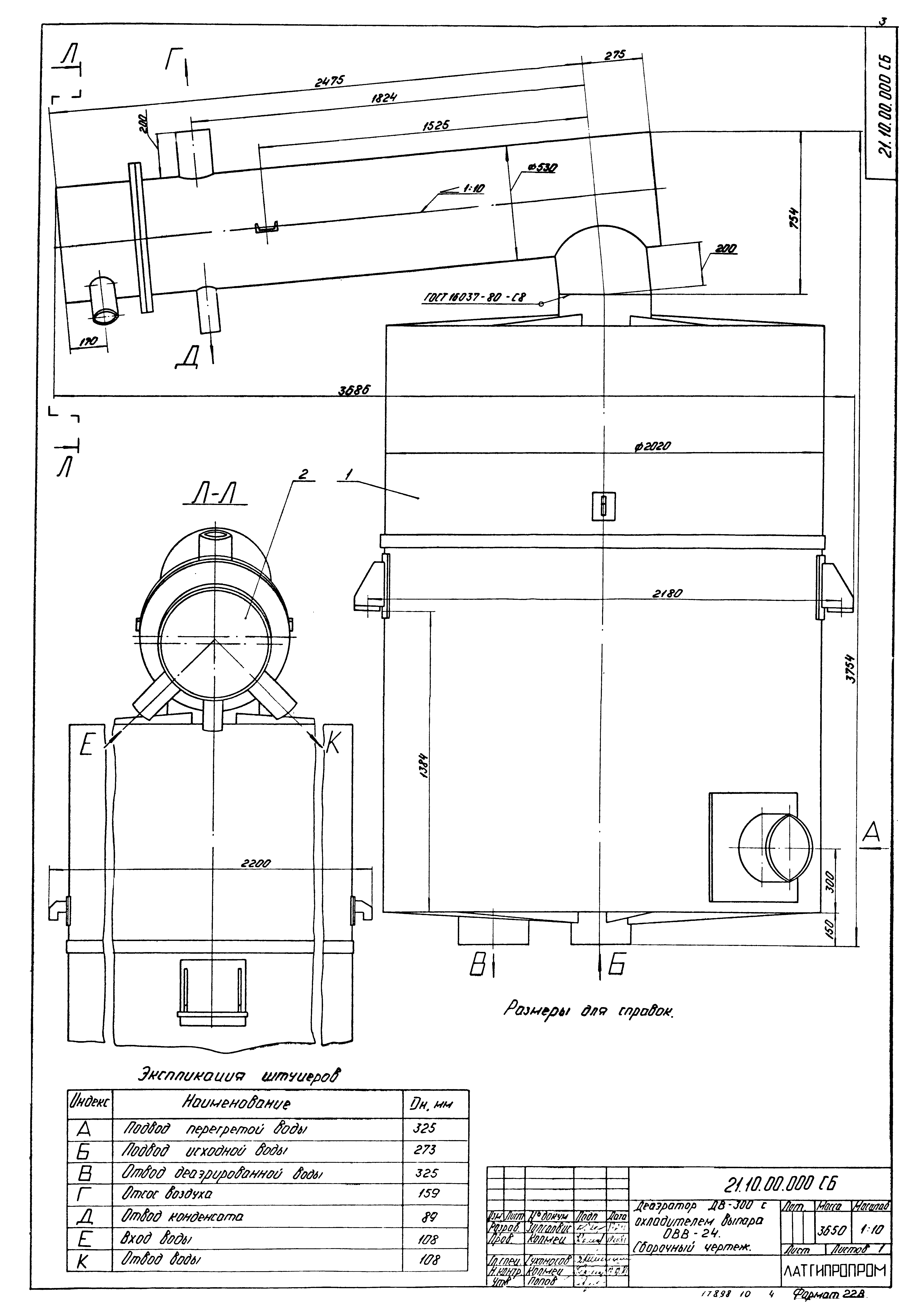
| Оглавление: | 21.10.00.000 Деаэратор ДВ-300 с охладителем выпара ОВВ-24 21.10.00.000 СБ Сборочный чертеж 21.10.01.000 Деаэратор вакуумный 21.10.01.000 СБ Сборочный чертеж 21.10.01.100 Корпус нижний 21.10.01.100 СБ Сборочный чертеж 21.10.01.101 Корпус 21.10.01.102 Кольцо 21.10.01.03 Накладка 21.10.01.110 Опора 21.10.01.110 СБ Сборочный чертеж 21.10.01.111 Лист накладной 21.10.01.112 Плита 21.10.01.113 Косынка 21.10.01.200 Корпус верхний 21.10.01.200 СБ Сборочный чертеж 21.10.01.201 Корпус 21.10.01.202 Косынка 21.10.01.210 Скоба 21.10.01.210 СБ Сборочный чертеж 21.10.01.211 Лист подкладной 21.10.01.212 Скоба 21.10.01.300 Барботажное устройство (Лист 1) 21.10.01.300 Барботажное устройство (Лист 2) 21.10.01.300 СБ Сборочный чертеж 21.10.01.301 Лист барботажный 21.10.01.302 Днище 21.10.01.303 Труба переливная 21.10.01.304 Ребро 21.10.01.310 Труба перепускная 21.10.01.310 СБ Сборочный чертеж 21.10.01.311 Труба 21.10.01.320 Крестовина 21.10.01.320 СБ Сборочный чертеж 21.10.01.400 Тарелка переливная 21.10.01.400 СБ Сборочный чертеж 21.10.01.401 Лист переливной 21.10.01.402 Обечайка 21.10.01.500 Тарелка дырчатая 21.10.01.500 СБ Сборочный чертеж 21.10.01.501 Лист дырчатый 21.10.01.502 Кольцо 21.10.01.503 Кольцо 21.10.01.600 Отбойник 21.10.01.600 СБ Сборочный чертеж 21.10.01.700 Крышка 21.10.01.700 СБ Сборочный чертеж 21.10.01.701 Крышка 21.10.01.800 Коллектор 21.10.01.800 СБ Сборочный чертеж 21.10.02.000 Охладитель выпара ОВВ-24 21.10.02.000 СБ Сборочный чертеж 21.10.02.001 Прокладка 21.10.02.100 Охладитель 21.10.02.100 СБ Сборочный чертеж 21.10.02.101 Корпус 21.10.02.102 Патрубок 21.10.02.103 Патрубок 21.10.02.104 Патрубок 21.10.02.105 Змеевик 21.10.02.106 Дно 21.10.02.110 Каркас 21.10.02.110 СБ Сборочный чертеж 21.10.02.111 Фланец 21.10.02.112 Перегородка 21.10.02.113 Ловитель 21.10.02.200 Камера 21.10.02.200 СБ Сборочный чертеж 21.10.02.201 Корпус камеры |
| Разработан: | НПО ЦКТИ им. И.И. Ползунова Латгипропром |
| Утверждён: | 29.12.1981 НПО ЦКТИ (241) |


























