Скачать Серия 5.903-15 Выпуск 3-0. Блоки рециркуляционных насосов. Указания по применению и изготовлениюДата актуализации: 01.01.2021
|
| Обозначение: | Серия 5.903-15 |
| Обозначение англ: | Series 5.903-15 |
| Статус: | не определен законодательством |
| Название рус.: | Выпуск 3-0. Блоки рециркуляционных насосов. Указания по применению и изготовлению |
| Дата добавления в базу: | 01.09.2013 |
| Дата актуализации: | 01.01.2021 |
| Дата введения: | 01.01.1990 |
| Дата окончания срока действия: | 30.06.2003 |
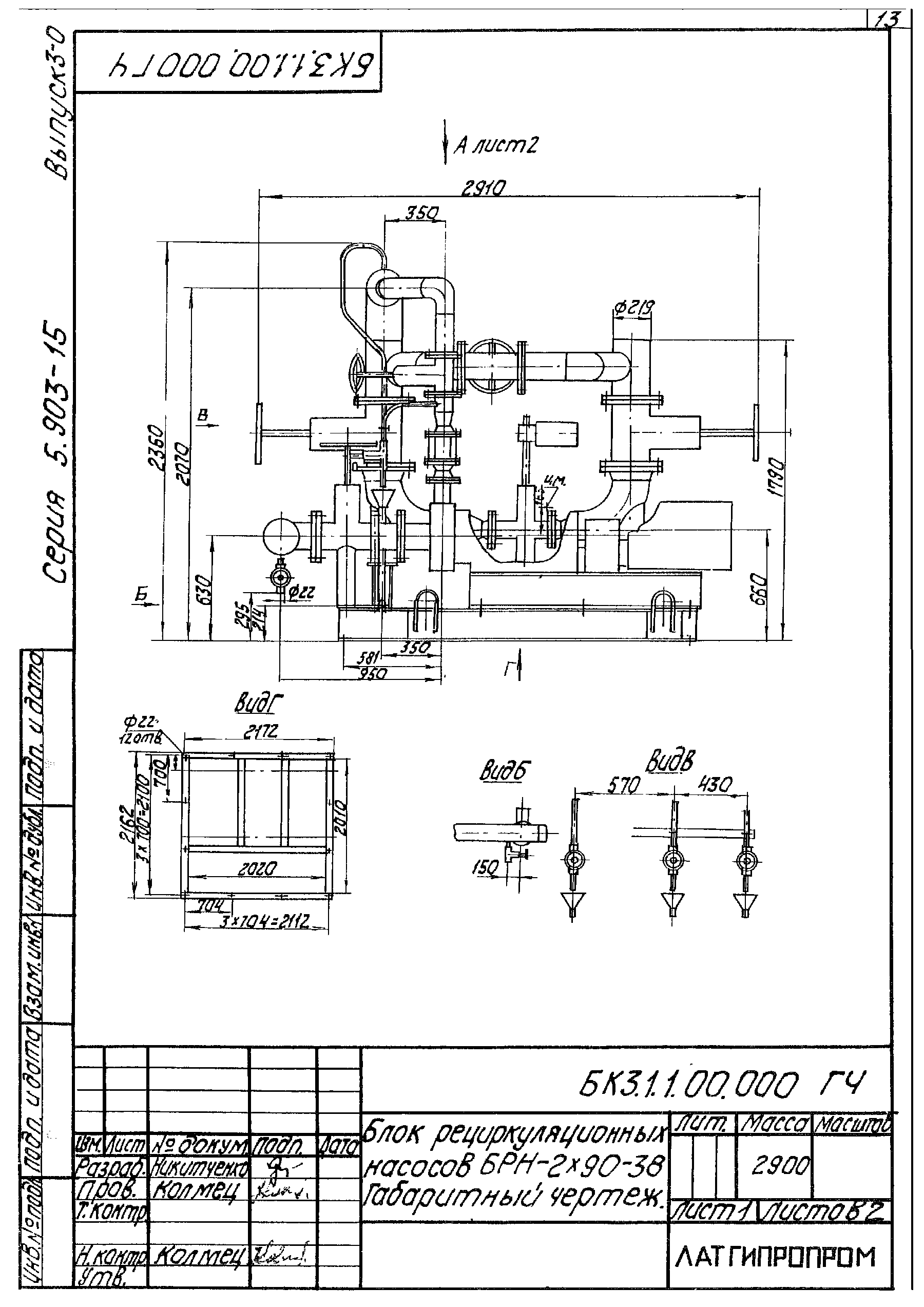
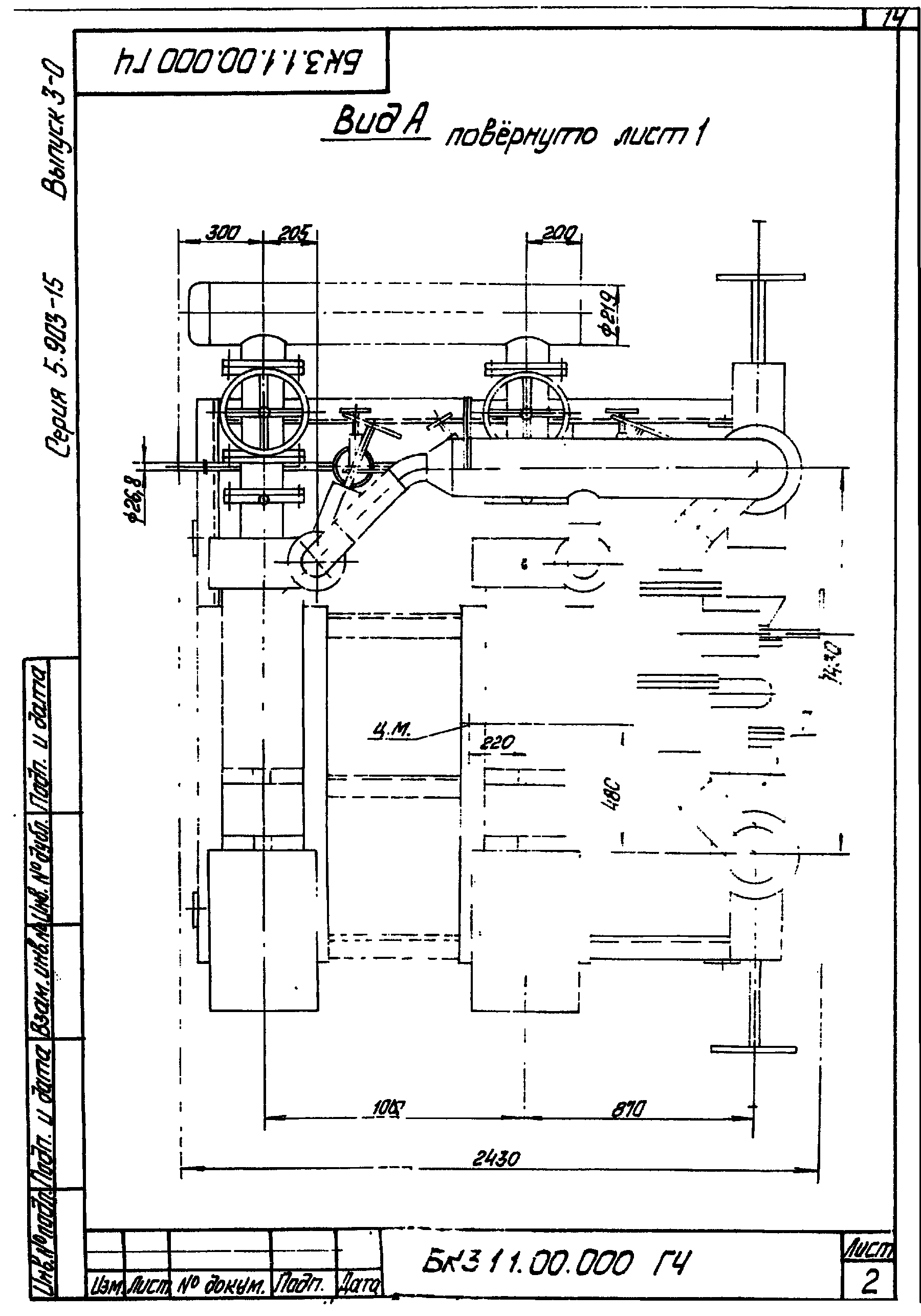
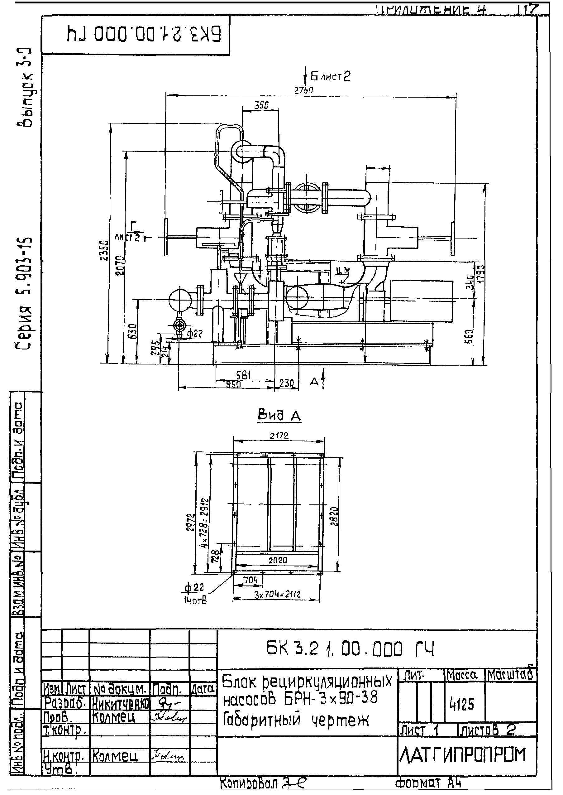
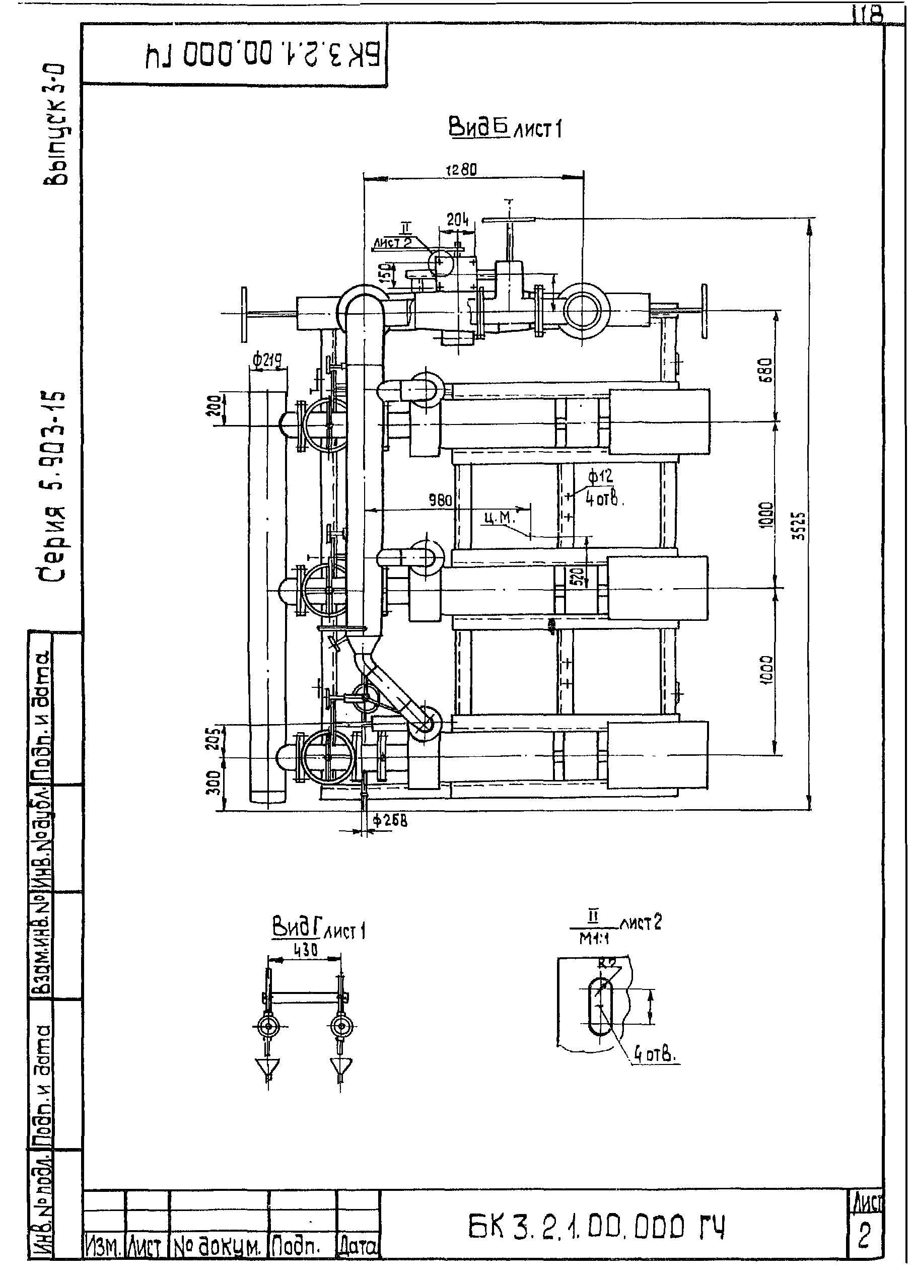
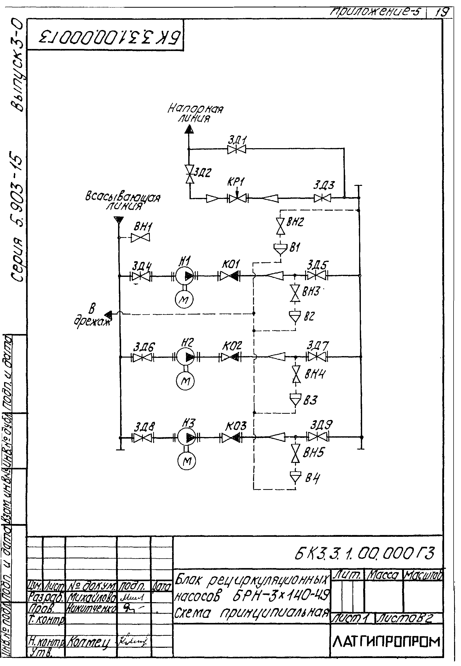
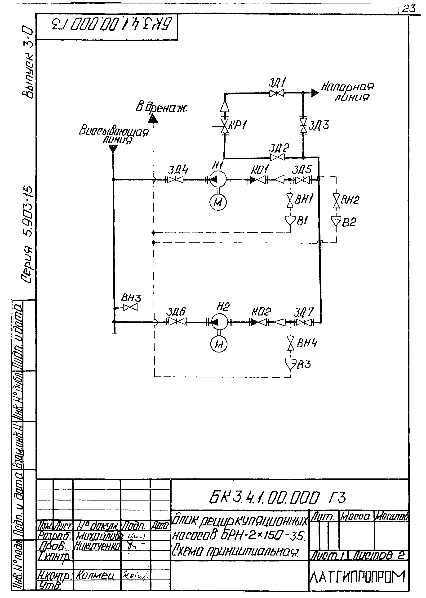
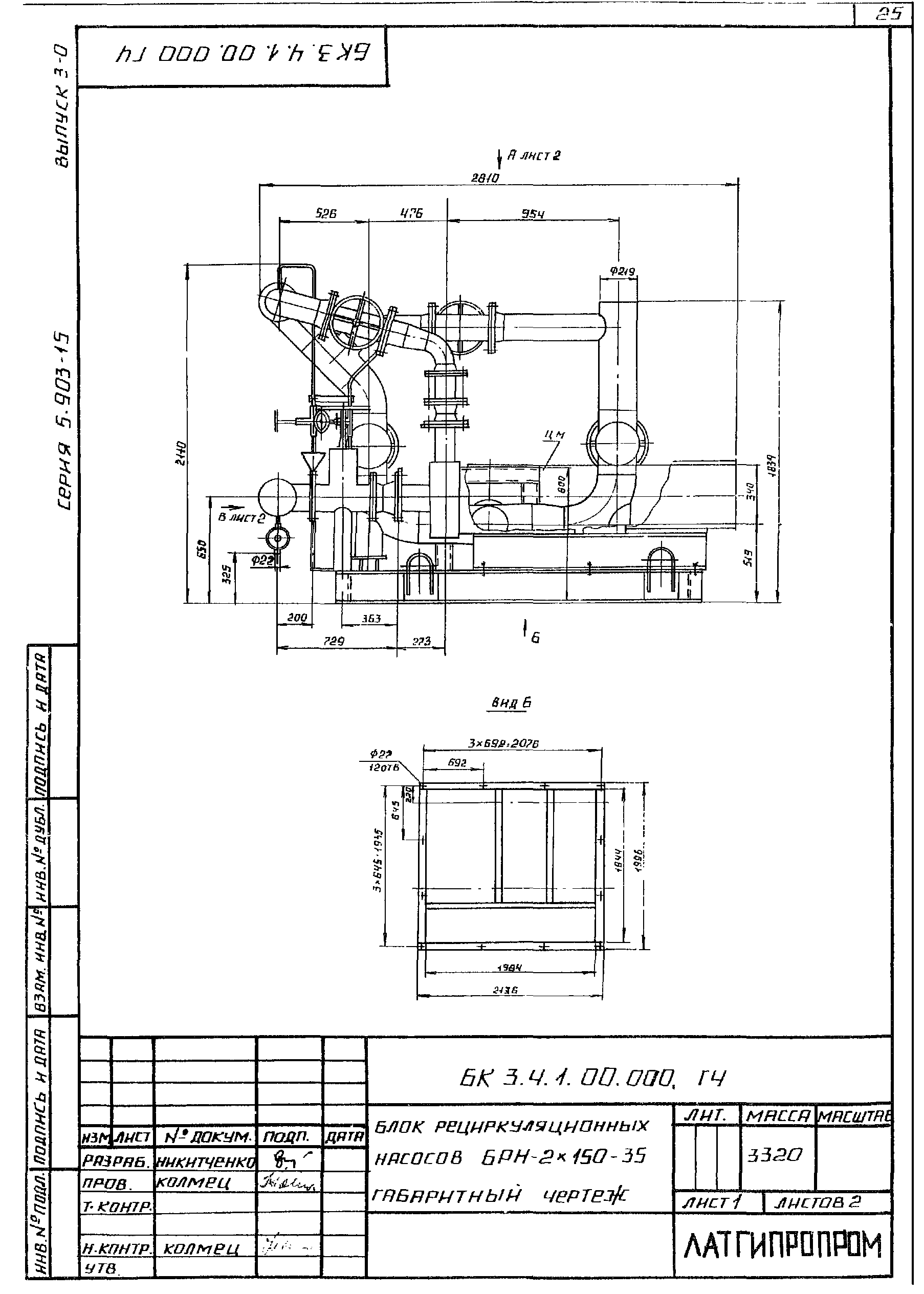
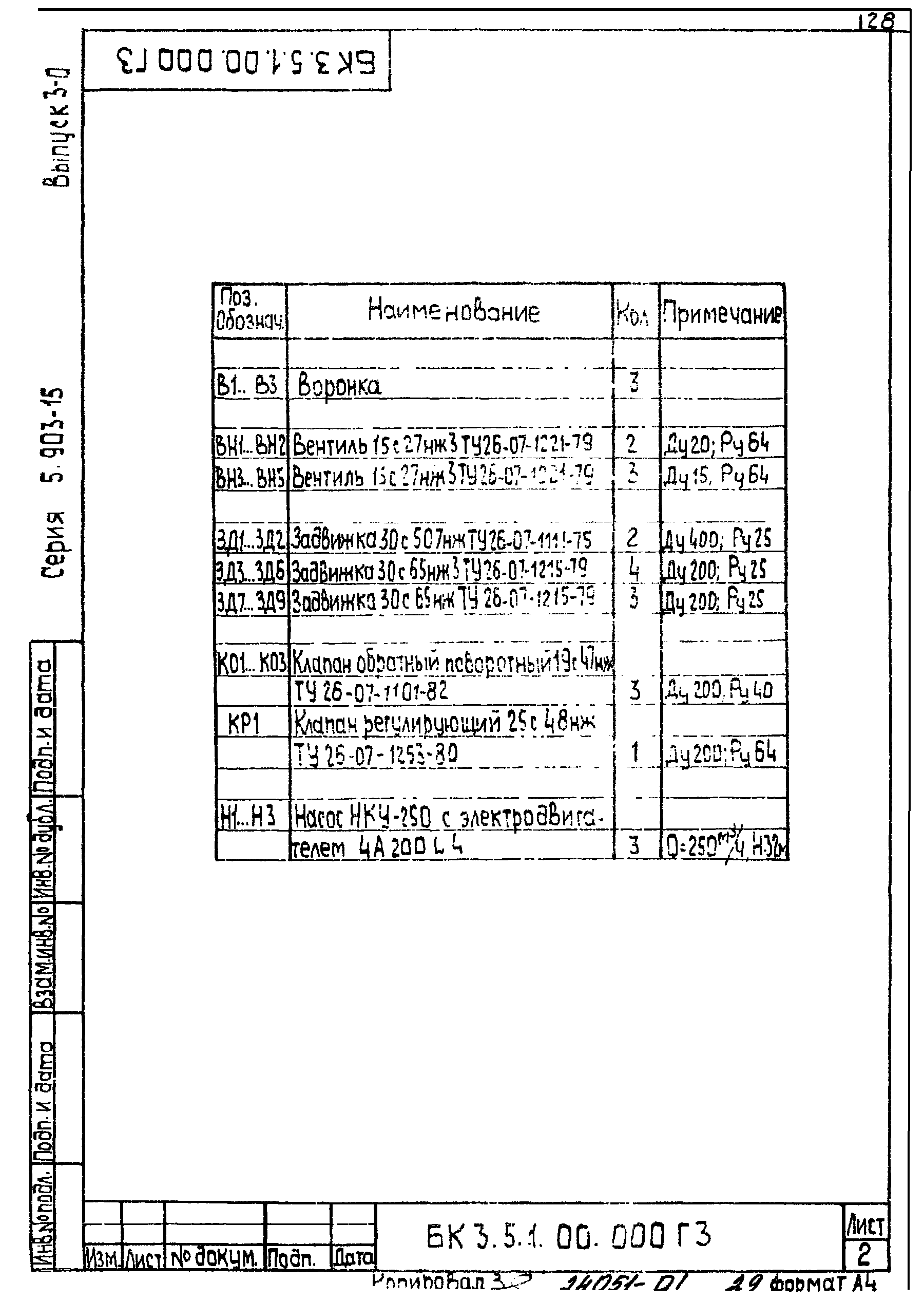
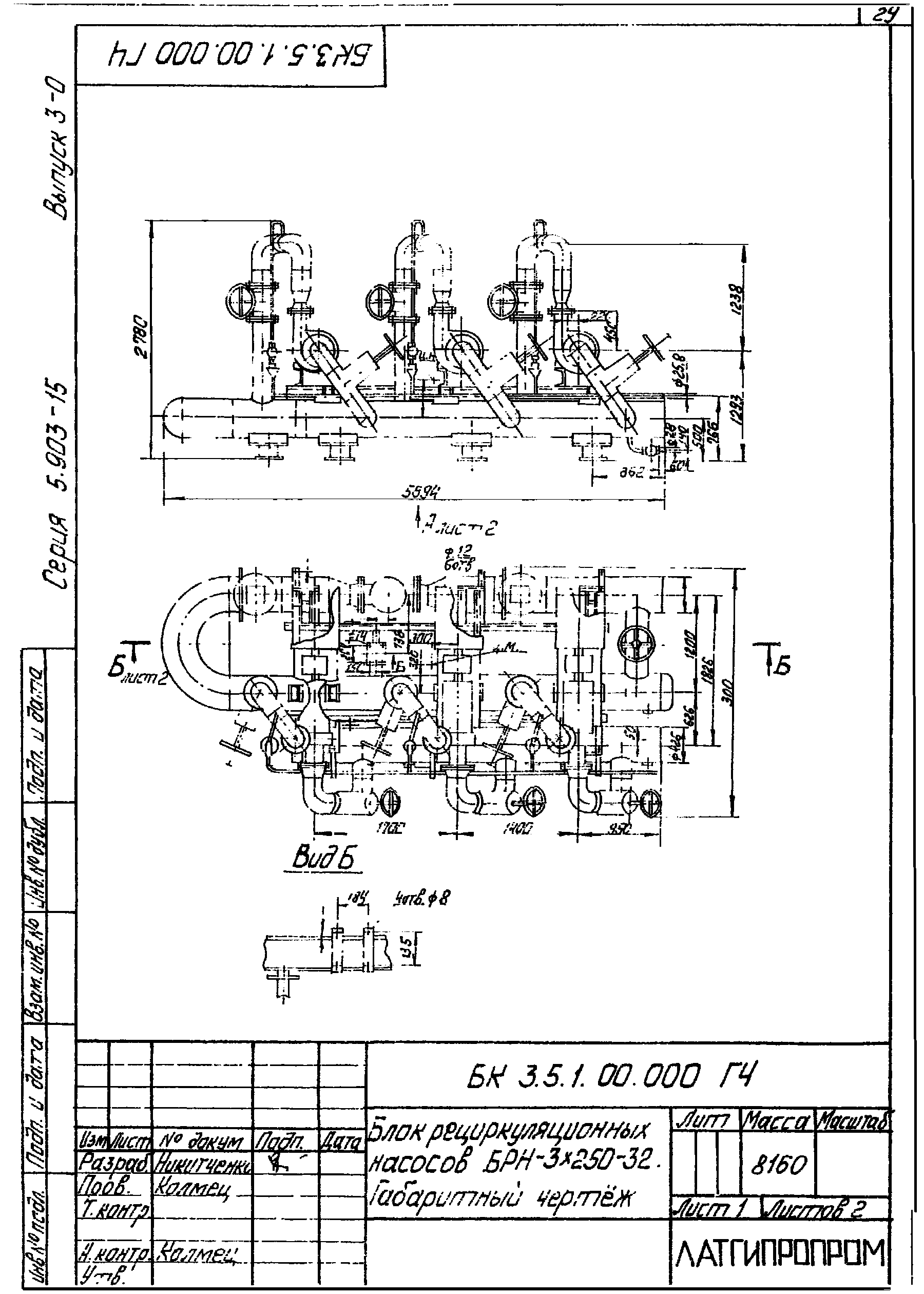
| Оглавление: | Опись альбома 1. Общая часть 2. Назначение и описание конструкции 3. Рекомендации для подбора 4. Требования к транспортировке 5. Требования к оборудованию и материалам 6. Требования к сборке блока Приложение 1. Блок рециркуляционных насосов БРН-2х90-38. Схема принципиальная Приложение 2. Блок рециркуляционных насосов БРН-2х90-38. Габаритный чертеж Приложение 3. Блок рециркуляционных насосов БРН-3х90-38. Схема принципиальная Приложение 4. Блок рециркуляционных насосов БРН-3х90-38. Габаритный чертеж Приложение 5. Блок рециркуляционных насосов БРН-3х140-49. Схема принципиальная Приложение 6. Блок рециркуляционных насосов БРН-3х140-49. Габаритный чертеж Приложение 7. Блок рециркуляционных насосов БРН-2х150-35. Схема принципиальная Приложение 8. Блок рециркуляционных насосов БРН-2х150-35. Габаритный чертеж Приложение 9. Блок рециркуляционных насосов БРН-3х250-32. Схема принципиальная Приложение 10. Блок рециркуляционных насосов БРН-3х250-32. Габаритный чертеж Лист регистрации изменений |
| Разработан: | Латгипропром |
| Утверждён: | 22.11.1989 ММСС СССР |































