Скачать Серия 5.903-15 Выпуск 3-4. Блок рециркуляционных насосов БРН-2х150-35. Рабочие чертежиДата актуализации: 01.01.2021
|
| Обозначение: | Серия 5.903-15 |
| Обозначение англ: | Series 5.903-15 |
| Статус: | не определен законодательством |
| Название рус.: | Выпуск 3-4. Блок рециркуляционных насосов БРН-2х150-35. Рабочие чертежи |
| Дата добавления в базу: | 01.09.2013 |
| Дата актуализации: | 01.01.2021 |
| Дата введения: | 01.01.1990 |
| Дата окончания срока действия: | 30.06.2003 |
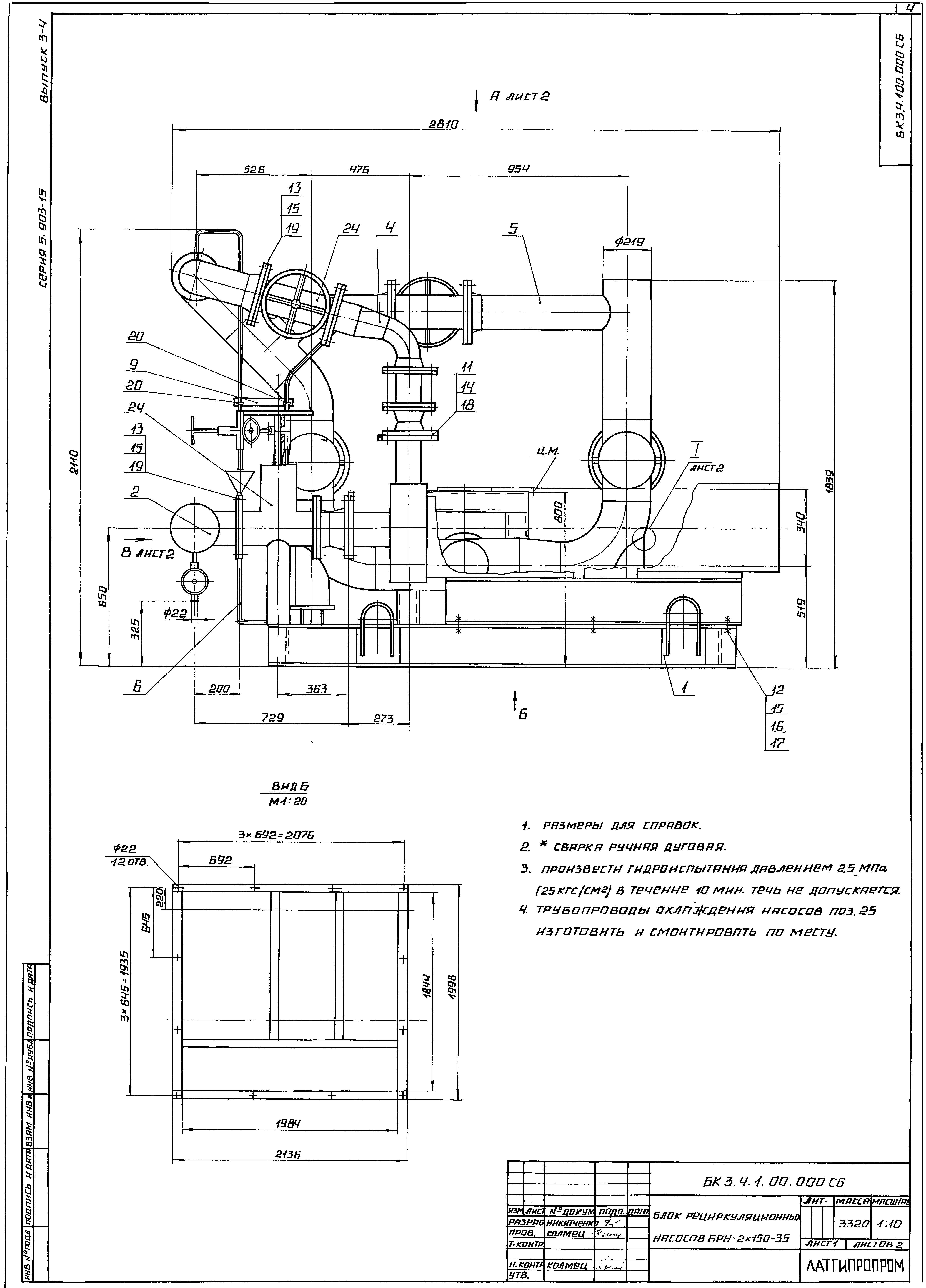
| Оглавление: | Блок рециркуляционных насосов БРН-2х150-35 БК3.4.1.00.000 Блок БРН-2х150-35 БК3.4.1.00.000 Г3 Блок БРН-2х150-35. Схема принципиальная БК3.4.1.00.000 СБ Блок БРН-2х150-35 БК3.4.1.00.0001 Стяжка БК3.4.1.01.000 Рама БК3.4.1.01.014 Пластина БК3.4.1.01.000 СБ Рама БК3.4.1.02.000 Коллектор БК3.4.1.02.001 Коллектор БК3.4.1.02.000 СБ Коллектор БК3.4.1.03.000 Трубопровод БК3.4.1.03.000 СБ Трубопровод БК3.4.1.04.000 Трубопровод БК3.4.1.04.000 СБ Трубопровод БК3.4.1.04.001 Труба БК3.4.1.04.002 Отвод БК3.4.1.05.000 Трубопровод БК3.4.1.05.000 СБ Трубопровод БК3.4.1.05.000 Трубопровод БК3.4.1.05.001 Труба БК3.4.1.05.002 Коллектор БК3.4.1.06.000 Трубопровод БК3.4.1.06.000 СБ Трубопровод БК1.2.1.12.001 Воронка БК3.4.1.06.001 Труба БК3.4.1.06.002 Труба БК3.4.1.06.003 Труба Установка приборов контроля и автоматизации блока БРН-2х150-35 БК3.4.2.00.000 Блок БРН-2х150-35. Установка приборов контроля и автоматизации БК3.4.2.00.000 СБ Блок БРН-2х150-35. Установка приборов контроля и автоматизации БК3.4.3.00.000 Блок БРН-2х150-35. Установка электрооборудования БК3.4.2.00.000 СО Блок БРН-2х150-35. Схема автоматизации БК3.4.2.00.000 Э3 Блок БРН-2х150-35. Схема электрическая принципиальная регулятора БК3.4.2.00.000 Э4 Блок БРН-2х150-35. Схема соединений Установка электрооборудования блока БРН-2х150-35 БК3.4.3.00.000 Блок БРН-2х150-35. Установка электрооборудования БК3.4.3.00.000 СБ Блок БРН-2х150-35. Установка электрооборудования БК3.4.3.00.000 Блок БРН-2х150-35. Установка электрооборудования БК3.4.3.01.000 Стойка БК3.4.3.01.000 СБ Стойка Теплоизоляция блока БРН-2х150-35 БК3.4.4.00.000 ТИ Блок БРН-2х150-35. Ведомость теплоизоляционных конструкций БК3.4.4.00.000 ВМ Блок БРН-2х150-35. Ведомость теплоизоляционных материалов БК3.4.4.00.000 ВО Блок БРН-2х150-35. Ведомость объемов теплоизоляционных работ |
| Разработан: | Латгипропром |
| Утверждён: | 22.11.1989 ММСС СССР |






















