Скачать Серия 5.903-15 Выпуск 2-5. Блок сетевых насосов БСН-4х90-85. Рабочие чертежиДата актуализации: 01.01.2021
|
| Обозначение: | Серия 5.903-15 |
| Обозначение англ: | Series 5.903-15 |
| Статус: | не определен законодательством |
| Название рус.: | Выпуск 2-5. Блок сетевых насосов БСН-4х90-85. Рабочие чертежи |
| Дата добавления в базу: | 01.09.2013 |
| Дата актуализации: | 01.01.2021 |
| Дата введения: | 01.03.1990 |
| Дата окончания срока действия: | 30.06.2003 |
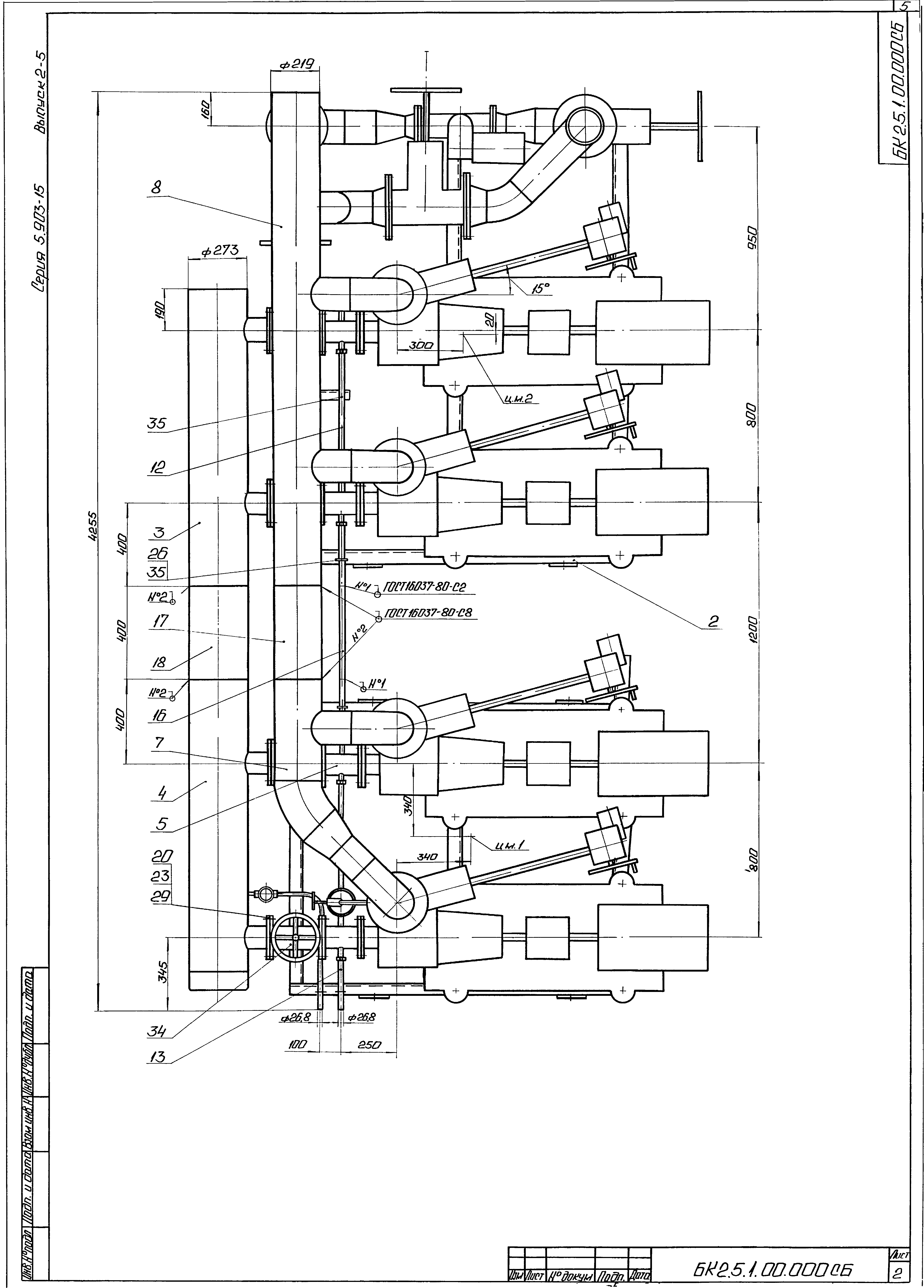
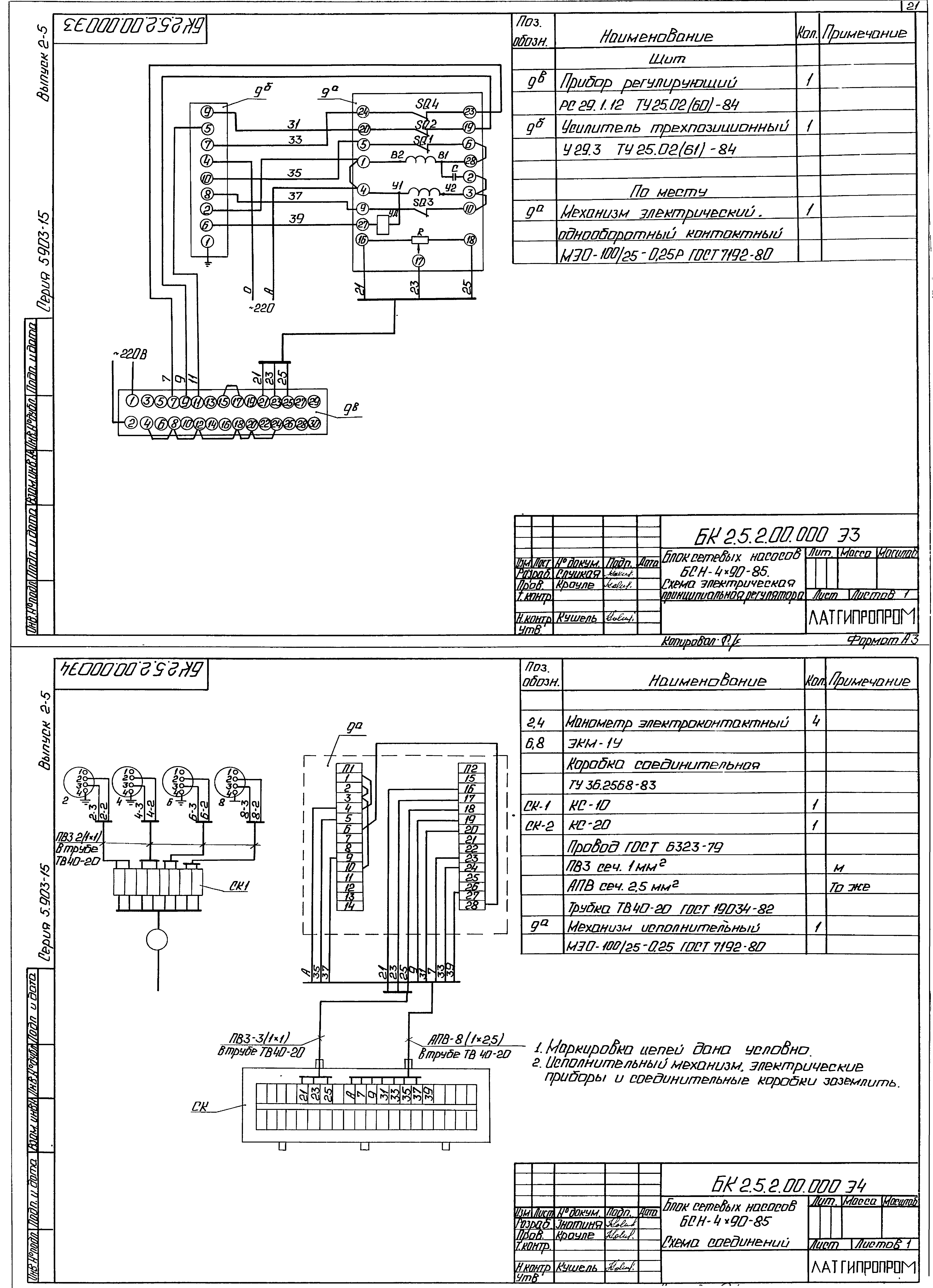
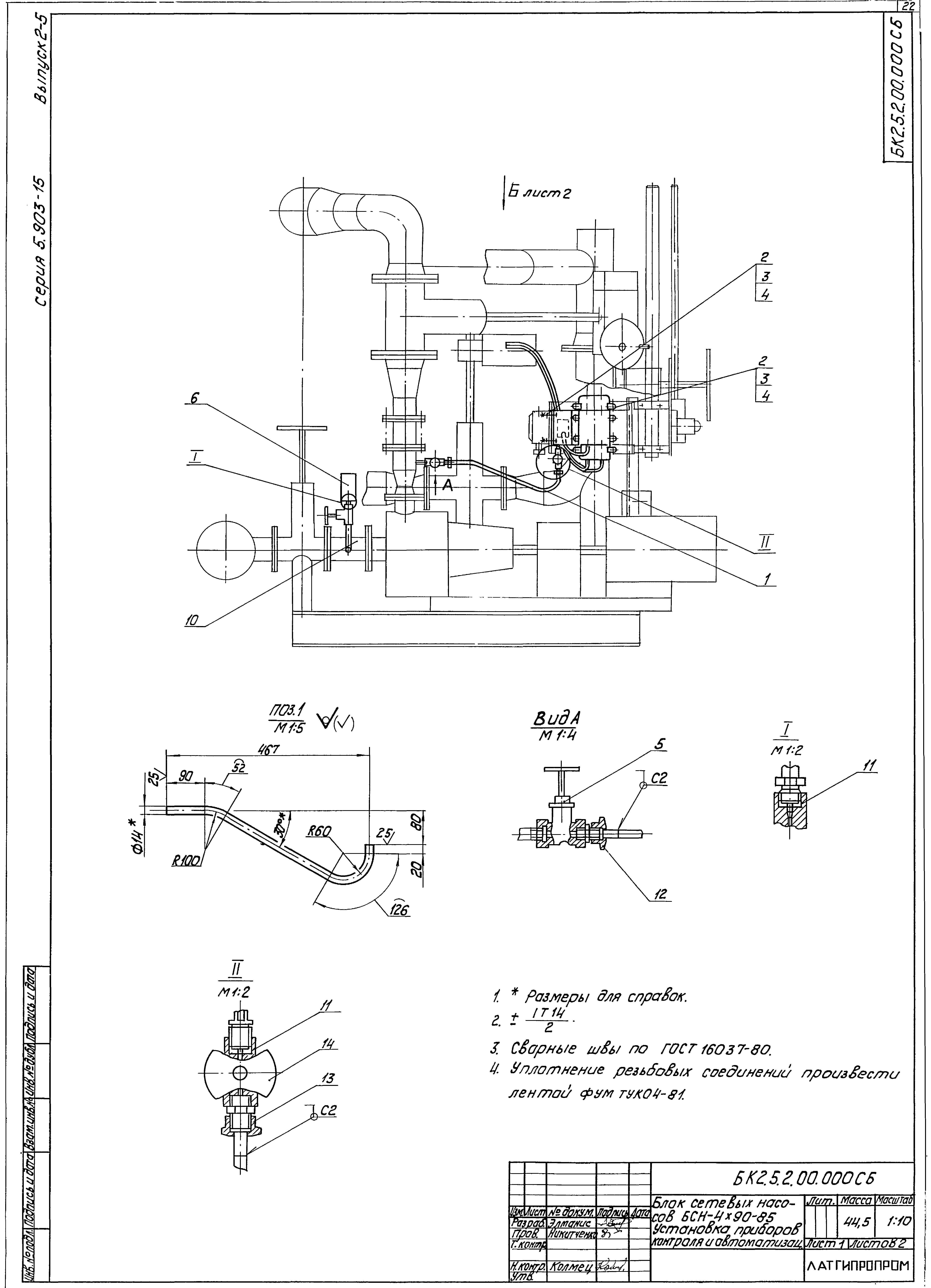
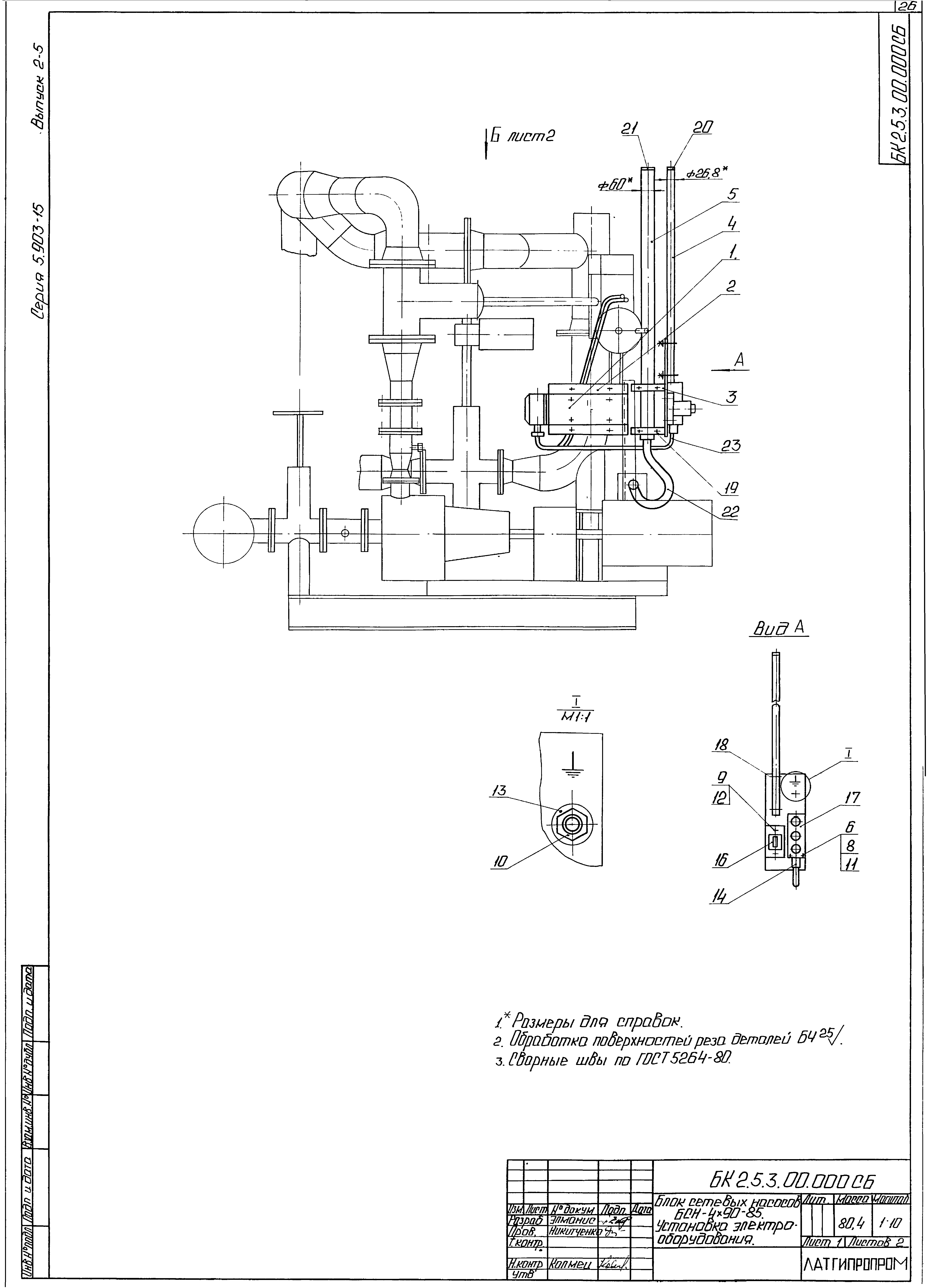
| Оглавление: | БК2.5.1.00.000 Блок БСН-4х90-85 БК2.5.1.00.000 Блок БСН-4х90-85. Схема принципиальная БК2.5.1.00.000 СБ Блок БСН-4х90-85. БК2.5.1.01.000 Рама БК2.5.1.02.000 Рама БК2.5.1.01.000 СБ Рама БК2.5.1.02.000 СБ Рама БК2.5.1.02.000 Рама БК2.5.1.03.000 Коллектор БК2.5.1.03.000 СБ Коллектор БК2.5.1.04.000 СБ Коллектор БК2.5.1.04.000 Коллектор БК2.3.1.03.000 Трубопровод БК2.3.1.03.000 СБ Трубопровод БК2.4.1.03.000 Трубопровод БК2.4.1.03.000 СБ Трубопровод БК1.1.1.02.001 Труба БК2.4.1.03.001 Труба БК2.5.1.05.000 СБ Коллектор БК2.5.1.05.000 Коллектор БК2.5.1.06.000 Коллектор БК2.5.1.06.001 Коллектор БК2.5.1.06.000 СБ Коллектор БК2.5.1.07.000 СБ Колено БК2.5.1.07.000 Колено БК2.5.1.08.000 Колено БК2.5.1.08.000 СБ Колено БК2.5.1.09.000 Трубопровод БК2.5.1.09.000 СБ Трубопровод БК2.5.1.10.000 Трубопровод БК2.5.1.10.000 СБ Трубопровод БК1.2.1.12.001 Воронка БК2.5.1.10.001 Трубопровод БК2.5.1.11.000 Трубопровод БК2.5.1.11.000 СБ Трубопровод БК2.5.1.11.001 Труба БК2.5.2.00.000 Блок БСН-4х90-85. Установка приборов контроля и автоматики БК2.5.2.00.000 С0 Блок БСН-4х90-85. Схема автоматизации БК2.5.2.00.000 Э3 Блок БСН-4х90-85. Схема электрическая принципиальная регулятора БК2.5.2.00.000 Э4 Блок БСН-4х90-85. Схема соединений БК2.5.2.00.000 СБ Блок БСН-4х90-85. Установка приборов контроля и автоматики БК2.5.3.00.000 Блок БСН-4х90-85. Установка электрооборудования БК2.5.3.00.000 Э5 Блок БСН-4х90-85. Задвижка. Схема электрическая подключений БК2.5.3.00.000 Э3 Блок БСН-4х90-85. Задвижка. Схема электрическая принципиальная управления БК2.5.3.00.000 СБ Блок БСН-4х90-85. Установка электрооборудования БК2.5.3.00.000 Блок БСН-4х90-85. Установка электрооборудования БК2.3.3.01.000 Кронштейн БК2.3.3.01.000 СБ Кронштейн БК2.3.3.02.000 Кронштейн БК2.3.3.02.000 СБ Кронштейн БК2.3.3.03.000 Кронштейн БК2.3.3.03.000 СБ Кронштейн БК2.5.4.00.000 ВО Блок БСН-4х90-85. Ведомость объемов теплоизоляционных работ БК2.5.4.00.000 ТИ Блок БСН-4х90-85. Ведомость теплоизоляционных конструкций БК2.5.4.00.000 ВМ Блок БСН-4х90-85. Ведомость теплоизоляционных материалов |
| Разработан: | Латгипропром |
| Утверждён: | 14.02.1990 ММСС СССР |































