Скачать Серия 5.903-15 Выпуск 2-16. Блок сетевых насосов БСН-3х1250-125. Рабочие чертежиДата актуализации: 01.01.2021
|
| Обозначение: | Серия 5.903-15 |
| Обозначение англ: | Series 5.903-15 |
| Статус: | не определен законодательством |
| Название рус.: | Выпуск 2-16. Блок сетевых насосов БСН-3х1250-125. Рабочие чертежи |
| Дата добавления в базу: | 01.09.2013 |
| Дата актуализации: | 01.01.2021 |
| Дата введения: | 01.03.1990 |
| Дата окончания срока действия: | 30.06.2003 |
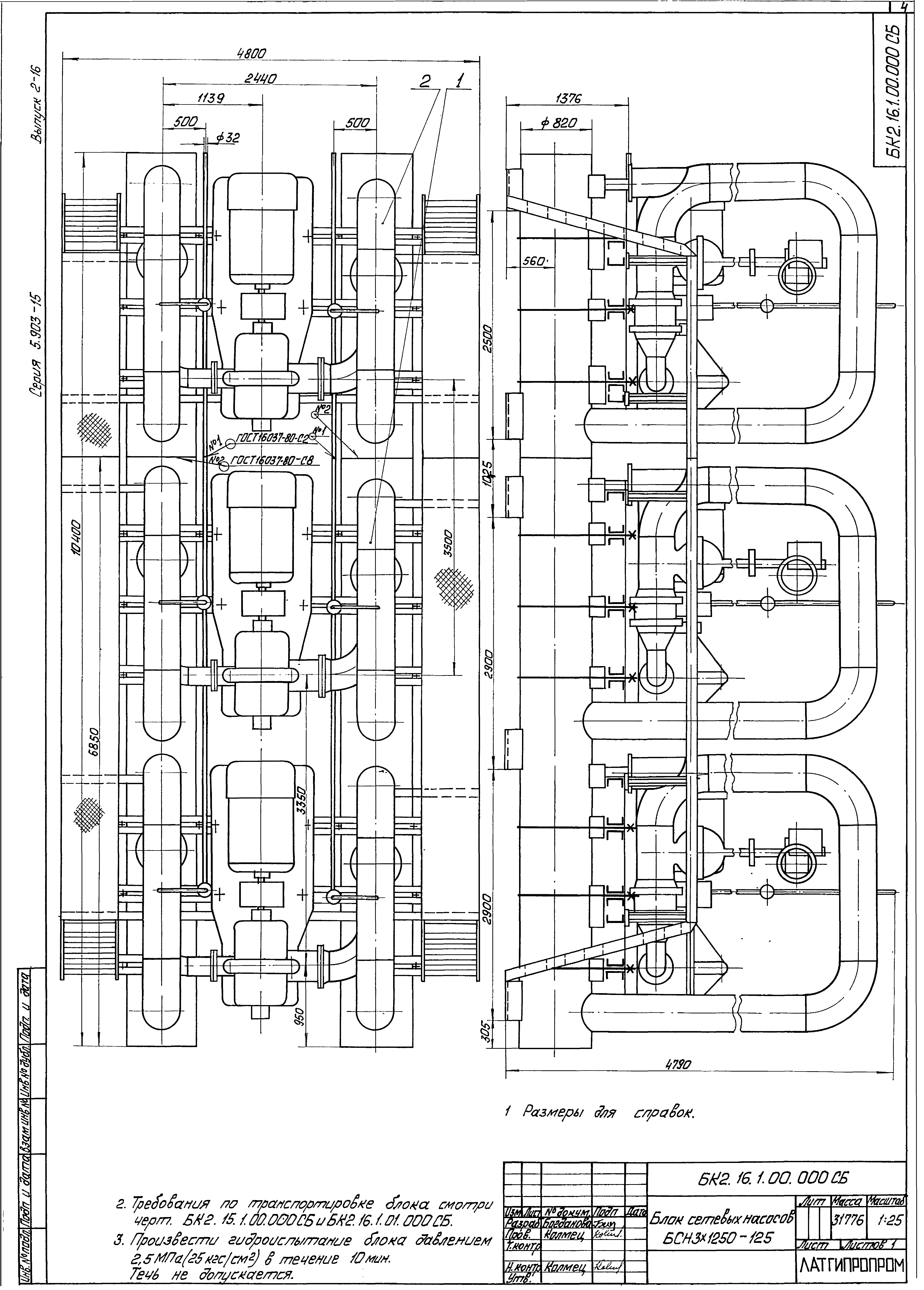
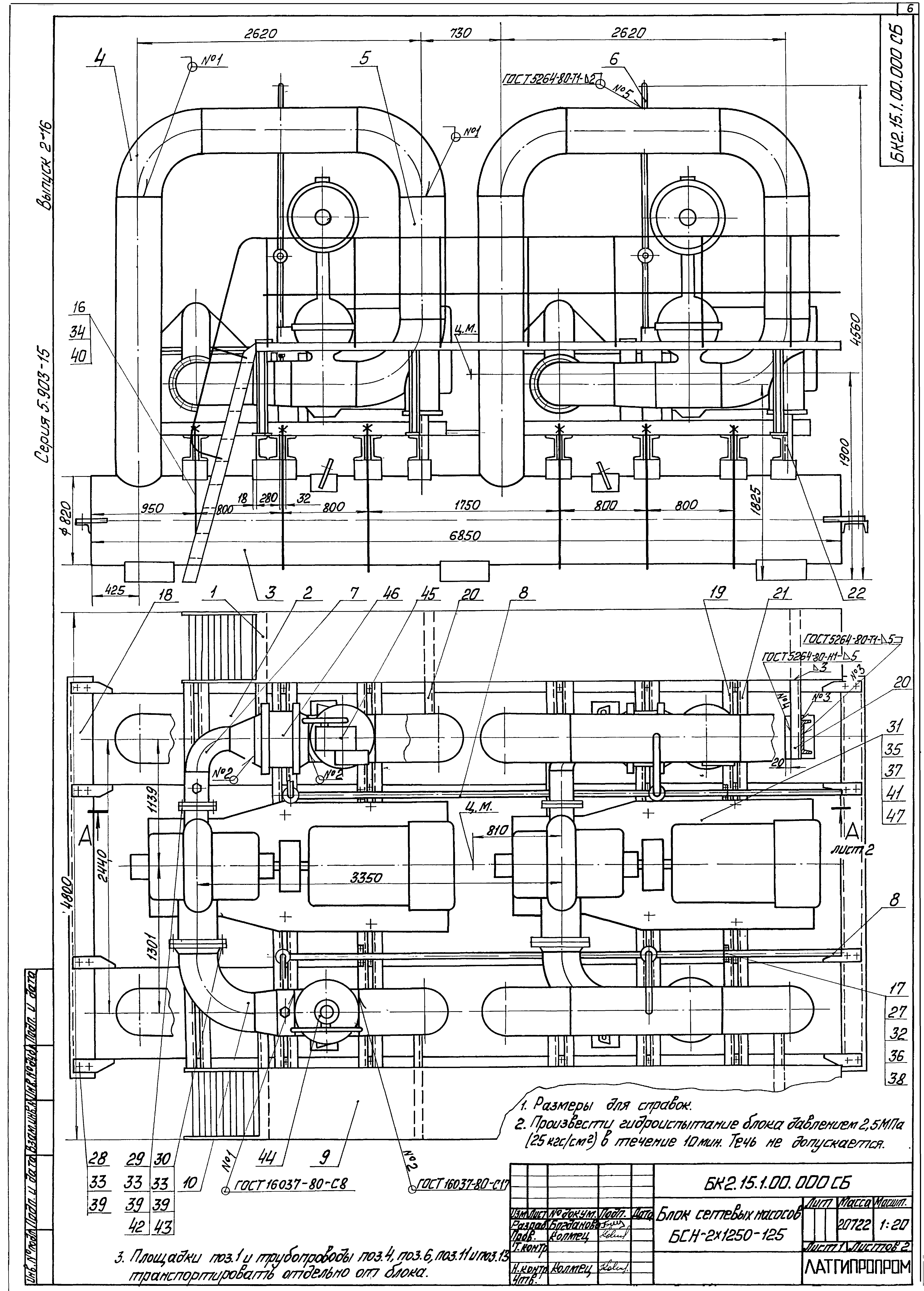
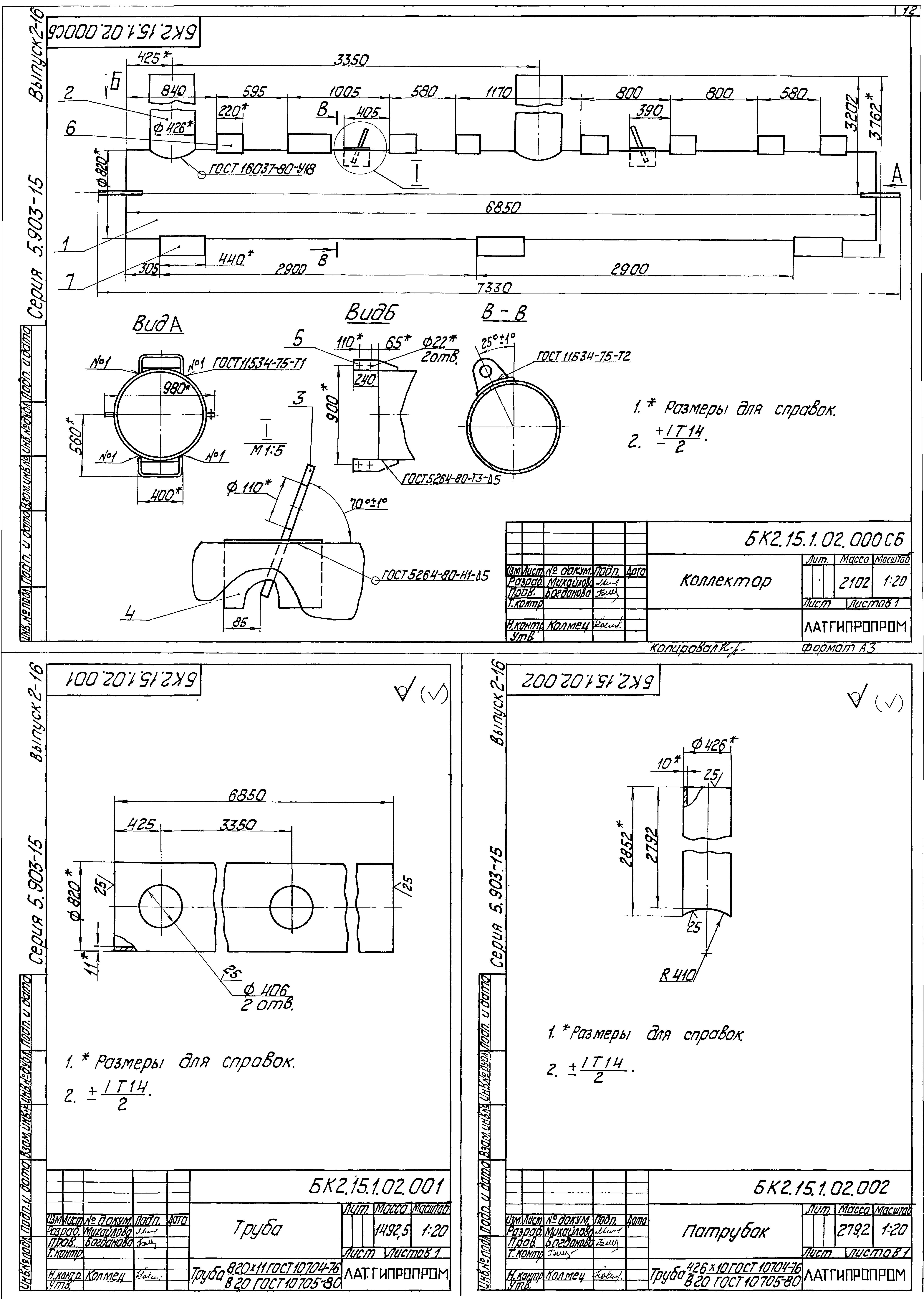
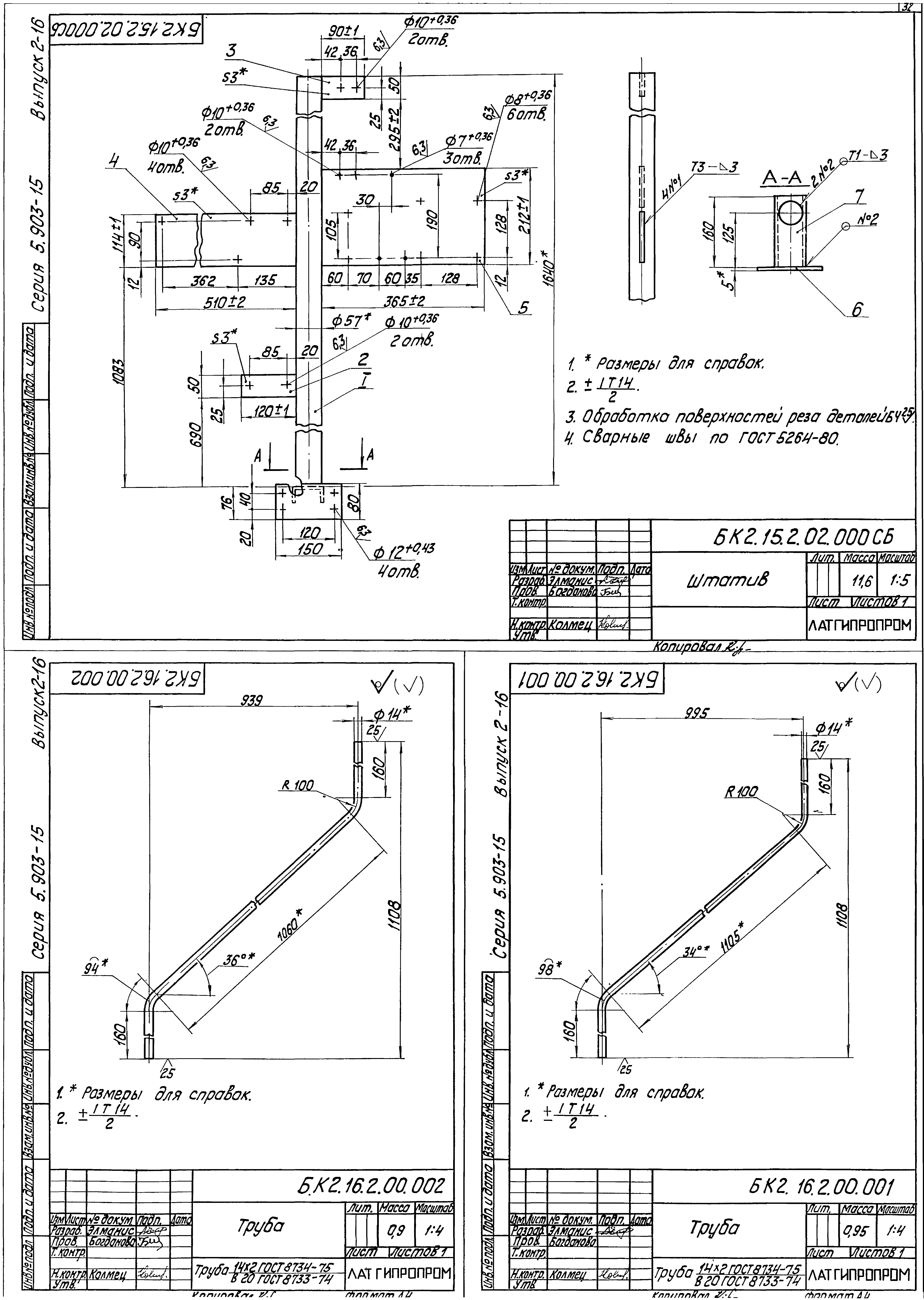
| Оглавление: | БК2.16.1.00.000 Блок БСН-3х1250-125 БК2.15.1.00.001 Хомут БК2.16.1.00.000 ГЗ Блок БСН-3х1250-125. Схема принципиальная БК2.16.1.00.000 СБ Блок БСН-3х1250-125 БК2.16.1.00.000 Блок БСН-3х1250-125 БК2.15.1.00.002 Скоба БК2.16.1.00.000 СБ Блок БСН-3х1250-125 БК2.15.1.00.003 Балка БК2.15.1.00.004 Балка БК2.15.1.01.000 Площадка БК2.15.1.01.001 Поручень БК2.15.1.01.002 Стойка БК2.15.1.01.000 СБ Площадка БК2.10.1.01.002 Стойка БК2.10.1.01.100 Секция перил БК2.10.1.01.100 СБ Секция перил БК2.15.1.01.100 СБ Лестница БК2.15.1.01.100 Лестница БК2.15.1.02.000 Коллектор БК2.15.1.02.000 СБ Коллектор БК2.15.1.02.001 Труба БК2.15.1.02.002 Патрубок БК2.15.1.02.003 Петля БК2.15.1.02.004 Накладка БК2.15.1.02.005 Пластина БК2.15.1.03.000 Коллектор БК2.15.1.03.000 СБ Коллектор БК2.15.1.03.001 Патрубок БК2.15.1.04.000 Трубопровод БК2.15.1.04.000 СБ Трубопровод БК2.15.1.05.000 Колено БК2.15.1.05.000 СБ Колено БК2.15.1.06.000 Трубопровод БК2.15.1.06.000 СБ Трубопровод БК2.15.1.06.001 Труба БК2.15.1.07.000 СБ Колено БК2.15.1.07.000 Колено БК2.15.1.08.000 Трубопровод БК2.15.1.08.000 СБ Трубопровод БК2.15.1.08.001 Труба БК2.15.1.08.002 Воронка БК2.15.1.09.000 Площадка БК2.15.1.10.000 Колено БК2.15.1.09.000 СБ Площадка БК2.15.1.10.000 СБ Колено БК2.15.1.11.000 Трубопровод БК2.15.1.11.000 СБ Трубопровод БК2.15.1.12.000 Колено БК2.15.1.12.000 СБ Колено БК2.15.1.13.000 Трубопровод БК2.15.1.13.000 СБ Трубопровод БК2.15.1.13.001 Труба БК2.16.1.01.000 Секция сетевого насоса Д1250-125 БК2.16.1.01.000 СБ Секция сетевого насоса Д1250-126 БК2.16.1.01.100 СБ Площадка БК2.16.1.01.100 Площадка БК2.16.1.01.200 СБ Трубопровод БК2.16.1.01.200 Трубопровод БК2.16.1.01.300 Трубопровод БК2.16.1.01.300 СБ Трубопровод БК2.16.1.01.400 Трубопровод БК2.16.1.01.400 СБ Трубопровод БК2.16.1.01.500 Трубопровод БК2.16.1.01.500 СБ Трубопровод БК2.16.2.00.000 Блок БСН-3х1250-125. Установка приборов контроля и автоматики БК2.16.2.00.000 Э4 Блок БСН-3х1250-125. Схема соединений БК2.16.2.00.000 СБ Блок БСН-3х1250-125. Установка приборов контроля и автоматики БК2.16.2.00.000 СО Блок БСН-3х1250-125. Схема автоматизации БК2.15.2.01.00 Штатив БК2.15.2.01.00 СБ Штатив БК2.15.2.02.00 Штатив БК2.15.2.02.00 СБ Штатив БК2.16.2.00.002 Труба БК2.16.2.00.001 Труба БК2.16.3.00.000 СБ Блок БСН-3х1250-125. Установка электрооборудования БК2.16.3.00.000 Блок БСН-3х1250-125. Установка электрооборудования БК2.16.3.00.000 Э5 Блок БСН-3х1250-125. Схема электрическая подключений БК2.16.3.00.000 Э3 Блок БСН-3х1250-125. Схема принципиальная БК2.16.4.00.000 ТИ Блок БСН-3х1250-125. Ведомость теплоизоляционных конструкций БК2.16.4.00.000 ВМ Блок БСН-3х1250-125. Ведомость теплоизоляционных материалов БК2.16.4.00.000 ВО Блок БСН-3х1250-125. Ведомость объемов теплоизоляционных работ |
| Разработан: | Латгипропром |
| Утверждён: | 14.02.1990 ММСС СССР |





































