Скачать Серия 5.903-15 Выпуск 4-0. Блоки насосов подпитки. Указания по применению и изготовлениюДата актуализации: 01.01.2021
|
| Обозначение: | Серия 5.903-15 |
| Обозначение англ: | Series 5.903-15 |
| Статус: | не определен законодательством |
| Название рус.: | Выпуск 4-0. Блоки насосов подпитки. Указания по применению и изготовлению |
| Дата добавления в базу: | 01.09.2013 |
| Дата актуализации: | 01.01.2021 |
| Дата введения: | 01.03.1990 |
| Дата окончания срока действия: | 30.06.2003 |
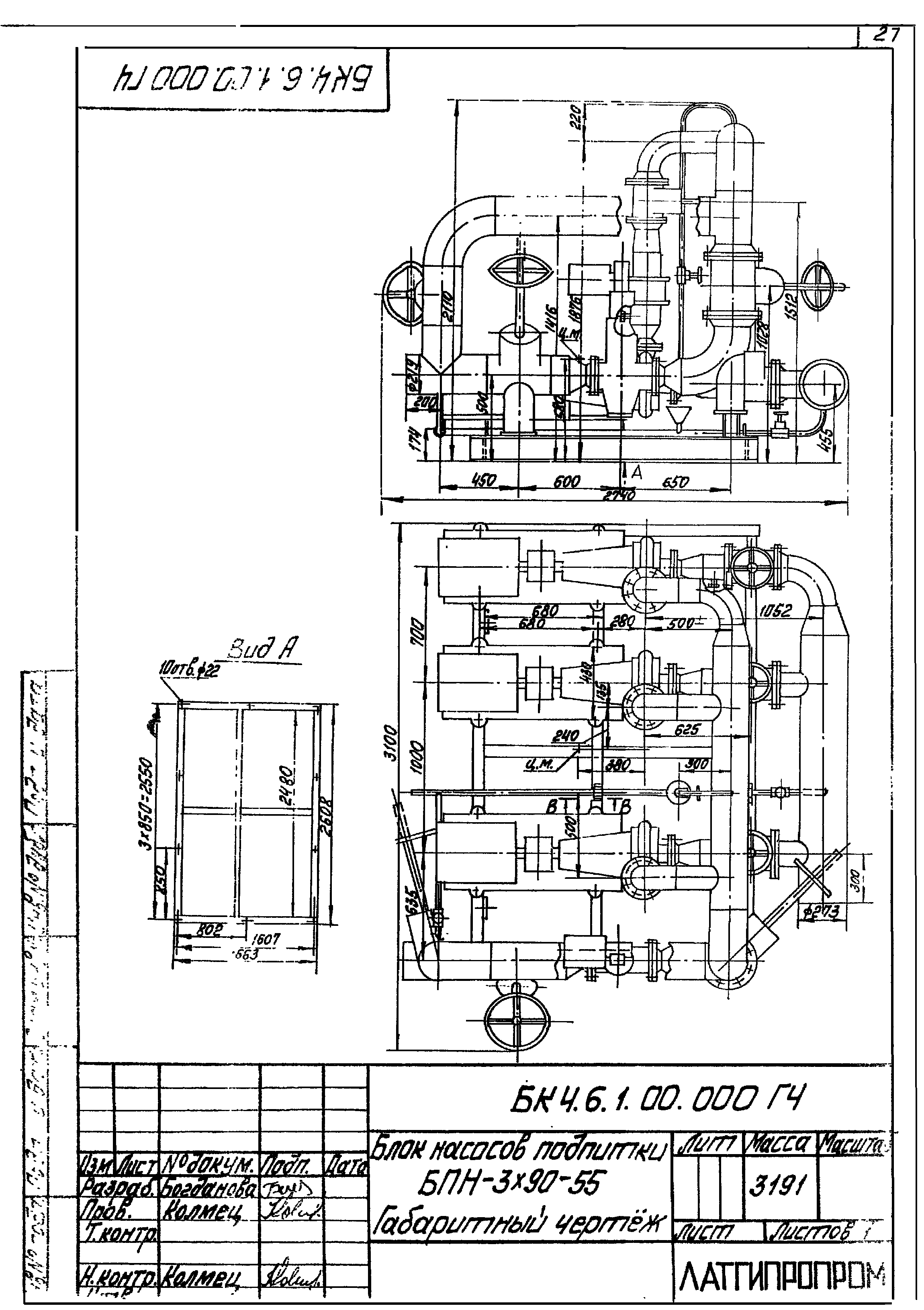
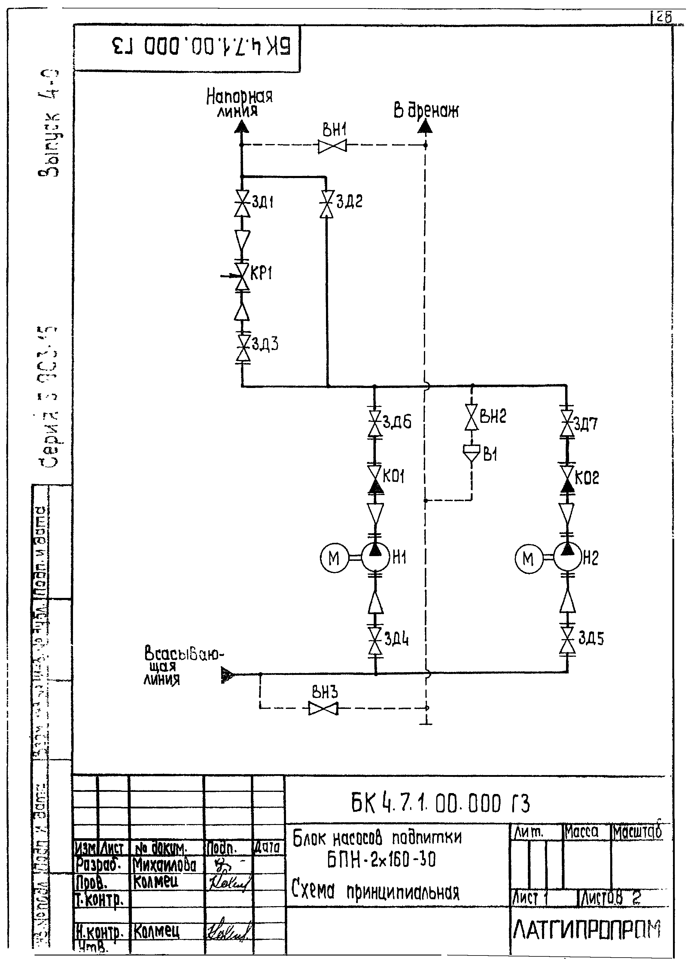
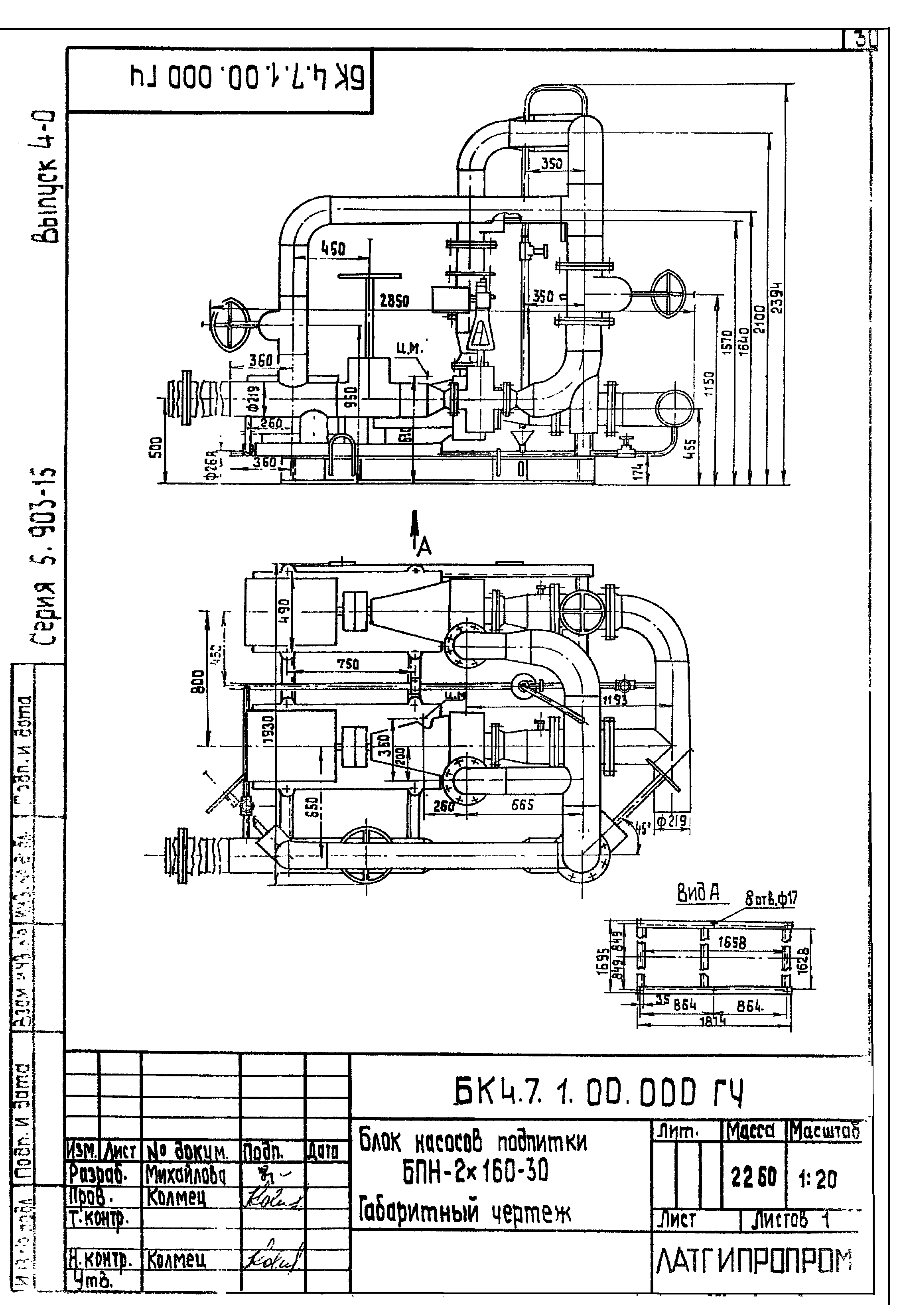
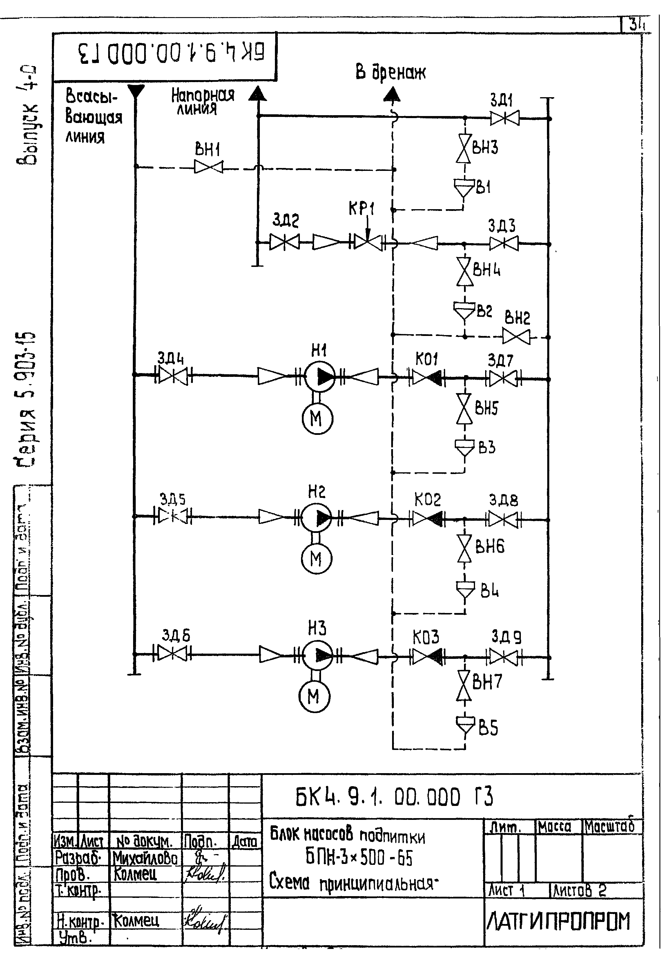
| Оглавление: | Опись альбома Общая часть Назначение и описание конструкции Рекомендации для подбора Требования к транспортировке Требования к оборудованию и материалам Требования к сборке блока Приложение 1. Блок БПН-2х20-30. Схема принципиальная Приложение 2. Блок БПН-2х20-30. Габаритный чертеж Приложение 3. Блок БПН-2х45-30. Схема принципиальная Приложение 4. Блок БПН-2х45-30. Габаритный чертеж Приложение 5. Блок БПН-2х45-55. Схема принципиальная Приложение 6. Блок БПН-2х45-55. Габаритный чертеж Приложение 7. Блок БПН-2х90-35. Схема принципиальная Приложение 8. Блок БПН-2х90-35. Габаритный чертеж Приложение 9. Блок БПН-3х90-55. Схема принципиальная Приложение 10. Блок БПН-3х90-55. Габаритный чертеж Приложение 11. Блок БПН-2х160-30. Схема принципиальная Приложение 12. Блок БПН-2х160-30. Габаритный чертеж Приложение 13. Блок БПН-3х320-50. Схема принципиальная Приложение 14. Блок БПН-3х320-50. Габаритный чертеж Приложение 15. Блок БПН-3х500-65. Схема принципиальная Приложение 16. Блок БПН-3х500-65. Габаритный чертеж Приложение 17. Блок БПН-3х800-57. Схема принципиальная Приложение 18. Блок БПН-3х800-57. Габаритный чертеж Лист регистрации изменений |
| Разработан: | Латгипропром |
| Утверждён: | 14.02.1990 ММСС СССР |










































