Скачать Серия 5.903-15 Выпуск 6-1. Блок насосов рабочей воды и теплообменника БНРВТ-2х50-50-3,52. Рабочие чертежиДата актуализации: 01.01.2021
|
| Обозначение: | Серия 5.903-15 |
| Обозначение англ: | Series 5.903-15 |
| Статус: | не определен законодательством |
| Название рус.: | Выпуск 6-1. Блок насосов рабочей воды и теплообменника БНРВТ-2х50-50-3,52. Рабочие чертежи |
| Дата добавления в базу: | 01.09.2013 |
| Дата актуализации: | 01.01.2021 |
| Дата введения: | 01.03.1990 |
| Дата окончания срока действия: | 30.06.2003 |
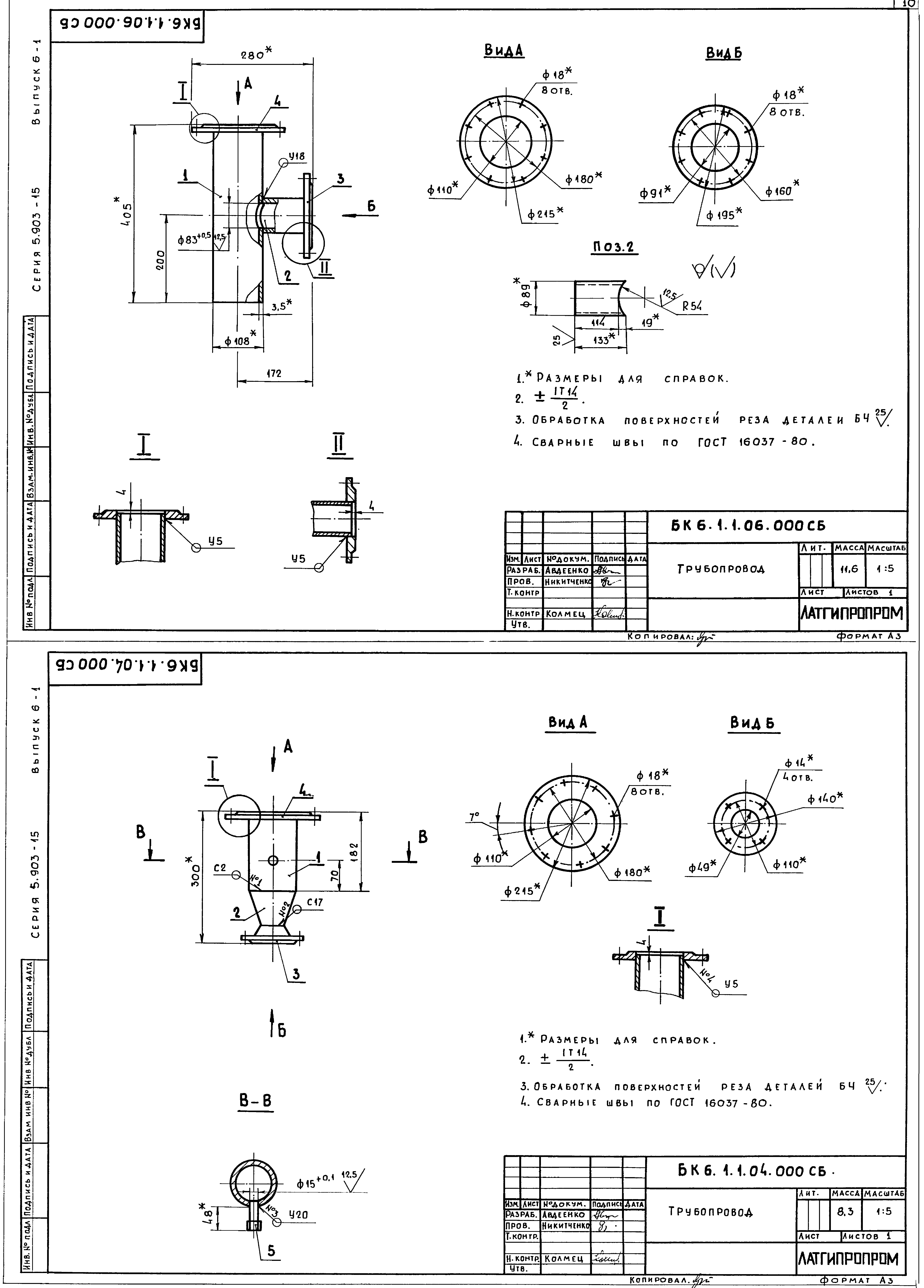
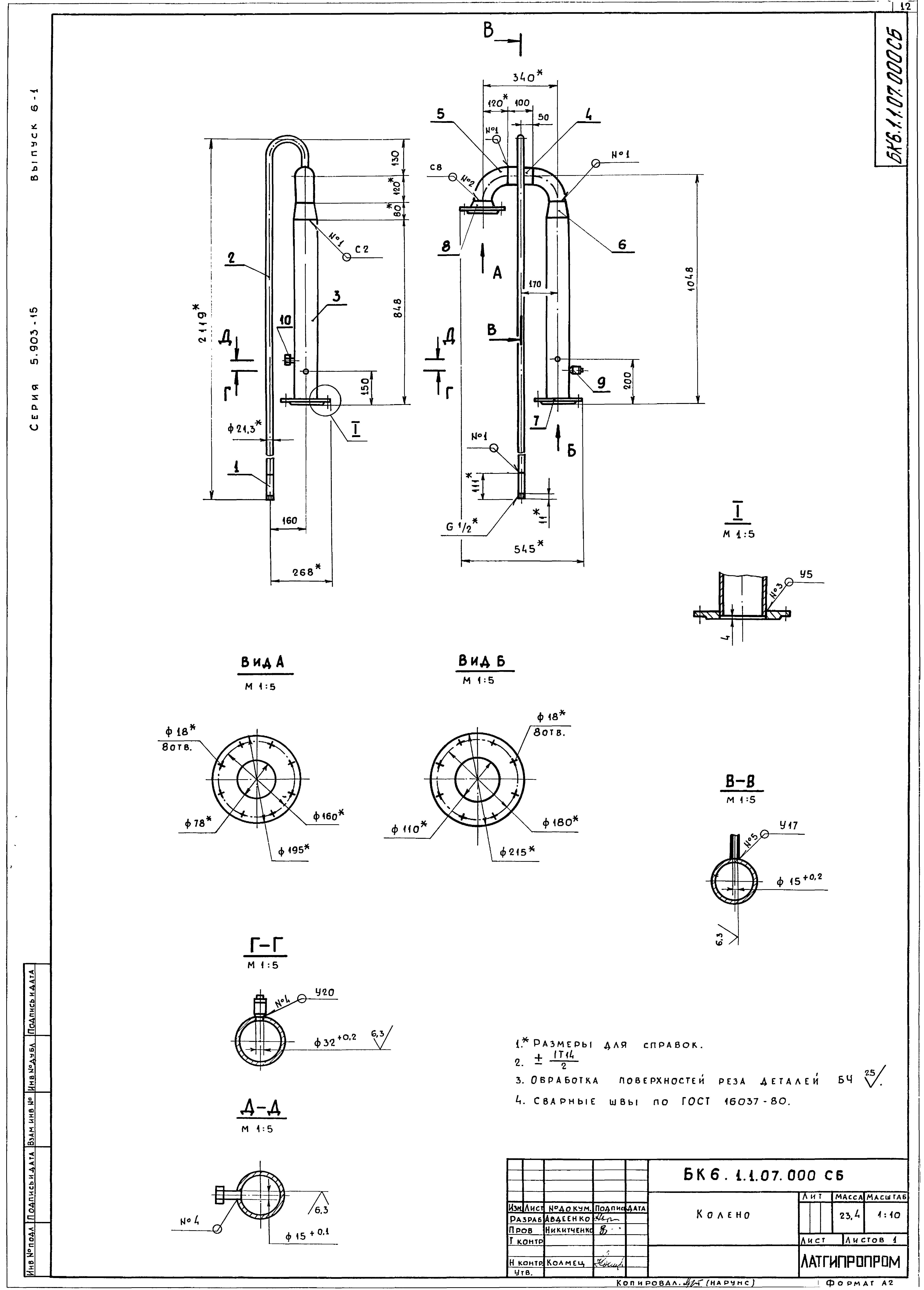
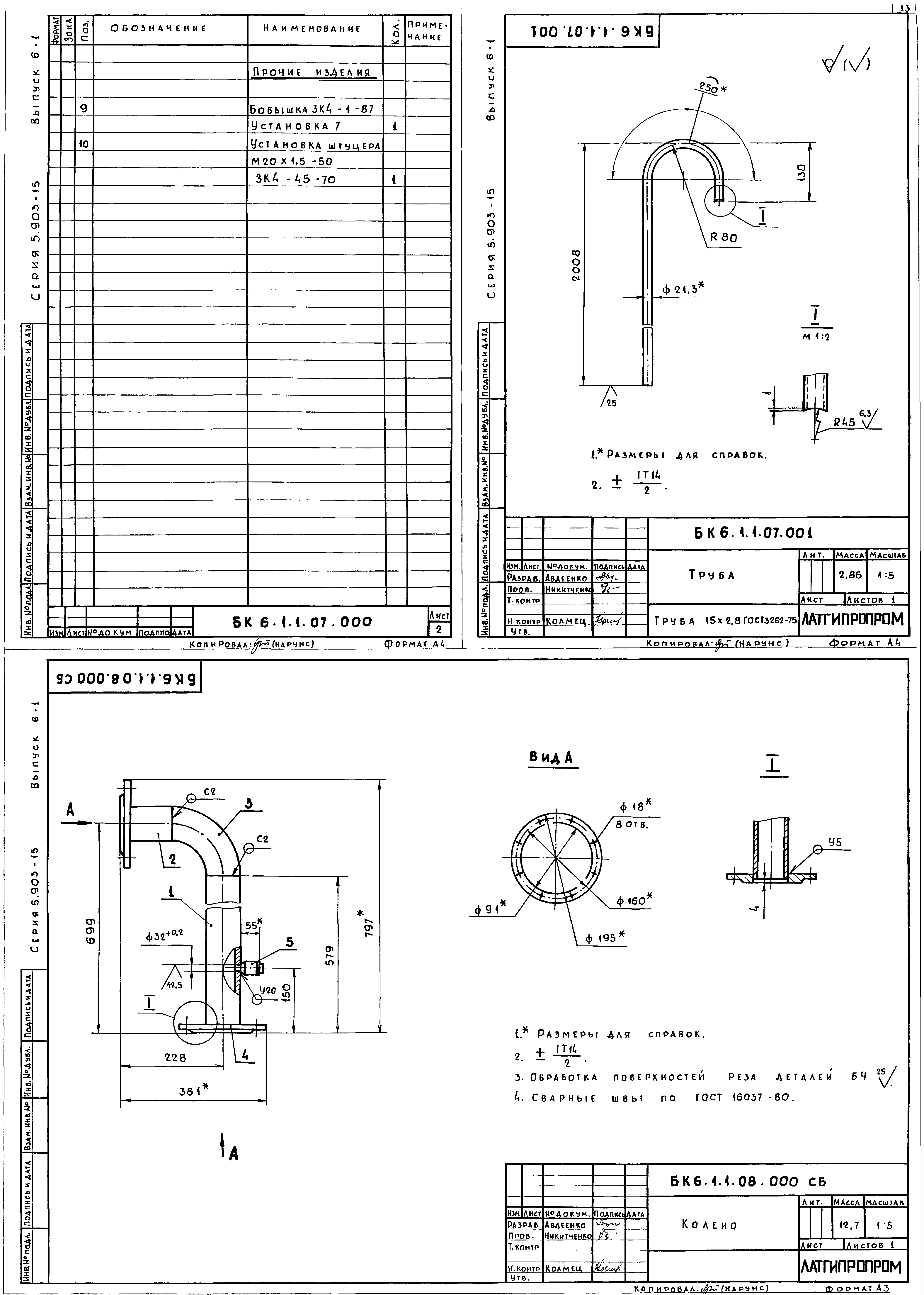
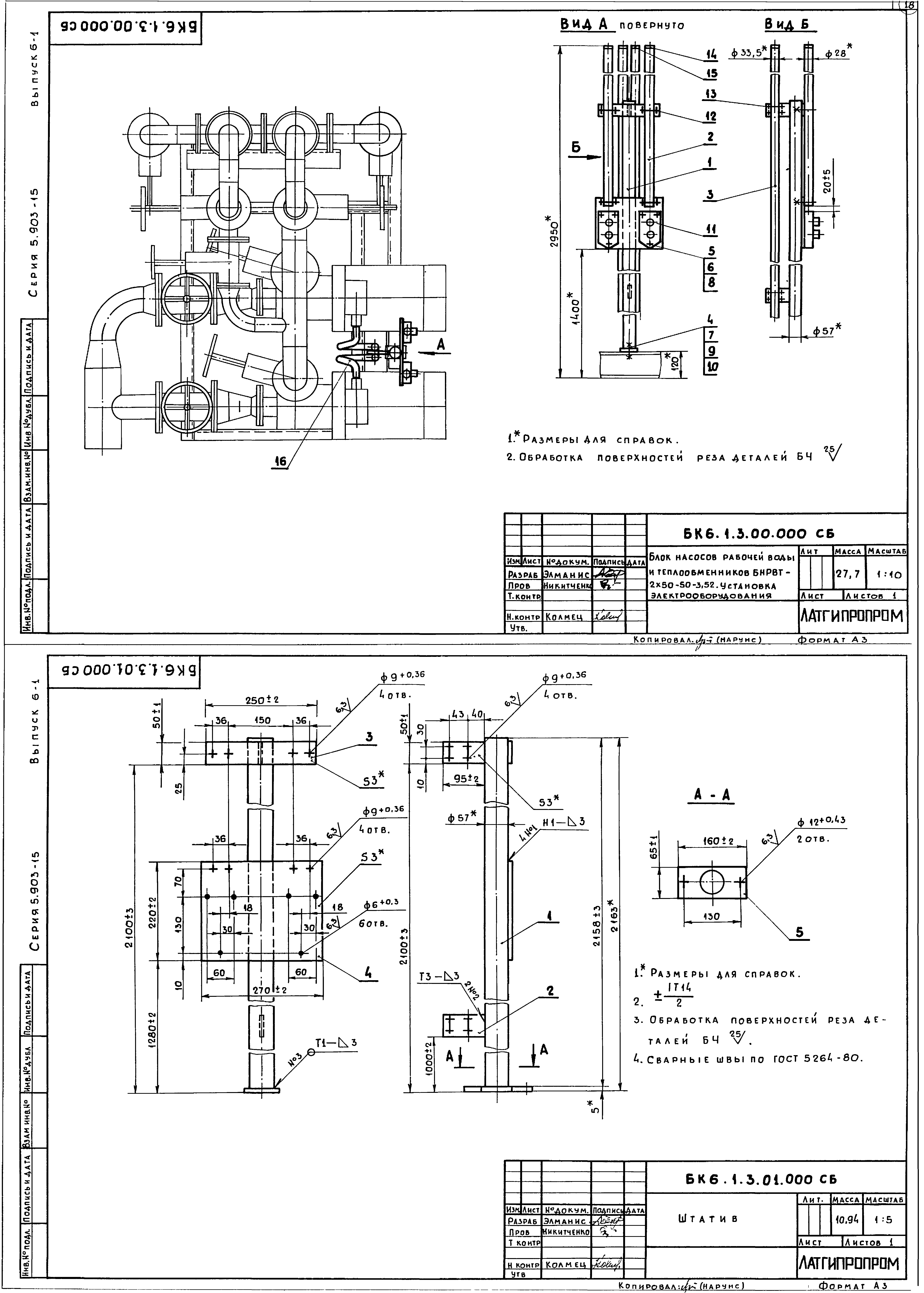
| Оглавление: | БК6.1.1.00.000 ГЗ Блок БНРВТ-2х50-50-3,52. Схема принципиальная БК6.1.1.00.000 Блок БНРВТ-2х50-50-3,52 БК6.1.1.00.001 Патрубок БК6.1.1.00.000 СБ Блок БНРВТ02х50-50-3,52 БК6.1.1.01.001 Петля БК6.1.1.01.002 Опора БК6.1.1.01.003 Рама БК6.1.1.01.003 СБ Рама БК6.1.1.02.000 Коллектор БК6.1.1.02.001 Патрубок БК6.1.1.02.002 Труба БК6.1.1.03.000 Трубопровод БК6.1.1.02.000 СБ Коллектор БК6.1.1.03.000 СБ Трубопровод БК6.1.1.04.000 Трубопровод БК6.1.1.05.000 Трубопровод БК6.1.1.06.000 Трубопровод БК6.1.1.07.000 Колено БК6.1.1.04.000 СБ Трубопровод БК6.1.1.06.000 СБ Трубопровод БК6.1.1.05.000 СБ Трубопровод БК6.1.1.07.000 СБ Колено БК6.1.1.07.000 Колено БК6.1.1.07.001 Труба БК6.1.1.08.000 СБ Колено БК6.1.1.08.000 Колено БК6.1.1.09.000 Трубопровод БК6.1.1.09.000 СБ Трубопровод БК6.1.1.09.001 Воронка БК6.1.2.00.000 Блок БНРВТ-2х50-50-3,52. Установка приборов контроля и автоматики БК6.1.2.00.000 СО Блок БНРВТ-2х50-50-3,52. Схема автоматизации БК6.1.2.00.000 СБ Блок БНРВТ-2х50-50-3,52. Установка приборов контроля и автоматики БК6.1.2.00.000 Блок БНРВТ-2х50-50-3,52. Установка приборов контроля и автоматики БК6.1.3.00.000 Блок БНРВТ-2х50-50-3,52. Установка электрооборудования БК6.1.3.01.000 Штатив БК6.1.3.00.000 СБ Блок БНРВТ-2х50-50-3,52. Установка электрооборудования БК6.1.3.01.000 СБ Штатив |
| Разработан: | Латгипропром |
| Утверждён: | 14.02.1990 ММСС СССР |


















