Скачать Серия 5.903-8 Выпуск 3. Блок подпиточных насосов. Рабочие чертежи

Дата актуализации: 01.01.2021

Серия 5.903-8

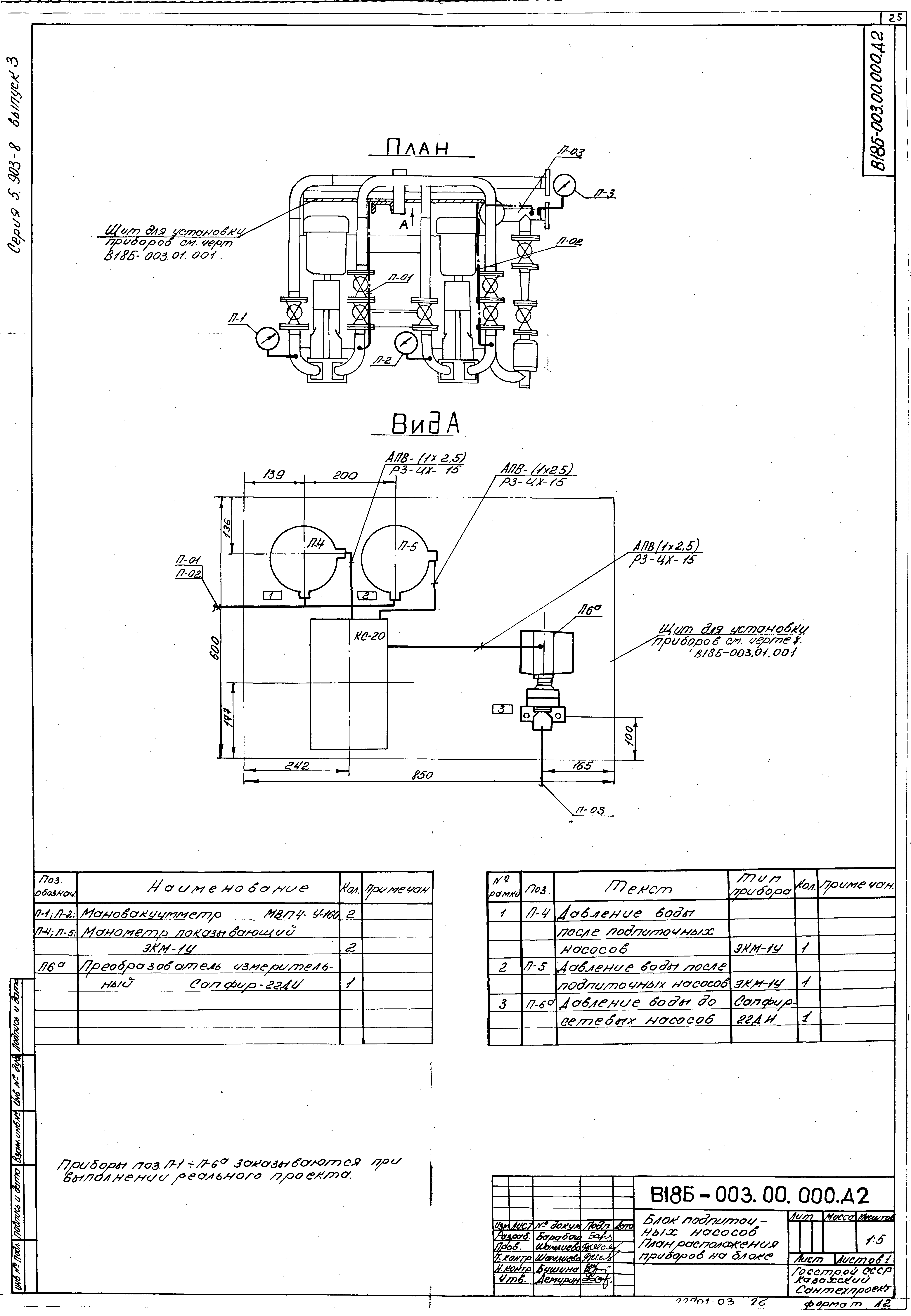
Выпуск 3. Блок подпиточных насосов. Рабочие чертежи

Обозначение: Серия 5.903-8
Обозначение англ: Series 5.903-8
Статус:не определен законодательством
Название рус.:Выпуск 3. Блок подпиточных насосов. Рабочие чертежи
Дата добавления в базу:01.09.2013
Дата актуализации:01.01.2021
Дата введения:18.11.1987
Дата окончания срока действия:30.06.2003
Разработан: ГПИ Казахский Сантехпроект Госстроя СССР
Утверждён:18.11.1987 Госстрой СССР (Государственный комитет Совета Министров СССР по делам строительства) (USSR Gosstroy 86)
Издан: ЦИТП Госстроя СССР (CITP, Gosstroy (USSR) 1988 г. )
Серия 5.903-8Серия 5.903-8Серия 5.903-8Серия 5.903-8Серия 5.903-8Серия 5.903-8Серия 5.903-8Серия 5.903-8Серия 5.903-8Серия 5.903-8Серия 5.903-8Серия 5.903-8Серия 5.903-8Серия 5.903-8Серия 5.903-8Серия 5.903-8Серия 5.903-8Серия 5.903-8Серия 5.903-8Серия 5.903-8Серия 5.903-8Серия 5.903-8Серия 5.903-8Серия 5.903-8Серия 5.903-8Серия 5.903-8Серия 5.903-8