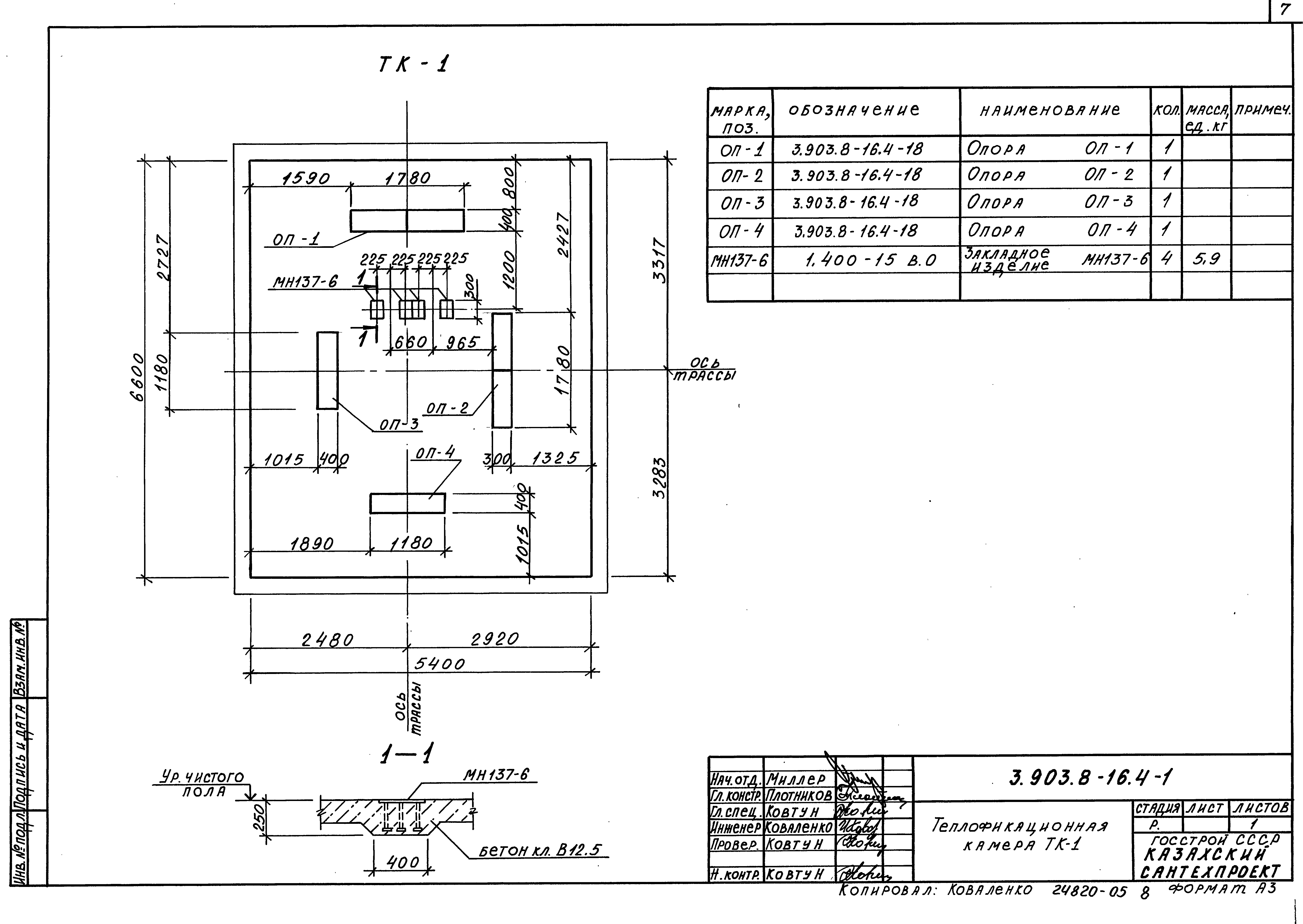
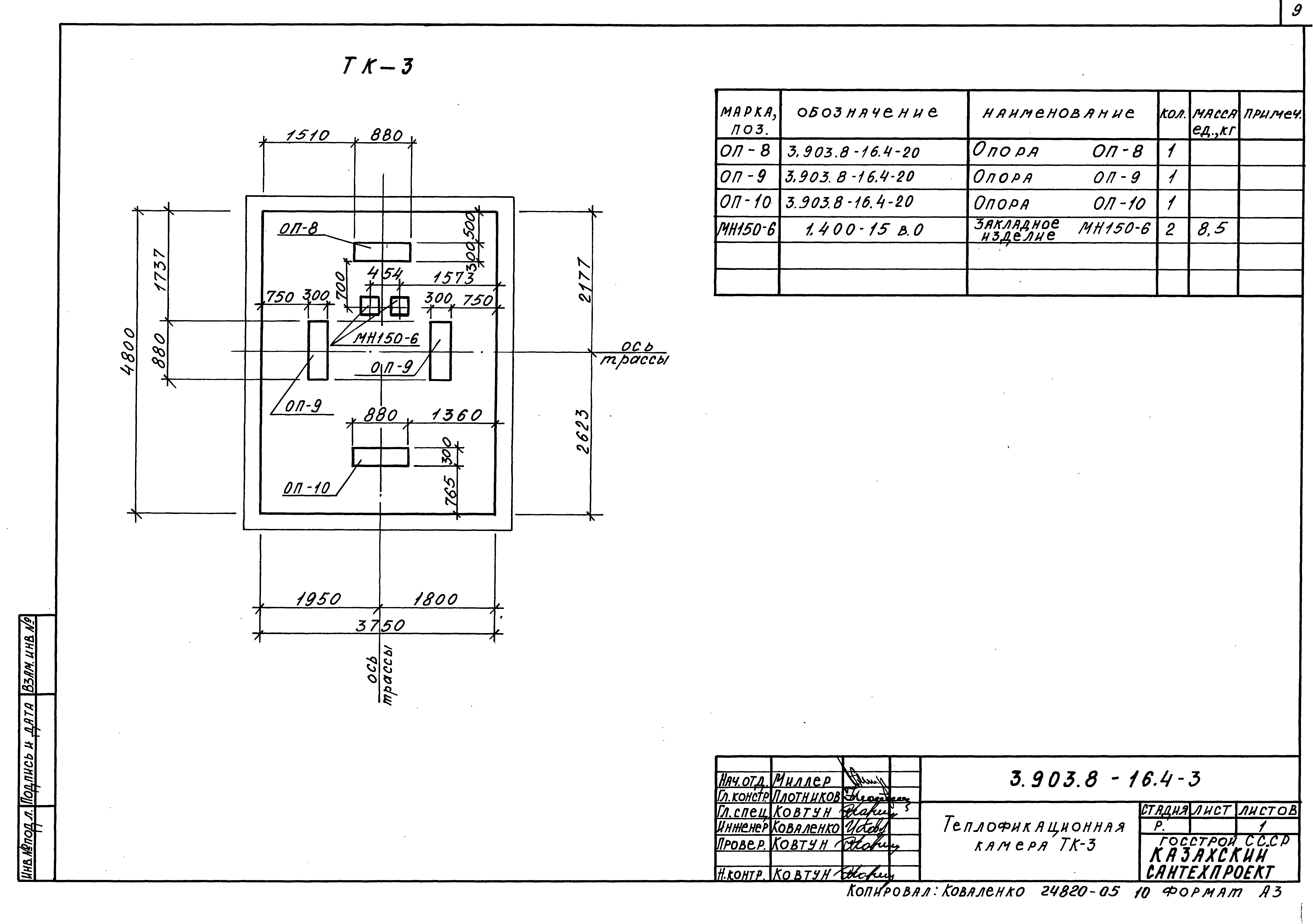
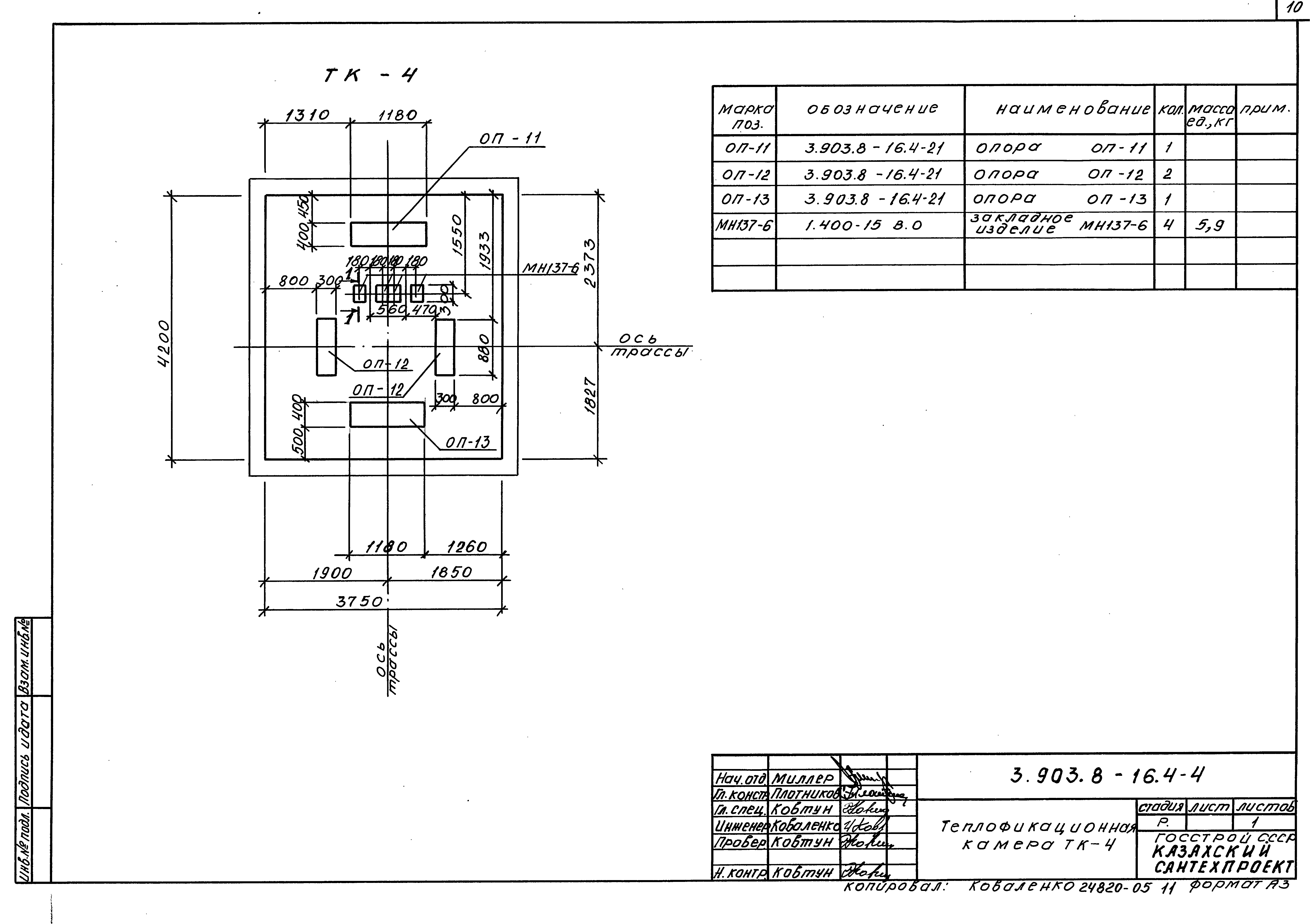
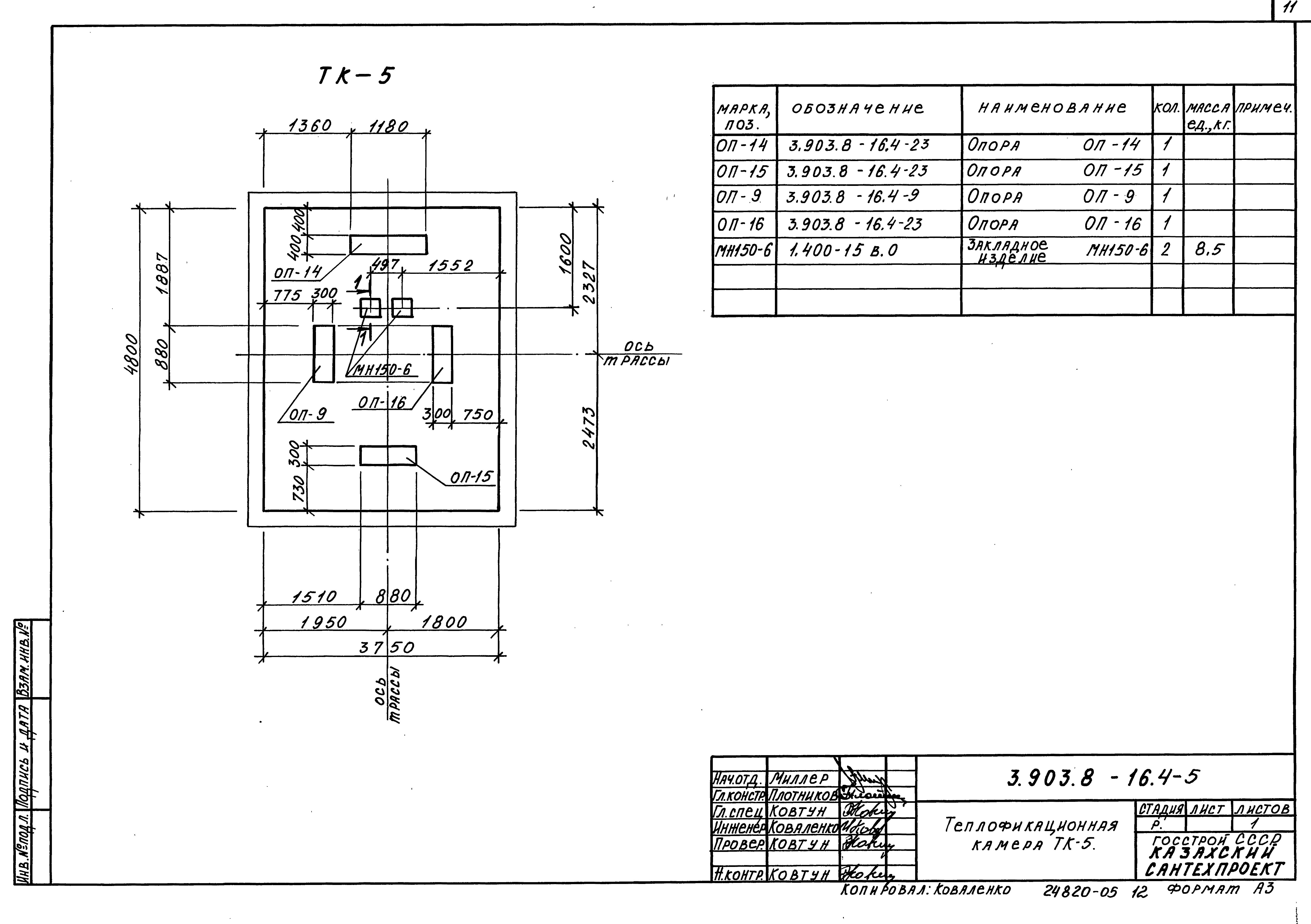
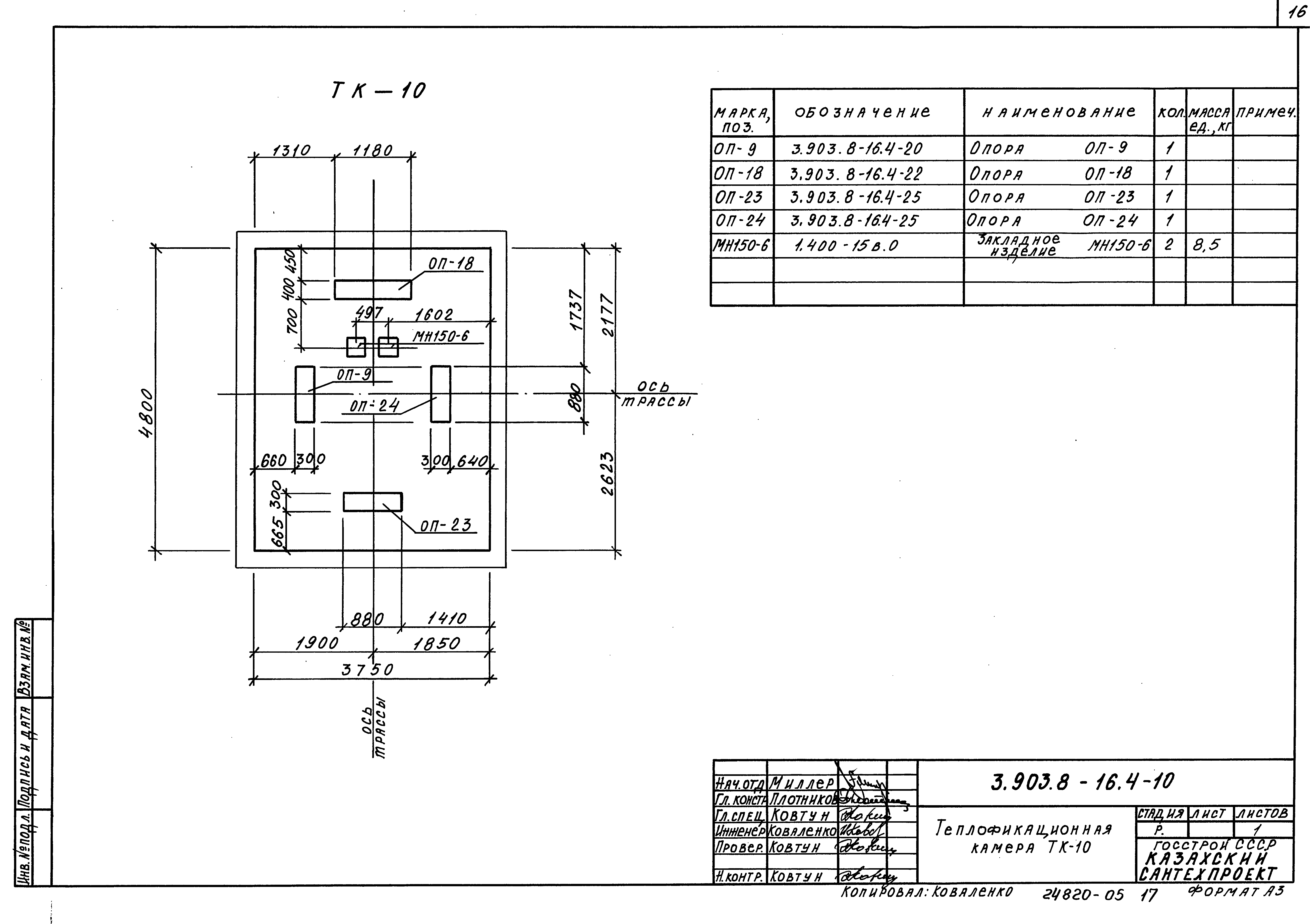
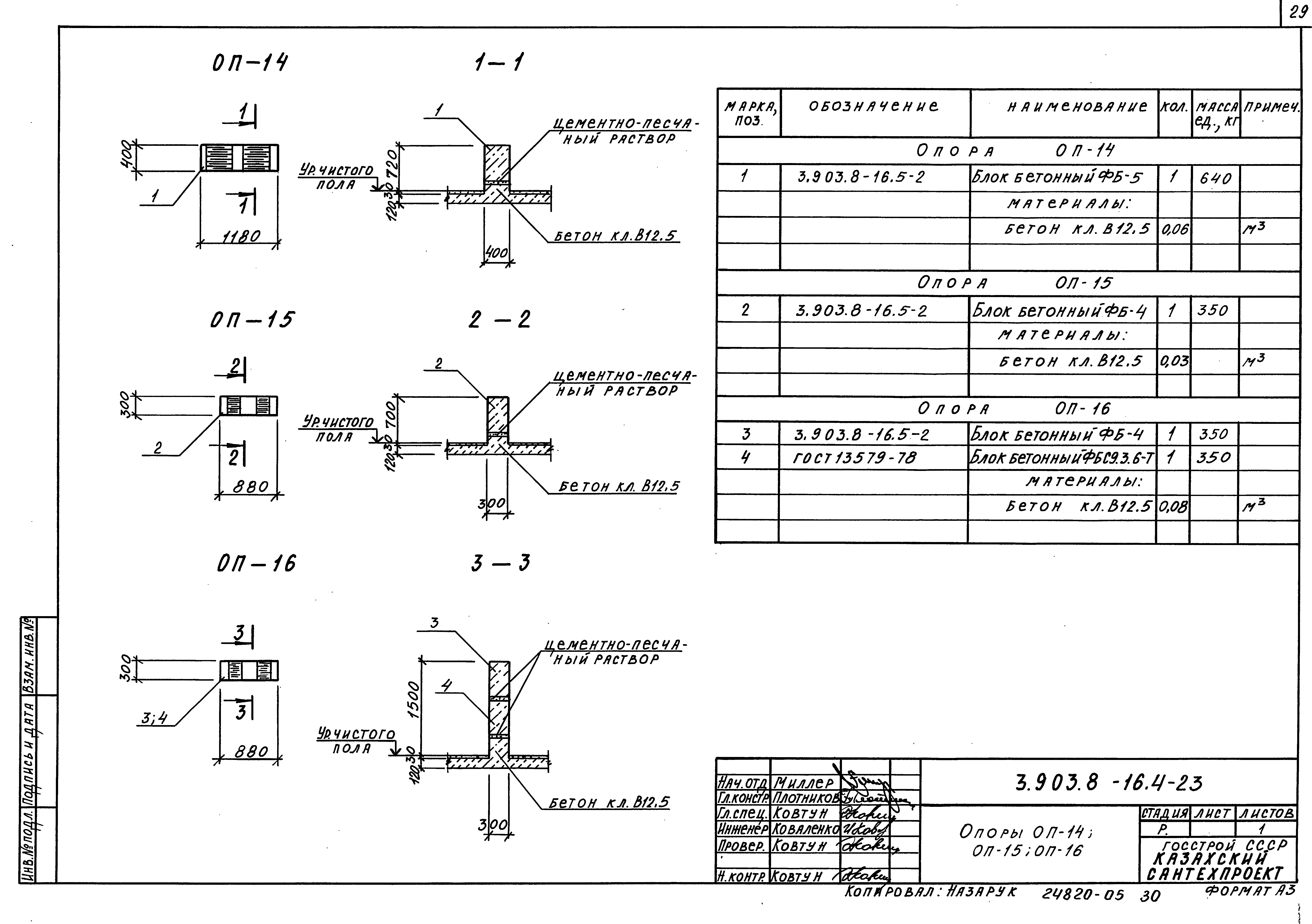
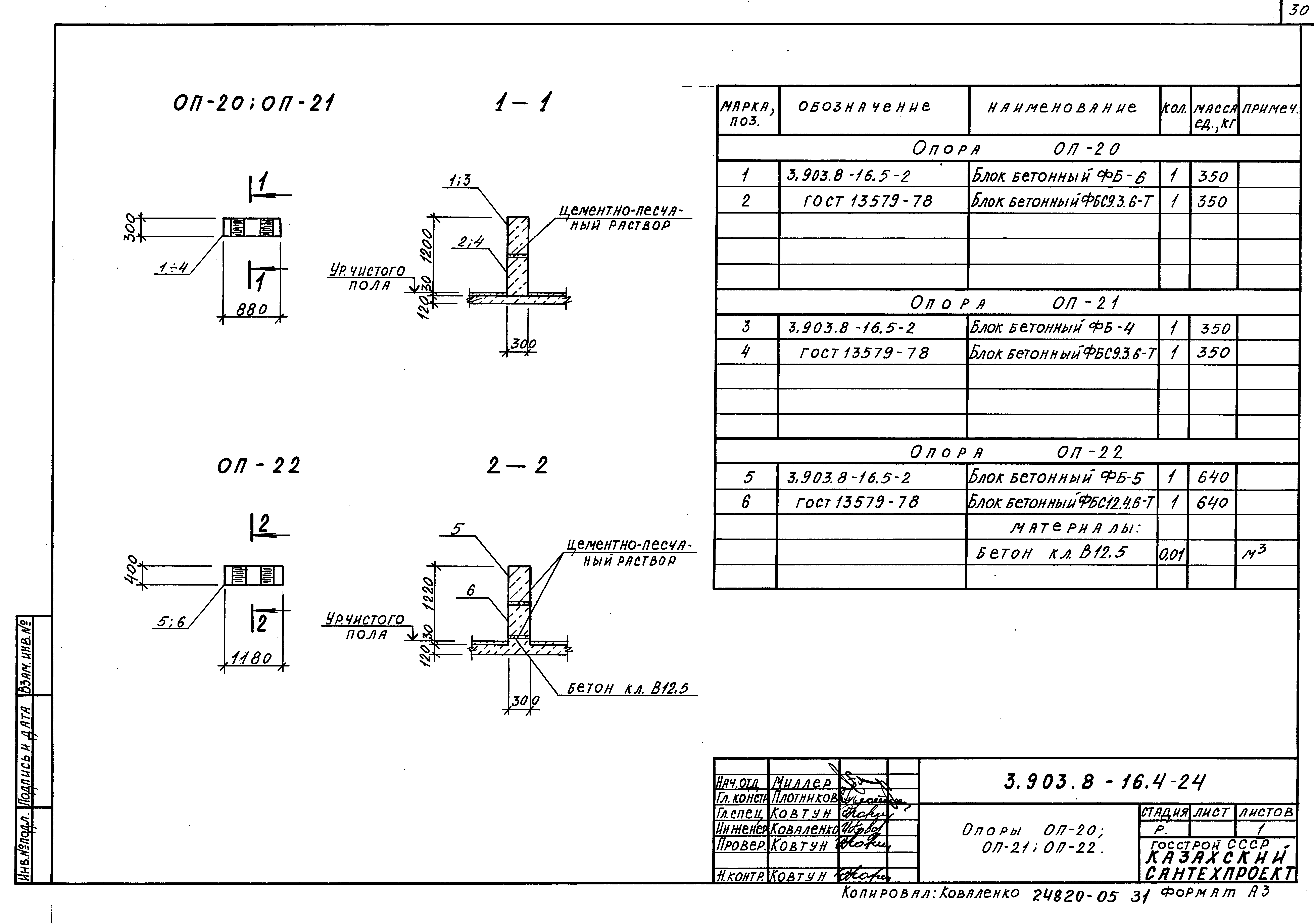
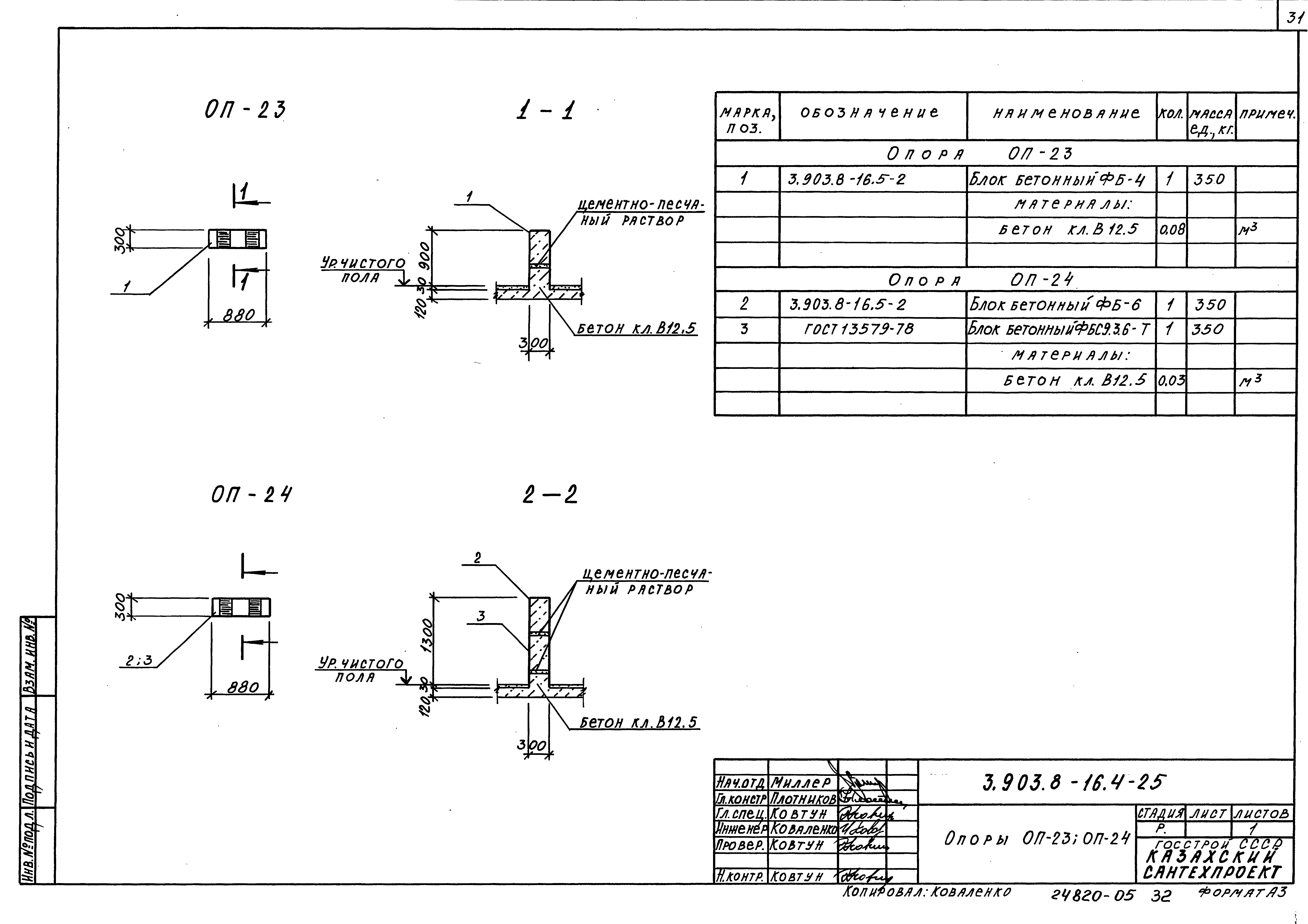
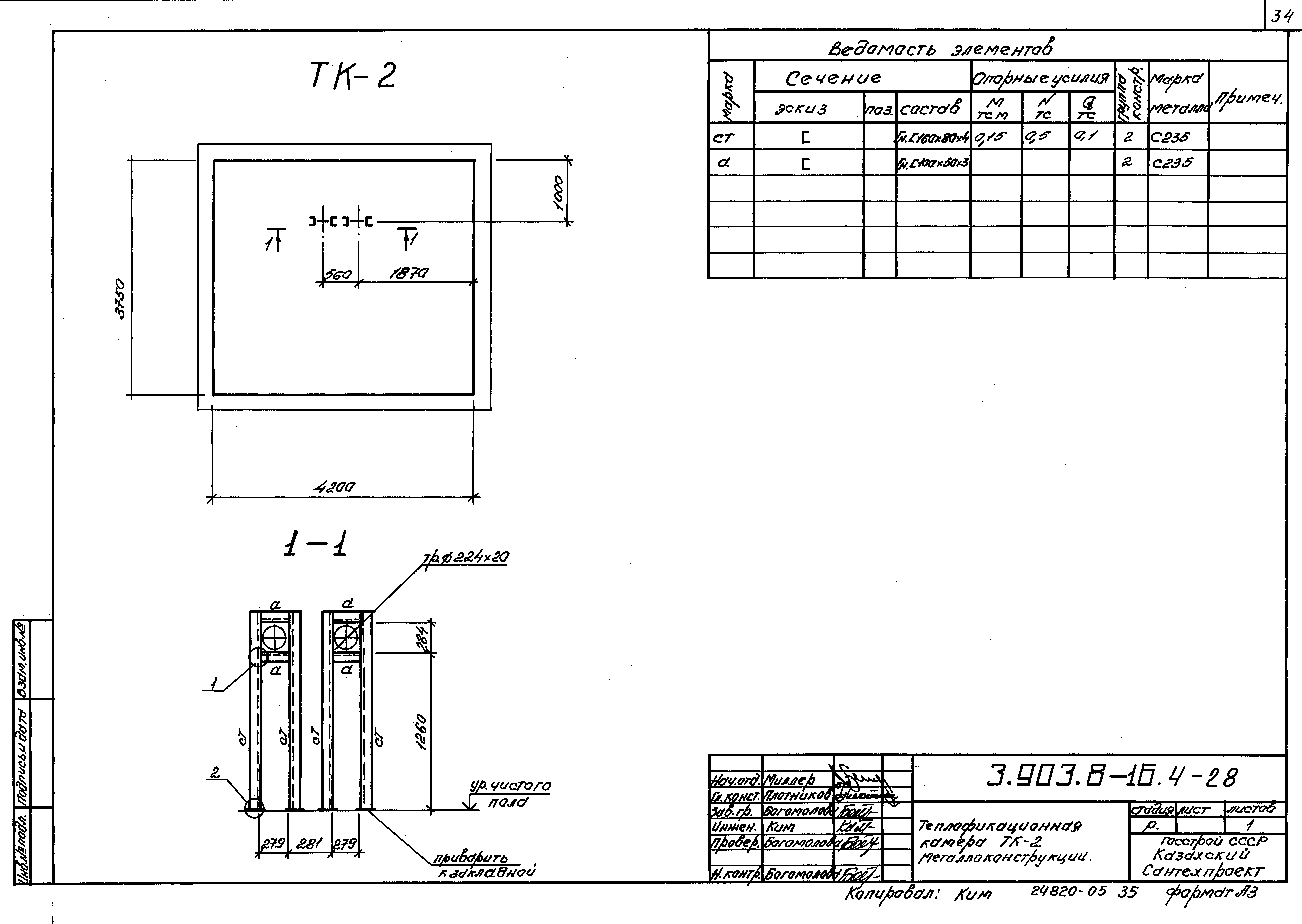
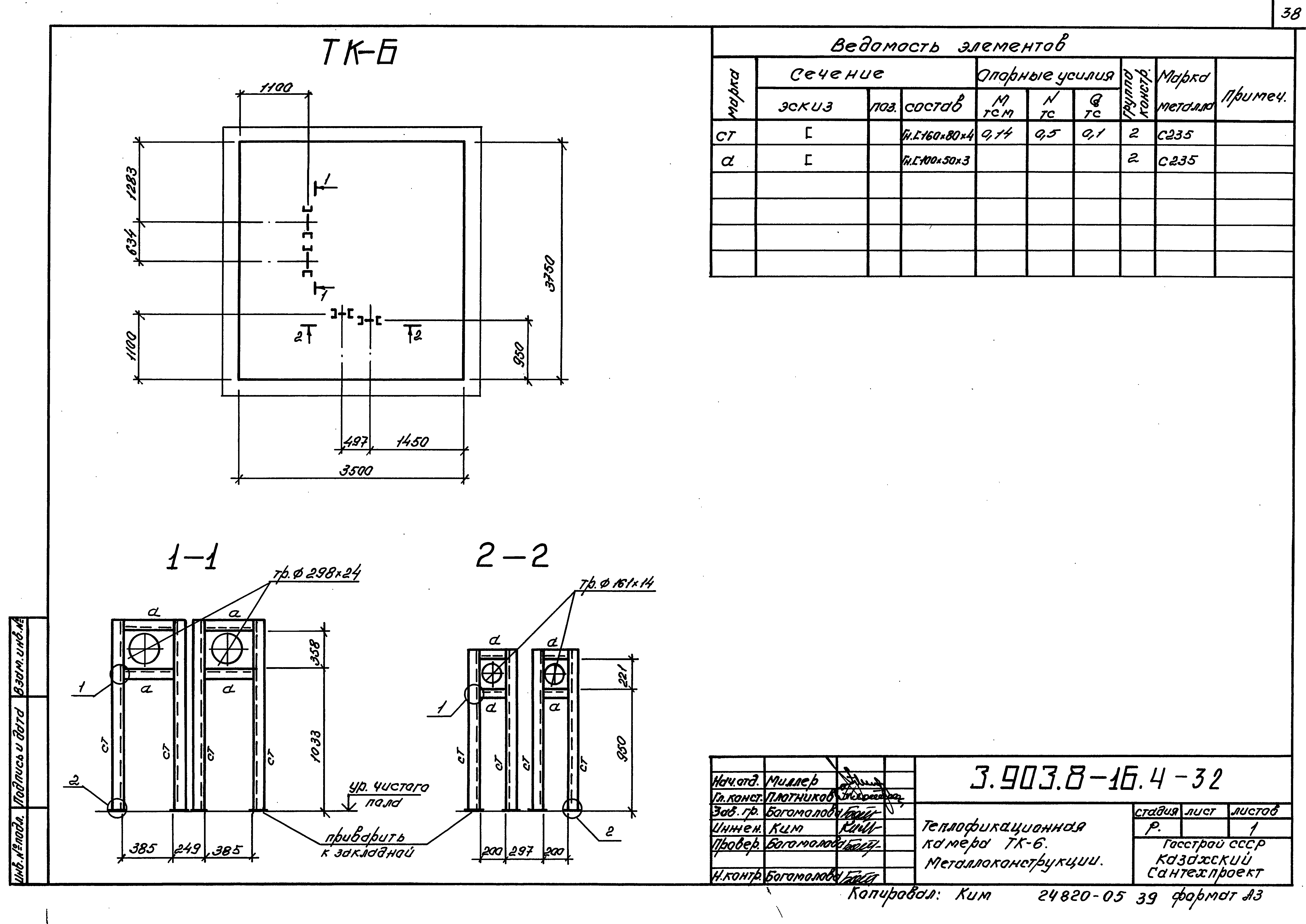
Скачать Серия 3.903.8-16 Выпуск 4. Теплофикационные камеры для несейсмических районов и районов сейсмичностью 7, 8 и 9 баллов. Рабочие чертежиДата актуализации: 01.01.2021 Серия 3.903.8-16
Выпуск 4. Теплофикационные камеры для несейсмических районов и районов сейсмичностью 7, 8 и 9 баллов. Рабочие чертежи| Обозначение: | Серия 3.903.8-16 | | Обозначение англ: | Series 3.903.8-16 | | Статус: | не определен законодательством | | Название рус.: | Выпуск 4. Теплофикационные камеры для несейсмических районов и районов сейсмичностью 7, 8 и 9 баллов. Рабочие чертежи | | Дата добавления в базу: | 01.09.2013 | | Дата актуализации: | 01.01.2021 | | Дата введения: | 01.02.1991 | | Дата окончания срока действия: | 30.06.2003 | | Разработан: | ГПКНИИ Сантехниипроект Госстроя СССР ГПИ Казахский Сантехпроект Госстроя СССР
| | Утверждён: | 01.11.1990 ГПКНИИ Сантехниипроект Госстроя СССР (7)
|
                                            
|