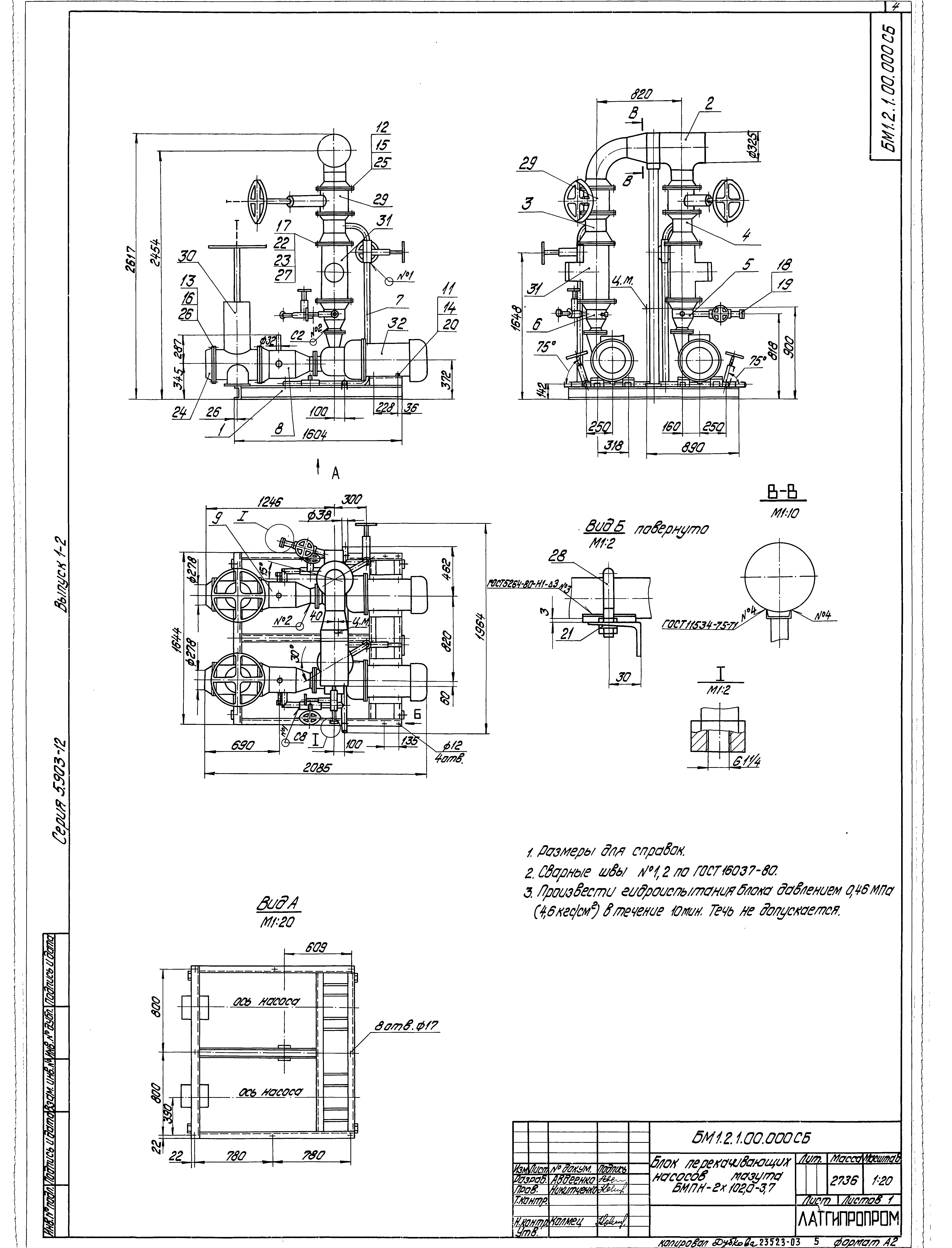
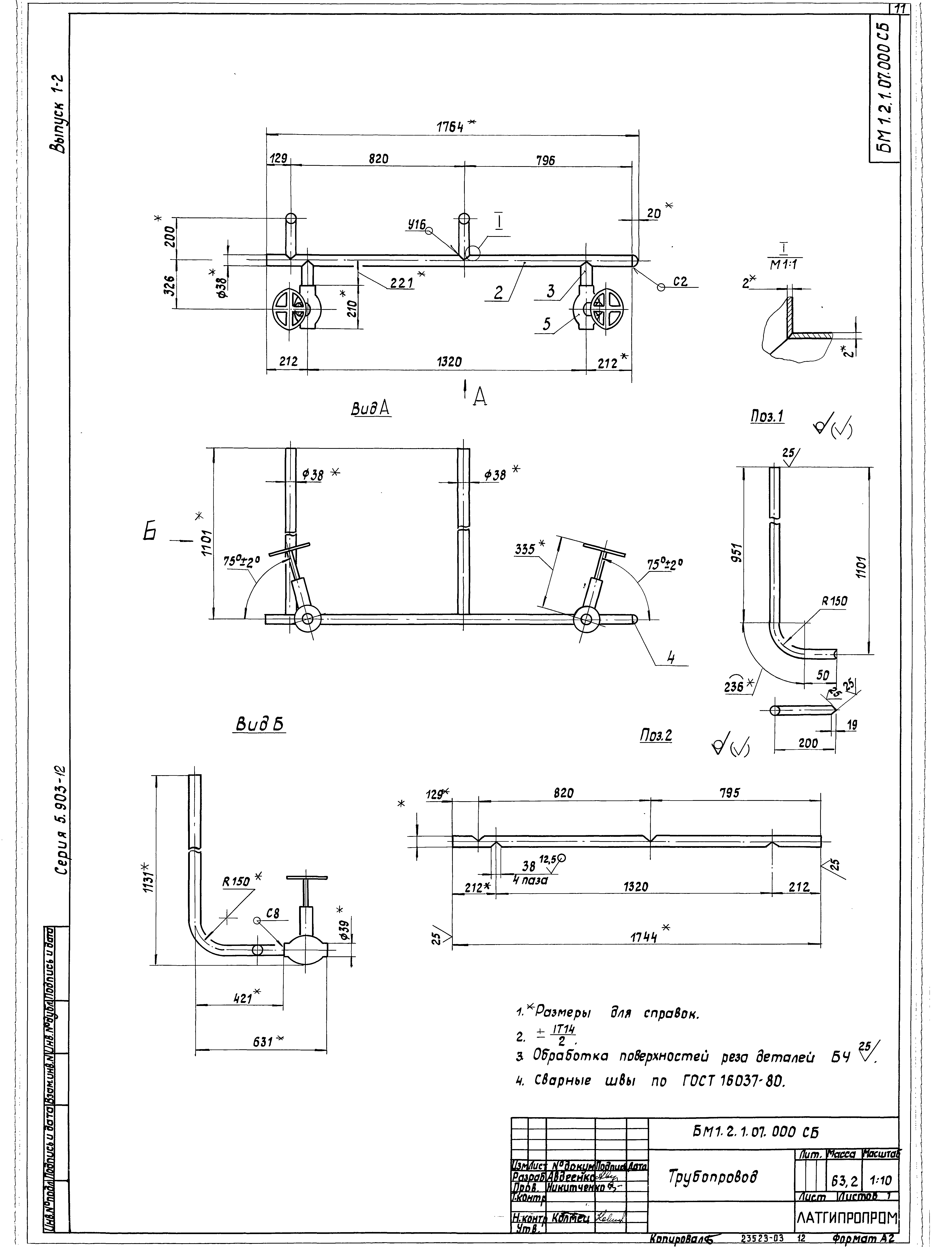
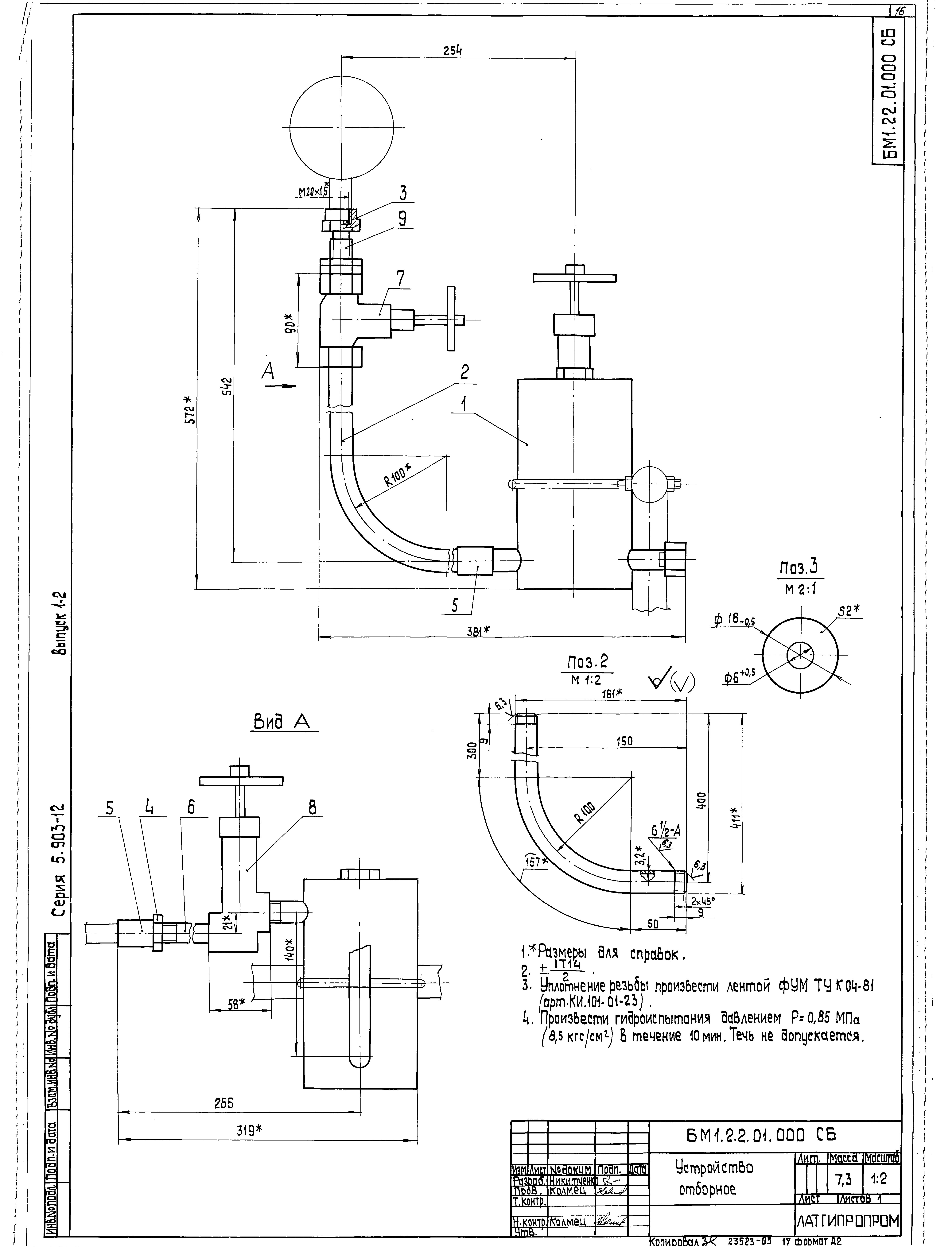
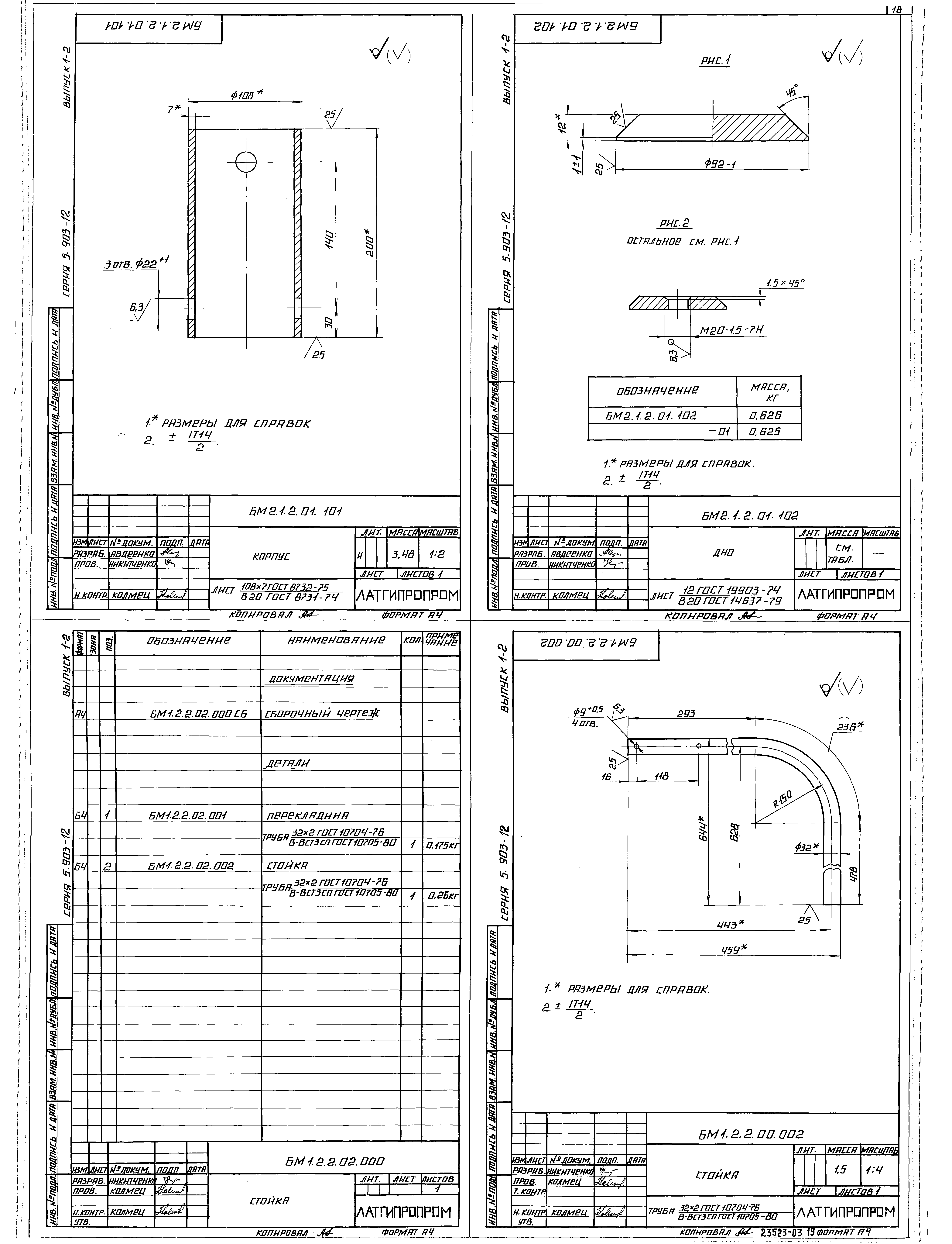
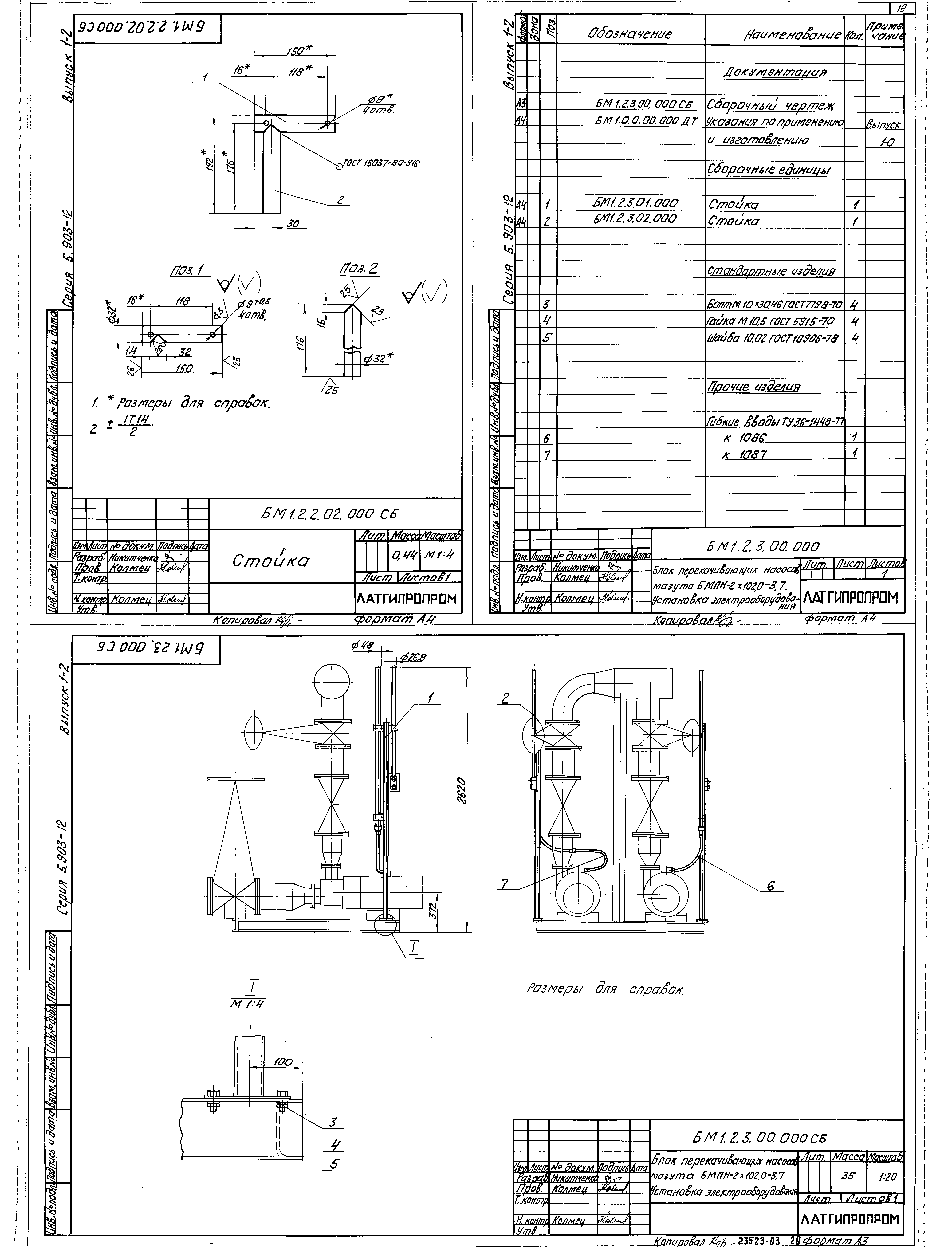
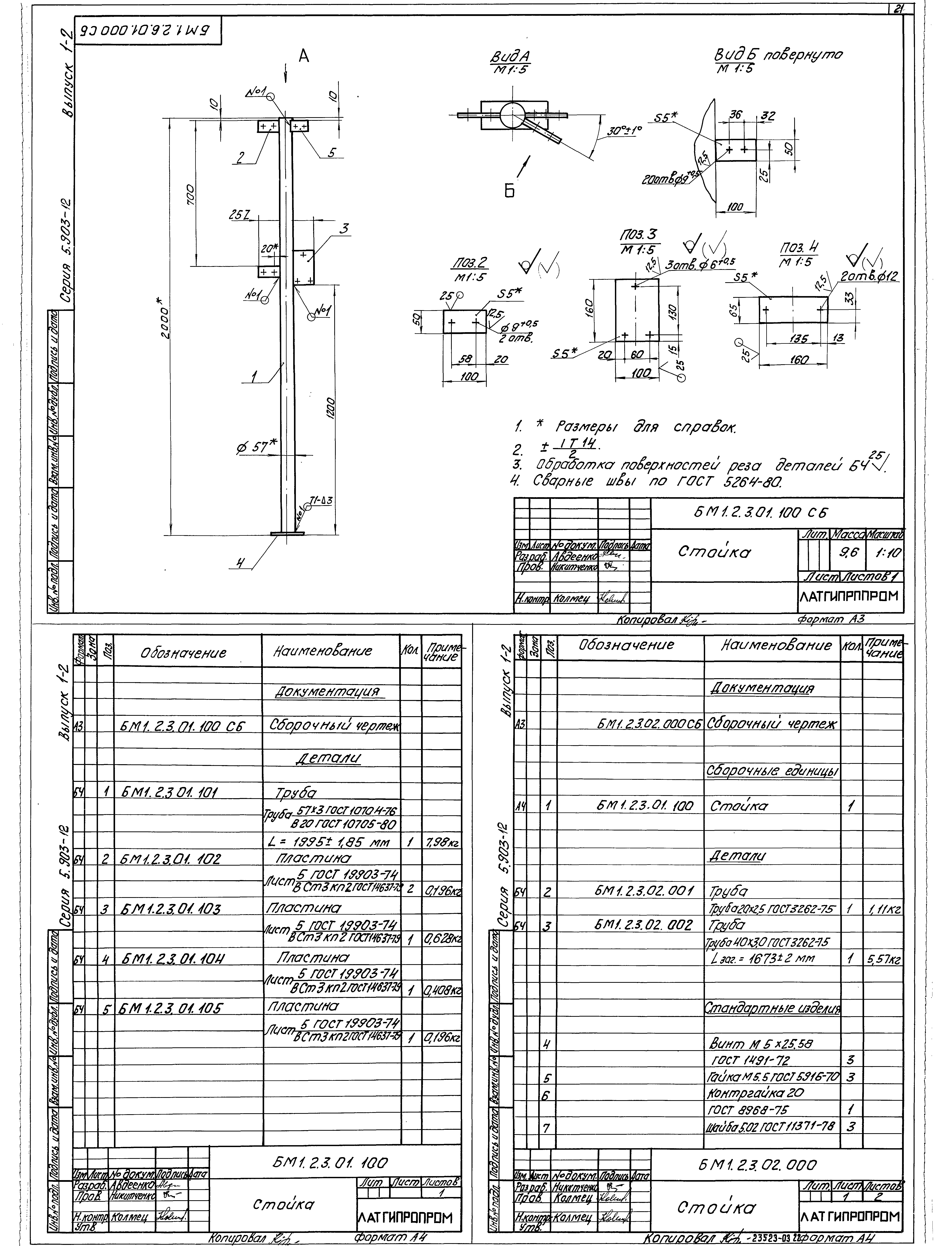
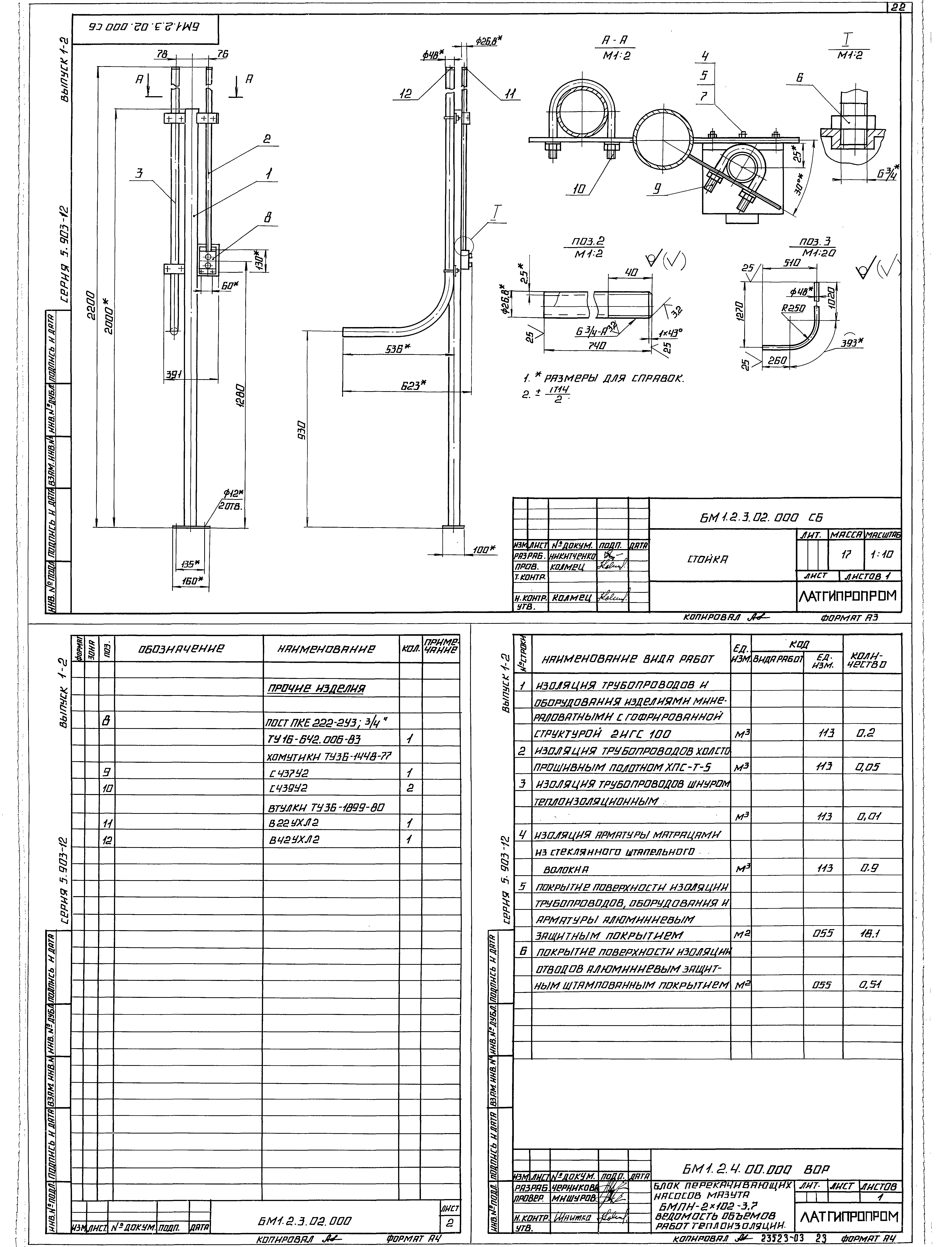
Скачать Серия 5.903-12 Выпуск 1-2. Блоки перекачивающих насосов мазута БМПН-2х102,0-3,7. Рабочие чертежиДата актуализации: 01.01.2021 Серия 5.903-12
Выпуск 1-2. Блоки перекачивающих насосов мазута БМПН-2х102,0-3,7. Рабочие чертежи| Обозначение: | Серия 5.903-12 | | Обозначение англ: | Series 5.903-12 | | Статус: | не определен законодательством | | Название рус.: | Выпуск 1-2. Блоки перекачивающих насосов мазута БМПН-2х102,0-3,7. Рабочие чертежи | | Дата добавления в базу: | 01.09.2013 | | Дата актуализации: | 01.01.2021 | | Дата введения: | 01.03.1989 | | Дата окончания срока действия: | 30.06.2003 | | Разработан: | Латгипропром
| | Утверждён: | 27.11.1988 Минмонтажспецстрой СССР (USSR Minmontazhspetsstroy 17)
|
                       
|