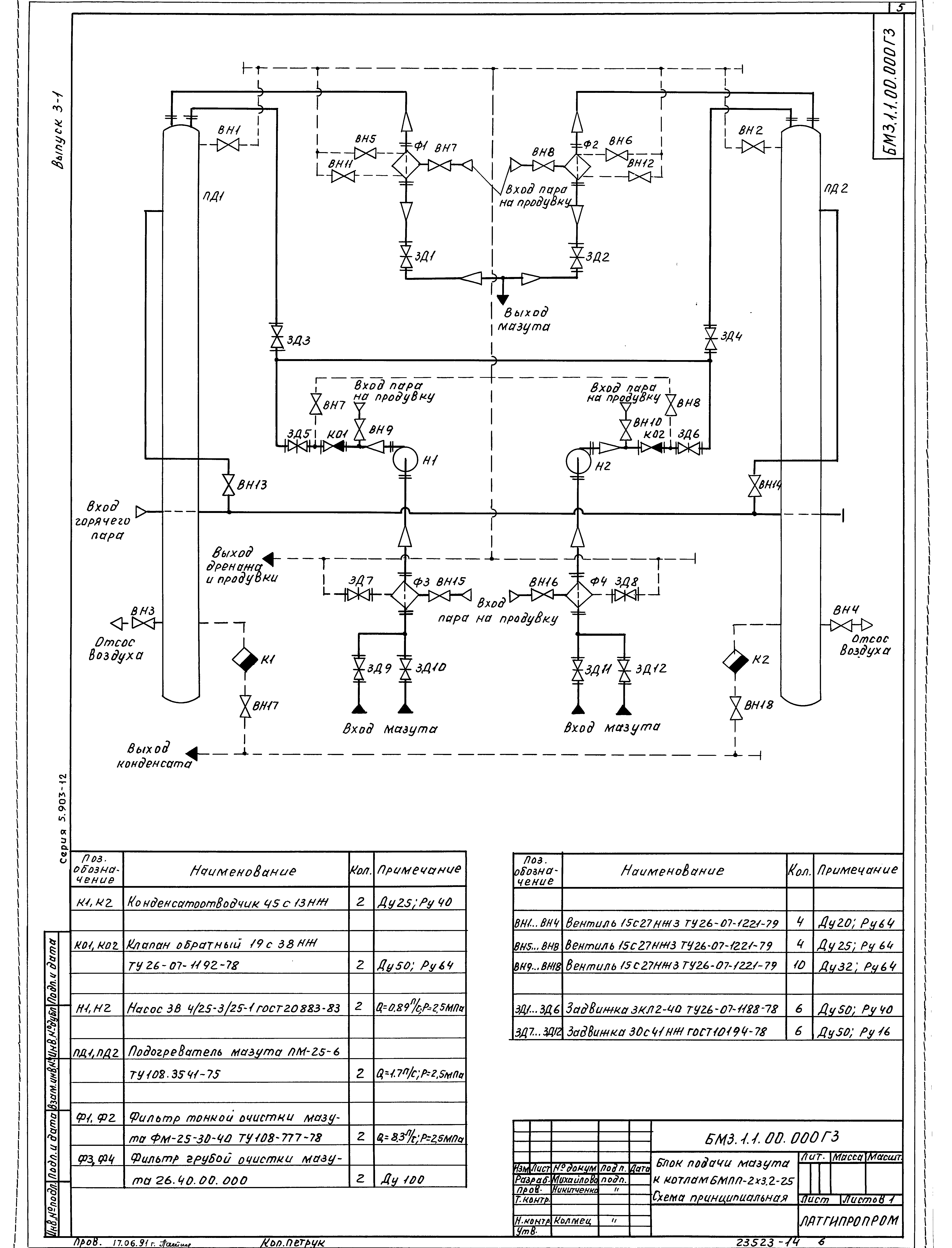
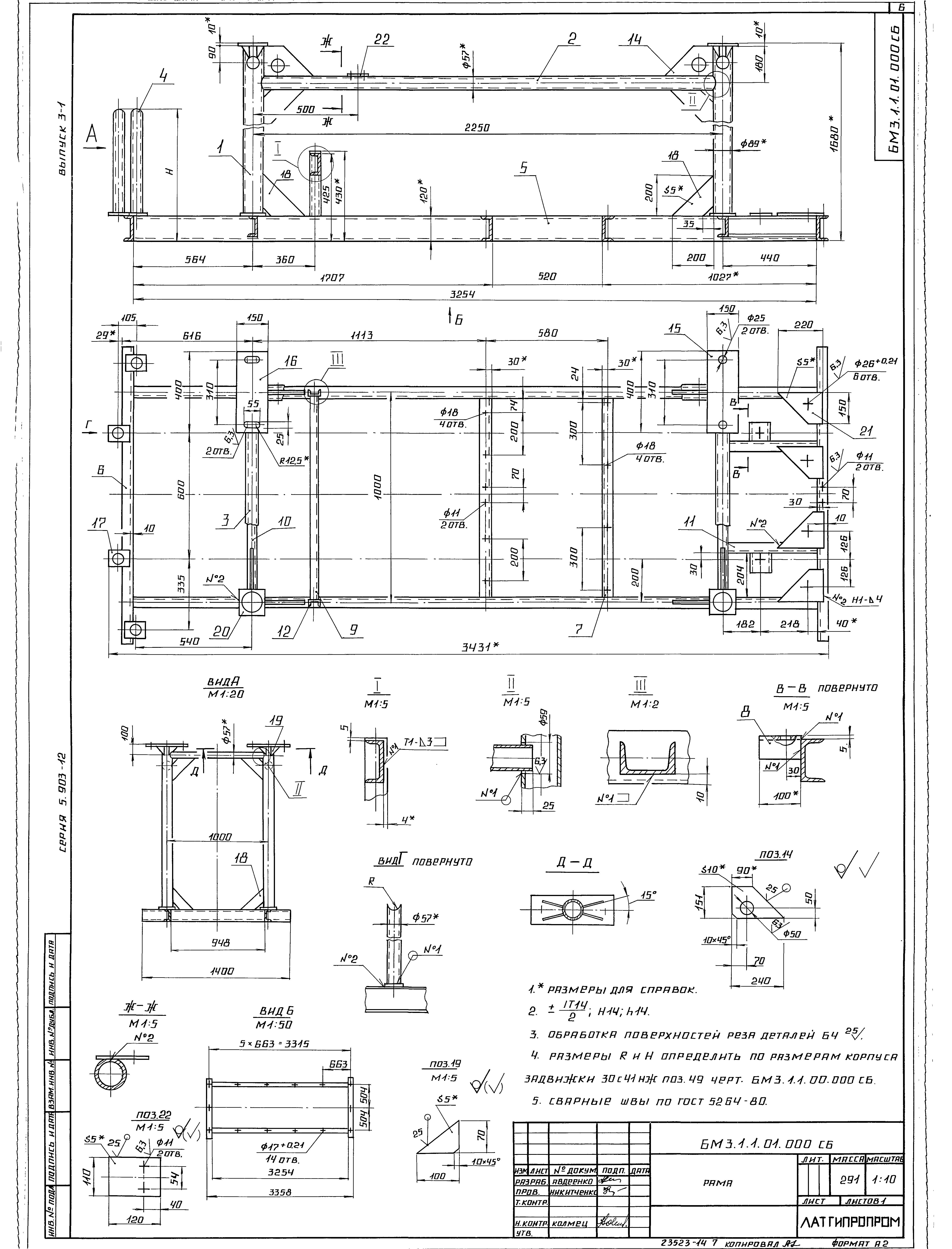
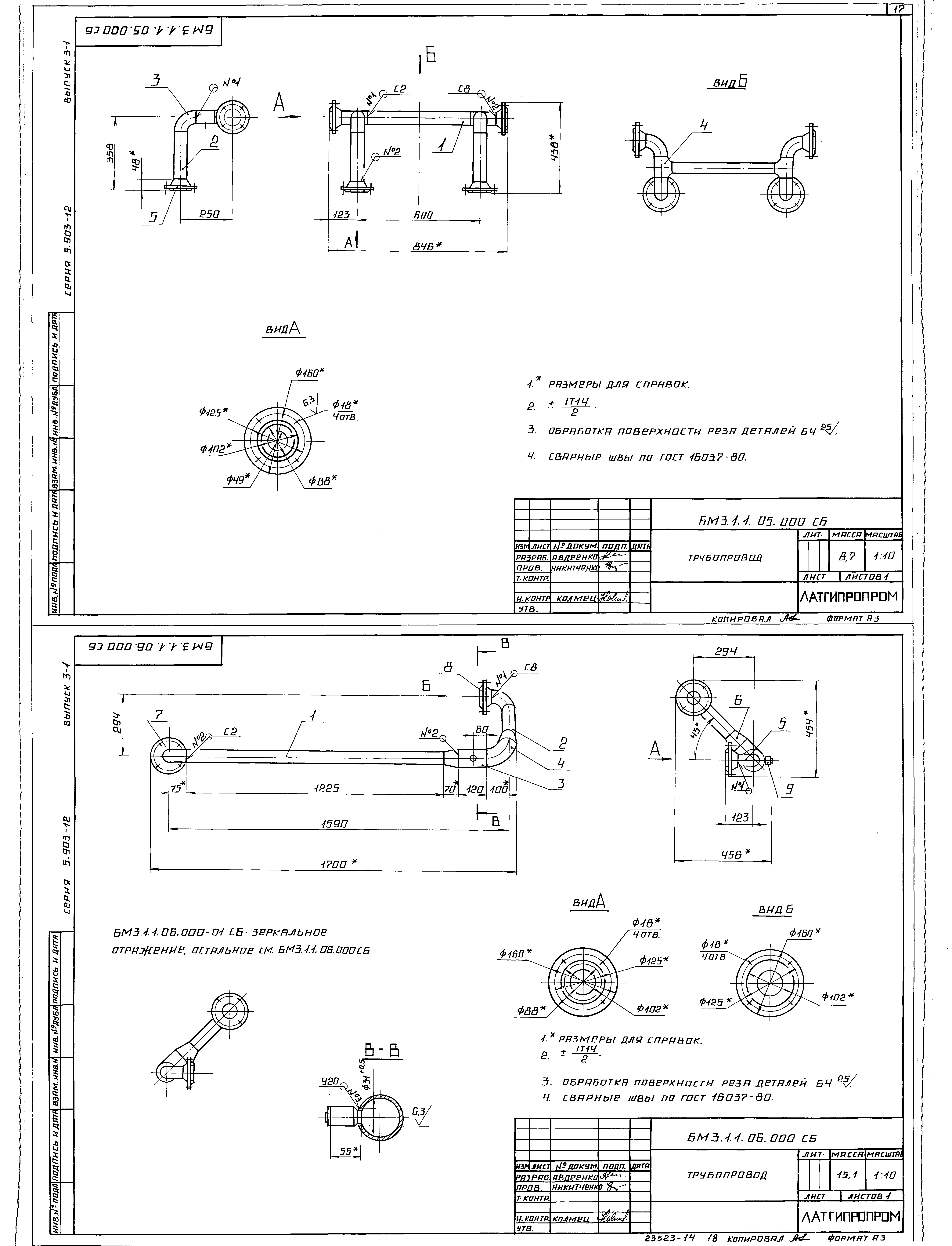
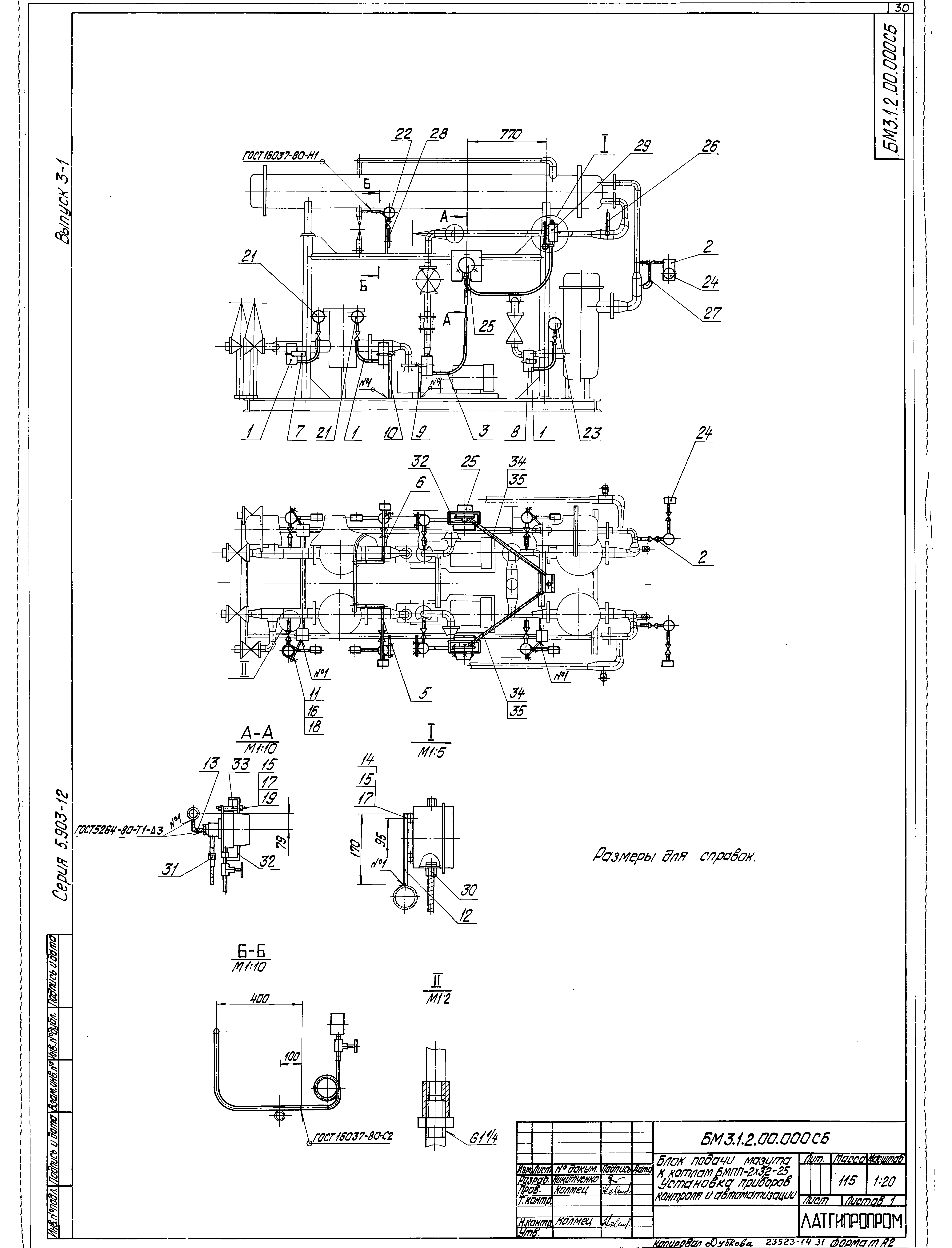
Скачать Серия 5.903-12 Выпуск 3-1. Блок подачи мазута к котлам БМПП-2х3,2-25. Рабочие чертежиДата актуализации: 01.01.2021 Серия 5.903-12
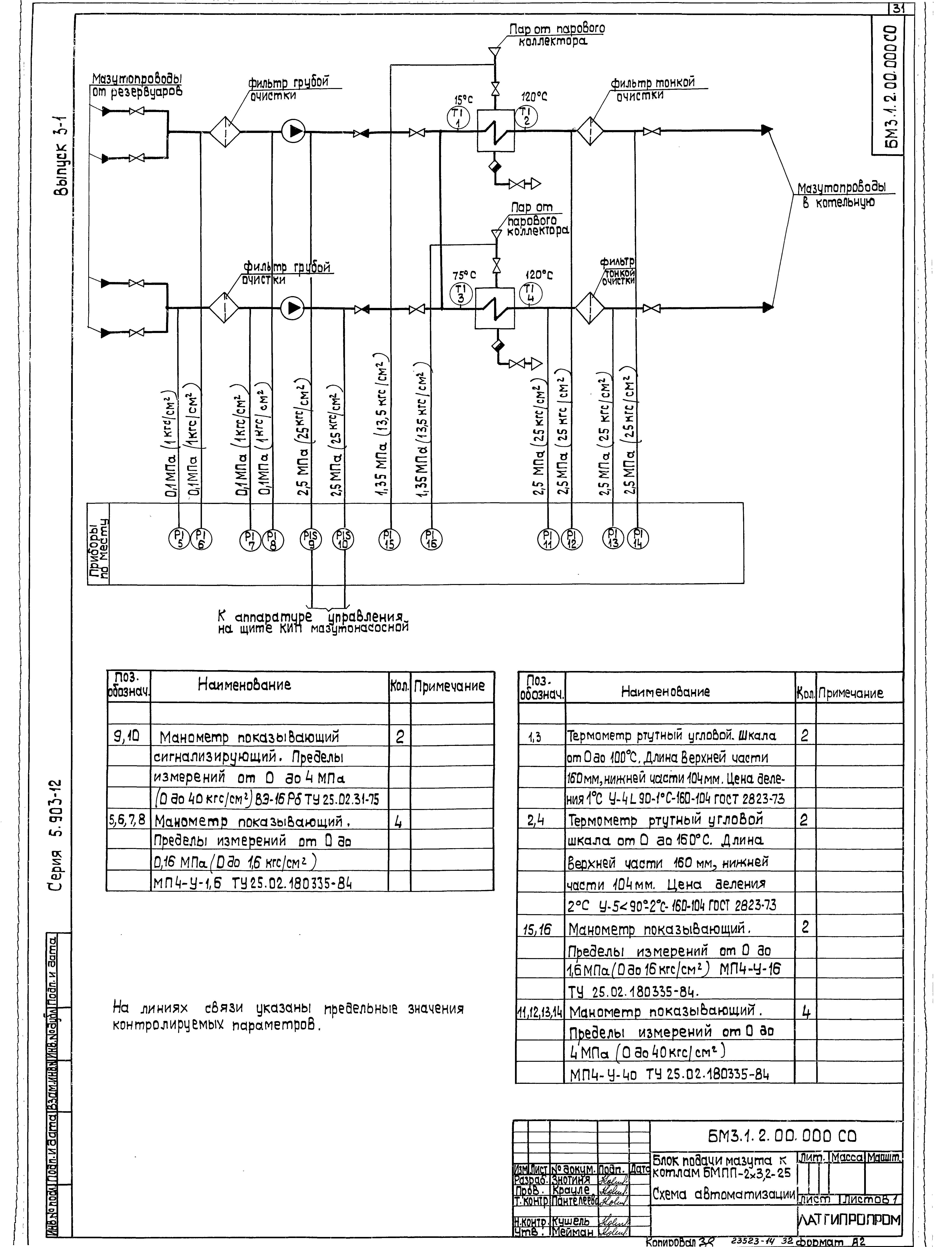
Выпуск 3-1. Блок подачи мазута к котлам БМПП-2х3,2-25. Рабочие чертежи| Обозначение: | Серия 5.903-12 | | Обозначение англ: | Series 5.903-12 | | Статус: | не определен законодательством | | Название рус.: | Выпуск 3-1. Блок подачи мазута к котлам БМПП-2х3,2-25. Рабочие чертежи | | Дата добавления в базу: | 01.09.2013 | | Дата актуализации: | 01.01.2021 | | Дата введения: | 01.07.1989 | | Дата окончания срока действия: | 30.06.2003 | | Разработан: | Латгипропром
| | Утверждён: | 16.06.1989 ММСС СССР
|
                                          
|