Скачать Серия 5.903-21 Выпуск 1. Узлы обвязки. Рабочие чертежиДата актуализации: 01.01.2021
|
| Обозначение: | Серия 5.903-21 |
| Обозначение англ: | Series 5.903-21 |
| Статус: | не определен законодательством |
| Название рус.: | Выпуск 1. Узлы обвязки. Рабочие чертежи |
| Дата добавления в базу: | 01.09.2013 |
| Дата актуализации: | 01.01.2021 |
| Дата введения: | 15.02.1992 |
| Дата окончания срока действия: | 30.06.2003 |
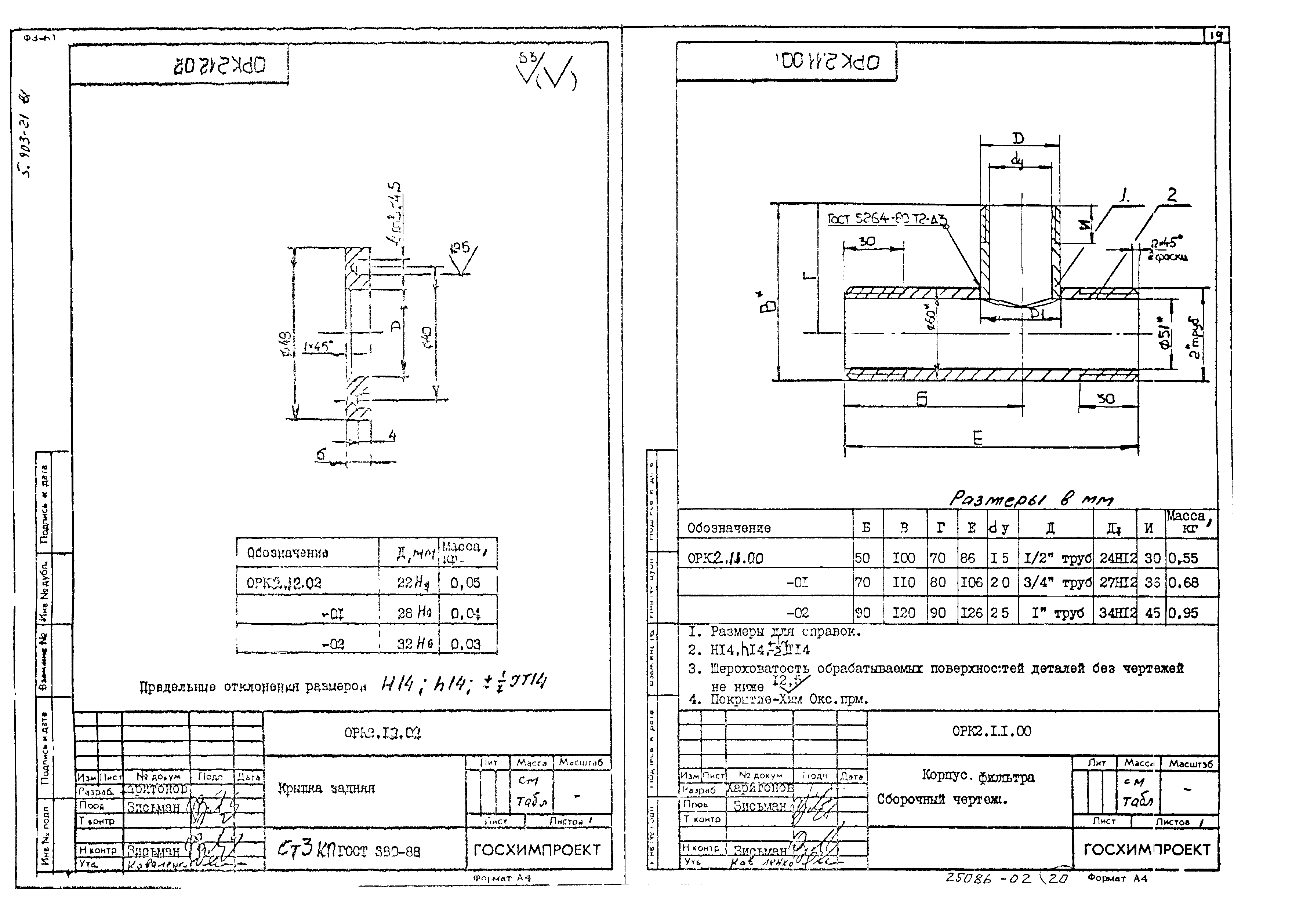
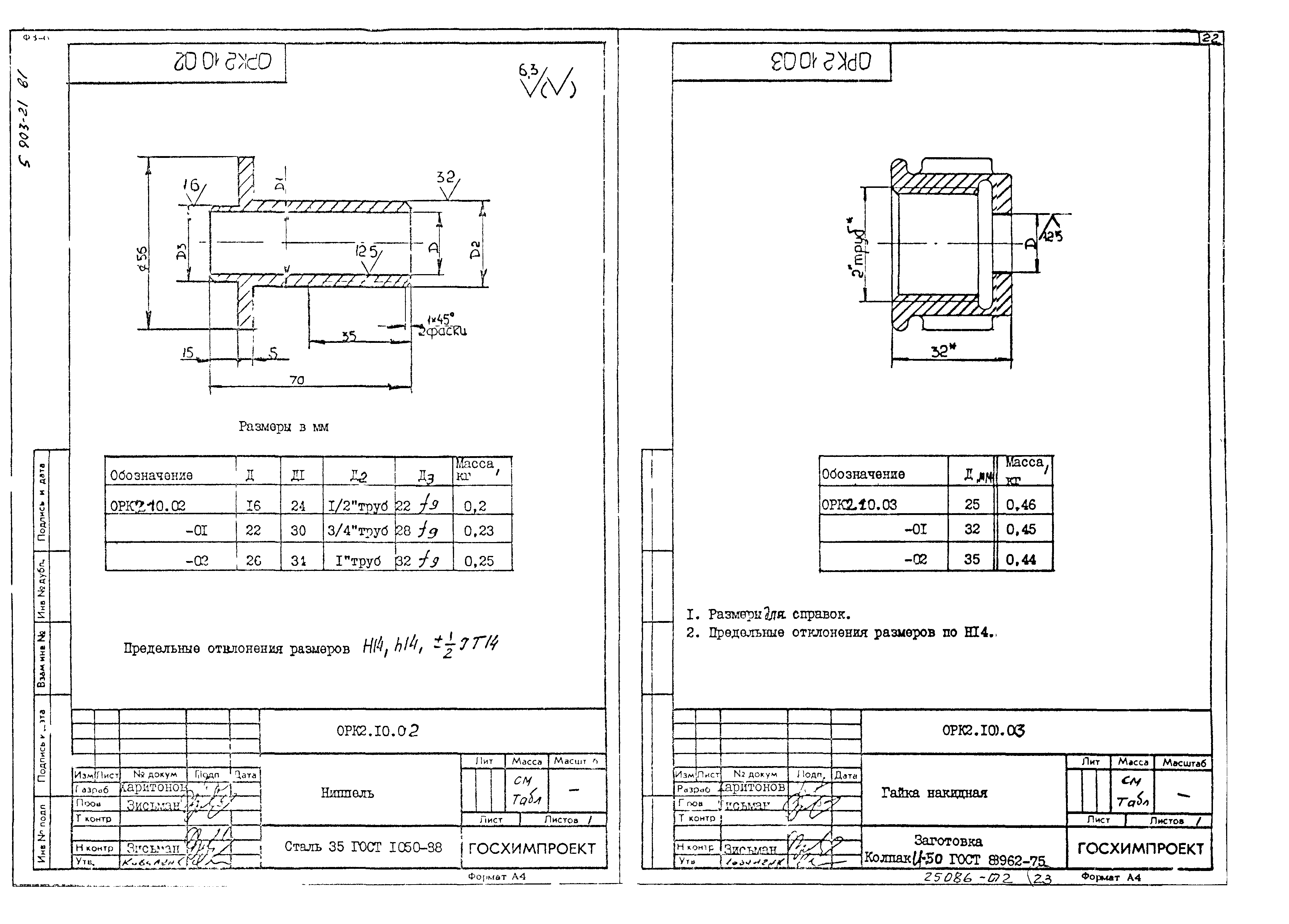
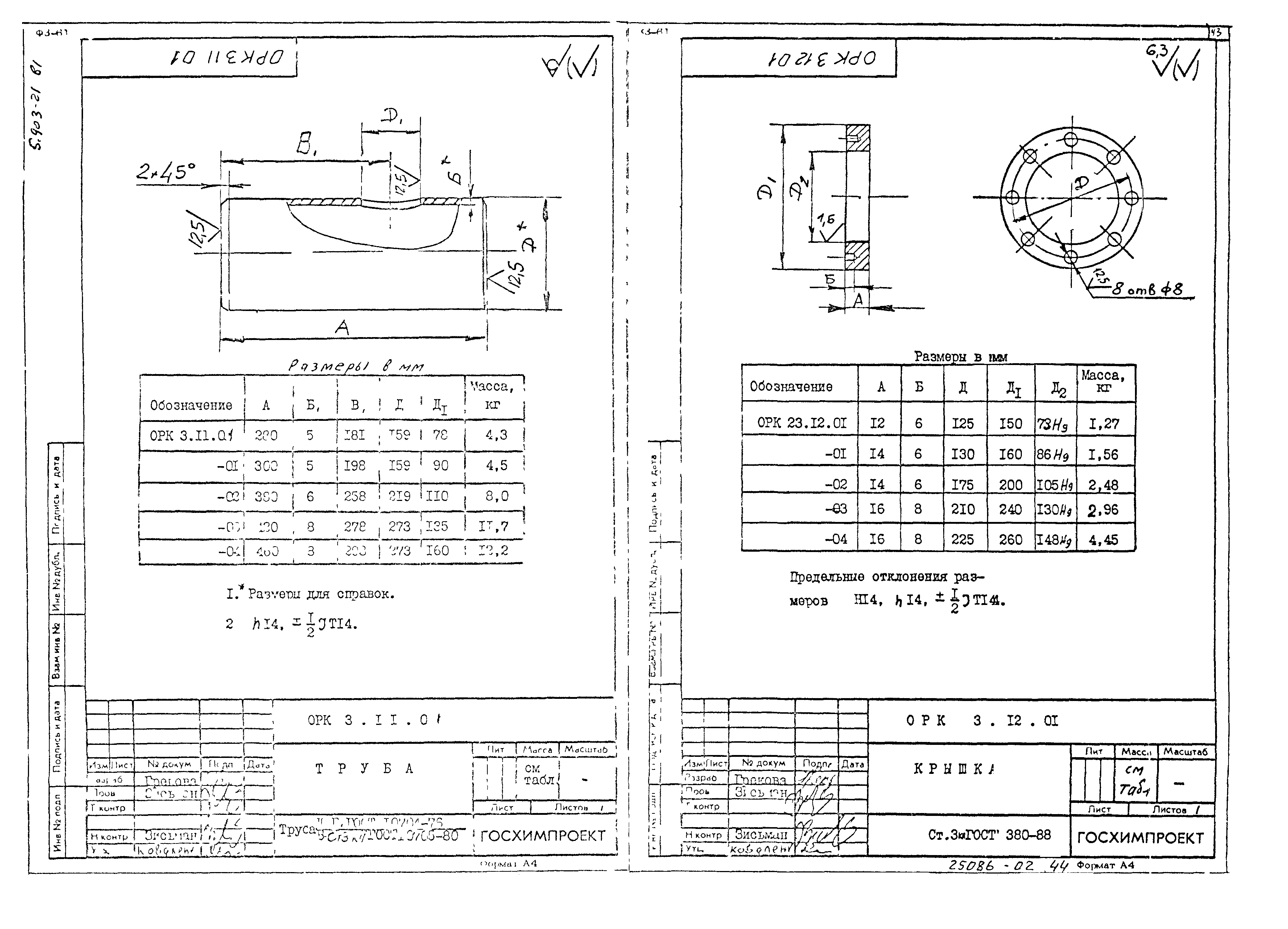
| Оглавление: | ОРК 1.00.00 Узел обвязки регулирующего клапана. Спецификация ОРК 1.00.00 СБ Узел обвязки регулирующего клапана. Сборочный чертеж ОРК 1.01.00 Переход. Спецификация ОРК 1.01.00 СБ Переход. Сборочный чертеж ОРК 1.01.01 Конус ОРК 2.00.00 Узел рабочего трубопровода с фильтром. Спецификация ОРК 2.00.00 СБ Узел рабочего трубопровода с фильтром. Сборочный чертеж ОРК 2.00.01 Труба ОРК 2.00.02 Труба ОРК 2.10.00 Фильтр. Спецификация ОРК 2.10.00 СБ Фильтр. Сборочный чертеж ОРК 2.00.03 Труба ОРК 2.11.00 Корпус фильтра. Спецификация ОРК 2.12.02 Крышка задняя ОРК 2.11.00 СБ Корпус фильтра. Сборочный чертеж ОРК 2.12.00 Элемент фильтрующий. Спецификация ОРК 2.12.00 СБ Элемент фильтрующий. Сборочный чертеж ОРК 2.12.01 Фланец передний ОРК 2.10.02 Ниппель ОРК 2.10.03 Гайка накидная ОРК 2.10.01 Прокладка ОРК 2.20.01 Прокладка ОРК 2.20.00 Фильтр. Спецификация ОРК 2.20.00 СБ Фильтр. Сборочный чертеж ОРК 2.21.00 Корпус фильтра. Спецификация ОРК 2.21.00 СБ Корпус фильтра. Сборочный чертеж ОРК 2.21.01 Стрелка ОРК 2.21.03 Дно ОРК 2.21.04 Патрубок ОРК 2.21.05 Патрубок ОРК 2.21.02 Труба ОРК 2.22.01 Крышка ОРК 2.22.00 Элемент фильтрующий. Спецификация ОРК 2.22.00 СБ Элемент фильтрующий. Сборочный чертеж ОРК 2.22.02 Фланец ОРК 3.00.00 Узел рабочего трубопровода с фильтром. Спецификация ОРК 3.00.00 СБ Узел рабочего трубопровода с фильтром. Сборочный чертеж ОРК 3.10.00 Фильтр. Спецификация л. 1, 2 ОРК 3.10.00 Фильтр. Спецификация л. 3 ОРК 3.10.01 Прокладка ОРК 3.10.00 СБ Фильтр. Сборочный чертеж ОРК 3.11.0 Корпус фильтра. Спецификация ОРК 3.11.0 СБ Корпус фильтра. Сборочный чертеж ОРК 3.11.03 Патрубок ОРК 3.11.02 Дно ОРК 3.11.01 Труба ОРК 3.12.01 Крышка ОРК 3.12.00 Элемент фильтрующий. Спецификация ОРК 3.12.00 СБ Элемент фильтрующий. Сборочный чертеж ОРК 3.12.02 Фланец ОРК 3.20.00 Труба. Спецификация ОРК 3.30.00 Труба. Спецификация ОРК 3.20.00 СБ Труба. Сборочный чертеж ОРК 3.30.00 СБ Труба. Сборочный чертеж ОРК 3.40.00 Труба. Спецификация ОРК 3.40.00 СБ Труба. Сборочный чертеж ОРК 3.40.02 Пробка ОРК 4.00.00 Узел регулирующего клапана с байпасом. Спецификация ОРК 4.00.00 СБ Узел регулирующего клапана с байпасом. Сборочный чертеж ОРК 4.10.00 Труба. Спецификация ОРК 4.20.00 Труба. Спецификация ОРК 4.10.00 СБ Труба. Сборочный чертеж ОРК 4.20.00 СБ Труба. Сборочный чертеж ОРК 4.00.01 Труба ОРК 4.00.02 Труба ОРК 5.00.00 Узел регулирующего клапана с байпасом. Спецификация ОРК 5.00.00 СБ Узел регулирующего клапана с байпасом. Сборочный чертеж ОРК 5.10.00 Труба. Спецификация ОРК 5.20.00 Труба. Спецификация ОРК 5.10.00 СБ Труба. Сборочный чертеж ОРК 5.20.00 СБ Труба. Сборочный чертеж |
| Разработан: | Госхимпроект Госстроя СССР |
| Утверждён: | 08.04.1991 Госстрой СССР (Государственный комитет Совета Министров СССР по делам строительства) (USSR Gosstroy ) |
| Издан: | ГП ЦПП (1995 г. ) |
| Заменяет собой: |






























































