Скачать Серия 5.903-20 Выпуск 1. Воздухосборники. Рабочие чертежиДата актуализации: 01.01.2021
|
| Обозначение: | Серия 5.903-20 |
| Обозначение англ: | Series 5.903-20 |
| Статус: | не определен законодательством |
| Название рус.: | Выпуск 1. Воздухосборники. Рабочие чертежи |
| Дата добавления в базу: | 01.09.2013 |
| Дата актуализации: | 01.01.2021 |
| Дата введения: | 15.12.1991 |
| Дата окончания срока действия: | 30.06.2003 |
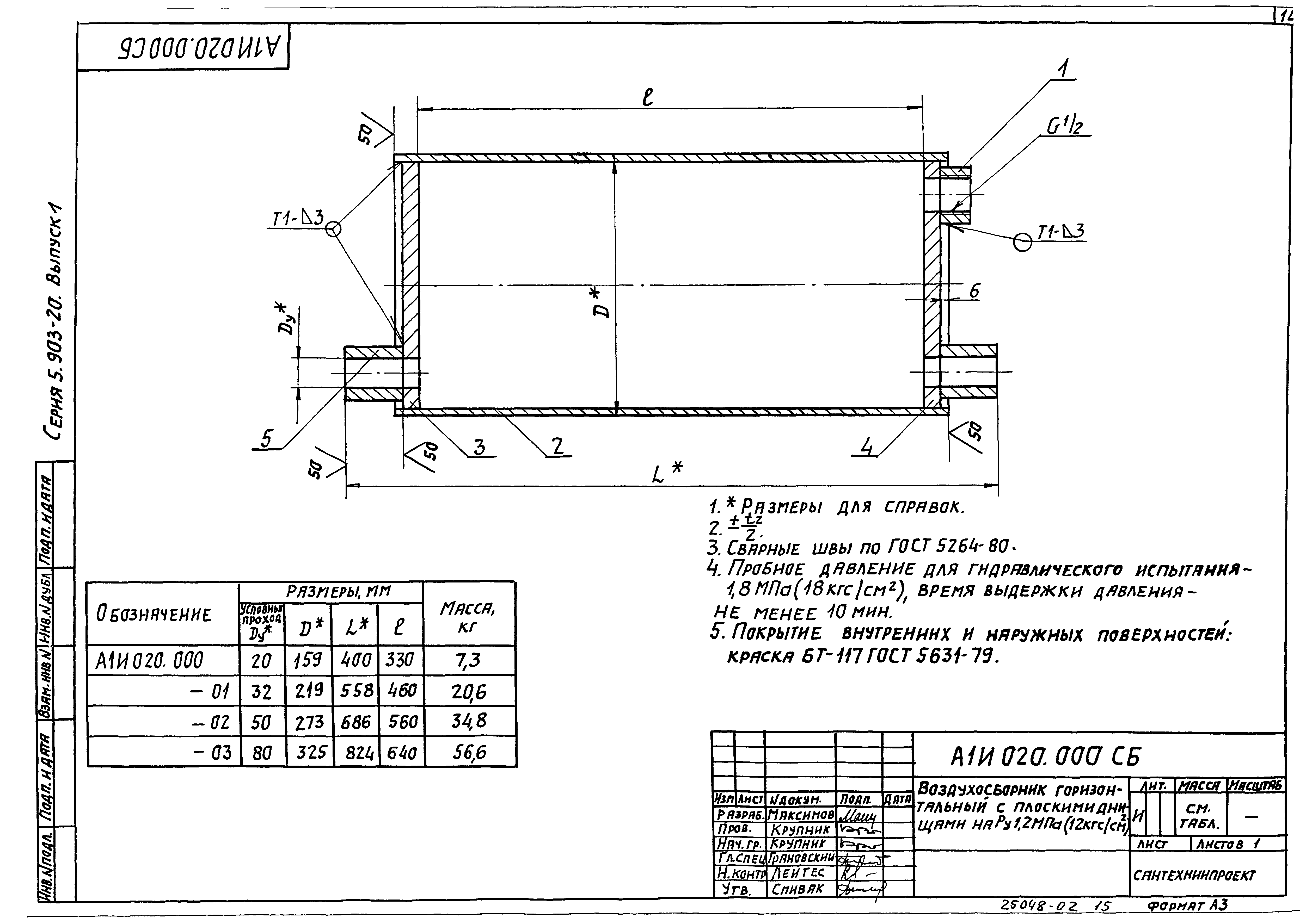
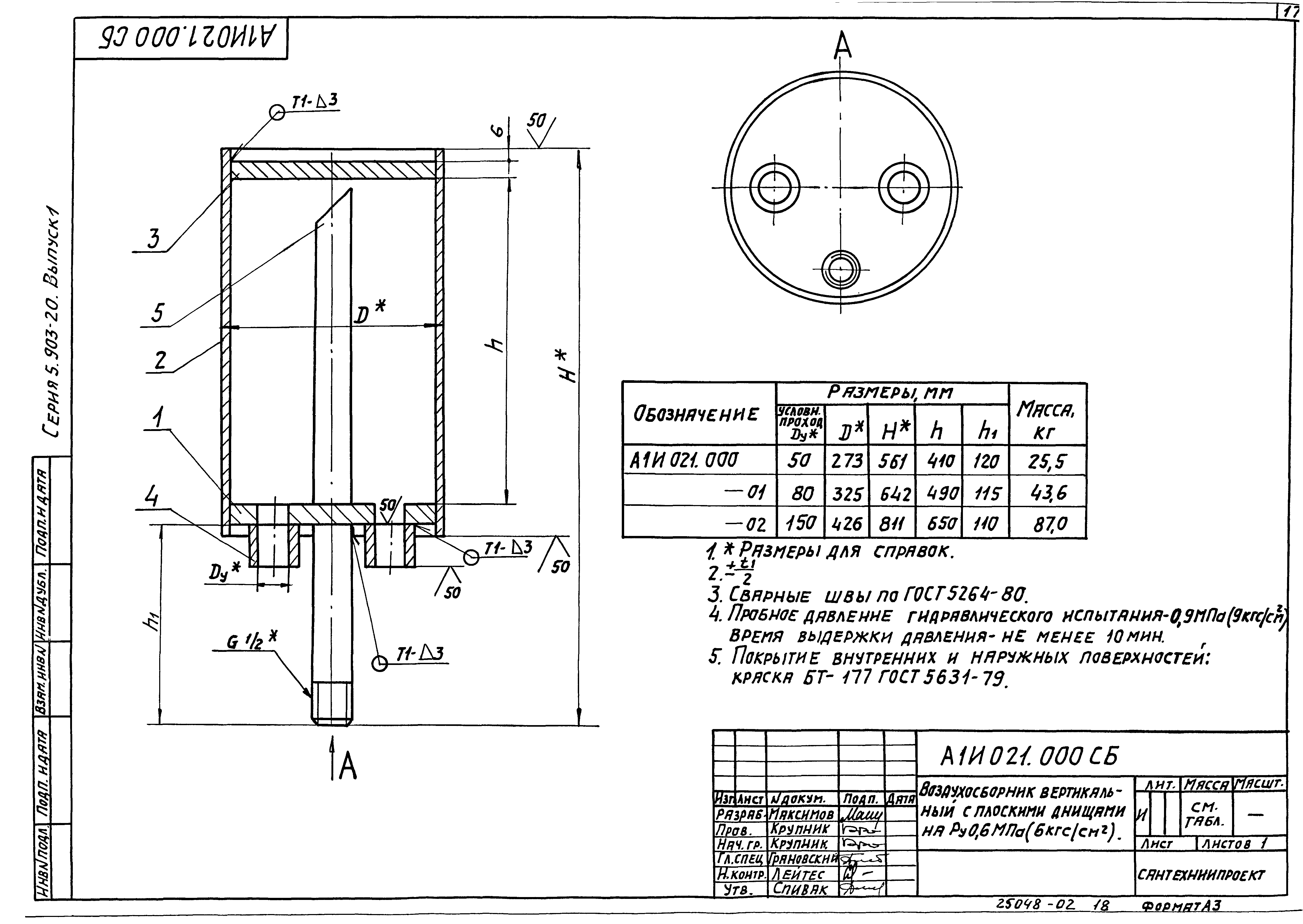
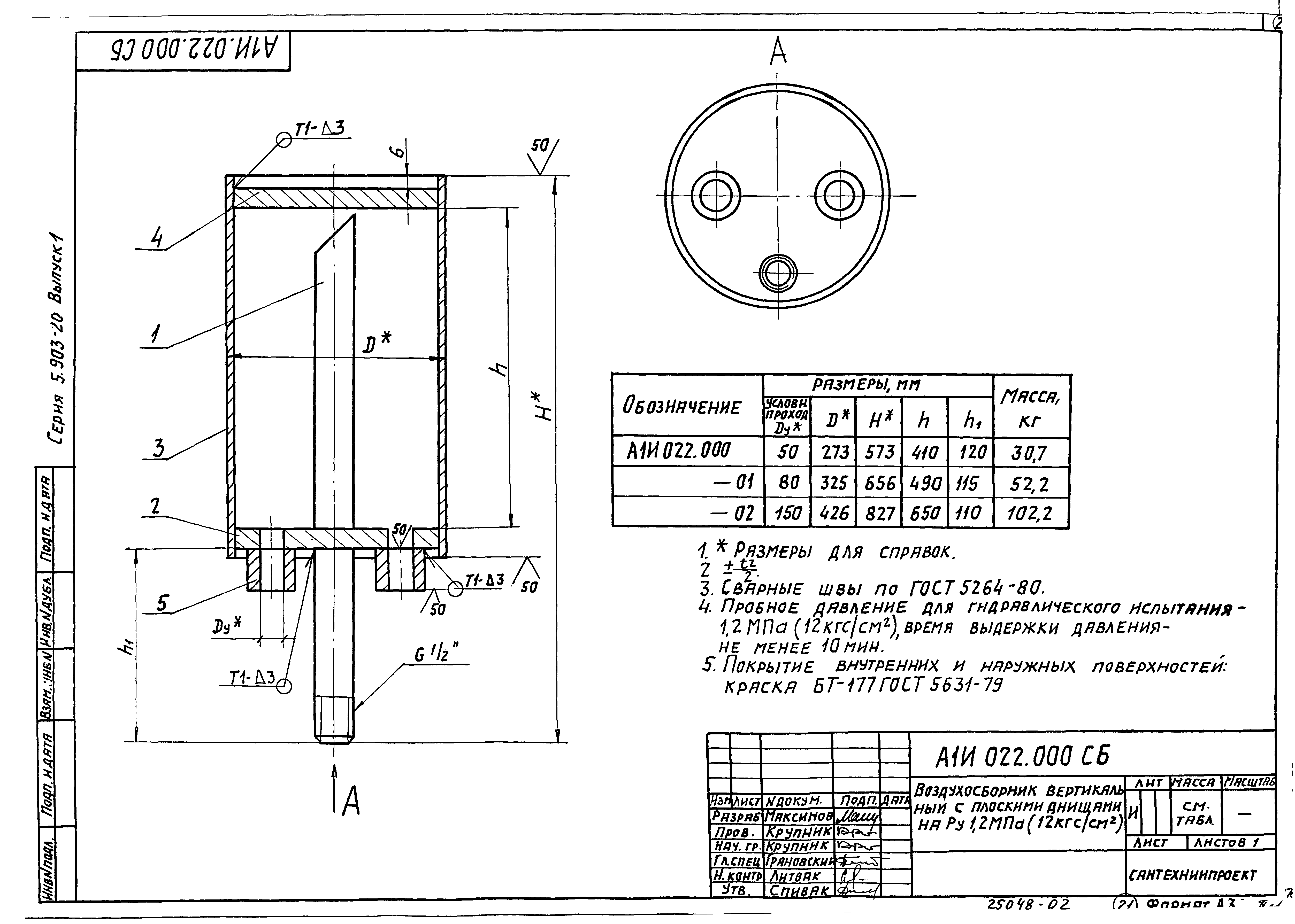
| Оглавление: | А1И017.000 Воздухосборник горизонтальный с эллиптическими днищами на Ру 1,2 МПа (12 кгс/кв. см) А1И017.000 СБ Воздухосборник горизонтальный с эллиптическими днищами на Ру 1,2 МПа (12 кгс/кв. см) А1И017.001 Обечайка А1И017.002 Днище А1И017.003 Днище А1И018.001 Обечайка А1И018.000 Воздухосборник вертикальный с эллиптическими днищами на Ру 1,2 МПа (12 кгс/кв. см) А1И018.000 СБ Воздухосборник вертикальный с эллиптическими днищами на Ру 1,2 МПа (12 кгс/кв. см) А1И018.002 Днище А1И018.003 Воздушник А1И019.000 Воздухосборник горизонтальный с плоскими днищами на Ру 0,6 МПа (6 кгс/кв. см) А1И019.000 СБ Воздухосборник горизонтальный с плоскими днищами на Ру 0,6 МПа (6 кгс/кв. см) А1И019.002 Днище А1И019.003 Днище А1И020.000 Воздухосборник горизонтальный с плоскими днищами на Ру 1,2 МПа (12 кгс/кв. см) А1И020.000 СБ Воздухосборник горизонтальный с плоскими днищами на Ру 1,2 МПа (12 кгс/кв. см) А1И020.002 Днище А1И020.003 Днище А1И021.000 Воздухосборник вертикальный с плоскими днищами на Ру 0,6 МПа (6 кгс/кв. см) А1И021.000 СБ Воздухосборник вертикальный с плоскими днищами на Ру 0,6 МПа (6 кгс/кв. см) А1И021.001 Днище А1И021.005 Воздушник А1И022.000 Воздухосборник вертикальный с плоскими днищами на Ру 1,2 МПа (12 кгс/кв. см) А1И022.000 СБ Воздухосборник вертикальный с плоскими днищами на Ру 1,2 МПа (12 кгс/кв. см) |
| Разработан: | ГПКНИИ Сантехниипроект Госстроя СССР |
| Утверждён: | 10.07.1991 ГПКНИИ Сантехниипроект Госстроя СССР (36) |




















