Скачать Серия 5.904-62 Выпуск 1. Ограждения для помещений с производством категорий А, Б и В. Рабочие чертежиДата актуализации: 01.01.2021
|
| Обозначение: | Серия 5.904-62 |
| Обозначение англ: | Series 5.904-62 |
| Статус: | не определен законодательством |
| Название рус.: | Выпуск 1. Ограждения для помещений с производством категорий А, Б и В. Рабочие чертежи |
| Дата добавления в базу: | 01.09.2013 |
| Дата актуализации: | 01.01.2021 |
| Дата введения: | 01.02.1993 |
| Дата окончания срока действия: | 30.06.2003 |
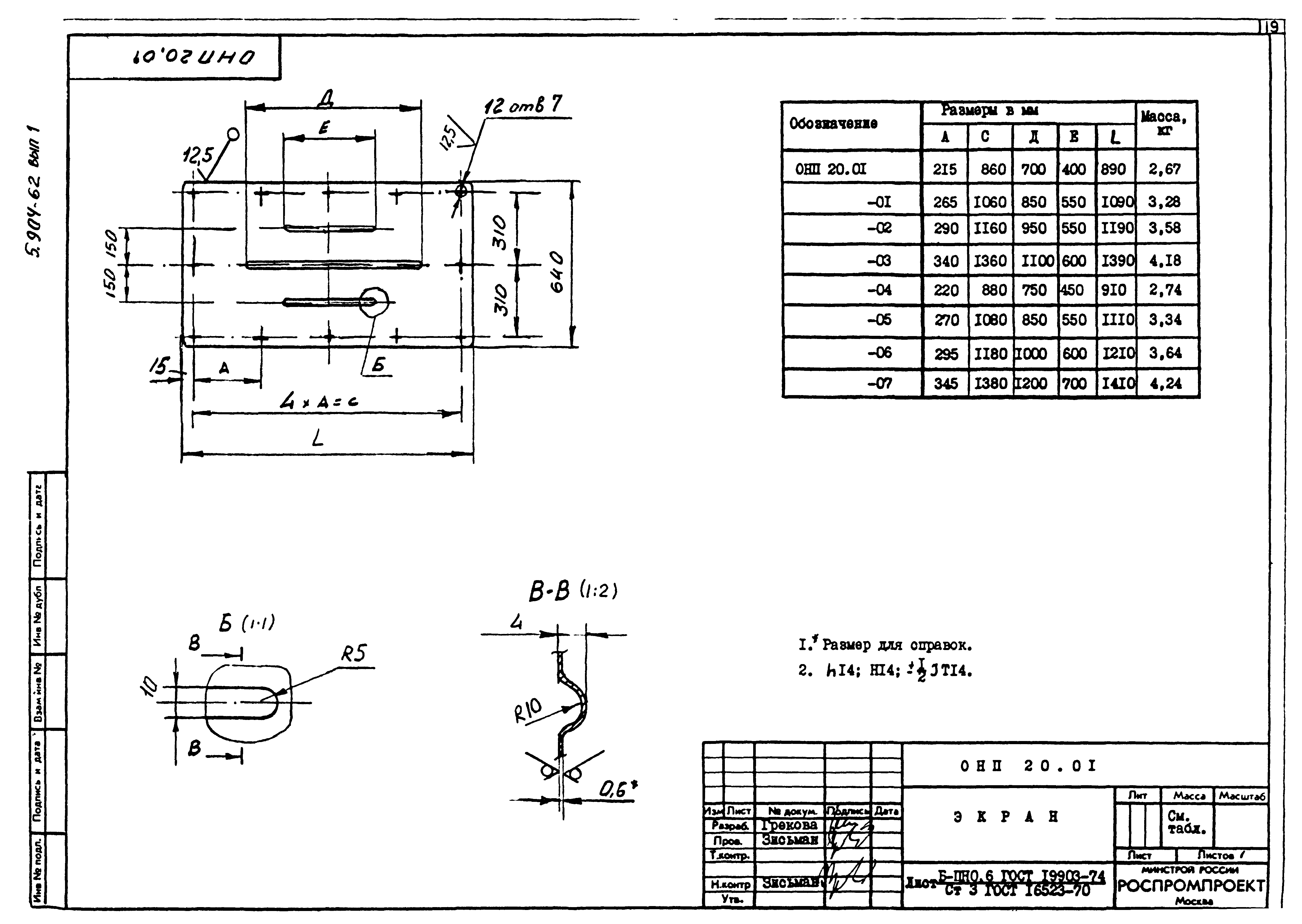
| Оглавление: | 5.904-62.1-ПЗ Ограждения отопительных приборов. Пояснительная записка ОНП 10.00 Ограждение неметаллическое. Спецификация ОНП 10.00 СБ Ограждение неметаллическое. Общий вид ОНП 10.02 Экран ОНП 10.03 Шкворень ОНП 10.04 Штырь ОНП 11.00 Стойка. Спецификация ОНП 11.00СБ Стойка. Общий вид ОНП 11.04 Заглушка ОНП 11.03 Косынка ОНП 20.00 Ограждение металлическое. Спецификация ОНП 20.00 СБ Ограждение металлическое. Общий вид ОНП 20.01 Экран ОНП 21.00 Каркас. Спецификация ОНП 21.01 Заглушка ОНП 21.00 СБ Каркас. Общий вид ОНП 22.00 Каркас. Спецификация ОНП 22.00 СБ Каркас. Общий вид |
| Разработан: | АО Роспромпроект |
| Утверждён: | 21.09.1992 Минстрой России (Russian Federation Minstroy 9-1/300) |
| Издан: | ГУП ЦПП (CPP GUP 1996 г. ) |

























