Скачать Серия 7.901-7 Выпуск 2. Оголовки дренажных скважин, оборудованных насосами типа ЭЦВДата актуализации: 01.01.2021
|
| Обозначение: | Серия 7.901-7 |
| Обозначение англ: | Series 7.901-7 |
| Статус: | не определен законодательством |
| Название рус.: | Выпуск 2. Оголовки дренажных скважин, оборудованных насосами типа ЭЦВ |
| Дата добавления в базу: | 01.09.2013 |
| Дата актуализации: | 01.01.2021 |
| Дата введения: | 01.01.1991 |
| Дата окончания срока действия: | 30.06.2003 |
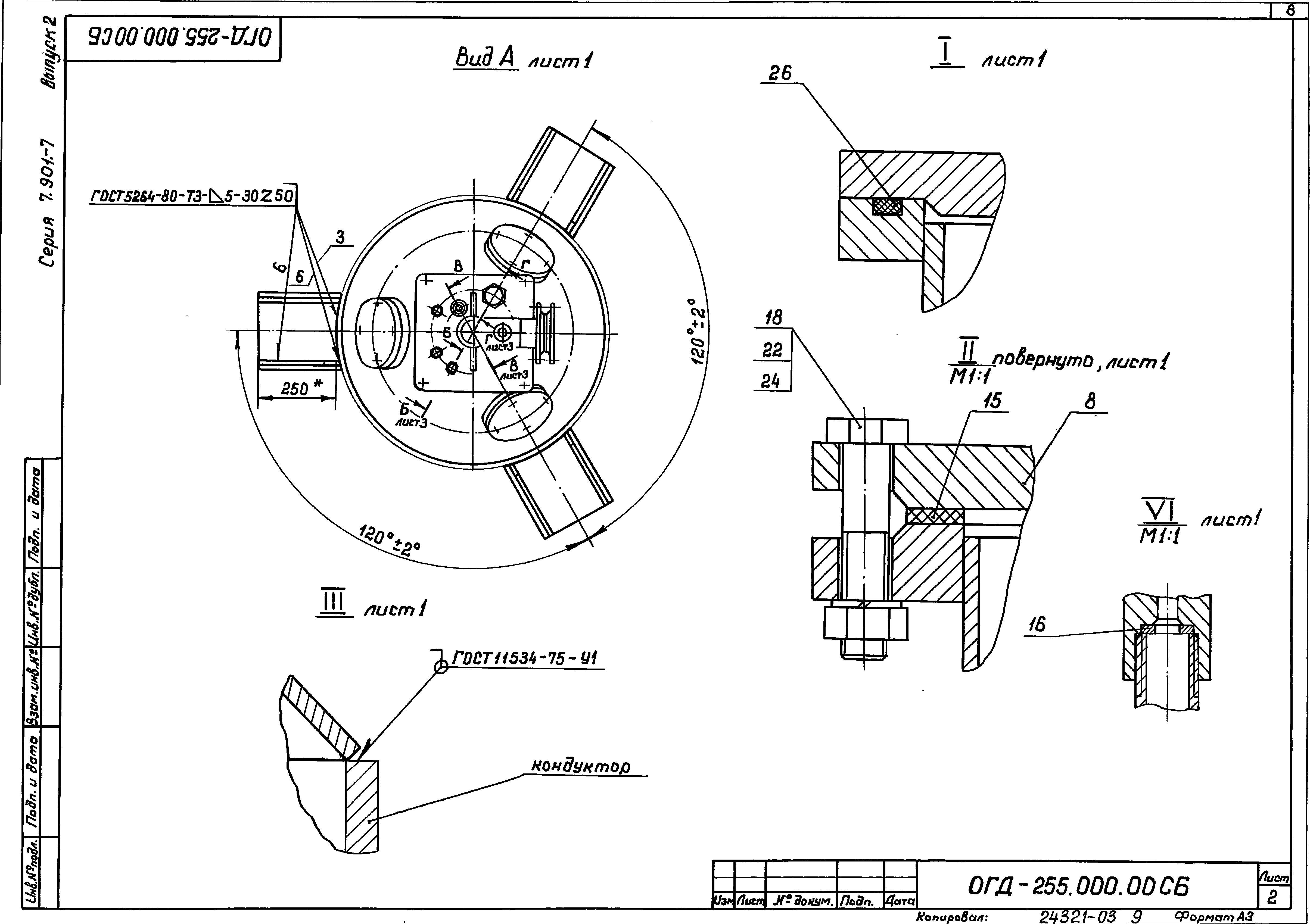
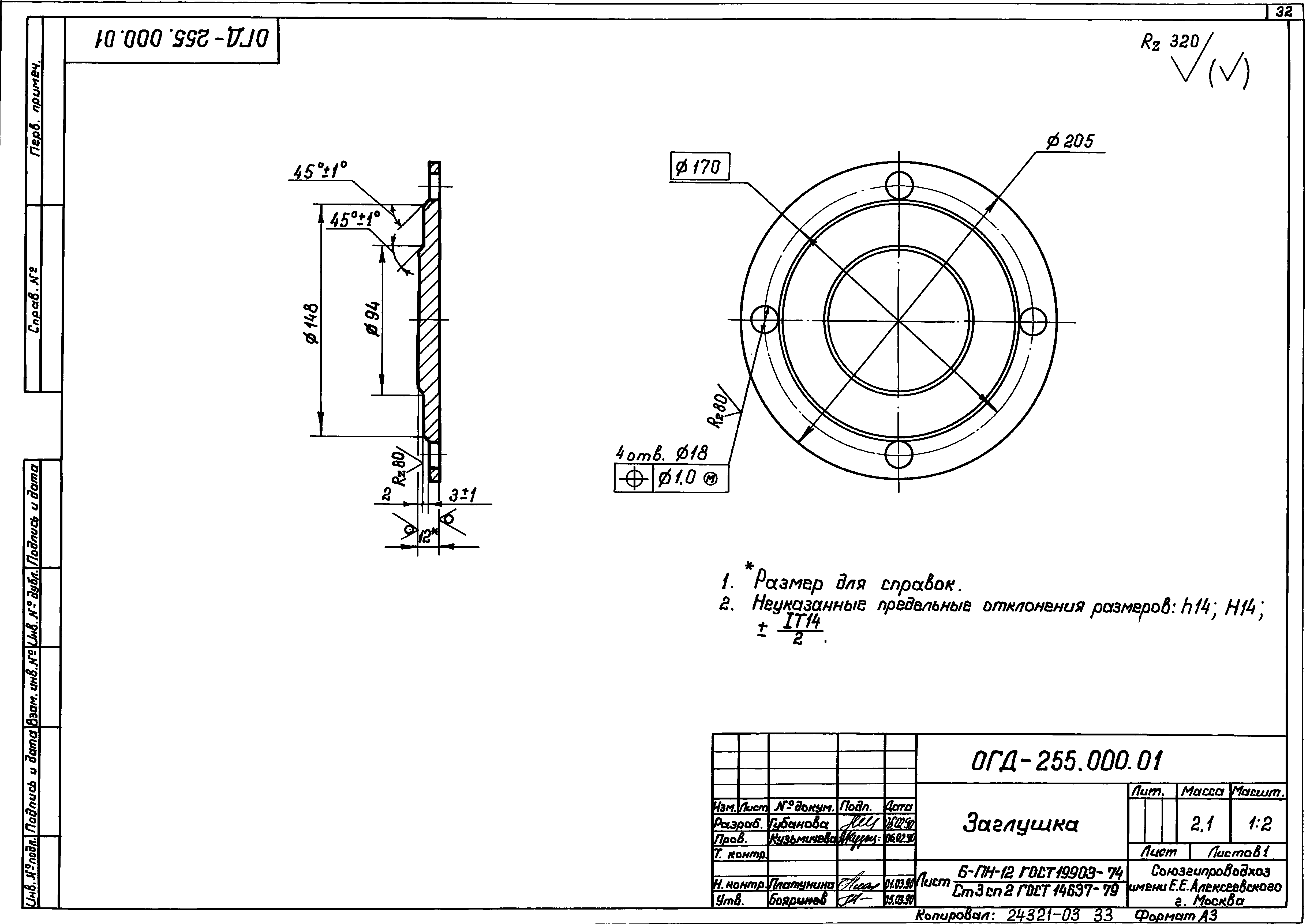
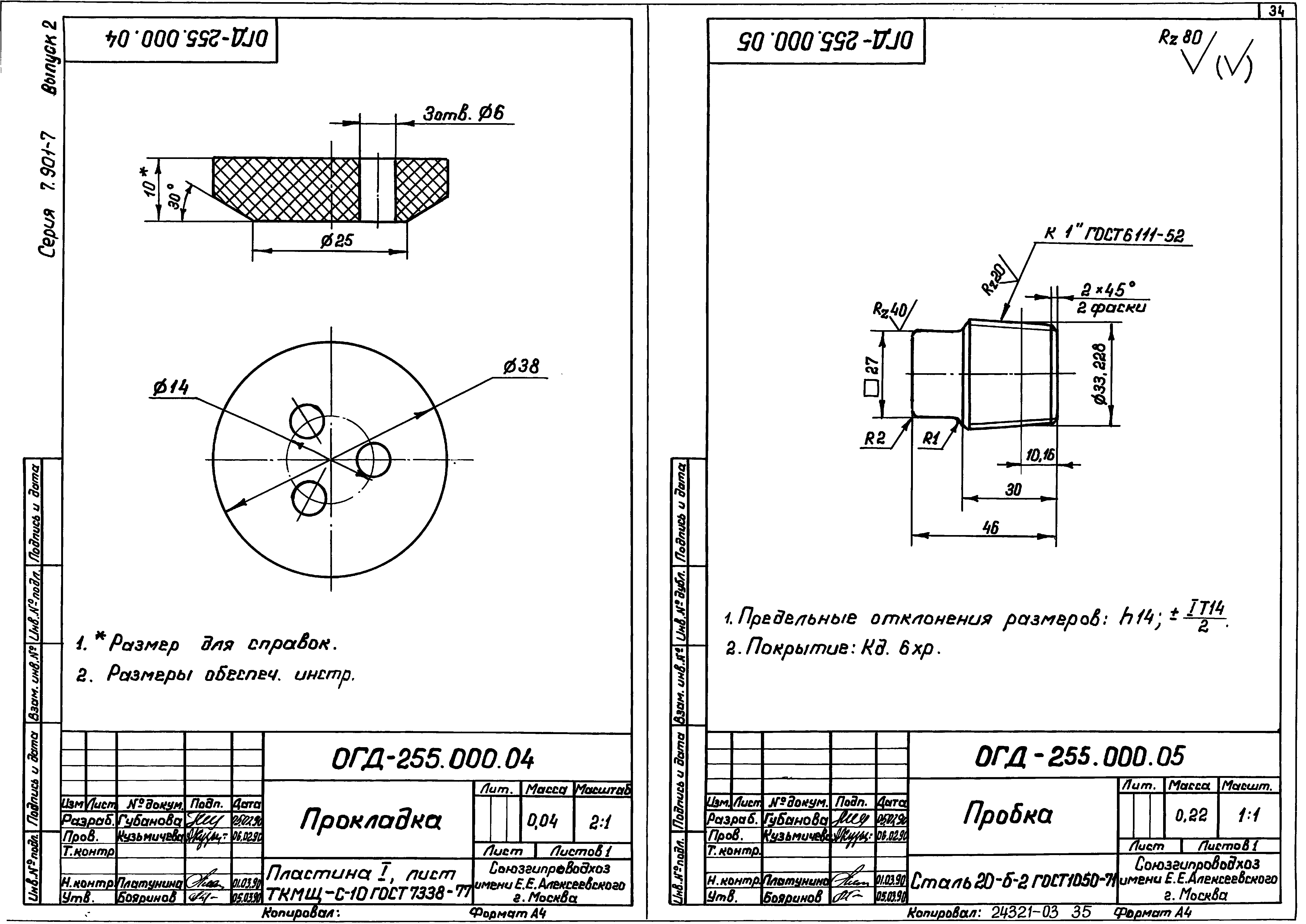
| Оглавление: | ОГД-255.000.00 Оголовок герметизированный. Спецификация ОГД-255.000.08 Прокладка. Деталь ОГД-255.000.00 СБ Оголовок герметизированный. Сборочный чертеж ОГД-255.000.00 ВС Оголовок герметизированный. Ведомость спецификаций ОГД-255.000.00 ВП Оголовок герметизированный. Ведомость покупных изделий ОГД-255.100.00 Патрубок отводной. Спецификация ОГД-255.100.08 Патрубок. Деталь ОГД-255.100.00 СБ Патрубок отводной. Сборочный чертеж ОГД-255.100.01 Плита. Деталь ОГД-255.100.02 Штуцер. Деталь ОГД-255.100.03 Патрубок. Деталь ОГД-255.100.04 Скоба. Деталь ОГД-255.100.09 Бобышка. Деталь ОГД-255.100.05 Колено. Деталь ОГД-255.200.00 Патрубок устьевой. Спецификация ОГД-255.200.00 СБ Патрубок устьевой. Сборочный чертеж ОГД-255.200.01 Фланец. Деталь ОГД-255.200.05 Конус. Деталь ОГД-255.300.00 Опора. Спецификация ОГД-255.300.00 СБ Опора. Сборочный чертеж ОГД-255.300.01 Ребро. Деталь ОГД-255.300.02 Платик. Деталь ОГД-255.000.01 Заглушка. Деталь ОГД-255.000.02 Втулка. Деталь ОГД-255.000.03 Прокладка. Деталь ОГД-255.000.04 Прокладка. Деталь ОГД-255.000.05 Пробка. Деталь ОГД-255.000.06 Пробка. Деталь ОГД-255.000.07 Пробка. Деталь |
| Разработан: | Союзгипроводхоз Минводхоза СССР |
| Утверждён: | 02.04.1990 Минводстрой СССР (821) |
| Заменяет собой: |



































