Скачать Серия 7.901-7 Выпуск 3. Оголовки самоизливающихся скважинДата актуализации: 01.01.2021
|
| Обозначение: | Серия 7.901-7 |
| Обозначение англ: | Series 7.901-7 |
| Статус: | не определен законодательством |
| Название рус.: | Выпуск 3. Оголовки самоизливающихся скважин |
| Дата добавления в базу: | 01.09.2013 |
| Дата актуализации: | 01.01.2021 |
| Дата введения: | 01.01.1991 |
| Дата окончания срока действия: | 30.06.2003 |
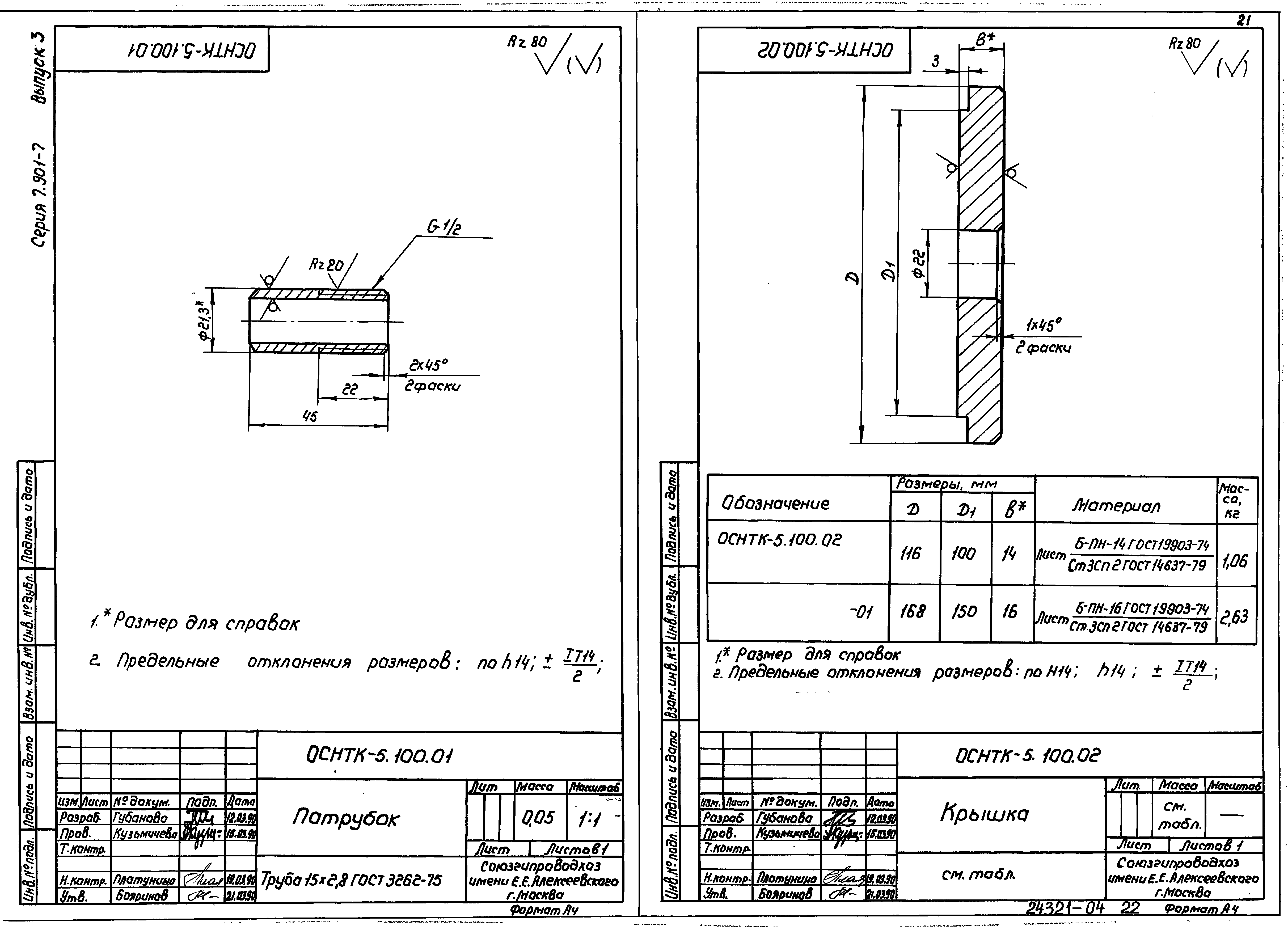
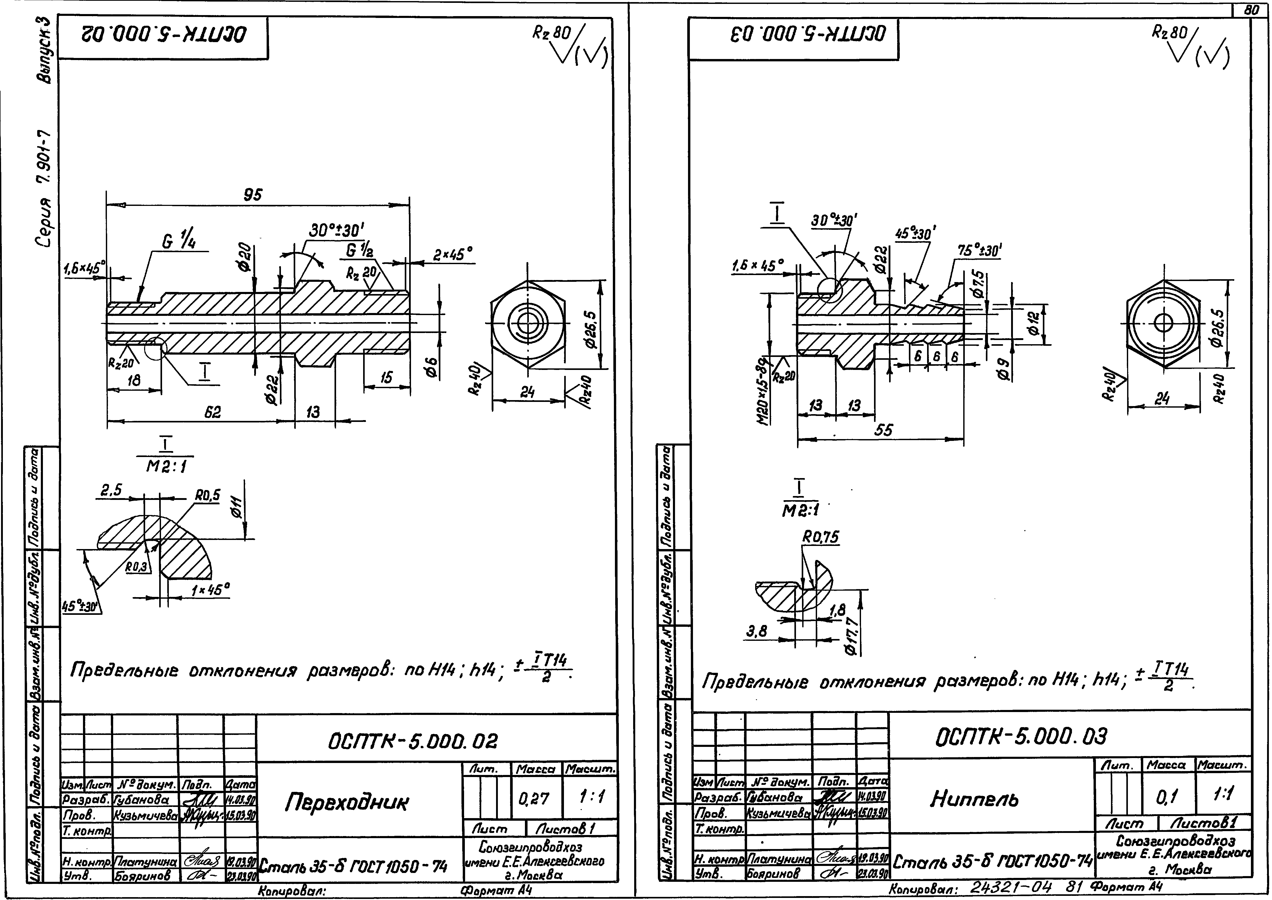
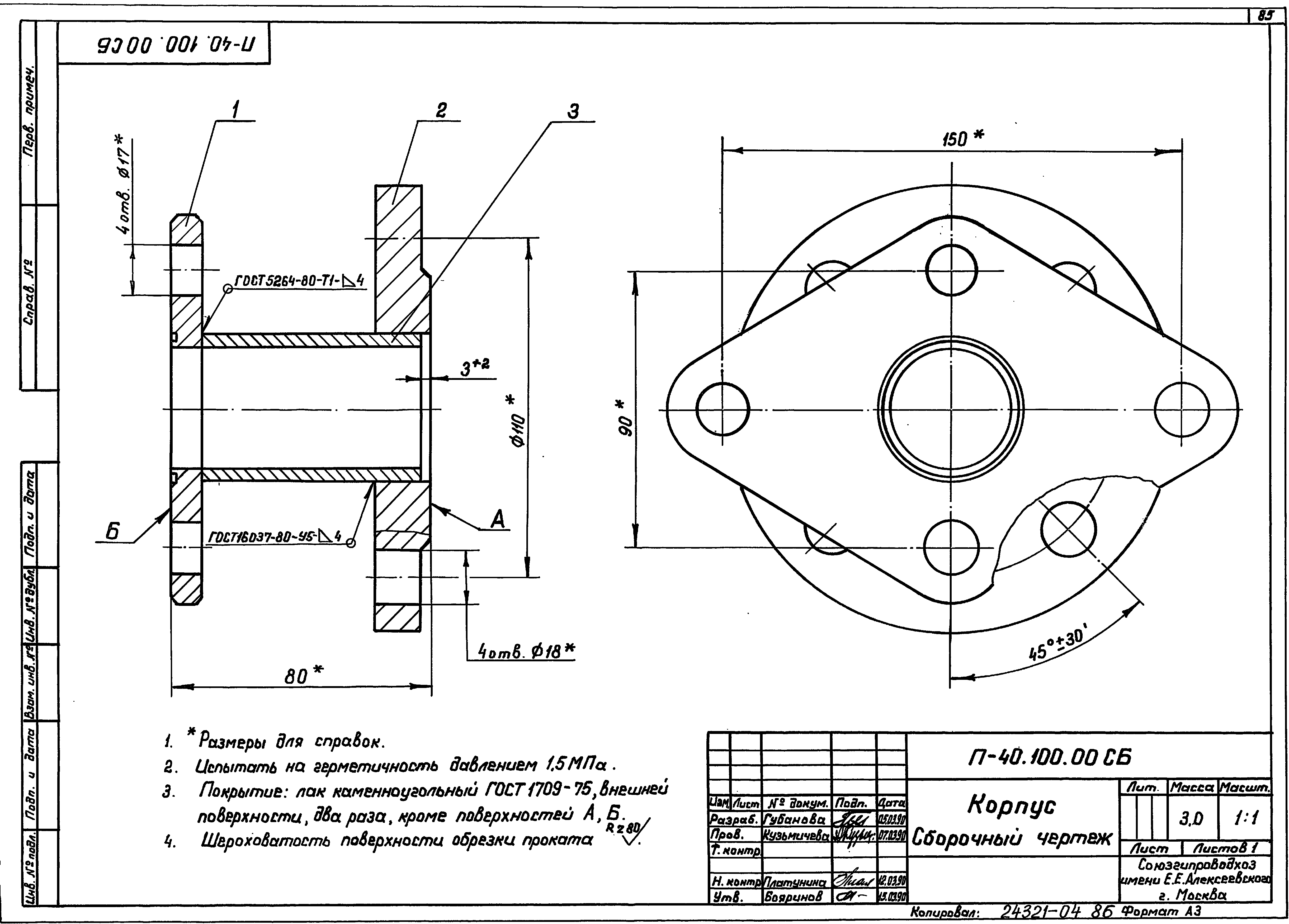
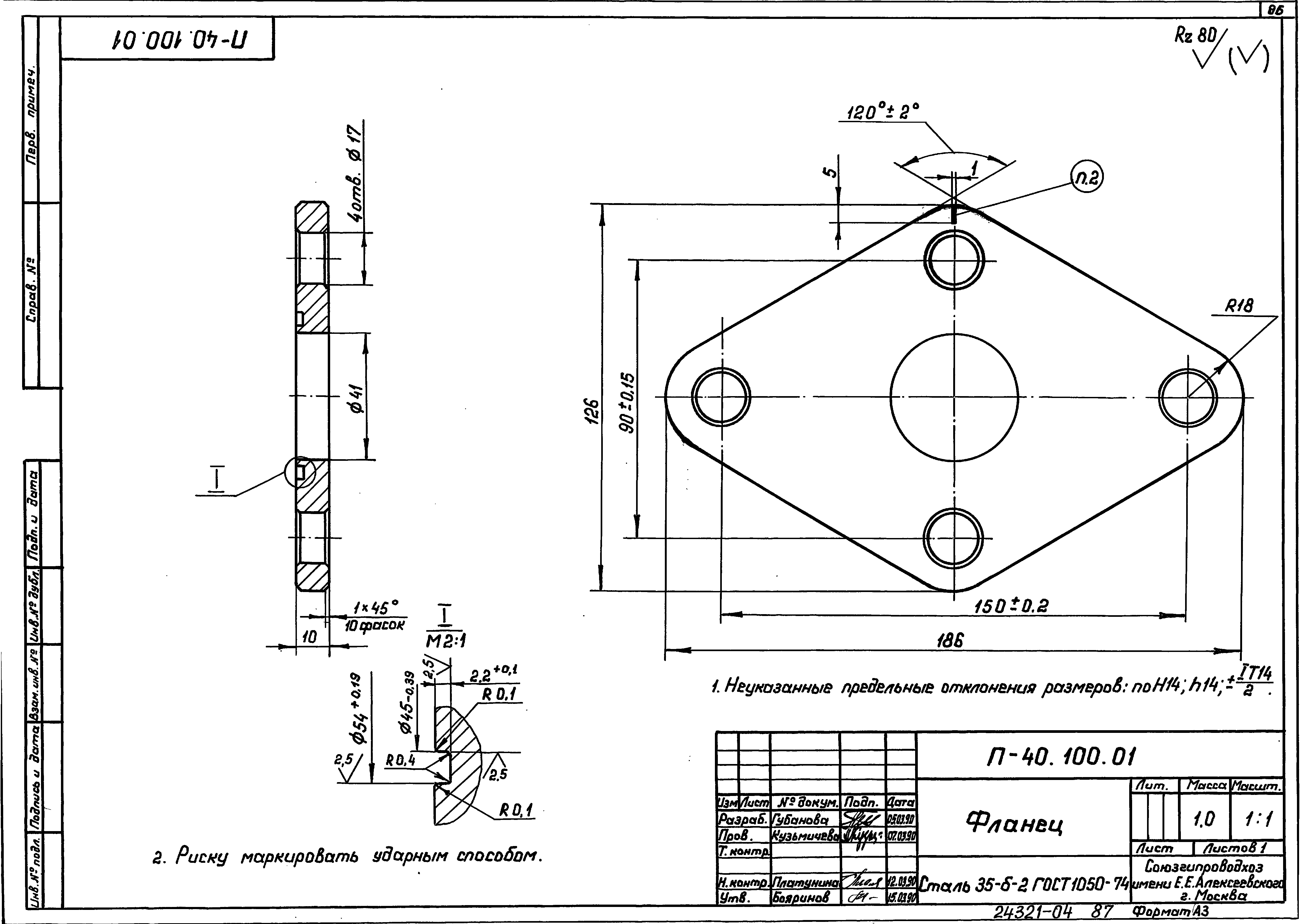
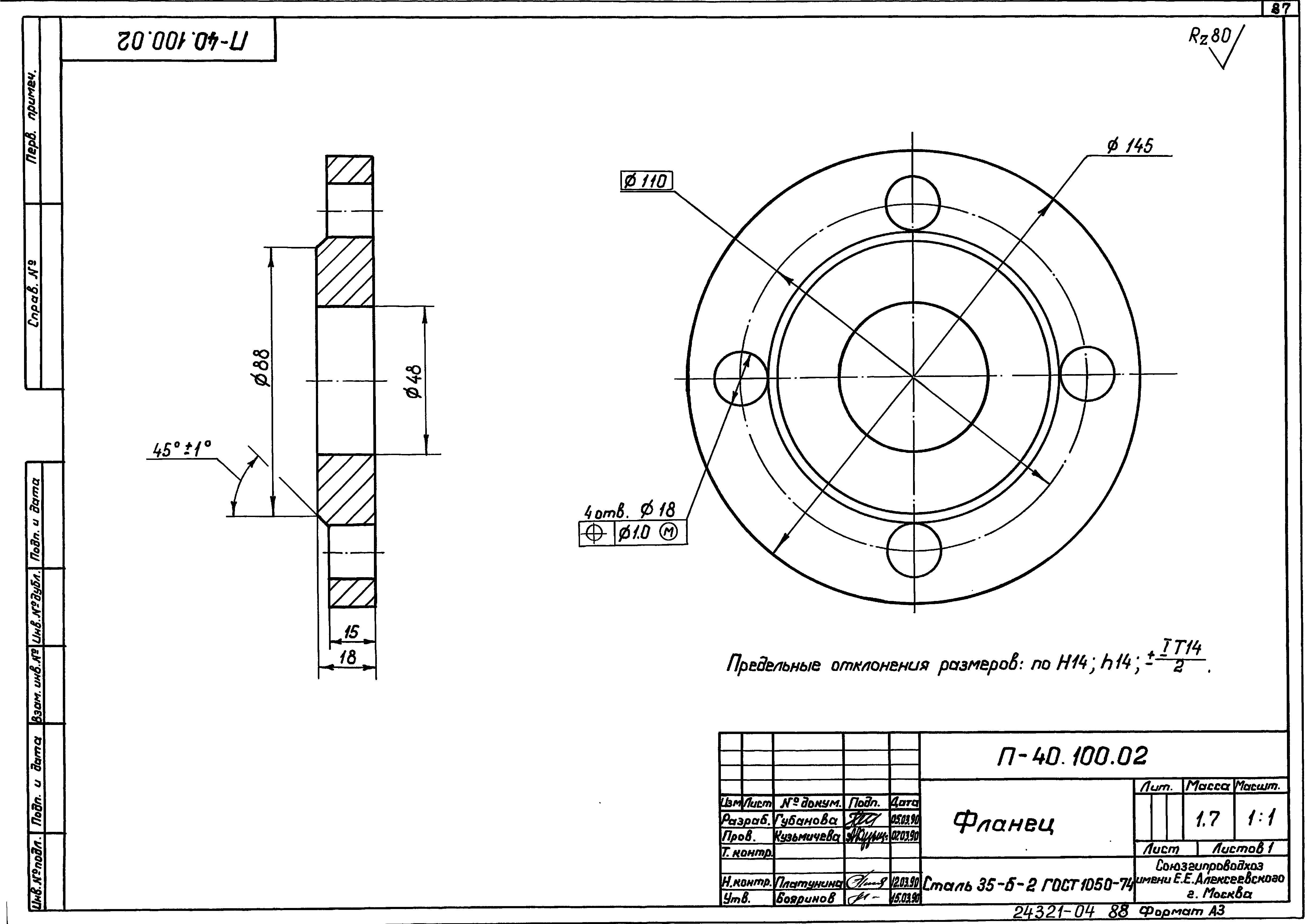
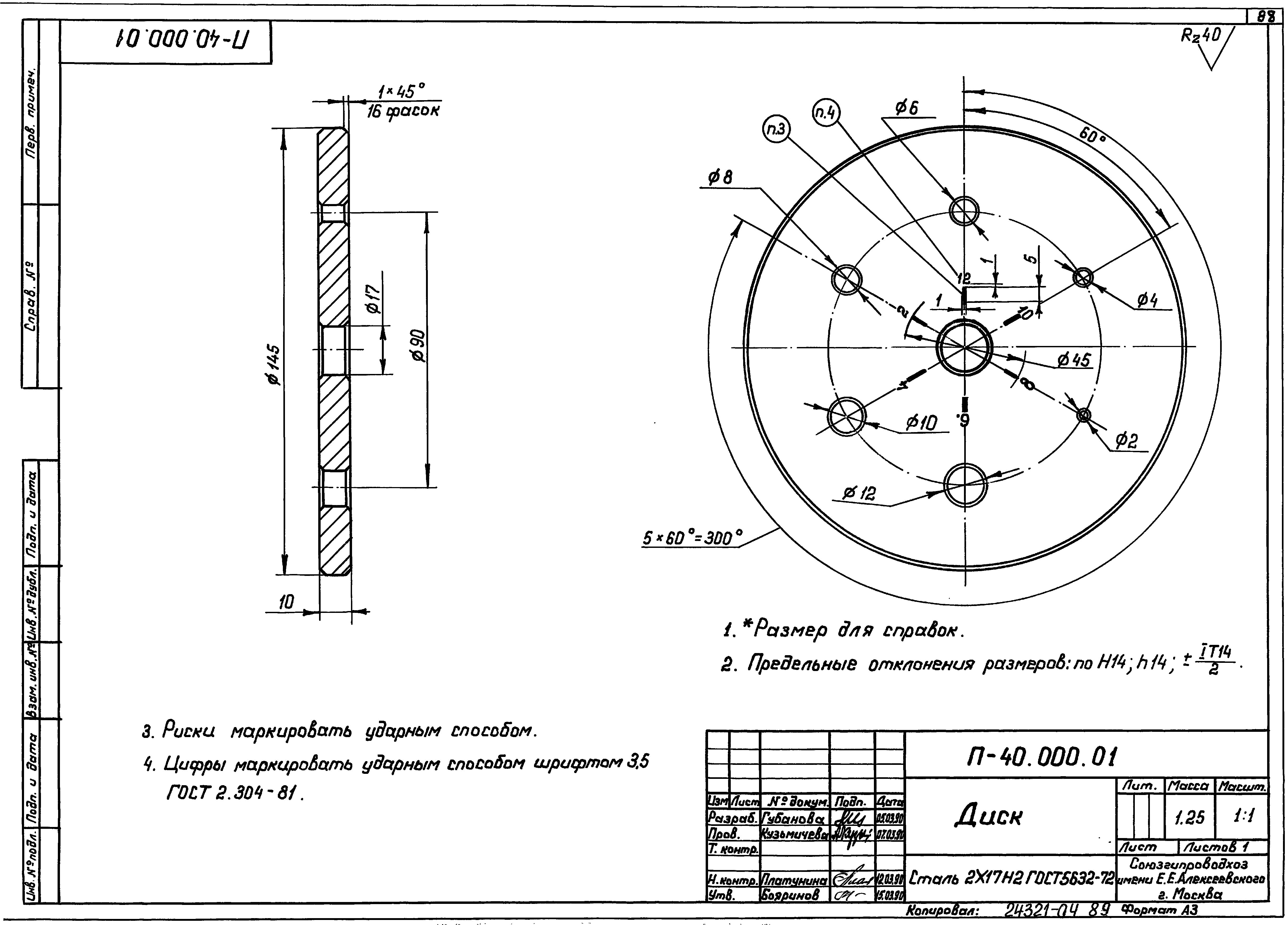
| Оглавление: | ОСНТК-5.000.00 Оголовок самоизливающихся непескующих скважин до 0,5 МПа. Спецификация ОСНТК-5.000.00 СБ Оголовок самоизливающихся непескующих скважин до 0,5 МПа. Сборочный чертеж ОСНТК-5.000.00 ВС Оголовок самоизливающихся непескующих скважин до 0,5 МПа. Ведомость спецификаций ОСНТК-5.000.00 ВП Оголовок самоизливающихся непескующих скважин до 0,5 МПа. Ведомость покупных изделий ОСНТК-5.100.00 Колено. Спецификация ОСНТК-5.100.00 СБ Колено. Сборочный чертеж ОСНТК-5.100.01 Патрубок. Деталь ОСНТК-5.100.02 Крышка. Деталь ОСНТК-5.100.03 Патрубок. Деталь ОСНТК-5.100.04 Патрубок. Деталь ОСНТК-5.200.00 Переход фланцевый. Спецификация ОСНТК-5.200.00 СБ Переход фланцевый. Спецификация ОСНТК-5.200.01 Фланец. Деталь ОСНТК-5.000.01 Прокладка. Деталь ОСНТК-5.000.02 Диафрагма. Деталь ОСНТК-10.000.00 Оголовок самоизливающихся непескующих скважин от 0,5 до 1 МПа. Спецификация ОСНТК-10.000.00 СБ Оголовок самоизливающихся непескующих скважин от 0,5 до 1 МПа. Сборочный чертеж ОСНТК-10.000.00 ВС Оголовок самоизливающихся непескующих скважин от 0,5 до 1 МПа. Ведомость спецификаций ОСНТК-10.000.00 ВП Оголовок самоизливающихся непескующих скважин от 0,5 до 1 МПа. Ведомость покупных изделий ОСПТК-5.000.00 Оголовок самоизливающихся пескующих скважин до 0,5 МПа. Спецификация ОСПТК-5.000.00 СБ Оголовок самоизливающихся пескующих скважин до 0,5 МПа. Сборочный чертеж ОСПТК-5.000.00 ВС Оголовок самоизливающихся пескующих скважин до 0,5 МПа. Ведомость спецификаций ОСПТК-5.000.00 ВП Оголовок самоизливающихся пескующих скважин до 0,5 МПа. Ведомость покупных изделий ОСПТК-5.100.00 Переход с отводом. Спецификация ОСПТК-5.100.00 СБ Переход с отводом. Сборочный чертеж ОСПТК-5.100.01 Фланец. Деталь ОСПТК-5.100.02 Патрубок. Деталь ОСПТК-5.100.03 Патрубок. Деталь ОСПТК-5.200.00 Патрубок с отводом. Спецификация ОСПТК-5.200.00 СБ Патрубок с отводом. Сборочный чертеж ОСПТК-5.200.01 Патрубок. Деталь ОСПТК-5.200.02 Патрубок. Деталь ОСПТК-5.300.00 Патрубок фланцевый. Спецификация ОСПТК-5.300.00 СБ Патрубок фланцевый. Сборочный чертеж ОСПТК-5.400.00 Колонна трубная. Спецификация ОСПТК-5.400.00СБ Колонна трубная. Сборочный чертеж ОСПТК-5.400.01 Диск. Деталь ОСПТК-5.500.00 Патрубок. Спецификация ОСПТК-5.500.00 СБ Патрубок. Сборочный чертеж ОСПТК-5.500.01 Патрубок. Деталь ОСПТК-5.000.01 Патрубок. Деталь ОСПТК-5.000.02 Переходник. Деталь ОСПТК-5.000.03 Ниппель. Деталь ОСПТК-5.000.04 Диафрагма. Деталь ОСПТК-5.000.05 Прокладка. Деталь П-40.000.00 Приспособление для определения диаметра диафрагмы. Спецификация П-40.100.00 Корпус. Спецификация П-40.100.00 СБ Корпус. Сборочный чертеж П-40.100.01 Фланец. Деталь П-40.100.02 Фланец. Деталь П-40.000.01 Диск. Деталь П-40.000.02 Диск. Деталь ОСПТК-10.000.00 Оголовок самоизливающихся пескующих скважин от 0,5 до 1 МПа. Спецификация ОСПТК-10.000.00 СБ Оголовок самоизливающихся пескующих скважин от 0,5 до 1 МПа. Сборочный чертеж ОСПТК-10.000.00 ВС Оголовок самоизливающихся пескующих скважин от 0,5 до 1 МПа. Ведомость спецификаций ОСПТК-10.000.00 ВП Оголовок самоизливающихся пескующих скважин от 0,5 до 1 МПа. Ведомость покупных изделий ОСПТК-10.100.00 Переход фланцевый. Спецификация ОСПТК-10.100.02 Патрубок. Деталь ОСПТК-10.100.00 СБ Переход фланцевый. Сборочный чертеж ОСПТК-10.000.01 Патрубок. Деталь ОСПТК-10.000.03 Патрубок. Деталь |
| Разработан: | Союзгипроводхоз Минводхоза СССР |
| Утверждён: | 02.04.1990 Минводстрой СССР (821) |
| Заменяет собой: |



















































































































