Скачать Серия 4.902-3 Альбом VII. Приемные камеры на два трубопровода диаметром 600 - 800 ммДата актуализации: 01.01.2021
|
| Обозначение: | Серия 4.902-3 |
| Обозначение англ: | Series 4.902-3 |
| Статус: | действует |
| Название рус.: | Альбом VII. Приемные камеры на два трубопровода диаметром 600 - 800 мм |
| Дата добавления в базу: | 01.09.2013 |
| Дата актуализации: | 01.01.2021 |
| Дата введения: | 01.08.1973 |
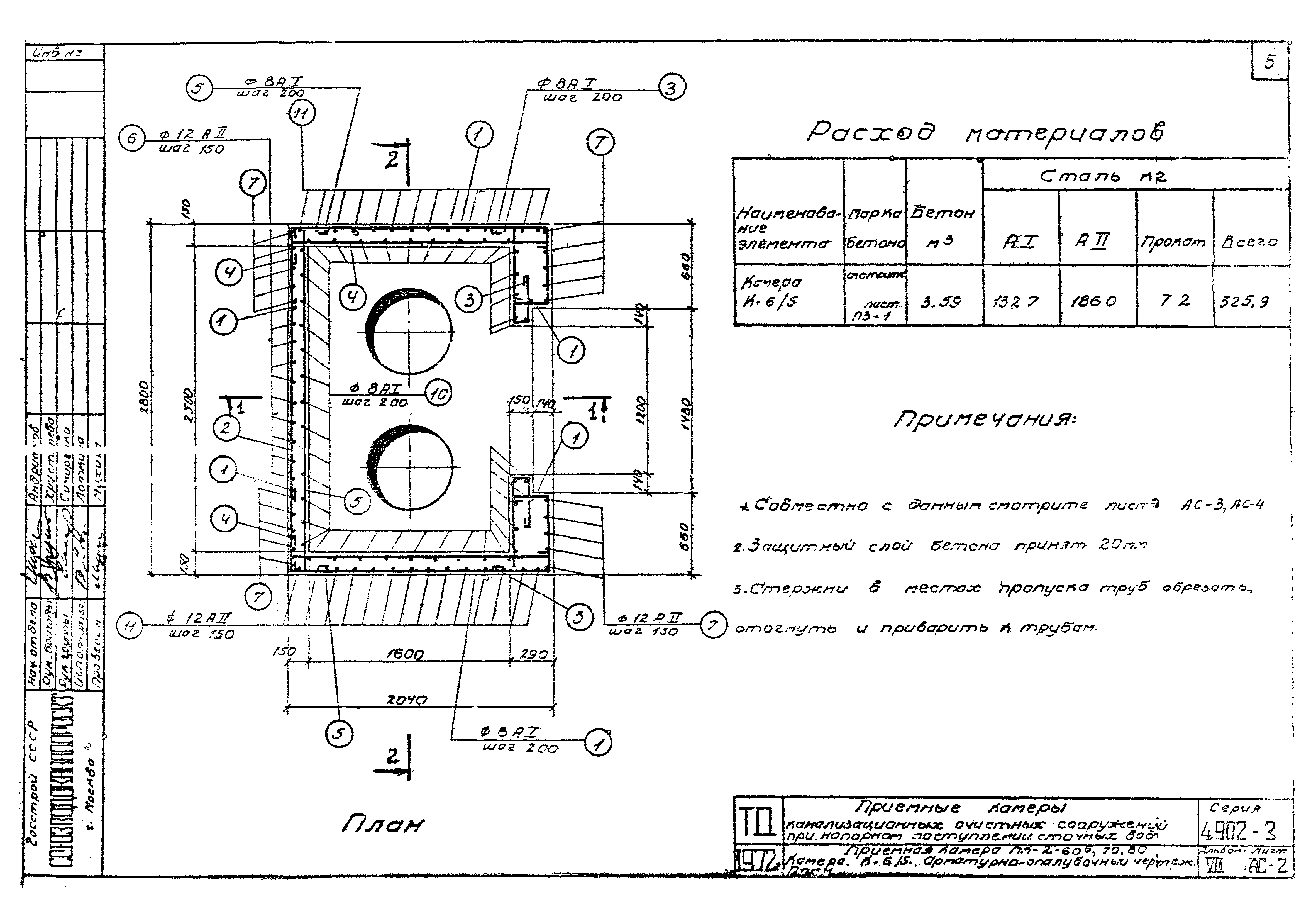
| Оглавление: | Титульный лист Содержание альбома Пояснительная записка Общие виды. План. Разрезы Камера К-6/5. Арматурно-опалубочный чертеж. План Камера К-6/5. Арматурно-опалубочный чертеж. Разрезы Камера К-6/5. Спецификация арматуры Лоток Л-5. Арматурно-опалубочный чертеж Лоток Л-5. Спецификация арматуры. Арматурные сетки Металлические детали М-2-1,2 Деревянные щиты |
| Разработан: | Союзводоканалпроект |
| Утверждён: | 26.07.1973 Союзводоканалпроект (Soyuzvodokanalproject 167) |











